首页 > 国家标准(GB) > GB 12529.5-1990 粮油工业用图形符号,代号 仓储工业
GB 12529.5-1990

基本信息

标准号: GB 12529.5-1990

中文名称:粮油工业用图形符号,代号 仓储工业

标准类别:国家标准(GB)

标准状态:现行

发布日期:1990-12-07

实施日期:1991-09-01

出版语种:简体中文

下载格式:.rar.pdf

下载大小:302278

相关标签: 粮油 图形符号 代号 仓储 工业

标准分类号

标准ICS号:食品技术>>67.040食品综合

中标分类号:食品>>食品综合>>X04基础标准与通用方法

关联标准

出版信息

页数:20页

标准价格:14.0 元

相关单位信息

首发日期:1990-12-07

复审日期:2004-10-14

起草人:夏建桥、张诚彬

起草单位:商业部科学研究院

归口单位:商业部粮食储运局

提出单位:中华人民共和国商业部

发布部门:国家技术监督局

主管部门:国家粮食局

标准简介

本标准规定了制粉工业工艺流程图用的图形符号和代号。本标准适用于生产、科研、设计、教学及其他有关领域。本标准不规定工艺流程图中一般不作表达的项目以及已列入GBl2529.1的项目。 GB 12529.5-1990 粮油工业用图形符号,代号 仓储工业 GB12529.5-1990 标准下载解压密码:www.bzxz.net

标准图片预览

GB 12529.5-1990 粮油工业用图形符号,代号 仓储工业
GB 12529.5-1990 粮油工业用图形符号,代号 仓储工业
GB 12529.5-1990 粮油工业用图形符号,代号 仓储工业
GB 12529.5-1990 粮油工业用图形符号,代号 仓储工业
GB 12529.5-1990 粮油工业用图形符号,代号 仓储工业

标准内容

中华人民共和国国家标准
粮油工业用图形符号、代号
仓储工业
Graphic symbols and codes fot grain and oil industryStoring and handling
1主题内容与适用范围
本标准规定了制粉工业工艺流程图用的图形符号和代号。本标准适用于生产、科研、设计、教学及其他有关领域。GB12529.5--90
本标准不规定工艺流程图中般不作表达的项目以及已列入GB12529.1的项目。2引用标准
GB4457.4机械制图图线
GB8900粮油仓储设备名词术语
GB12529.1粮油工业用图形符号、代号通用部分3—般规定
3.1本标准规定的图形符号及代号涉及粮油仓储生产线的各个环节。也包括生产线以外的各种单机。3.2本标准规定的图形符号在工艺流程图中或其他场合应用时,可根据实际需要适当缩小或放大。3.3本标准规定的图形,允许反方向绘制。3.4图形符号的图线,执行GB4457.4的有关规定。3.5本标准及GB12529.1均未规定的符号、代号,按有关的国家标准或专业标准执行;国家标准及专业标准未作规定时,可遵循简单明了、反映实物主要特征的原则,自行绘制。4仓储工业图形符号、代号的分类a.
输送:C101~C116,
装卸:C201C219;
堆包:C301~C306;
d.干燥:C401~C413;
储粮:C501~C505;
辅助:C601~C602;
粮仓:C701~C709。
5图形符号、代号
国家技术监督局1990-12-07批准1991-09-07实施
图形符号及代号
GB12529.5—90
中、英文名称
平型胶带输送机
flat rubber belt con-
槽型胶带输送机
troughed rubber belt
conveyor
移动胶带输送机
mobile rubber belt
conveyot,
movable rubber belt
conveyor
转向胶带输送机
rotating rubber belt
conveyor
伸缩胶带输送机
telescopic rubber
belt conveyor
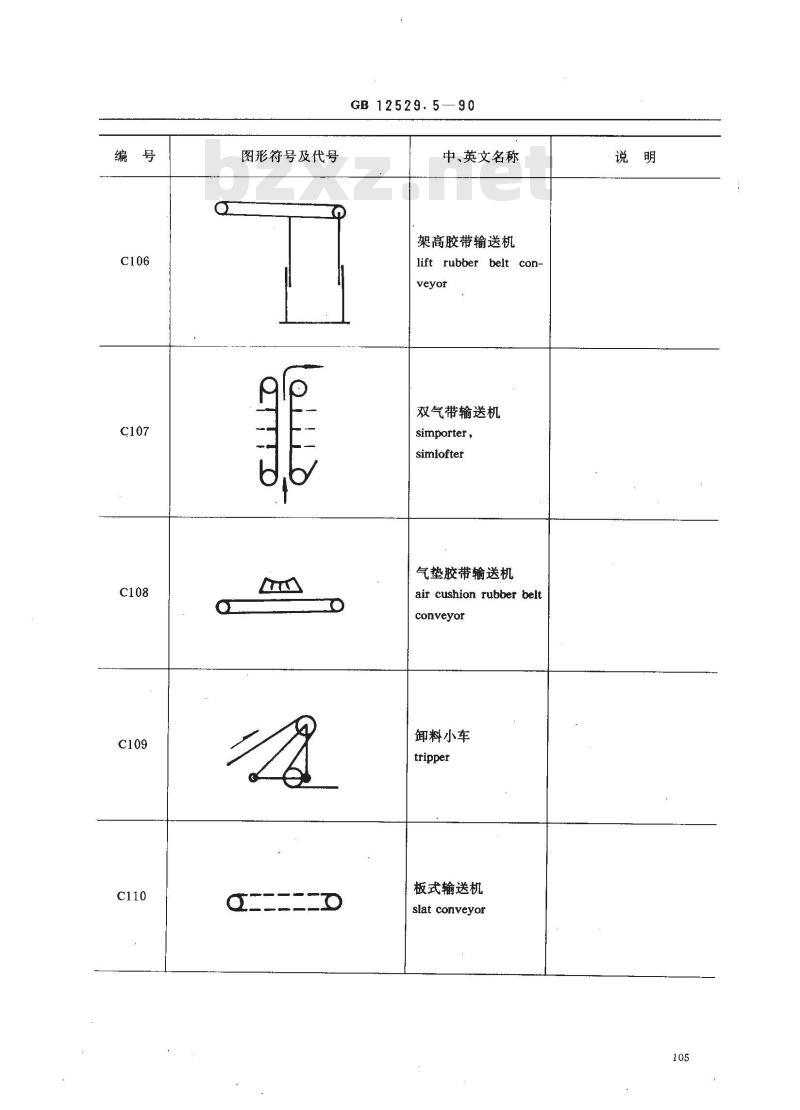
图形符号及代号
GB12529.5—90
中、英文名称
架高胶带输送机
lift rubber belt con-
双气带输送机
simporter,
simlofter
气垫胶带输送机
air cushion frubber belt
conveyor
卸料小车
tripper
板式输送机
slat conveyor
图形符号及代号
GB12529.5—90
中、英文名称
裸式螺旋输送机
nude screw conveyor
移动螺旋输送机
mobile screw conveyor
移动斗式提升机
mobile bucket elevator
悬吊斗式提升机
suspended bucket ele-
带式抛运机
belt thrower
图形符号及代号
GB 12529.5—90
中、英文名称
roller conveyor
散装车(侧翻)
bulk vehicle (side tilt-
散装车(后翻)
bulk vehicle(back tilt-
油桶搬运车
barrel handling carrier
叶轮抛运机
rotary vane thrower
图形符号及代号
GB12529.5-90
中、英文名称
螺旋扒谷机
screw grain scraper
刮板扒谷机
grain scraper
翼轮扒谷机
winged wheel grain
scraper
回转螺旋出仓机
revolving screw bin
discharger
回转刮板出仓机
revolving scraper
bin discharger
图形符号及代号
GB 12529.5--90
中、英文名称
移动吸粮机
mobile pneumatic
grain handling set
固定吸粮机
fixed pneunatic
grain handling set
榄杆起重机
derrick crane
轻便起重机
light crane
回转起重机
revolving crane
图形符号及代号
GB 12529. 5-90
中、英文名称
液压倾卸机
hydraulic unloader
铲粮车
grain shovel carrier
机械铲
power shovel
振动仓底卸料器
vibrating bin discharg-
流化仓底卸料器
fluidizing bin discharg-
图形符号及代号
GB 12529. 5—90
中、英文名称
艾车式堆包机
fork lift stacket
门架式堆包机
gantry travelling
stacker
固定旋转堆包机
fixed rotating stacker
悬臂式堆包机,
桥式车堆包机
cantilever stacket,
bridge crane stacker
折登式堆包机
folding stacker
图形符号及代号
GB 12529.5—90bZxz.net
中、英文名称
四连杆堆包机
four bar linkage
stacker
流化烘干机
fluidized-bed dryer
沸腾烘干机
boiled-bed dryer
气流烘干机
air flow dryer
圆筒烘干机
rotary drum dryer
红外线干燥机
infrared dryer
图形符号及代号
GB12529.5—90
中、英文名称
塔式烘干机
tower type dryer
链式烘干机
chain dryer
锥筒烘干机
cut cone dryer .
conical dryer
网柱烘干机
column dryer
高巍干燥机
high-frequency dryer
图形符号及代号
GB12529.5—90
中、英文名称
微波干燥机
microwave dryer
太阳能烘干机
solar energy dryer
流槽式冷却器
cooling chute
塔式冷却器
cooling tower
单管通风设备(吸出
single tube ventilation
set(suction type)
小提示:此标准内容仅展示完整标准里的部分截取内容,若需要完整标准请到上方自行免费下载完整标准文档。