首页 > 国家标准(GB) > GB/T 18439-2001 港口起重机 稳定性基本要求
GB/T 18439-2001

基本信息

标准号: GB/T 18439-2001

中文名称:港口起重机 稳定性基本要求

标准类别:国家标准(GB)

标准状态:现行

发布日期:2001-09-03

实施日期:2002-04-01

出版语种:简体中文

下载格式:.rar.pdf

下载大小:188550

相关标签: 港口 起重机 稳定性

标准分类号

标准ICS号:社会学、 服务、公司(企业)的组织和管理、行政、运输>>运输>>03.220.40水路运输

中标分类号:公路、水路运输>>港口装卸>>R46港口装卸机械及属具

关联标准

采标情况:NEQ ISO 4304:1987

出版信息

出版社:中国标准出版社

书号:155066.1-18016

页数:平装16开, 页数:6, 字数:

标准价格:8.0 元

出版日期:2004-04-17

相关单位信息

首发日期:2001-09-03

复审日期:2004-10-14

起草单位:上海海运学院

归口单位:交通部

发布部门:中华人民共和国国家质量监督检验检疫总局

主管部门:交通部

标准简介

本标准规定了港口起重机的抗倾覆稳定性满足的要求。本标准适用于岸边集装箱起重机、桥式抓斗卸船机、轮胎式集装箱门式起重机、港口门座起重机。其他港口起重机可参照执行。 GB/T 18439-2001 港口起重机 稳定性基本要求 GB/T18439-2001 标准下载解压密码:www.bzxz.net

标准图片预览

GB/T 18439-2001 港口起重机 稳定性基本要求
GB/T 18439-2001 港口起重机 稳定性基本要求
GB/T 18439-2001 港口起重机 稳定性基本要求
GB/T 18439-2001 港口起重机 稳定性基本要求
GB/T 18439-2001 港口起重机 稳定性基本要求

标准内容

ICS 03. 220.40
53.020.20
中华人民共和国国家标准
GB/T 18439--2001
港口起重机
稳定性基本要求
Harbour crane
General requirementsfor stability2001-09-03发布
中华人民共和国
国家质量蓝督检验检疫总局
2002-04-01实施
GB/T18439—2001
本标准是参照国际标准IS04304:1987除流动式和浮式起重机以外的起重机稳定性基本要求》和ISO4305:1991《流动式起重机的稳定性确定》的相关内容进行编写的,在技术内容上与其等效,同时针对港口起重机的特点根据FEM《欧洲起重机械设计规范》第三版(1987.10.1)和修订版(1998.10.1)的相关内容与数据作「适当的增删。木标准由中华人民共和国交通部提出。本标准山交部水运科学研究所归口。本标准起草单位:上海海运学院、日照港务局。本标准主要起草人:黄有方、宓为建、董达善、赵诚,-riKAoNiKAca-
1范围
中华人民共和国国家标准
港口起重机
稳定性基本要求
Harbour crane-Gcncral requirements for stabilityGB/T 18439—2001
本标准规定了港I起重机(以下简称起重机)的抗倾覆稳定性应满定的要求,本标准适用于岸边集装箱起重机、桥式抓斗卸船机、轮胎式集装箱门式起重机、港口门座起重机。其他港口起重机可参照执行。
2引用标准
下列标准所包含的条文,通过在本标准中引用而构成为本标准的条文。本标准出版时,所示版本均为有效。所有标准都会被修订,使用本标准的各方应探讨使用下列标准最新版本的可能性:GB/T38111983起重机设计规范
IT/T90—1994港起重机风载荷规范JT399—1999港11人型装卸机械防风安全要求3稳定性
3.1计算
3.1.1当起重机稳定力矩的代数和大于倾覆力矩代数和时,认为起重机是稳定的。起重挑的稳定性计算应符台GB/T 3811 的规定,
3.1.2虚用表1规定的数据验算起重机的稳定性,让算中、起重机及其部件的位置,载荷的影响应取最不利方向和作用效果的组合。3.1. 3对于无轨运行的起重机,当起重机需要在斜面上工作时应考总起重机支撑面斜度对稳定性的影响。
3.1.4在地震多发地区.地震对起重机稳定性的效应接表1工况1、Ⅱ、Ⅱ的附加载荷加以考虑。3.2I作状态中的后倾稳定性
当起重机处于卸载状态,所有可移动工作部件处于对后倾最不利位置,工作状态的后倾稳定性应按3. 2. 1 或 3. 2. 2 的规定逊行验算。3.2.1力矩法
出工作状态风载荷Pw*和惯性载荷1构成的倾覆力矩应不大于稳定力的90%。3.2.2重力法
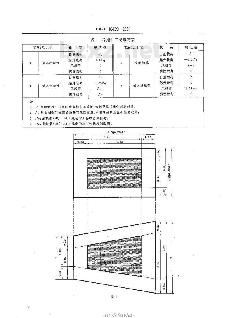
不计风载荷作用、起重机的重心在水平面上的投影位置应不超过前支点联线至后倾覆边距离的80%,如图1所示.
中华人民共和国国家质量监督检验检疫总局2001-09-03批准2002-04-01实施
工况(见3.!)
基本稳定性
动态稳定性
自重戴荷
起仆载荷
风裁荷
惯性载荷
自重载荷
惯性载荷
GB/T18439—2001
装!稳定性工况载荷表
规定值
T况见3. 1)
窦然卸载
最大风载荷
P。是由制造厂规定的设备额定起重盘,包括尿具质量引起的载尚:1
2P。是由制造厂规定的设备有效起重单,不包括吊具质蛋引起的载荷;3PW,是根据GB/T3811规定的作状态风载荷;4P是根据GB/T3811规定的非工作状态风载荷。bc轴距/轮臣)
iiKAoNrKAca
自重载荷
起升载荷此内容来自标准下载网
风载荷
惯性载
自重载荷
起升载荷
风载荷
惯性载荷
(/)
规定值
3.3风载荷的作用
GB/T18439—2001
3.3.1工作状态风载荷应按对稳定性最不利的倾稳方向考虑。风压计算应符合JT/190的规定,3.3.2起重机上部结构不能随风转动时.上部结构和下部结构均按最大通风面积计算,起重机上部结构能随风转动时、上部结构按最小通风面积计算,下部结构按最人通风面积计算。4稳定装置
4.1起重机应设置稳定装置。稳装置应衍合GB/T3811和JT399的规定。4.2稳定装置应能迅速并方便地投入使用。5变形
在计算稳定性时应考虑显著弹性变形的影响。GB/T 18439-2001
中华人民共和国
国家标准
港口起重机稳定性基本要求
GB/118439—20C1
中国标准出版社出版
化京复兴门外里河北街16号
邮政编码:109045
电话:82394668517548
中国标准出版社秦皇品印刷厂印期新华书店北京发行所发行各地新华书店经售开本880X12301/16印张1/2字数7千字2001年12月第~版
2001年12片第次印刷
印效1—1500
书号:155366·1-18016定价6.00元网址 bzcbs.com
版权专有傻权必究
举报电话:(010)68533533
-rKAONrKAca-
002608
小提示:此标准内容仅展示完整标准里的部分截取内容,若需要完整标准请到上方自行免费下载完整标准文档。