首页 > 国家标准(GB) > GB/T 13660-1992 201x7强碱性苯乙烯系阴离子交换树脂
GB/T 13660-1992

基本信息

标准号: GB/T 13660-1992

中文名称:201x7强碱性苯乙烯系阴离子交换树脂

标准类别:国家标准(GB)

标准状态:已作废

发布日期:1992-09-01

实施日期:1993-07-01

作废日期:2009-02-01

出版语种:简体中文

下载格式:.rar.pdf

下载大小:131313

相关标签: 碱性 苯乙烯 阴离子 交换 树脂

标准分类号

标准ICS号:橡胶和塑料工业>>83.080塑料

中标分类号:化工>>合成材料>>G32合成树脂、塑料

关联标准

替代情况:替代HG2-886-1976;被GB/T 13660-2008代替

出版信息

出版社:中国标准出版社

页数:平装16开, 页数:6, 字数:7千字

标准价格:8.0 元

出版日期:1993-07-01

相关单位信息

首发日期:1992-09-01

复审日期:2004-10-14

起草人:李燕声、陆芳云、俞采章

起草单位:上海树脂厂

归口单位:全国塑料标准化技术委员会

提出单位:中华人民共和国化学工业部

发布部门:国家技术监督局

主管部门:中国石油和化学工业协会

标准简介

本标准规定了201×7强碱性苯乙烯系阴离子交换树脂的技术要求、试验方法、检验规则及标志、包装、运输、贮存的要求。本标准适用于粒径为0.315~1.25mm、以季胺基为主要活性基团的201×7强碱性苯乙烯系阴离子交换树脂。 GB/T 13660-1992 201x7强碱性苯乙烯系阴离子交换树脂 GB/T13660-1992 标准下载解压密码:www.bzxz.net

标准图片预览

GB/T 13660-1992 201x7强碱性苯乙烯系阴离子交换树脂
GB/T 13660-1992 201x7强碱性苯乙烯系阴离子交换树脂
GB/T 13660-1992 201x7强碱性苯乙烯系阴离子交换树脂
GB/T 13660-1992 201x7强碱性苯乙烯系阴离子交换树脂

标准内容

中华人民共和国国家标准
201×7强碱性苯乙烯系阴离子交换树脂201×7 Strongly basie styrene typeanion exchange resins
1主题内容与适用范围
GE13660-92
本标准规定了201×7强碱性苯乙烯系阴离子交换树胎的技术要求、试验方法、检验规则及标志,包装,运翰,贮存的要求。
本标准适用于粒径为0.315~1.25mm、以季胺基为主要活性基团的201×7强碱性苯乙烯系阴离子交换树脂。
2引用标准
GB 1631
GB 5475
GB 5476
GB5757
GB5758
GB8330
GB8331
离子交换树脂产品分类命名及型号离子交换树脂取样方法
高子交换树预处理方法
离子交换树脂含水母测定方法
离子交换树脂粒度分布测定方法离子交换树脂湿真密度测定方法离了交换树脂湿视密度测定方法GB 11992
氧型强碱性阴离子交换树脂交换容量测定方法GB/T12598离子交换树脂强度测定方法渗磨法GB 11991
离子交换树脂转型膨胀率测定方法3产品型号和主要用途bzxz.net
201×7强碱性苯乙烯系阴离子交换树脂的型号按GB1631编制。该产品主要用于制备纯水和提炼放射性元素等。
4技术要求
4.1外观:淡黄至金黄色球状题粒。4.2出厂型式:氯型,
4.3理化性能:理化性能应符合表中规定的各项技术指标。国家技术监督局1992-09-01批准1993-07-01实施
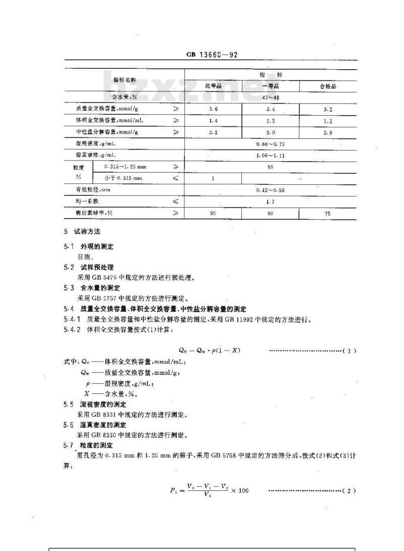
指标名称
含水量,%
质量全交换容量,mamol/g
体积全交换容量,mmol/mL
中性盐分解容量,mmol/g
凝规密度.g/mL
湿真密度,g/ml.
0. 315~~1.25mm
小于0.315mm
有效粒径+nmm
均一系数
瞬后圆球率,%
5试验方法
5.1外观的测定
目测。
5.2试样预处理
CE 13660—92
优等品
采用GB5476中规定的方法进行预处理。5.3含水量的测定
采用 GB 5757 中规定的方法进行测定5.4质量全交换容量,体积全交换容量、中性盐分解容量的测定指
一等品
0. 66--0. 75
1. 06 ~1. 11
0. 42 ~ 0. 58
5.4.1质量全交换容量和中性盐分解容量的测定,采用GB11992中规定的方法进行。5.4.2体积全交换容量按式(1)计算:Qy - Qw-p(1- X)
武中:Qv
体积全交换容量,mmol/mL;
质量全交换容量,mmol/g
β——湿视密度,g/mL;
x—含水量,%。
5.5湿视密度的测定
采用GB8331中规定的方法进行测定。5. 6 湿真密度的测定
采用 GB 8330 中规定的方法进行测定,5. 7粒度的测定
合格品
用孔径为 0. 315 mm 和 1. 25 mm的筛子,采用GB 5758 中规定的方法筛分后,按式(2)和式(3)计算:
V, -V- V.
-(2)
GB 13660-92
式中,P1试样粒径为0.315~1.25mm的树脂粒度,%;V.—试样体积,mL
V,——试样中粒径小于 0.315 mm的树脂体积,mL:V.试样巾粒径大丁I.25mm的树脂体积,mLtP—试拌中粒径小于0.315mm.的树脂粒度,%。5.8有效粒径和均一系数的测定
采用GB 5758中规定的方法进行测定。5.9离后同球率的测定
采用 GB 5758 中规定的方法筛分出 0. 50 ~0. 63 mm 的试样,而后采用 GB/T 12598 中第 5. 2 ~5.7、5.9条、第6章、第7.2~7.3条、第8~9章规定的方法进行测定。6检验规则
6.1产品以每釜为一批。
6.2采样按GB5475中规定的方法。6.3每批产品必须由生产厂的质量检验部门进行检验,并应保证出厂的所有产品都达到本标准规定的各项技术要求。
6.4本标准中 4.1 和4.3表中的含水量、质量全交换容量、体积全交换容量、中性盐分解容量、湿视密度,小于0.315mm的树脂粒度和磨后圆球率为出厂检验项目:湿真密度,0,3151.25mm的树脂粒度、有效粒径、均一系数为抽检项目,每月至少抽检一次。型式检验按GB1.3中6-6.1条规定进行。6.5使用单位有权按本标准规定对所收到的产品进行检验。如需复验,应在收到产品3个月内向生产厂提出,
6.6检验结果有某项技术要求不符合本标规定时,应重新自该批产品两倍量的包装中取样复验,以复验结果定等级。
6.7当供需双方对产品的质量发生异议时,由双方协商解决或由法定质量检测部门进行仲裁。7标志、包装、运输、贮存
7.1标志
每批产品应有质量检验报告单。每一包装件上应有清晰、牢固的标志,标明产品名称,型号、等级、批号、净重、生产日期和生产厂名。7.2包装
产品应包装在内衬塑料袋的容器或缩织袋中,每一包装件应附有合格证。7.3运输
本产品在运输过程中应保持在5~40℃的环境中,避免过冷过热,注意不使树脂失水。本产品为非危险品。
7.4贮存
本产品在符合7.3条所规定的温度条件下,贮存期为两年。超过贮存期,可按本标准规定进行复验,若复验结果符合本标准要求,仍可使用。GB 13660---92
附录A
201×7强碱性苯乙烯系阴离子交换树脂转型膨胀率
(参考件)
A1本产品由氟型转为氢筑型的转型膨胀率小于或等于32%。A2试验方法采用GB11991中规定的方法。附加说明:
本标准由中华人民共和国化学工业部提出。本标准由全国塑料标准化技术委员会塑料树脂产品分会(SC4)归口。本标准由上海树脂厂负贵起草。本标准主要起草人李燕声、陆芳云、俞采章。自本标准实施之日起,原化学工业部部标准HG2—886—76201X7强碱性苯乙烯阴离子交换树脂》作废。
小提示:此标准内容仅展示完整标准里的部分截取内容,若需要完整标准请到上方自行免费下载完整标准文档。