首页 > 国家标准(GB) > GB/T 19125-2003 农用运输车 前位灯、后位灯和制动灯配光性能
GB/T 19125-2003

基本信息

标准号: GB/T 19125-2003

中文名称:农用运输车 前位灯、后位灯和制动灯配光性能

标准类别:国家标准(GB)

标准状态:现行

发布日期:2003-05-19

实施日期:2003-10-01

出版语种:简体中文

下载格式:.rar.pdf

下载大小:139378

相关标签: 农用 运输车 制动 配光 性能

标准分类号

标准ICS号:农业>>65.060农业机械、工具和设备

中标分类号:车辆>>专用汽车>>T54农、牧、副、渔用汽车

关联标准

出版信息

出版社:中国标准出版社

书号:155066.1-20016

页数:平装16开, 页数:5, 字数:10千字

标准价格:8.0 元

出版日期:2003-10-01

相关单位信息

首发日期:2003-05-19

复审日期:2004-10-14

起草人:吴坚、郝春光、李京忠、高波

起草单位:机械工业拖拉机农用运输车产品质量检测中心

归口单位:全国农用运输车标准化技术委员会

提出单位:中国机械工业联合会

发布部门:中华人民共和国国家质量监督检验检疫总局

主管部门:中国机械工业联合会

标准简介

本标准规定了农用运输车用前位灯、后位灯和制动灯的技术要求、试验方法和检验规则,适用于四轮农用运输车使用的各种类型的前位灯、后位灯和制动灯,三轮农用运输车可参照使用。 GB/T 19125-2003 农用运输车 前位灯、后位灯和制动灯配光性能 GB/T19125-2003 标准下载解压密码:www.bzxz.net

标准图片预览

GB/T 19125-2003 农用运输车 前位灯、后位灯和制动灯配光性能
GB/T 19125-2003 农用运输车 前位灯、后位灯和制动灯配光性能
GB/T 19125-2003 农用运输车 前位灯、后位灯和制动灯配光性能
GB/T 19125-2003 农用运输车 前位灯、后位灯和制动灯配光性能
GB/T 19125-2003 农用运输车 前位灯、后位灯和制动灯配光性能

标准内容

本标推由中国机械工业联合会提出。前言
本标准由全国农用运输车标准化技术委员会归口。GB/T19125--2003
本标准负责起草单位:机械工业拖拉机农用运输车产品质量检测中心、国家拖拉机质量监督检验中心。
本标准主要起草人:吴坚、郝春光、李京忠、高波。I
1范围
农用运输车前位灯、后位灯
和制动灯配光性能
GB/T 19125—2003
本标准规定了农用运输车用前位灯、后位灯和制动灯的技术要求、试验方法和检验规则。本标准适用于四轮农用运输车使用的各种类型的前位灯、后位灯和制动灯,三轮农用运输车可参照使用。
2规范性引用文件
下列文件中的条款通过本标准的引用而成为本标准的条款。凡是注日期的引用文件,其随后所有的修改单(不包括勘误的内容)或修订版均不适用于本标准,然而,鼓励根据本标准达成协议的各方研究是否可使用这些文件的最新版本。凡是不注日期的引用文件,其最新版本适用于本标准。GB/T7922照明光源颜色的测量方法GB15766.1道路机动车辆灯丝灯泡尺寸、光电性能要求(idtIEC60809:1995)GB/T19119农用运输车照明与信号装置的安装规定GB/T19124农用运输车前照灯
3术语和定义
GB/T19119确立的和下列术语和定义适用于本标准。3.1
combinative single lamp
可组合单灯
可以用作单灯,也可以组合成双灯的单灯。4技术要求
4.1一般规定
4.1.1前位灯、后位灯和制动灯应设计和制造成在正常使用条件下,即使受到振动,仍能保证其满足使用要求和本标准的规定要求。
4.1.2前位灯、后位灯和制动灯可组合成组合灯、复合灯和混合灯。4.1.3前位灯、后位灯和制动灯的安装要求应符合GB/T19119的规定,4.1.4前位灯、后位灯和制动灯的光色和色度特性应符合GB/T19119的规定。4.2对光源要求
4.2.1可更换光源式装置应使用符合GB15766.1规定的灯泡。4.2.2不可更换光源式装置的标称电压为12V或24V,它们的光电参数由制造厂和用户商定。4.3配光性能
4.3.1前位灯、后位灯和制动灯,在基准轴线方向上的发光强度应符合表1规定。GB/T 19125-2003
表1前位灯、后位灯和制动灯基准轴线上的发光强度灯类Www.bzxZ.net
前位灯
与前照灯混合的前位灯
后位灯
一个发光强度级(S1类)
制动灯
二个发光强度级
(S2类)
最小值/cd
注:单灯的最大值乘以1.4,即得到双灯最大发光强度的总值。单灯
最大值/cd
可组合单灯
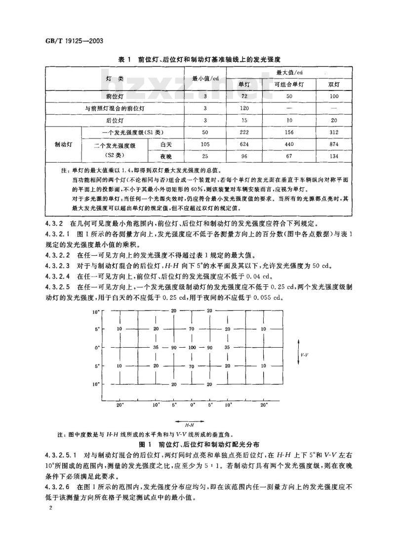
当功能相同的两个灯(不论相同与否)组合成一个装置时,若每个单灯的发光面在垂直于车辆纵向对称平面的平面上的投影面,不小于其最小外切矩形的60%,则该装置对车辆安装而言,应视为单灯。对于多光源的单灯:当任何一个光源失效时,仍应符合最小发光强度值的要求。当所有的光源都点亮时,其最大发光强度可以超出单灯的规定值,但不应超过双灯的规定值。4.3.2在几何可见度最小角范围内,前位灯、后位灯和制动灯的发光强度应符合下列规定4.3.2.1图1所示的各测量方向上,发光强度应不低于各测量方向上的百分数(图中各点数据)与表1规定的发光强度最小值的乘积。4.3.2.2在任一可见方向上的发光强度不得超过表1规定的最大值。4.3.2.3对于与制动灯混合的后位灯,H-H向下5°的水平面及其以下,允许发光强度为50cd。4.3.2.4在任一可见方向上,前位灯、后位灯的发光强度应不低于0.04cd。4.3.2.5在任一可见方向上,一个发光强度级制动灯的发光强度应不低于0.25cd,两个发光强度级制动灯的发光强度,用于白天的不应低于0.25cd,用于夜间的不应低于0.055cd。10
注:图中度数是与H-H线所成的水平角和与V-V线所成的垂直角。图1前位灯、后位灯和制动灯配光分布10
4.3.2.5.1对与制动灯混合的后位灯,两灯同时点亮和单独点亮后位灯,在H-H上下5°和V-V左右10°所围成的范围内,测量的发光强度之比,应至少为5:1。若制动灯具有两个发光强度级,则在夜晚条件下必须满足此要求
4.3.2.6在图1所示的范围内,发光强度分布应均匀,即在该范内任一测量方向工的发光强度应不低于该测量方向所在格子规定测试点中的最小值。2
5试验方法
5.1光度测量方法
5.1.1试验暗室、装置及设备应符合GB/T19124的规定。5.1.2配光测量时的电压或光通量应符合下列规定:一对于不可更换光源式装置,应在13.5V或28.0V电压下量。GB/T 19125—2003
对于可更换光源式装置,应使用相应的标准灯丝灯泡,在GB15766.1规定的基准光通量下进行测量。
5.1.3配光测试前应将灯泡以测试时的电压预点亮至少5min,使其光性能趋于稳定。测量时光源应连续发光。
5.1.4配光测试的距离应保证能应用光度学中的距离平方反比定律。5.1.5从灯具的基准中心观测时,测量设备应保证探测器的张角是在10°~1°之间。5.1.6在图1中任-~测量方向上测量时,其角度偏差不应大于15°。5.1.7测量角度的量度以基准轴线(由制造厂图样标明)为基准。5.1.8装用几个光源的装置的测量。5.1.8.1对于装用不可换光源或其他光源的装置,按照制造厂规定的电压测量,需要时,制造厂应提供此类光源所需的特种电源装置。5.1.8.2对于装用批量生产的灯泡的装置,在13.5V、28.0V电压下,装置的发光强度应介于本标准规定的最大值与按GB15766.1规定的该类型灯泡的光通量偏差增加的最小值之间;也可以在每个灯泡的位置上,依次使用标准灯丝灯泡,在规定的基准光通量下进行测量,并累加每个位置上的测量数值所得的和即为装置的测量值。
5.2色度测量方法
5.2.1前位灯、后位灯和制动灯的色度特性的测量,应使用对应于国际照明委员会(CIE)推荐的色温为2856K的A光源。
5.2.2对于不可更换光源式装置,应根据灯内使用的光源在13.5V或28.0V电压下进行测量。5.2.3按照GB/T7922的规定测量,可以使用光谱光度测色法或者刺激值直读法。5.2.4测量前光源在装置内以测试时的电压预点亮至少5min,测量时光源应连续发光。6检验规则
6.1前位灯、后位灯和制动灯同一型式的规定在以下主要方面没有差异者,则认为是同一型式:a)商品名称和商标;
b)光学系统的特性,
使用的灯泡或光源类型;
对于两个发光强度级的制动灯,用来减少夜间光强度所使用的系统;d)
装置的结构、形状。
6.2前位灯、后位灯和制动灯的检验前位灯、后位灯和制动灯的检验有两种:a)型式检验:
b)出厂检验。
6.3前位灯、后位灯和制动灯装置的灯泡前位灯、后位灯和制动灯装置的灯泡,应是经检验合格的产品。GB/T19125—2003
6.4前位灯、后位灯和制动灯的型式检验6.4.1前位灯、后位灯和制动灯同一型式判定按6.1的规定。6.4.2产品制造者应提供:
能识别该型式灯具特性的图样,包括配光镜详细的特性结构,并标明基准轴(H=0°V一0°)a)
基准中心和安装在车辆上的几何位置;b)样灯2只(对可更换光源式装置,应包含灯泡)。6.4.3每只样灯均应符合第4章的规定。6.5前位灯、后位灯和制动灯的出厂检验6.5.1对已通过型式检验批量生产的产品,以随机抽样方式进行出厂检验。6.5.2按第5章规定的试验方法进行试验,随机抽取的样灯应符合4.1和4.3的规定,但其中发光强度不能小于4.3规定的最小值的80%,并且不能大于最大值的120%。6.5.3在供需方-一致同意时也可以用目视方法检验光色,以试验电压供电,由检验人员判定,样品的光色应该满足使用要求。
6.5.4抽样方案和判定规则由供需双方商定,
小提示:此标准内容仅展示完整标准里的部分截取内容,若需要完整标准请到上方自行免费下载完整标准文档。