首页 > 国家标准(GB) > GB/T 2051-1989 铝白铜板
GB/T 2051-1989

基本信息

标准号: GB/T 2051-1989

中文名称:铝白铜板

标准类别:国家标准(GB)

标准状态:已作废

发布日期:1989-03-31

实施日期:1990-02-01

作废日期:2003-03-01

出版语种:简体中文

下载格式:.rar.pdf

下载大小:95086

相关标签: 铜板

标准分类号

标准ICS号:冶金>>有色金属>>77.120.10铝和铝合金

中标分类号:冶金>>有色金属及其合金产品>>H62重金属及其合金

关联标准

替代情况:GB 2051-1980;被GB/T 2040-2002代替

出版信息

页数:4页

标准价格:8.0 元

相关单位信息

起草单位:上海铜带厂

标准简介

GB/T 2051-1989 铝白铜板 GB/T2051-1989 标准下载解压密码:www.bzxz.net

标准图片预览

GB/T 2051-1989 铝白铜板
GB/T 2051-1989 铝白铜板
GB/T 2051-1989 铝白铜板
GB/T 2051-1989 铝白铜板

标准内容

中华人民共和国国家标准
Copper -nickel-aluminium alloy sheet主题内容与适用范围
GB 2051 - 89
代替 GB205180
本标准规定了铝白铜板的产品分类、技术要求、试验方法、检验规则和包装等。本标准适用于制造各种高强度零件和重要用途的弹簧用的铝白铜板。2引用标准
GB228金属拉伸试验方法
GB5234加工白铜化学成分和产品形状GB6397金属拉伸试验试样
GB8888重有色金属加工产品的包装、标志、运输和贮存3产品分类
3.1牌号、状态、规格
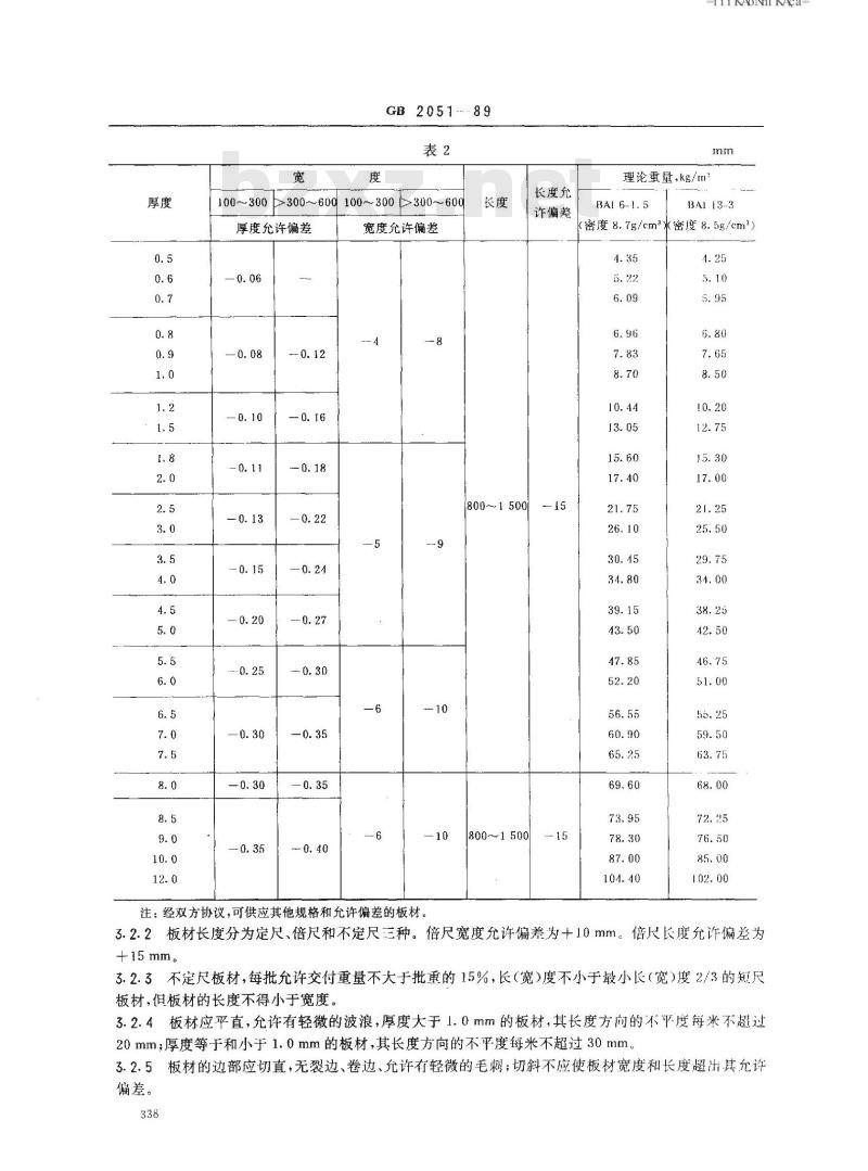
产品的牌号、状态和规格应符合表1的规定。表1
BAI 6-1. 5
BAI 13-3wwW.bzxz.Net
硬(Y)
热处理(CS)
注:经双方协议,可供应其他状态的板材。3.2外形尺寸及允许偏差
3.2.1板材的外形尺寸及其允许偏差应符合表2的规定。中国有色金属工业总公司1989-02-23批准宽度
100~600
800~~1500
199003.01实施
GB 2051.-- 89
100300300~600100-300300~600
厚度允许偏差
宽度允许偏差
注:经双方协议,可供应其他规格和允许偏差的板材。长度
800~1 500
长度充
许偏差
800~1500
iikAoNikAca-
理论重量,kg/m
BA! 6-1. 5
13A1[3-3
k密度8.7g/cma水密度8.5ig/cm)4.35
3.2.2板材长度分为定尺、倍尺和不定尺三种。倍尺宽度允许偏差为+10mm。倍尺长度允许偏差为+15mm.
3.2.3不定尺板材,每批允许交付重量不大于批重的15%,长(宽)度不小于最小长(宽)度2/3的知尺板材,但板材的长度不得小于宽度。3.2.4板材应平直,允许有轻微的波浪,厚度大于1.0mm的板材,其长度方向的不平度每米不超过20mm;厚度等于和小于1.0mm的板材,其长度方向的不平度每米不超过30mm。3.2.5板材的边部应切直,无裂边、卷边、允许有轻微的毛刺;切斜不应使板材宽度和长度超出其允许偏差。
3.3标记示例
GB205189
用BAl6-1.5制造的硬状态、厚度为5.5mm、宽度为400mm的板材,标记为:板BAI6-1.55.5×400GB205189
4技术要求
4.1化学成分
化学成分应符合GB5234的规定。4.2力学性能
板材的拉伸试验结果应符合表3的规定表3
BA1 6-1. 5
BAI13-3
4.3表面质量
抗拉强度%,N/mm
不小于
4.3.1板材表面应光滑、清洁,不允许有裂缝、起皮、气泡、夹杂、起刺和压折。伸长率810.%
4.3.2允许有轻微的、局部的,不使板材厚度超出其允许偏差的划伤、斑点、凹坑、压入物和辑印等缺陷。
4.4其他要求
板材不应有分层。
5试验方法
5.1板材的化学成分仲裁分析方法由供需双方协议。5.2板材的拉伸试验方法按GB228的规定进行。5.3板材尺寸应用相应精度的测量工具进行测量。5.4板材应用月视检查外观。
检验规则
6.1检查和验收
6.1.1板材应由供方技术监督部门验收,并保证产品质量符合本标准要求。6.1.2需方对收到的产品应按本标准的规定进行复验,如复验结果与本标准的规定不符,应在收到产品之日起三个月内向供方提出,出供需双方协商解决。6.2组批
板材应成批提交验收,每批应由同一牌号、状态和规格的板材成。6.3检验项目
每批板材应进行化学成分、拉伸试验、外形尺寸及表面质量的检验。6.4取样位置和数量
6.4.1供方在熔铸过程中,每炉取·个试样进行化学成分的检验。6.4.2需方在每批板材中任取-一个试样进行化学成分的检验。6.4.3拉伸试验从每批取二张板材,您张沿垂直轧制方向取-个试样,拉仲试样应符合GB6397的规定,其试样号应符合表4的规定。831
带材厚度,mm
0. 5~4. 5
4.5~~12.0
GB 2051
试样号
-iiikAoNiKAca-
6.4.4每张板材应进行外形尺寸测量和表面质量的检验。板材厚度应在距顶角不小于100mm,距边部不小于10mm处测量,测量范围以外的厚度超差不作报废依据。6.5重复试验
各项试验即使有一个试样的试验结果不合格,也应从该批中再取双倍试样进行该不合格项目的复验,如复验结果仍有个试样不合格,则整批报废或由供方逐张检验,合格者单独编批验收。包装、标志、运输和贮存
包装、标志、运输和贮存按GB8888的规定进行。附加说明:
本标准由中国有色金属工业总公司标准计量研究所提出。本标准由上海铜带厂负责起草。310
小提示:此标准内容仅展示完整标准里的部分截取内容,若需要完整标准请到上方自行免费下载完整标准文档。