首页 > 国家标准(GB) > GB/T 4458.5-1984 机械制图 尺寸公差与配合的注法
GB/T 4458.5-1984

基本信息

标准号: GB/T 4458.5-1984

中文名称:机械制图 尺寸公差与配合的注法

标准类别:国家标准(GB)

标准状态:已作废

发布日期:1984-07-11

实施日期:1985-07-01

作废日期:2003-12-01

出版语种:简体中文

下载格式:.rar.pdf

下载大小:87541

相关标签: 机械制图 尺寸 公差 配合 注法

标准分类号

标准ICS号:综合、术语学、标准化、文献>>01.100技术制图

中标分类号:机械>>机械综合>>J04基础标准与通用方法

关联标准

替代情况:GB 130-1974;被GB/T 4458.5-2003代替

采标情况:ISO 406-1982 MOD

出版信息

页数:5页

标准价格:8.0 元

相关单位信息

起草单位:机械委标准化所

标准简介

GB/T 4458.5-1984 机械制图 尺寸公差与配合的注法 GB/T4458.5-1984 标准下载解压密码:www.bzxz.net

标准图片预览

GB/T 4458.5-1984 机械制图 尺寸公差与配合的注法
GB/T 4458.5-1984 机械制图 尺寸公差与配合的注法
GB/T 4458.5-1984 机械制图 尺寸公差与配合的注法
GB/T 4458.5-1984 机械制图 尺寸公差与配合的注法
GB/T 4458.5-1984 机械制图 尺寸公差与配合的注法

标准内容

中华人民共和国国家标准
机械制图
尺寸公差与配合注法
Mechanical drawingswwW.bzxz.Net
Indication of tolerances for size and of fitsUDC 621.71 :744
4 : 621. 753
GB 4458.5--84
代替GB130—74
1.1本标准规定了在机械图样中标注线性尺寸公差和角度公差的方法。1.2本标准等效采用了国际标准1SO406—1982《技术制图—线性和角度公差在图样上的注法》。1.3与本标准有关的国家标准:
GB1800-79《公差与配合总论、标准公差与基本偏差》GB 4458.4—84《机械制图
尺寸注法》
GB4457.3-84《机械制图
字体》
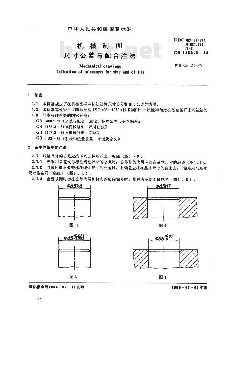
GB1183—80《形状和位置公差术语及定义》2在零件图中的注法
2.1线性尺寸的公差应按下列三种形式之一标注(图1~6)。2.1.1当采用公差代号标注线性尺寸的公差时,公差带的代号应注在基本尺寸的右边(图1、2)。2.1.2当采用极限偏差标注线性尺寸的公差时,上偏差应注在基本尺寸的右上方,下偏差应与基本尺寸注在同一底线上(图3、4)2.1.3当要求同时标注公差代号和相应的极限偏差时,则后者应加上圆括号(图5、6)。@65k6
国家标准局1984-07-11发布
865803
1985-07-01实施
@65k6(+8.83
GB 4458.5-84
65H7C8-03
2.1.4当标注极限偏差时,上下偏差的小数点必须对齐,小数点后的位数也必须相同(图?)。2.1.5当上偏差或下偏差为“零”时,用数字“0”标出,并与下偏差或上偏差的小数点前的个位数对齐(图8)。
2.1.6当公差带相对于基本尺寸对称地配置即两个偏差相同时,偏差只需注写一次,并应在偏差与基本尺寸之间注出符号“”,且两者数字高度相同(图9)。50-8818
@/5-8.oml
D60-8:8
2.2线性尺寸公差的附加符号注法2.2.1当尺寸仅需要限制单个方向的极限时,应在该极限尺寸的右边加注符号“max”或“min”(图10、11)。
2.2.2同一基本尺寸的表面,若具有不同的公差时,应用细实线分开,并按2.1条规定的形式分别标注其公差(图12)。
22.3如要素的尺寸公差和形状公差的关系避循包容原则时,应在尺寸公差的右边加注符号“@”(图13·14)。
3在装配图中的标注方法
GB 4458.5--84
oog-09o
3.1在装配图中标注线性尺寸的配合代号时,必须在基本尺寸的右边,用分数的形式注出,分子为孔的公差带代号,分母为轴的公差带代号(图15)。必要时也允许按图16或图17的形式标注。930
Φ30H7/f6
GB 4458.5--84
3.2在装配图中标注相配零件的极限偏差时,般按图18的形式标注,孔的基本尺寸和极限偏差注写在尺寸线的上方,轴的基本尺寸和极限偏差注写在尺寸线的下方,也允许按图19的形式标注。若需要明确指出装配件的代号时,可按图20的形式标注。@50q25
中50-8
-@50-9
050°825件2
050-8件/
3.3标注标准件、外购件与零件(轴或孔)的配合代号时,可以仅标注相配零件的公差带代号(图21)。
角度公差的标注方法
GB4458.5--84
角度公差的标注如图22,其基本规则与线性尺寸公差的标注方法相同。60°10±30
30°-0
120max
小提示:此标准内容仅展示完整标准里的部分截取内容,若需要完整标准请到上方自行免费下载完整标准文档。