首页 > 国家标准(GB) > GB/T 1484-1979 插口式灯头的量规
GB/T 1484-1979

基本信息

标准号: GB/T 1484-1979

中文名称:插口式灯头的量规

标准类别:国家标准(GB)

标准状态:已作废

发布日期:1979-02-02

实施日期:1979-05-01

作废日期:2004-02-01

出版语种:简体中文

下载格式:.rar.pdf

下载大小:129134

相关标签: 灯头 量规

标准分类号

标准ICS号:计量学和测量、物理现象>>17.020计量学和测量综合

中标分类号:机械>>工艺装备>>J42量具与量仪

关联标准

替代情况:GB 1004-1967;被GB/T 1483.5-2003代替

出版信息

页数:6页

标准价格:8.0 元

相关单位信息

复审日期:2004-10-14

起草单位:上海光明灯头厂

归口单位:中国轻工业联合会

标准简介

GB/T 1484-1979 插口式灯头的量规 GB/T1484-1979 标准下载解压密码:www.bzxz.net

标准图片预览

GB/T 1484-1979 插口式灯头的量规
GB/T 1484-1979 插口式灯头的量规
GB/T 1484-1979 插口式灯头的量规
GB/T 1484-1979 插口式灯头的量规
GB/T 1484-1979 插口式灯头的量规

标准内容

中华人民主bzxz.net
家标准
插口式灯头的量规
本标推适用于插口式灯头的量规。GB 1484--79
代替GB1004—67
插口式灯头量规部分
一、插口式灯头量规的型号应与同种灯头的型号相同,即应符合国家标准GB1405一78的规定。二、插口式灯头量规的主要尺寸应符合尺寸表的规定。三、每个童规表面应注有下列清晰和擦不的标志:1.量规型号:
2. GB 1484--79;
3.制造厂名称或商标;
4。量规编号。
尺寸裹
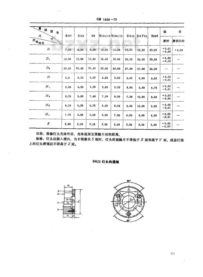
BA7、BA9、B9、B12s、BA15、BAY15、B22灯头通规.BA20灯头通规…·
B22s灯头通规..
BA7、B9、BA9、B12s、BA15、BAY15、B22d灯头
BA20灯头止规
B22灯头止规·
插口式灯头玻璃基深度的塞规
BA7、BA9、B9、B12s/12、B12s/13、BA15、BAY15、B22d灯头的通规
理家标准总
中华人民共和轻工业部
·第1页
·第2页
第3页
·第4页
·第4页
·第5页
·第6页
1979年5月1日
表符号
GB 1484-79
B12s/12B12s/13
目的:检验灯头壳体外径、
壳体底面至接触片间的距离,
磨损后的
检验:灯头应插入规内,当卡棍靠至S面时,灯头的接触片不得低于X面和高于Y面。成品灯泡上的灯头焊锡后不得高于么面。BA20灯头的通规
GB 1484—79
目的:检验灯头壳体外径、壳体底面至接触片间的距离偏
损极限
检验:灯头应插入规内,使卡棍靠至S面后,灯头的接触片不得低于X面和高于Y面。成品灯泡的焊锡不得高于面。
B22s灯头的通规
目的:检验灯头壳体外径、壳底至接触片间的距离。偏
磨损后的极限
检验:灯头应能插入规内,使壳底靠至S面后,灯头的接触片不得低于X面和高于Y面。成品灯泡的焊锡不得高于Z面。
代表符号
GB 1484—79
BA7、BA9、B9、B12s、BA15、BAY15、B22d 灯头的止规
目的:检验灯头壳体的最小值。检验:灯头的壳体不应穿过D孔。LH
8A20s灯头的止燥
磨损后的
代表符号
目的:检验灯头壳体直径的最小值。检验,灯头尧体不应穿过D孔。
代表符号
GB1484—79
B22s灯头的止规
目的:检验灯头壳体直径的最小值检验,灯头壳体不应穿过D孔。
磨损后的极限
磨损后的极限
GB 1484--79
播口式灯头玻璃蒸深度的塞规
B12s/12B12s/13
目的:
检验灯头玻璃基深度。
检验:塞规插入灯头内时,灯口应接触S面。B22d/22B22d/25B22d/30
制造偏差
小提示:此标准内容仅展示完整标准里的部分截取内容,若需要完整标准请到上方自行免费下载完整标准文档。