首页 > 国家标准(GB) > GB 12107-1989 键盘乐器键宽尺寸系列
GB 12107-1989

基本信息

标准号: GB 12107-1989

中文名称:键盘乐器键宽尺寸系列

标准类别:国家标准(GB)

标准状态:已作废

实施日期:1990-07-01

出版语种:简体中文

下载格式:.rar.pdf

下载大小:38613

相关标签: 尺寸

标准分类号

中标分类号:轻工、文化与生活用品>>文教、体育、娱乐用品>>Y58乐器

关联标准

替代情况:调整为QB/T 3912-1999

出版信息

页数:4页

标准价格:8.0 元

相关单位信息

标准简介

GB 12107-1989 键盘乐器键宽尺寸系列 GB12107-1989 标准下载解压密码:www.bzxz.net

标准图片预览

GB 12107-1989 键盘乐器键宽尺寸系列
GB 12107-1989 键盘乐器键宽尺寸系列

标准内容

中华人民共和国国家标准
键盘乐器键宽尺寸系列
Series of key width measurementsfor keyboard musical instrument主题内容与适用范
GB 12107—89
本标准规定了键盘乐器每音组键的宽度、相邻白键的间隙和黑键上端面的宽度。本标准适用于各类键盘乐器的键宽设计与制作。2名词术语
2.1音组
键盘的基本尺寸以音组为单位。每音组按十二平均律的排列由十二个音组成,含七枚白键、五枚黑键,如图1所示。
2.2每音组白键宽度
即八度音程白键中心距的宽度b1。2.3黑键上端面宽度
黑键前端上表面的宽度b2。
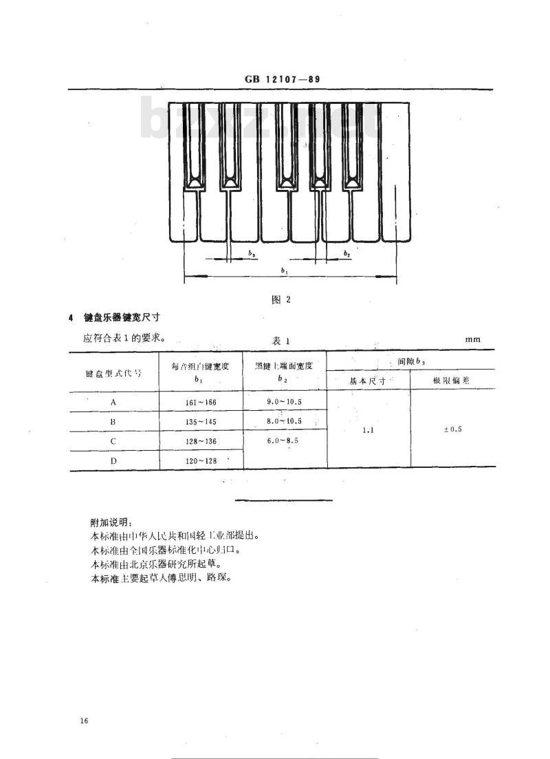
键宽尺寸标注
应符合图2的要求。
国家技术监督局1989-12-29批准1990-0701实施
键盘乐器键宽尺寸
应符合表1的要求。
键盘型式代号
附加说明:
每组自键宽度
161~166
135~145此内容来自标准下载网
128~136
120~128
GB 12107—89
黑键上端面宽度
9.0~10.5
本标准由中华人民共和科轻1业部提出。本标准由全国乐器标准化中心归口。本标准由北京乐器研究所起草。本标准主要起草人傅思明、路琛。16
基本尺寸
间隙63
极限偏差
小提示:此标准内容仅展示完整标准里的部分截取内容,若需要完整标准请到上方自行免费下载完整标准文档。