首页 > 国家标准(GB) > GB/T 12618.4-2006 开口型平圆头抽芯铆钉 51级
GB/T 12618.4-2006

基本信息

标准号: GB/T 12618.4-2006

中文名称:开口型平圆头抽芯铆钉 51级

标准类别:国家标准(GB)

标准状态:现行

发布日期:2006-07-05

实施日期:2006-12-01

出版语种:简体中文

下载格式:.rar.pdf

下载大小:1997616

相关标签: 开口 圆头 抽芯 铆钉

标准分类号

标准ICS号:机械系统和通用件>>紧固件>>21.060.40铆钉

中标分类号:机械>>通用零部件>>J13紧固件

关联标准

替代情况:替代GB/T 12618-1990

采标情况:ISO 15983:2002

出版信息

出版社:中国标准出版社

页数:平装16开 页数:12, 字数:12千字

标准价格:10.0 元

计划单号:20032569-T-604

出版日期:2006-12-01

相关单位信息

首发日期:1990-12-14

起草单位:机械科学研究院、上海安字实业有限公司

归口单位:全国紧固件标准化技术委员会

发布部门:中华人民共和国国家质量监督检验检疫总局 中国国家标准化管理委员会

主管部门:中国机械工业联合会

标准简介

GB/T 12618的本部分规定了钉体直径d=3~5mm、钉体材料为奥氏体不锈钢(A2)、钉芯材料为奥氏体不锈钢(A2)、性能等级为51级的开口型平圆头抽芯铆钉的机械性能和应用数据。 GB/T 12618.4-2006 开口型平圆头抽芯铆钉 51级 GB/T12618.4-2006 标准下载解压密码:www.bzxz.net

标准图片预览

GB/T 12618.4-2006 开口型平圆头抽芯铆钉 51级
GB/T 12618.4-2006 开口型平圆头抽芯铆钉 51级
GB/T 12618.4-2006 开口型平圆头抽芯铆钉 51级
GB/T 12618.4-2006 开口型平圆头抽芯铆钉 51级
GB/T 12618.4-2006 开口型平圆头抽芯铆钉 51级

标准内容

ICS 21.060.40
中华人民共和国国家标准國
GB/T 12618.4—2006
代替GB/T12618—1990
开口型平圆头抽芯铆钉
Open end blind rivets with break pull mandrel and protruding head--Propertyclass51
(IS0 15983:2002,Open end blind rivets with breakpull mandrelandprotrudinghead—A2/A2,MOD)2006-07-05发布
中华人民共和国国家质量监督检验检疫总局中国国家标准花管理委员会
2006-12-01实施
本部分是国家标准“抽芯铆钉”产品系列标准之一。该系列包括:GB/T12615.1-2004
封闭型平圆头抽芯铆钉11级;
GB/T12615.2-2004
封闭型平圆头抽芯铆钉30级;
GB/T12615.3—2004
封闭型平圆头抽芯铆钉
06级;
GB/T12615.4—2004
GB/T12616.1—2004
GB/T12617.1—2006
GB/T12617.2—2006
GB/T12617.3--2006
GB/T12617.4—2006
GB/T12617.5—2006
GB/T12618.1—2006
GB/T12618.2—2006
GB/T12618.3—2006
封闭型平圆头抽芯铆钉
51级;
11级;
封闭型沉头抽芯铆钉
开口型沉头抽芯铆钉
开口型沉头抽芯铆钉
开口型沉头抽芯铆钉
10、11级;
30级;
12级;
51级;
开口型沉头抽芯铆钉
开口型沉头抽芯铆钉
20、21、22级;
开口型平圆头抽芯铆钉
开口型平圆头抽芯铆钉
开口型平圆头抽芯铆钉
GB/T12618.4—2006
GB/T12618.5—2006
开口型平圆头抽芯铆钉
开口型平圆头抽芯铆钉
GB/T12618.6—2006
开口型平圆头抽芯铆钉
本部分是GB/T12618的第4部分。10、11级;
30级;
12级;
51级;
20、21、22级;
40、41级。
本部分修改采用ISO15983:2002《开口型平圆头抽芯盲铆钉GB/T12618.4—2006
A2/A2》(英文版),主要修改如下:ISO15983未规定抽芯钉的机械性能等级与钉体和钉芯的材料牌号,本部分予以规定(见标准名称、第4、5章);
—ISO15983未规定包装技术要求,本部分予以规定(见第7章);-ISO15983未规定简化标记,本部分按GB/T1237的简化原则给出简化的标记示例(见8.2)。本部分代替GB/T12618—1990《开口型平圆头抽芯铆钉》有关部分。本部分与GB/T12618-1990相比主要变化如下:取消d=6mm,增加d=4.8mm的钉体直径规格(见表1);全面调整了钉体长度规格的系列及范围(见表1);未引用GB/T12619--1990《抽芯铆钉技术条件》,在本部分中给出铆钉孔直径、推荐的铆接范围(见表1和表2);
本部分仅规定了一种奥氏体不锈钢的钉体材料、一种奥氏体不锈钢的钉芯材料及相应的机械性能等级(51级),并有别于旧标准(见第4、5章);增加附录A。
本部分的附录A是资料性附录。
本部分由中国机械工业联合会提出。本部分由全国紧固件标准化技术委员会(SAC/TC85)归口。本部分由机械科学研究院负责起草,上海安字实业有限公司参加起草。本部分由全国紧固件标准化技术委员会秘书处负责解释。本部分所代替标准的历次版本发布情况为:GB/T12618—1990。
1范围
开口型平圆头抽芯铆钉5下载标准就来标准下载网
GB/T12618.4—2006
GB/T12618的本部分规定了钉体直径d=3mm~5mm、钉体材料为奥氏体不锈钢(A2)、钉芯材料为奥氏体不锈钢(A2)、性能等级为51级的开口型平圆头抽芯铆钉的机械特性和应用数据。2规范性引用文件
下列文件中的条款通过GB/T12618的本部分的引用而成为本部分的条款。凡是注日期的引用文件,其随后所有的修改单(不包括勘误的内容)或修订版均不适用于本部分,然而,鼓励根据本部分达成协议的各方研究是否可使用这些文件的最新版本。凡是不注日期的引用文件,其最新版本适用于本部分。
GB/T1220
GB/T1237
紧固件验收检查(GB/T90.1—2002,idtISO3269:2000)紧固件标志与包装
不锈钢棒
紧固件标记方法(GB/T1237—2000,eqvISO8991:1986)GB/T3098.6紧固件机械性能不锈钢螺栓、螺钉和螺柱(GB/T3098.6—2000,idtIS03506-1:1997)
GB/T3098.18
紧固件机械性能盲铆钉试验方法(GB/T3098.182004,IS014589:2000,Blind rivets--Mechanical testing,IDT)GB/T3098.19紧固件机械性能抽芯铆钉GB/T3099.2紧固件术语盲铆钉(GB/T3099.2—2004,ISO14588:2000,Blindrivets-Terminologyand definitions,IDT)GB/T4232冷顶锻用不锈钢丝
3尺寸
3.1总则
尺寸代号和标注符合GB/T3099.2的规定。3.2铆钉尺寸
钉尺寸见图1和表1。
图1铆钉尺寸
GB/T12618.4—2006
盲区长度
铆钉长度
公称=min
Loa +4
表1尺寸
Iaax +4
注:铆钉体的尺寸按附录A给出的计算公式求出。4
推荐的铆接范围5
10.0~12.0
12.0~14.0
14.0~16.0
16.0~21.0
单位为毫米
Imx +5
11.0~13.0
13.0~16.0
16.0~19.0
公称长度大于25mm时,应按5mm递增。为确认其可行性以及铆接范围可向制造者咨询。符合表1尺寸和第4章规定的材料组合与性能等级的铆钉铆接范围,用最小和最大铆接长度表示。最小铆b
接长度仅为推荐值。某些使用场合可能使用更小的长度。3.3铆钉孔直径
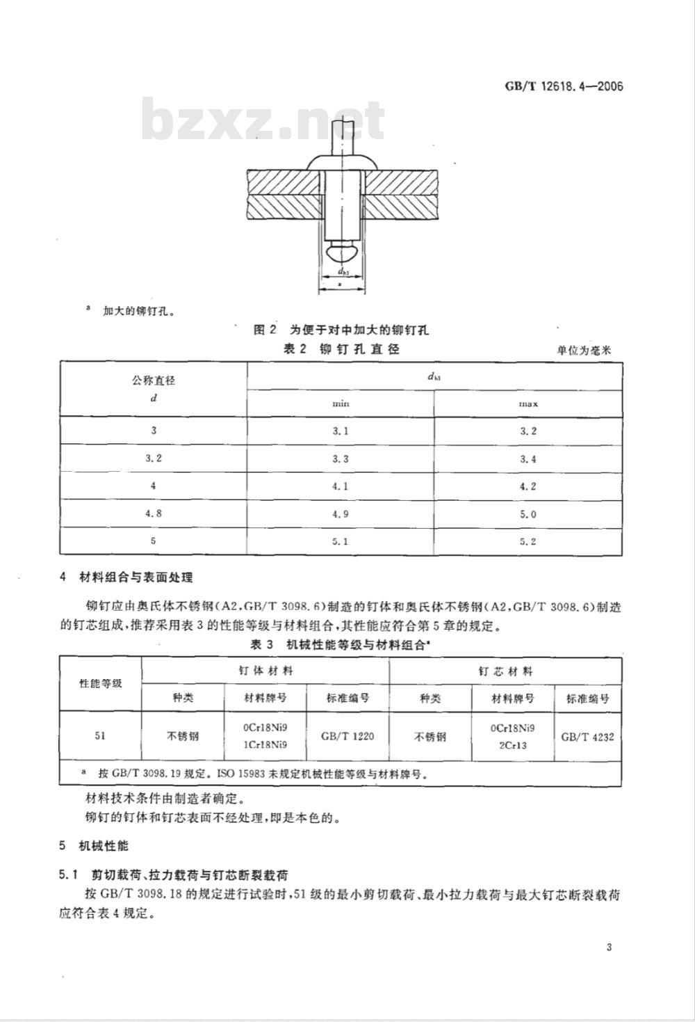
用于被铆接件的铆钉孔直径(d)如图2所示,其尺寸在表2中给出。不符合表2给出的数值,可能造成安装的困难和(或)降低表4规定的剪切和拉力载荷。如有必要(便于对中),仅在铆钉插入一侧的被铆接件上制出大于表2规定的孔径,如图2所示。这也可能降低表4规定的剪切和拉力载荷。2
加大的铆钉孔。
公称直径
材料组合与表面处理
图2为便于对中加大的铆钉孔
表2铆钉孔直径
GB/T12618.4—2006
单位为毫米
铆钉应由奥氏体不锈钢(A2,GB/T3098.6)制造的钉体和奥氏体不锈钢(A2,GB/T3098.6)制造的钉芯组成,推荐采用表3的性能等级与材料组合,其性能应符合第5章的规定。表3机械性能等级与材料组合
性能等级
不锈钢
钉体材料
材料牌号
0Cr18Ni9
1Cr18Ni9
标准编号
GB/T1220
不锈钢
按GB/T3098.19规定。ISO15983未规定机械性能等级与材料牌号。材料技术条件由制造者确定。
铆钉的钉体和钉芯表面不经处理,即是本色的。5机械性能
5.1剪切载荷、拉力载荷与钉芯断裂载荷钉芯材料
材料牌号
0Cr18Ni9
标准编号
GB/T4232
按GB/T3098.18的规定进行试验时,51级的最小剪切载荷、最小拉力载荷与最大钉芯断裂载荷应符合表4规定。
GB/T12618.4—2006
公称直径d/
按GB/T3098.19规定。
表4剪切载荷、拉力载荷与钉芯断裂载荷剪切载荷
拉力载荷
2 200b
b按GB/T3098.19规定,该数据待生产验证(含选用材料牌号)。5.2
钉芯拆卸力
按GB/T3098.18的规定进行试验时,51级的拆卸钉芯的载荷应大于10N。单位为牛顿
钉芯断裂载荷
5.3钉头保持能力
按GB/T3098.18的规定进行试验,施加表5规定的钉头保持试验载荷时,51级的钉芯在铆钉中的残留部分不应被压出。
表5钉头保持试验载荷
公称直径d/
按GB/T3098.19规定。
工作质量
钉表面应无毛刺和有害缺陷,并有完整的头、杆形状。铆接后,当放大5倍目测检查时,铆钉不应有开裂的痕迹。7验收检查、标志与包装
钉头保持试验载荷/
如无其他协议,应按GB/T90.1进行验收检查;按GB/T90.2进行标志与包装。8标记
8.1标记方法按GB/T1237规定。
8.2标记示例
公称直径d=4mm、公称长度l=12mm、钉体由奥氏体不锈钢(A2)制造、钉芯由奥氏体不锈钢(A2)制造、性能等级为51级的开口型平圆头抽芯铆钉的标记:抽芯铆钉GB/T12618.44X12
A.1总则
附录A
(资料性附录)
计算公式
本部分规定的抽芯铆钉符合下列计算公式和公差。A.2钉体直径
最大钉体直径按下式计算:
dmax二d公称十0.08mm
最小钉体直径按下式计算:
dmin= d公称-0.15 mm
A.3头部直径
最大头部直径按下式计算:
dkmax = 2.1 d公称
圆整到小数点后1位。
A.4头部直径公差
头部直径公差为:
h16用于d公称≤3.2mm;
h17用于d公称>3.2mm。
5头部高度
最大头部高度按下式计算:
kmx = 0. 415 d公称
圆整到小数点后1位。
铆钉孔直径
抽芯铆钉用铆钉孔直径按下式计算:dml mx = d公称 +0. 2 mm
dhl min = d公称 + 0. 1 mm
GB/T12618.4—2006
GB/T12618.4-2006
中华人民共和国
国家标准
开口型平圆头抽芯铆钉
GB/T12618.4-—2006
中国标准出版社出版发行
北京复兴门外三里河北街16号
邮政编码:100045
网址www.bzcbs.com
电话:6852394668517548
中国标准出版社秦皇岛印剧厂印剧,各地新华书店经销
开本880×12301/16印张0.75字数12千字2006年11月第一版2006年11月第一次印刷如有印装差错由本社发行中心调换版权专有侵权必究
举报电话:(010)68533533
小提示:此标准内容仅展示完整标准里的部分截取内容,若需要完整标准请到上方自行免费下载完整标准文档。