首页 > 国家标准(GB) > GB/T 9869-1997 橡胶胶料硫化特性的测定(圆盘振荡硫化仪法)
GB/T 9869-1997

基本信息

标准号: GB/T 9869-1997

中文名称:橡胶胶料硫化特性的测定(圆盘振荡硫化仪法)

标准类别:国家标准(GB)

标准状态:现行

发布日期:1997-09-26

实施日期:1998-04-01

出版语种:简体中文

下载格式:.rar.pdf

下载大小:352847

相关标签: 橡胶 胶料 硫化 特性 测定 圆盘 振荡

标准分类号

标准ICS号:橡胶和塑料工业>>83.060橡胶

中标分类号:化工>>橡胶制品及其辅助材料>>G40橡胶制品综合

关联标准

替代情况:GB/T 9869-1988

采标情况:≡ISO 3417-91

出版信息

出版社:中国标准出版社

页数:13页

标准价格:12.0 元

出版日期:1998-04-01

相关单位信息

首发日期:1988-09-20

复审日期:2004-10-14

起草人:狄深、黄晓华

起草单位:上海轮胎橡胶(集团)股份有限公司大中华橡胶厂

归口单位:化学工业部北京橡胶工业研究设计院

提出单位:中华人民共和国化学工业部

发布部门:国家技术监督局

主管部门:中国石油和化学工业协会

标准简介

本标准规定了用圆盘振荡硫化仪测定胶料的方法。本标准适用于用圆盘振荡硫化仪测定胶料硫化特性。 GB/T 9869-1997 橡胶胶料硫化特性的测定(圆盘振荡硫化仪法) GB/T9869-1997 标准下载解压密码:www.bzxz.net

标准图片预览

GB/T 9869-1997 橡胶胶料硫化特性的测定(圆盘振荡硫化仪法)
GB/T 9869-1997 橡胶胶料硫化特性的测定(圆盘振荡硫化仪法)
GB/T 9869-1997 橡胶胶料硫化特性的测定(圆盘振荡硫化仪法)
GB/T 9869-1997 橡胶胶料硫化特性的测定(圆盘振荡硫化仪法)
GB/T 9869-1997 橡胶胶料硫化特性的测定(圆盘振荡硫化仪法)

标准内容

GB/T 98691997
本标准等同采用国际标准ISO3417:1991。言
1977年国际标准化组织发布了ISO3417:1977《橡胶用摆动圆盘硫化仪测定橡胶的硫化特性》。1991年国际标准化组织对1SO3417—1977进行了修定,并发布了修定后的标准ISO3417:1991。修定后的标准在技术内容上对注释和试验报告有较大修改,并且增加了附录A。附录A是对试验的精密度计算作了概述(本附录A仅供参考)。本标准修订原国家标准GB/T9869一88《橡胶用摆动圆盘硫化仪测定橡胶的硫化特性》。本标准从生效之日起,同时代替GB/T986988。本标准的附录A是提示的附录。
本标准由中华人民共和国化学工业部提出。本标准由化学工业部北京橡胶工业研究设计院归口。本标准起草单位:上海轮胎橡胶(集团)股份有限公司大中华橡胶厂。本标准起草人:狄琛,黄晓华。本标准1988年7月首次发布。
本标准委托化工部北京橡胶工业研究设计院负责解释。333
GB/T9869-1997
ISO前言
ISO(国际标准化组织)是一个世界性的各国家标准团体(ISO成员团体)的联合机构。制定国际标准的工作通常由ISO各技术委员会进行。凡对已建立技术委员会的某专业感兴趣的每个成员团体,都有权参加该委员会。与ISO有联系的各政府的或非政府的国际组织,也可参加这一工作。经技术委员会采纳的国际标准草案,在由ISO理事会批准为国际标准之前,要先发给各成员团体通过。
国际标准ISO3417由ISO/TC45“橡胶和橡胶制品”技术委员会制定。第二版取消和代替了第一版(ISO3417一1977),在这版上加入了一个有关特殊方法精密度的附录(这个国际标准附录A只是作为参考)。334
1范围
中华人民共和国国家标准
橡胶胶料硫化特性的测定
(圆盘振荡硫化仪法)
Rubber--Measurement of vulcanizationcharacteristics with the oscillatingdisc curemeter
本标准规定了用圆盘振荡硫化仪测定胶料的方法。本标准适用于用圆盘振荡硫化仪测定胶料硫化特性。2原理
GB/T 9869-—1997
idt ISO 3417: 1991
代替GB/T9869—88
2.1将胶料试样放入具有规定初始压力并保持硫化温度的密闭试验模腔内。一个埋入试样中的双圆锥圆盘以一个小的摆动振幅振荡。圆盘振荡使试样产生剪切应变,测定试样对圆盘的反作用力(转矩),此力取决于胶料的刚度(剪切模量)。在一般情况下,转矩与胶料的刚度成正比,但在高转矩的情况下,圆盘轴与传动装置会产生弹性变形,因此不可能在所有的试验条件下转矩与刚度都成正比。此外,在小振幅变形条件下,应变中会有相当大的弹性成分,对常规检验来说,可不必进行校正。2.2随着硫化开始,胶料试样的刚度增大。当记录仪的转矩上升到稳定值或最大值时,便得到一条时间与转矩的关系曲线,即硫化曲线(见图1)。曲线的形状与试验温度和胶料特性有关。转矩,
tc(90)
时间,分
平衡状态转矩
转矩、
时间、分
最大转矩(返原曲线)
图1硫化曲线类型
2.3从硫化曲线上可以得到如下测量值:ML:最小转矩。
tsx:超过ML之后,转矩增加α单位的时间。tc(y):达到最大转矩的y%的硫化时间。国家技术监督局1997-09-26批准转矩,
tc(90)
时间,分
未达到平衡状态时的最大转矩
1998-04-01实施
MHF:平衡状态的转矩。
MHR:最大转矩(返原曲线)。
GB/T9869—1997
MH:经规定时间后,在没有获得平衡值或最高值的曲线上所达到的最大转矩。最小转矩M取决于胶料在低剪切速率下的刚度和粘度。硫化起始时间ts是衡量加工安全性的标准。正硫化时间tc()是根据最大转矩的某一百分比来测定的。而最大转矩是试验温度下充分硫化的硫化胶刚度的量度。硫化速度指数是硫化曲线上升的斜率。3役器
3.1硫化仪
硫化仪是由温度受控制的模腔和腔内的双圆锥圆盘组成,圆盘轴被紧固在传动轴上,并以一个小的摆动振幅振荡。作用到圆盘的转矩表示胶料对圆盘的阻力,通过记录仪便得到一条转矩对时间的曲线。模型与圆盘的关系,如图2所示。汽缸活塞杆
加热器
上平板
标准温度敏感元件
密封圈
加热器
3.2模腔
双锥形圆盘
图2硫化仪组件
下平板
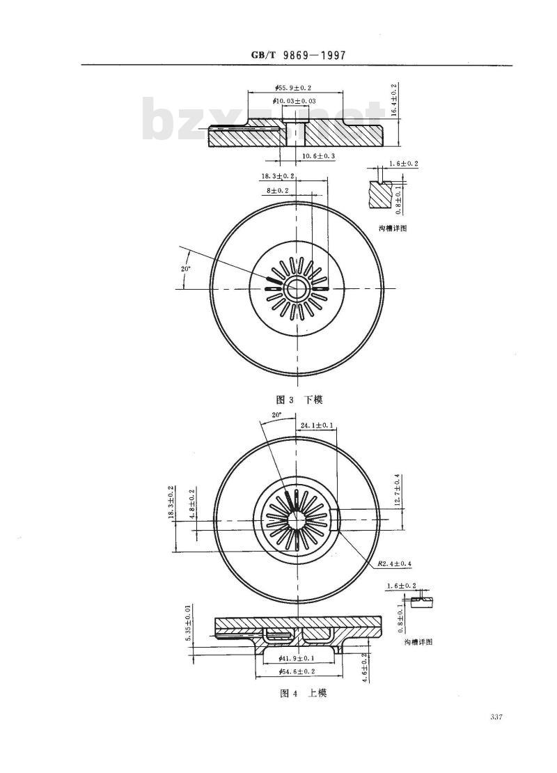
3.2.1模型应由硬度不低于HRC50的不变形工具钢制成。它的几何图形如图3和图4所示。可以减少圆盘和橡胶之间的打滑现象的适宜方法是按模型的设计使用,或在整个试验过程中加稳定压力。按照图3和图4中给出的尺寸,在上、下模上都钻孔,以便能插入温度敏感元件。模腔表面应每隔20°刻有矩形沟槽,以使滑动减至最小。图3中给出了下模尺寸。上模应当刻有相同的沟槽,图4中给出了上模的尺寸。
3.2.2下模中心开一圆孔,以便插入圆盘轴杆。为了防止胶料在试验过程泄漏,孔中应装配一个稳定的低摩擦力的密封圈。
3.3模腔闭合
使用具有(11.0士0.5)kN压力的气缸闭合模型,在整个试验过程中模腔应保持在密合状态。336
GB/T 9869—1997
$55.9±0.2
$10.03±0.03
10.6±0.3
18.3±0.2
24.1±0.1
$41.9±0.1
$54.6±0.2
图4上模
七千9
沟槽详图
R2.4±0.4
沟槽详图
3.4圆盘
GB/T9869—1997
双锥形圆盘用硬度不低于HRC50的不变形的工具钢制成。圆盘的形状如图5所示,表1列出了圆盘的主要尺寸。
6.28°±0.08
图5双圆锥圆盘
表1圆盘尺寸
1)上下表面沟槽应错位5°
沟槽宽度
沟槽深度
沟槽长度
沟槽宽度
沟槽深度
沟槽长度
圆盘轴杆圆形
部分长度
圆盘轴杆方形
部分长度
最小7.5
最小12.5
最小 7.5
最小9.5
3.5圆盘振荡
GB/T 9869—1997
圆盘振荡频率为1.7Hz士0.1Hz,在特殊用途中,允许使用0.05Hz~2Hz的其他频率。空模腔时,圆盘围绕中心位置的最大角位移量应为1.00°土0.02°(总振幅为2°)。空模腔时,圆盘振幅必须保持在1.00°土0.02°不变。但是因转矩的增加而引起振荡角度的减小,其值必须保持一一个线性的关系,其斜率应小于0.05/N·m士0.002°/N·m。必须配备既能检验振荡初始振幅,又能检验随着施加转矩而引起振幅下降的适宜的检验装置。
在特殊用途中,也可采用其他和振幅,采用不同的频率或振幅得到的结果不同。注:为了防止试样与模腔或圆盘之间打滑,应定期清洗圆盘和模腔(见7.2.3)。如用于生产质量控制,可采用3°的初始振幅,这样可以提高试验的灵敏度。3.6转矩测量系统
3.6.1测量
使用能与振荡圆盘所需转矩成正比的转矩传感器,测定圆盘的转矩。3.6.2记录
记录仪对转矩满量程偏转的响应速度不得超过1s。记录精度应为扭矩满量程的士0.5%。记录仪应有0~2.5N·m,0~5.0N·m,0~10.0N·m三个转矩量程。3.7温度测量
3.7.1模腔温度测量系统其控制精度为土0.1℃。使用插入模腔内的热电偶或其它适宜的温度传感器定期检查和校准模腔温度。
3.7.2模型应装在电热铝平板之间,用温度控制器控制每块平板的温度,使之在稳态下的温度波动不超过土0.3℃,如果模腔温度调至(150士0.3)℃,则将(23士5)℃的试样置入模腔2min后,热传导作用使恢复温度与初始温度的差应在1℃以内。4转矩传感器和记录仪的校准
4.1应对记录仪和转矩传感器进行校验,种方法是在转矩测量电路中加入一个电阻,以模拟所施加的特定转矩值。
4.2另一种方法是采用码或校准过的扭力弹簧来校准转矩测量系统。4.3为了检测硫化仪之间的差异或单合硫化仪在使用中出现的变化,用标准胶料进行试验检查是有益的。该胶料的剪切模量应与正常试验的生产胶料的剪切模量相等或者稍大,标准胶料应该是均勾稳定的,在正常的条件,用校准过的硫化仪做若干个试验,并确定标准胶料的中位数曲线。硫化仪在使用时的微小变化或者硫化仪之间存在的微小差异;均可由转矩控制装置中的微调来补偿,使用标准胶料以后的试验能与所确定的中位数曲线相符合,如果观察到与中位数曲线有大的偏差,应视为不正常结果,应该查找产生偏差的原因和对硫化仪进行必要的维修和保养。5试样
5.1试样为直径约30mm,厚度约12.5mm的圆片,或体积约为8cm的试样最好,试样应从没有气泡的胶片上裁取。
注:实际上最佳尺寸的试样可以通过使用最佳体积的胶块来获得。5.2试样的体积不得过大或过小,试样过大溢胶量过多会使试验早期阶段模腔过度冷却,从而影响试验结果;试样过小充不满模腔,也会造成试验误差。6试验温度
推荐的试验温度为100℃~200℃,必要时也可使用其他温度。其温度的波动为士0.3℃。339
7试验步骤
7.1试验准备
GB/T 9869--1997
把装有圆盘的模腔加热到试验温度。然后将记录仪上的记录笔调至记录纸指示的零转矩和零时间的位置上,并选好转矩量程。
7.2装试样
7.2.1打开模腔,将试样放在圆盘顶部,在5s内使模腔完全闭合。当试验粘性较强胶料时,可在圆盘下面和试样上面衬垫合适的薄膜材料.以防胶料粘在模腔上。7.2.2从模型闭合的瞬间起计算时间,圆盘可在零时间处开始启动,也可在零时以后开始启动,但圆盘开始启动时间不得超过模腔闭合后1min。7.2.3试验过程中,部分胶料的沉积物,可能粘附在圆盘和模腔上,这样会影响最终的转矩值,建议每天试验一些稳定的胶料,以检查这种情况,如果圆盘和模腔粘着胶料较多,可以用一种柔软磨料轻轻磨去,但这项操作必须特别小心,以保持沟槽的锐角及其尺寸。为了避免磨损可用超声波清洗,也可用无腐蚀性的清洗剂把沉积物除去。如果用溶剂或清洗剂时,清洗后的最初两组试验结果应作废。8试验结果表示
从硫化曲线上取得下列值:
8.1剪切值
ML:最小转矩,用N·m表示。
MHF:平衡状态的转矩,用N·m表示。MHR:最大转矩(返原曲线),用N·m表示。M:经规定时间后,在没有获得平稳值或最高值的曲线上所达到的最大转矩值,用N·m表示。8.2时间值
tsr:超过ML之后,转矩增加a单位的时间,用min表示。tc(y):达到最大转矩的y%的硫化时间(见8.4),用min表示。tc(y):转矩增加到Mt+0.01y(MML)的硫化时间(见8.3),用min表示。8.3不同百分比的硫化时间
除非另有规定,建议使用下列参数。tsi:超过ML之后,转矩增加0.1N·m的时间,用min表示。tc(50):转矩达到M,+0.5(My--Ml)的时间,用min表示。tc(90):转矩达到[Mi+0.9(M-ML)的时间,用 min 表示。如果用3°的振幅来代替1°标准振幅,那么应用ts2取代ts1;即超过ML之后,转矩增加0.2N·m的时间,用min表示。
8.4硫化速度指数
100/tc(y)一ts,),它与硫化速度曲线在陡峭区域内的平均斜率成正比。9试验报告
试验报告应包括下列内容:
a)样品说明:
(1)一个对样品及其橡胶类别的详细描述;(2)配方的说明。
b)试验方法和试验说明:
(1)对国际标准的参考;
(2)硫化仪使用的说明;
(3)模腔尺寸;
GB/T 9869--1997
(4)规定的振荡幅度,报告上应为总位移的半。例如,当总位移为2°时,报告上写1°;(5)振荡频率如果不是优选值,用Hz表示;(6)所选择的转矩量程,用N·m表示;(7)记录仪的进纸速度,用mm/min表示;(8)预热时间,用min表示;
(9)硫化温度,用℃表示。
从硫化曲线上得到的试验结果:ML,MHR或MHr或MH,tsr,tc(y)。c)
试验日期。
试验人。
A1概述
GB/T 9869-1997
附录A
(提示的附录)
精密度
本附件中精密度计算方法是根据ISO/TR9272:1986制定的,此计算方法可以表示重复性,(r)和再现性R,(R)。该标准名为:《橡胶和橡胶制品—一测试方法标准精密度的测定》,可以用来对精密度概念和学术名称进行鉴定。
1984年后期拟定了一个实验室测试的方法(ITP)。在实验室中制备并混炼4种带不同硫化时间的胶料,密封在金属箔的口袋中,再分发给欧亚和南北美洲的19个国家中的实验室。1985年1月底和2月初进行了试验。
这四种胶料的配方列在表A1中。对类型1精密度进行了测定(在任一指定的实验室里循环的胶料无需加工操作)。重复性和再现性的时间以天来计算。测试结果(测试值)是从任一温度下的测量值中获得的。总共有50家实验室参加了实验室测试方案(ITP)的第一部分工作,45家实验室除了参加第一部分的工作外还参加了第二部分工作。A2糖密度结果
A2.1对第部分和第二部分的精密度结果列出了i种硫化参数,它们是:A2.1.1ML:最小扭矩,以N·m计;A2.1.2MHF:平坦扭矩,以N·m计;A2.1.3tsr:焦烧时间,以min计;A2.1.4c(50):50%硫化的时间,以min计;A2.1.5tc(90):90%硫化的时间,以min计;A2.2第部分,160℃C时,精密度结果列在表A2。A2.3第二部分,150C时,精密度结果列在表A3。A2.4对于测试比较使用精密度结果的详情见A3条。A3精密度结果的应用
应用精密度结果的一般程序如下,符号IX,一X,1表示正误差,即无标志。A3.1选择用以作出决定的硫化参数,在表A2(160C)或表A3(150℃)中找出这-参数的部分,如果考虑的测试和数据不在150℃或160℃,则选择最接近实际测试温度的那-组的精密度加以考虑。A3.2将表A2或表A3处于平均材料值并最接近测试平均数据的选择的部分加以考虑。这将获得适用的r,(r)和R,(R)以便在作出决定时使用。a)重复性
用这些r和()值,可以用下列总的重复性说明来作出结论。对于绝对误差:在正常和正确的操作条件下在(设定的)相同的胶料样品上发现的两个测定参数值之间的误差(X,一X,),超过平均表列的重复性r20次中不多于1次。对于百分比误差:在正常和正确的操作条件下在(设定的)相同的胶料样品上发现的两个测定参数值之间的百分比误差为:
2×100
GB/T 9869---1997
超过平均的表列的重复性(r)20次中不应多于1次。b)再现性
用这毕R和(R)值,可以用下列总的再现性说明来作出结论。对于绝对误差:在相同的测试胶料样品上使用正常和正确的操作程序的两个实验室中发现的两个独立测定的参数值之间的误差IX,一X21,超过表列的再现性R20次中不应多于1次。对于百分比误差:在相同的胶料样品上使用正常和正确的操作程序的两个实验室中发现的两个独立测定的参数值之间的百分比误差为:2/X, X21
X + x,
超过平均的表列的再现性(R)20次中不多于1次。表A1胶料配方
原料名称
SBR1502
SBR17121)
BR(CB 441)2)
氧化锌
硬脂酸
IRB No. 53)
操作油
DPPD5X
抗臭氧剂‘)
TMTD8)
密度(mg/m2)
1)37.5份充油丁苯橡胶。
2)37.5份充油丁二烯橡胶。
3)ASTMD24,工业参考炭黑No.5。4)操作油。
5)4010NA。
6)抗臭氧剂AW。
7)促进剂NS。
8)四甲基秋兰姆二硫化物。bzxz.net
通用值
表A2类型1精密度160℃
最小扭矩Mt(N·m)
通用值
通用值
通用值
通用值
GB/T 9869--1997
表A2(完)
平稳状态扭矩Mrr(N·m)
焦烧时间ts(min)
硫化时间50%lc(50)(min)
硫化时间90%tc(90)(min)
r:重复性一2.83×重复性误差的平方根。(r):重复性(作为材料平均值的百分比)。R:再现性一2.83X×再现性误差的平方根。(R):再现性(作为材料平均值的百分比)(r)
表A3类型1精密度150℃
最小扭矩M(N·m)
通用值
平稳状态扭矩Mhr(N·m)
小提示:此标准内容仅展示完整标准里的部分截取内容,若需要完整标准请到上方自行免费下载完整标准文档。