首页 > 国家标准(GB) > GB 11878-1989 船用锅炉离心送风机
GB 11878-1989

基本信息

标准号: GB 11878-1989

中文名称:船用锅炉离心送风机

标准类别:国家标准(GB)

标准状态:已作废

实施日期:1990-07-01

出版语种:简体中文

下载格式:.rar.pdf

下载大小:669124

相关标签: 船用 锅炉 离心

标准分类号

中标分类号:船舶>>船用主辅机>>U47舱室辅机

关联标准

替代情况:调整为CB/T 3896-1999

出版信息

页数:9页

标准价格:14.0 元

相关单位信息

标准简介

CB/T 3896-1999 GB 11878-1989 船用锅炉离心送风机 GB11878-1989 标准下载解压密码:www.bzxz.net

标准图片预览

GB 11878-1989 船用锅炉离心送风机
GB 11878-1989 船用锅炉离心送风机
GB 11878-1989 船用锅炉离心送风机
GB 11878-1989 船用锅炉离心送风机
GB 11878-1989 船用锅炉离心送风机

标准内容

UDC 629. 12. 0 : 621-61
中华人民共和国国家标
GB 11878—89
船用锅炉离心送风机
Marine centrifugal forced draft fansfor boileruse
1989-12-02发布
1990-07-01实施
国家技术蓝督局
中华人民共和国国家标准
船用锅炉离心送风机
Marinc centrifugal forced drafr farsfor boiter use
1主题内容笃适用范醒
GB11878-89
本标维规定了船用锅炉离心送风机(以下简称“送风机\)的产品分类、技术要求、试验方法和检验规则等。
本标准适用于 0.3~30 t/h蒸汽竭炉送风系统中的单级离心送风机。2引用标难
GB 191包装储运图示标
GB193出口机械,电工、仪器仪表产品包装通用技术条件GB985手工电弧焊焊楼接头的基本型试与尺寸GB1236通风机空气动力性能试验方法公差与配合未注公差尺寸的极限偏差GB1%4
GB 2888
风机和罗茨鼓风机喷声测鼠方法碳锅条
GB 5117
CB 1116,6舶设备环境试验方法试验 Ea:冲出CB1146.8船舶设备环境试验方法诚验Ee:倾斜和摇摆CB1146.9.船舶设备环境试验方法诚验Fc振动TB8产品络牌
JB2759机电产品包装通用技术茶件3产品分类
3.1基本型式
31.1送风机为感式、单级、单吸式绪持。者有带要泡可制成寒结樊形式。3.1.2-送风机为电动机直联式结构,叶轮直接装在电动机轴上。3.1.3送风机叶轮源卿上为前向叶片式结构。3. 1. 4 迷风机懈成气密式结构。3.1.5 送风雄机壳应谢或能以送风口避或电动机侧斯装叶轮,3. 1.6送风机可制成顺时计转或遵时计转:睡对针转--:以串动机正视叶轮接谢针方向游转;逆时针转一从电动机端正视,叶轮按逆时针方向施转。3.1.7送风机出气11位置,按叶轮转问减以下几种基本形式(就图1)。极据需要充许采用按30°变化的其尴形式。
画家技术监督1989-12-02批准
1990-07-01实施
4信915
.1h 276
GB 1187889
3.1.8送风机配用50Hz船用交流电动机,225
3.1.9电动机额定输山功率应有足够裕量.在标准风时,即使吸入空气温度降到20℃以下,电动机也不会过载。
3.1.10附件
3.1.10.1在送风机机充下部,可按需要装设放水娜塞。3.1.10.2根据需要可在送风机进气口装设金属保护网。3.1.10.3在进口装设调节门。通过调节开度,控制进气量,在启动时可以防止电动机过载。3.2基本参数
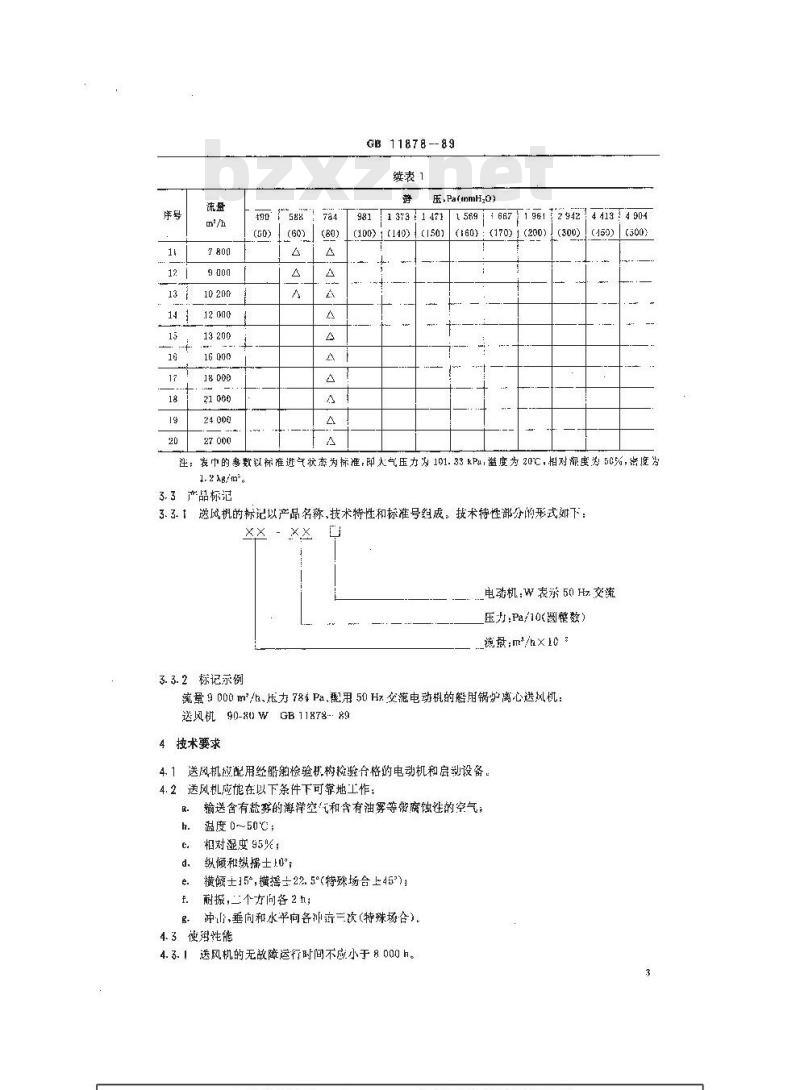
3. 2.1送风机的基本参数以其流基和压力,并以二参数的组合用\△\表示。3. 2. 2配用 50 z交流电动机时送风机性能的基本参数规定如表 1,表1
压,Pa(mmH.0)
(300)
(450)
(50G)
10 20m
12 000
13 200
21 000
24 000
GB11878--89
续表1
压,Pa(inmH.o)
137311471
(100) 1 (140) / (150)
1 667 11 961
(170)1(200))
160)
4 4134 904
(3心心)
(450)(500)
注:表中的参数以标准进气状态为标准,即火气压力为101.33kPu,溢度为20℃,相对潮度为50%,密度为1.2g/m
3.3产品标记
3.3.1送风视的标记以产品名称,技术特性和标准号组成。技术待性部分的形式如下:xXxX
电动机:W 表采 50 Hz.交流
压力:Pa/10(整数)
流量:m/×10:
3.3.2标记示例
流量9000m/h、压力78Pa.配用50Hz交滤电动机的船用锅护离心送风机:送风机 90-8 WGB 11878-- 89
4技术要求
送风机放配用经船舶检验供构检验合格的电动机和启动设备。4.1
4.2送风机应能在以下条件下可靠地工作;输送含有盐穿的潮弹空汽和含有油雾等衡蚀性的空气;风
盖度050℃:
相对退度 95%;
纵倾和皴摇士;
横候士15°,横摇±22.5(特殊场合上45\)1耐振,二个方间各2;
冲山,垂问和水平向各冲街二饮(特殊场合)4.3便科生能
送风机的无故障运行时间不感小于品00叫。GB11878—89
4.3.2送风机的振动烈度(均方根速度)不应人于6mm/g。4. 3. 3送风机在规定流量时的压力值不应超过规定值的一5%~±10%,4.4外观要求免费标准bzxz.net
4.4.1送风机各岑,部件必检验合格,不很有换伤,毛边和不平整现象,轮的内、外表面不允许碰伤和划伤,产品外表面不得有油汀、铁锈、碰伤、字迹和其他印痕。4.4.2送风机的钢制件应进行镀锌处理。尺寸较大时允许来用酸洗等其他防腐措施:4.4.3在防腐蚀处理后,送风机的内、外表面应涂两次底漆,再涂两次船用面漆。油漆后送风机表而应光滑清,不允许有流挂、起泄,刺落和划痕等缺陷。4.5材料要求
送风机主要零、部件的材料按表2规定,但允许用与其同等或同等以上的材料。表2
零件名
进气!
.I艺要求
普通碳鋼
Q285-A
标麗号
G#3193
GB 700
铆接件表面应平整。铆接件的同隙在两倍铆钉直径范围内不得大于0.1mm,其余部位不得人于4.6.1
0. 2 ~ 0. 3 mm。
4.6.2铆头部应光滑平整,不允诈有任何铆钉松动、铆订头歪斜、裂缝和未铆紧等晚象存在。4.6.3焊接接头基本型式与尺寸应符合GB985的要求。焊接件应采用符合GB5117规定的焊条。4.6.4焊接件表面应平整。焊接后清理焊缝,个允许有漏煜、烧穿、裂缝、未焊透和气孔等缺陷。焊缝单个气孔直径应小于1mm,在100mm长的焊辫中气孔数应少手5个,再应人于5mm。4. 6.5叶片出口安装角的偏差不应大士1\。叶片出口边对轮盘的垂直度不应人于叶片出口边宽度的1/100.
叶轮任意三个相邻叶片出口端弦长之差不应超过弦长的 4%。4.6.6
4. 6.7叫轮的形状和位置公差不应超过表 3 的规定。表:
叶轮直径
叶轮内径径向圆跳动
轮盖端面螂动
轮面动
轮盘平面度
>250~400
2400~630
不大于所测长度的 4/1 000
4.6-8送风机进风口孤面部分的型线与样板的删鲸不应超过衣1的规定,mm
630--1 000
叶轮省径
GB 11878--89
>250~400
>400~630
≥>630~~1 000
4.6.9机应平整,不允许有压伤、叫凸不乎和距斜等缺陷。租壳的形状和位置公差不应趣过表5的规定。
然形尺寸
侧版的平面
两测板孔的同轴
200--400
400~-1 000
>1 000~1 6n[
4. 6. 10送风机进,口法兰上钳孔的孔鹿公差不应大[士0. 5 mm。外形尽寸的公差不低于 GB 18t1牛s17的规定。进出口然兰的位置偏差不成大于位置尺寸的1.2近。4.7安全相环境保护要求
4,7,此轮成进行静,动平衡校让,在动平衡视上进行不低于G心3级的动乎衡校正,允许的质心偏移量按表6规定。
叶轮转遵,t/min
充许质心偏移量M
4.7.2平窥配重的材质应与母材一致。其琼度不得超过母材的爆度,宰周地周定在轮盘(轮盖)外测。四周应倒镜.外形要美观。
4.7.3在间一较正平面上配重的数量不得超过两块。两缺闯的相位差不得大90。配重外缘与叶轮外缘的距离不得小于10 mm。送风机在规定流量下的比声压级应不高了28 dB(A)。5试验方法
5.1非轮超速试验
5. 1. 1降轮应在超过额定转速 20头下,萃少运转 10 mi1。试验脂检查钉、轮盘、轮盖、胖片及时轮外形,不得有铆松动,裂纹和损坏等缺陷,5.1.2超速试验后,轮盖进圈和叫轮外缘直径的尺小变形量不应大于0.5/00,轮盖径向题动位移的变形最应不大于:/1 000。尺变形量由下式计算;[或验前尺±一减验后尺寸×100%尺寸变形望=
试验前寸
5.2运转试验
5.2.!送风机接通电源后连续运转时间不得少于20mia,不得有擦载、不正常声和剧烈振动等异常现象,
5.3自激娠动测量
送风机在额定工况附近运转,谢量电动机轴乘附近的上下、左右、前后三个片向的振动烈度(均方根值),不得超过4,3.2条的规定。
5.4空气前力性能试验
按GB1236的规定进行。
5.5噪声试验
按 GB 2888 的规定进行。
5.6船用条性试验
GB 1187889
5.6.1送风乳应按与船单上相似的安装方式性地固定在专期试验台上,在额定工说附逆运转时进行船用条件试验。试验中送风机应运转正常,不得有擦碰.不正常响声和烈振动等异嘴现象。5.6.2倾斜和摇摆试验
按 CB 1146. 8 试验 Ee 和本标雅 1. 2 条进行。5.6.3环境振动试验
按CB1146.9试验Fc和本标准4.2条沿垂同和横向在30Hz上耐搬试验各2h。5.6.4击成验
按 CB 1146. 6i 试验 Ea 和本标准 4. 2 茶进行。6检验规则
6.1检验分类
迷风机的检验分为出厂协验和型式检验两种。6.2出验
6.2.1批量生产的送风机应作出厂检验。6.2.2出厂检验按表了规定的项目进行。表
离验项口
外观梭查
运转试验
叶轮超速试验
白激银动测量
空气动力性能试验
梁声试险
偏斜播裙试验
坏境振动试验
净击试验
6.3型检验
技术条数
4.3. 2,5.8
4. 3. 3,5. 4
4.7. 1,5. 5
4. 2,5. 6. 2
4.2.5.6.3
4. 2,5. 6. 4
8.3.1具有以下情况之一时.送风机应进行型式检验;限、各型送风机的善制产品;
转厂生产的各型送风机的首制产品;h
出检验
抽5%(至少‘自)
设计.结构、材料和工艺上有重大改变,并可能影响产品性能时,e.
d.出厂检验结果与上次型式检验结果有较大凳异时;国家质量监替、检验机,构提出型式检验的要求时。e
6.3.2型式检验按7规定的项日进行6.4判楚规赠
型式检脸
每一种型号持检一台
商系列箱三个
型号各试一台…
特殊场合
6.4.1每台送风机均须经制造厂技术检验部门按本标摊的规定检征合格,并出具合格证方能出!。6.4.2抽检的送风机,如果超差,则应如倍披检。符合规定,仍为合格,若仍超差则该批产品为不合格,应返修后逐台检验·合格后方能出厂。6.5用户需要参加送风机的试验和检验时,应在供需双方的合同中规链。6
7标志、包装、运输、贮存
7. 1 标志
GB11878--89
7. 1.1送风排在明显的位置上应装设产品铭牌,其内容应包拆;制造厂名、产品名称,产品型导、产品缩号、造口期和船验标志等。
7.1.2铭牌的尺寸与技术要求按JR8的规定.7.1.3在每台送风机的机壳上应有表示叶轮转向的指示牌,7.2包装、运输
7. 2. 1 送风机采用包装箱整体包数。国内包装接 FB 2759 的既定,出口包装按 CBn 193 的规定。7.2.2应将送风机垫稳、卡紧,并用螺检周定在包装箱内。拆卸工.具、零、部件也应妥善地固定在箱内空隙处,以免在运输中发生窜动或移动。7.2.3随机文件应封于防潮文件装中。随机文件包括:a.
产品合格证:
产品说明书或样本;
装箱单,
成查供应明细表。
7.2.4制造厂应保证自发货日起至少6 个月内不致因包装不善而引起产品的锈蚀、降低质量或丢失。7.2.5包装箱箱面指示标志应符合CB191的规定。7.3楚存
7.3.1包装箱应存放在不会受到淋日晒和积水没蚀的地方。包装箱应垫平放稳,与地面的距离不小+200~300mm
7.3.2包装箱应定期开箱检套。必要时应更新损坏和剩落的涂料和标志等。8成套供应
8、1成套供磨的范围对:送风机、电效机和叶轮拆卸工具8.2按供需双方合同、副造厂可以供应船用备件和启动设备等。9保证
送风诞在交韶后1年内,但不超过交货后18个月内,因制造质量间题发生摄坏或不能正常工作时,造!应免费为需片修理或重换零件,附加说明:
本标准史中国船舶工业总公司标准化研究所提出。本标推密全国船用机械标准化技术委负会担整辅机专业组妇口。本标雅生中国船工业总公司上凝船舶设备研究所负责起草。本标准主要起草人虞鸿余、张金上,
小提示:此标准内容仅展示完整标准里的部分截取内容,若需要完整标准请到上方自行免费下载完整标准文档。