首页 > 国家标准(GB) > GB/T 12004.5-1992 聚氯乙烯增塑糊刮板细度的测定
GB/T 12004.5-1992

基本信息

标准号: GB/T 12004.5-1992

中文名称:聚氯乙烯增塑糊刮板细度的测定

标准类别:国家标准(GB)

标准状态:已作废

发布日期:1992-12-12

实施日期:1993-10-01

作废日期:2008-12-01

出版语种:简体中文

下载格式:.rar.pdf

下载大小:59926

相关标签: 聚氯乙烯 刮板 细度 测定

标准分类号

标准ICS号:橡胶和塑料工业>>83.080塑料

中标分类号:化工>>合成材料>>G32合成树脂、塑料

关联标准

替代情况:被GB/T 21990-2008代替

出版信息

出版社:中国标准出版社

页数:3页

标准价格:8.0 元

出版日期:1993-10-01

相关单位信息

首发日期:1992-12-12

复审日期:2004-10-14

起草单位:永新-沈阳化工厂(有限公司)

归口单位:全国塑料标准化技术委员会

发布部门:国家技术监督局

主管部门:中国石油和化学工业协会

标准简介

本标准规定了用刮板细度计测定聚氯乙烯增塑糊中粗粒粒径的方法。本标准适用于聚氯乙烯增塑糊粗粒粒径的测定。 GB/T 12004.5-1992 聚氯乙烯增塑糊刮板细度的测定 GB/T12004.5-1992 标准下载解压密码:www.bzxz.net

标准图片预览

GB/T 12004.5-1992 聚氯乙烯增塑糊刮板细度的测定
GB/T 12004.5-1992 聚氯乙烯增塑糊刮板细度的测定
GB/T 12004.5-1992 聚氯乙烯增塑糊刮板细度的测定

标准内容

中华人民共和国国家标准
聚氟乙烯增塑糊刮板细度的测定Polyvinyl chloride plastsols-Determinationof fineness of grind
1 主题内容与适用范围
本标准规定了用刮板细度计测定聚氯乙烯增塑糊中粗粒粒径的方法。本标准适用于聚氯乙烯增塑糊粗粒粒径的测定。2方法提要
GB/T 12004.5-92wwW.bzxz.Net
把聚氯乙烯增塑糊试样放在测定器上,通过刮刀移动出现的刮痕,检测增塑糊中的粗粒。3仪器
刮板细度计。
3.1测定器:约长175mm、宽50mm、厚12mm。平板测定器由工具合金钢(牌号Cr12)制成,板上有一与金属板的长边平行的沟槽,长155±0.5mm、宽12±0.2mm,在150mm长度内刻有0~150μm(沟槽倾斜度1:1000)、0~100μm(沟槽倾斜度1:1500)的表示槽深的等分刻度线。刮板细度计的正面槽底及反面平直度允许差0.003mm/全长,正面粗糙度应为,分度值误差为±0.001mm(见图1)。 50
图1测定器
刮板细度测定的精度取决于使用的测定器,因此,将测定器的测定范围及刻度列于下表。国家技术监督局1992~12-12批准1993-10-01实施
沟槽的最大深度
3.2刮刀
GB/T 12004.5--92
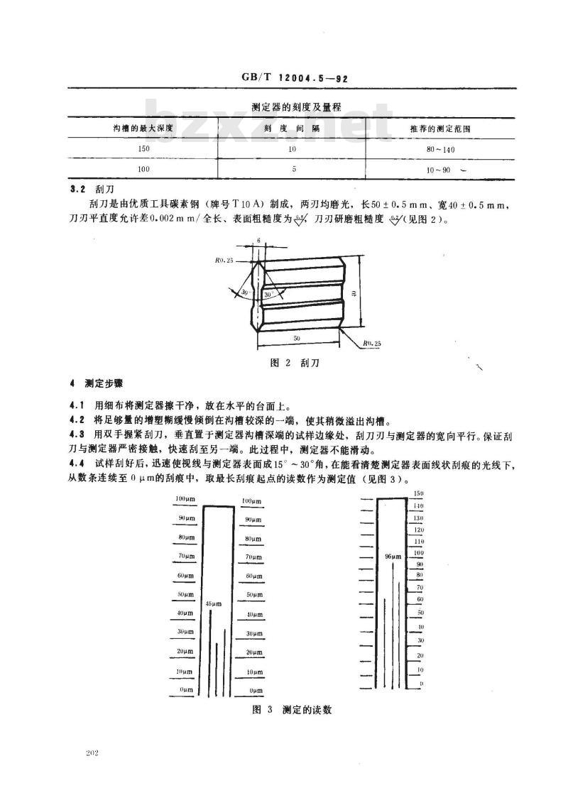
测定器的刻度及量程
刻度间隔
推荐的测定范围
80 ~140
10 ~ 90
刮刀是由优质工具碳素钢(牌号T10A)制成,两刃均磨光,长50±0.5mm、宽40±0.5mm,刀刃平直度允许差0.002mm/全长、表面粗糙度为%刀刃研磨粗糙度/(见图2)。RO.25
图22刮刀
4测定步骤
4.1用细布将测定器擦干净,放在水平的台面上。4.2将足够量的增塑糊缓慢倾倒在沟槽较深的端,使其稍微溢出沟槽。4.3用双手握紧刮刀,垂直置于测定器沟槽深端的试样边缘处,刮刀刃与测定器的宽向平行。保证刮刀与测定器严密接触,快速刮至另一端。此过程中,测定器不能滑动。4.4试样刮好后,迅速使视线与测定器表面成15°~30°角,在能看清楚测定器表面线状刮痕的光线下,从数条连续至0μm的刮痕中,取最长刮痕起点的读数作为测定值(见图3)。100um
图3测定的读数
GB/T12004.5-92
4.5每次读数后,立即用软纸将增塑糊擦去,再用绸布蘸丙酮仔细擦洗测定器和刮刀。测定结果
共测三次,取最大值做为测定结果。以整数表示。6
试验报告
试验报告应包括下列内容:
聚氯乙烯树脂的牌号、批号;
增塑糊的配方,混炼时间,调糊的温度;b.
测定结果,μm;
测定日期,测定人姓名。
附加说明:
本标准由中华人民共和国化学工业部提出。本标准由全国塑料标准化技术委员会SC7分委会归口。本标准由永新一沈阳化工厂负责起草。本标准主要起草人佟天池。
小提示:此标准内容仅展示完整标准里的部分截取内容,若需要完整标准请到上方自行免费下载完整标准文档。