首页 > 国家标准(GB) > GB/T 4334.5-1990 不锈钢硫酸-硫酸铜腐蚀试验方法
GB/T 4334.5-1990

基本信息

标准号: GB/T 4334.5-1990

中文名称:不锈钢硫酸-硫酸铜腐蚀试验方法

标准类别:国家标准(GB)

标准状态:已作废

发布日期:1984-04-09

实施日期:1991-01-01

作废日期:2004-09-01

出版语种:简体中文

下载格式:.rar.pdf

下载大小:182033

相关标签: 不锈钢 硫酸 硫酸铜 腐蚀 试验 方法

标准分类号

中标分类号:冶金>>金属理化性能试验方法>>H25金属化学性能试验方法

关联标准

替代情况:被GB/T 4334.5-2000代替

出版信息

页数:7页

标准价格:12.0 元

相关单位信息

标准简介

被GB/T 4334.5-2000代替 GB/T 4334.5-1990 不锈钢硫酸-硫酸铜腐蚀试验方法 GB/T4334.5-1990 标准下载解压密码:www.bzxz.net

标准图片预览

GB/T 4334.5-1990 不锈钢硫酸-硫酸铜腐蚀试验方法
GB/T 4334.5-1990 不锈钢硫酸-硫酸铜腐蚀试验方法
GB/T 4334.5-1990 不锈钢硫酸-硫酸铜腐蚀试验方法
GB/T 4334.5-1990 不锈钢硫酸-硫酸铜腐蚀试验方法
GB/T 4334.5-1990 不锈钢硫酸-硫酸铜腐蚀试验方法

标准内容

中华人民共和国国家标准
不锈钢硫酸-硫酸铜腐蚀试验方法Stainless steels Method of coppersulphate-Sulphuric tcid corrosion tcst1主题内容与适用范围
GB 4334.5- 90
代葬GB4334.5-84
本标准规定了不锈钢硫酸碱酸匍腐蚀试验方法的适用范围,引用标准、试样、试验设备、试验条件和步骤,试验结果的评定和试验报告,本标准适用于检验奥氏体,奥氏体铁素体不锈钢在加有铜屑的硫酸-硫酸铜溶液中的晶间腐蚀倾向
2引用标准
GB 466电解铜片
GB625化学试剂硫酸
CB665化学试剂硫酸铜
GB2100不锈耐酸钢铸件技术条件3试样
3.1试样的选收
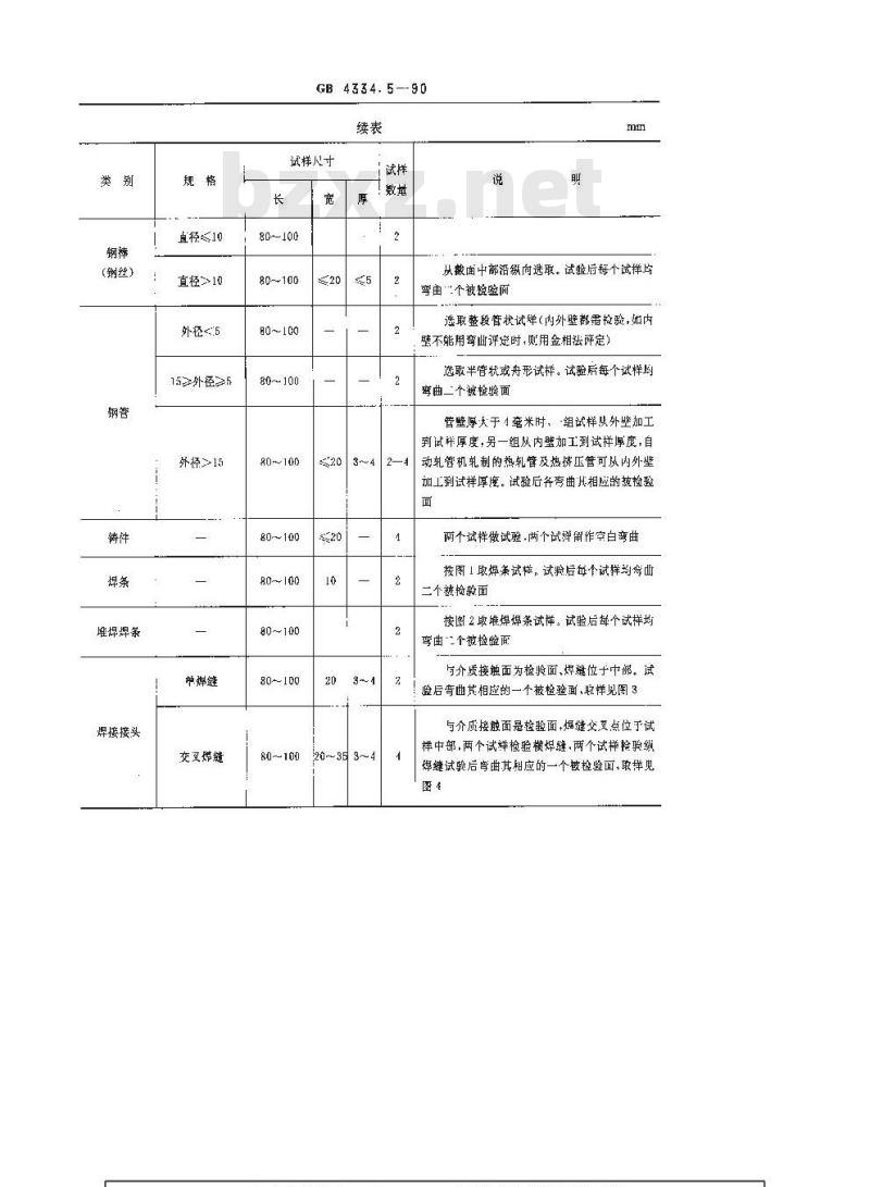
3.1.1压力加工钢材的试样从同一炉号、同一批热处理和同一规格的钢材中选取。3.1.2铸件试样按GB2100规定,从同一号钢水浇铸的试快中选取。含稳定化元案钛(或锯)的钢种,在该炉号最末说铸的试块中选取。3.1.3焊接试样从与产品钢材相同而且焊接工艺也相同的试板上选取。3.1.4试样尺寸及选取方法见下表,焊接试样、焊条试样及堆焊焊条试样的选取方法分别见图1、图2、图图4.
试样尺寸及选取方法
射板、带
(扁锅)
原度4
厚度≥4
试样尺寸
80~100
80~100
国家技术监督局1990-05-04批准20
试¥,
滑轧制方向选取。试验后每个试样均等曲二个被捡验面
轧制方向选取。两个试样从一面如工到试样厚度,两个试样从另一面加工到试样厚。试验唇各弯曲其相应的一个被检验面1991-01-01实施
(丝)
堆焊焊条
焊接接头
直径≤10
直径>10
外径5
15≥外径25
外径≥15
单弹缝
交豆炜
GB 4334. 5--90
试样尺寸
80~100
80~100
80~100
80~100
80~100
80-100
80--100
203~wwW.bzxz.Net
20~359~4
从截面中部沿缀向选取。试验后每个试样均弯曲“个被按验面
选取整段管状试举(内外壁都需检验,始内壁不能用弯此评定时,贮用金相法评定)选取半管状或舟形试样。试验后每个试样胸曲二个被检验面
管壁厚大于1毫米时,-组试样以外壁加工到试群厚度,另一组从内壁加工到试样厚度,自动轧管机轧制的热轧管及热挤压管可从内外坚加工到试样厚度。试验后各弯曲其相应的被检题面
两个试样做试验.两个试科留作空白弯曲按图1取焊条试样,试验后每个试样均弯山二个被检骏面
按图2取堆焊焊条试样。试验后缺个试拌均弯曲个被检验面
与介质接触面为检验面,继位于中部。试验后弯曲其相应的一个被检验面,取样见图 3与介质接触面是检验面,缝交,及点位于试样中部,两个试祥检验横焊缝.两个试样检验纵埠继试验后弯曲其相应的一个被检验面,敢样见图
>30师去
注,采用与焊条相应钢号的钢板。GB 4334.590
长度推毒摄
图1焊条试样的选取
烯螺方肉
图2堆焊焊条试样的选取
注,①基层板用与条箱应钢号的钢板。②试样长度方向措善施焊方向。>3辨去
3.2试样的制备
切敢试样处
切最或样处
GB 4334. 5-90
图3单焊缝取样
梗脸表面
双面焊换检表面
压爆换检验囊面
图4交叉焊缝取样
3.2.1试样用锯切取,如用剪切时,应通过切削或研磨方法除去剪切的影响部分。3.2.2试样上有氧化皮时,要通过切削或研磨除掉。需要敏化处理的试样,应在敏化处理后进行研磨。3.2.3试样切取及表面研磨时,应防止过热,被试验的试样表面粗糙度Ra必须小于0.80um。不能进行研的试样,根据双方协议也可以采用其他方法处理。3.3试样的敏化处理
3.3.1试样的敏化处理在研磨前进行。3.3.2敏化处理前试样用适当的溶剂或洗涤剂(非氯化物)去油并干燥。3.3.3含碳量大于0.08%,不含稳定化元素的钢种不进行敏化处理。3.3.4对超低碳钢(碳含量不大于0.03%时)或稳定化钢种(添加钛或铌),敏化处理温度为650℃,斥力加工试样保温2 h、铸件保温 1 h 后空冷。3.3.5含碳量大于0.03%,不大于0.08%,不含稳定化元素并用于焊接的钢种,应以敏化处理的试样进行试验。敏化处理制度在协议中另行规定。3.3.6焊接试样直接以焊后状态进行试验。对焊后还要经过 350℃以上热加工的焊接件,试样准焊后还应进行敏化处理,敏化处理制度在协议中另行规定。4试验设备
4.1容量为1~2L带间流冷凝器的磨口-锥形烧瓶。4.2使试验溶液能保持微沸状态的加热装置。5试验件和步葬
5.1试验溶液:将100g硫酸铜(GB665,分析纯)溶解于700mL蒸馏水或去离子水中,再加入100ml.硫酸(GB625,优级纯),用蒸馏水或去离子水稀释至1000mL,配制成硫酸-硫酸铜溶液GB 4334.5 90
5.2试验前将试样用适当的溶剂或洗涤剂(非氯化物)去油并干燥。5.3在烧瓶底部铺一层铜屑(GB466纯度不小于99.5%),然后放置试样。保证每个试样与铜屑接触的情下,同“烧瓶中允许放几层同一钢种的试样,但是,试样之间要立不接触。5.4试验溶液应高出最上层试样20mm以上,每次试验都应使用新的试验溶液。注:仲裁试验时.试验济液呈按试样表面积计筛,其量全8mL/cm2以上,5.5将烧瓶放在加热装召上,通以冷却水,加热试验溶液,使之保持微沸状态。试样连续16h。5. 6 试验后取出试样、洗净,干燥,弯曲。6试验结果评定
6.1压力加工件和焊接件试样弯曲角度为180°,焊接接头沿熔合线进行弯曲。筹钢件弯曲角度为90°,6.2试样弯曲用的压头直径,当试样厚度不大于1mm时,压义直径为1mm;当试伴厚度大于1mm时,压头直径为5mm,
6.3弯曲后的试样在10倍效大镜下观察弯曲试样外表面,有无因品问腐蚀而产生的裂纹。从试样的弯曲部位棱角产生的裂纹,以及不伴有裂纹的滑移线、始纹和长面粗糙等都不能认为是甜间蚀而产生的裂纹。
6.4试样不能进行弯曲评定或弯曲的裂纹难以判定时,则果用金相法观赛。金相磨片经浸蚀后、在显微镜下观察(150~500倍).品间腐蚀深度值不得超过5um。了,试验报告
记录试样种类、热处理制度等;记录试样弯曲角度及10倍放大镜观察后,品问腐蚀倾向结果:b,
如果用金相法判定时,应记录晶间腐蚀深度值,c.
附加说明:
本标准由冶金工业部提出。
本标准由冶金工业部钢铁研究总院、机械电子部合肥通用机械研究所负责起草,本标准主要起草人王在恩、李慧玲、左维民。本标水平等级标记:GB4334.5--90Y
小提示:此标准内容仅展示完整标准里的部分截取内容,若需要完整标准请到上方自行免费下载完整标准文档。