首页 > 国家标准(GB) > GB/T 3289.26-1982 可锻铸铁管路连接件型式尺寸 内接头
GB/T 3289.26-1982

基本信息

标准号: GB/T 3289.26-1982

中文名称:可锻铸铁管路连接件型式尺寸 内接头

标准类别:国家标准(GB)

标准状态:已作废

实施日期:1983-10-01

作废日期:2001-05-01

出版语种:简体中文

下载格式:.rar.pdf

下载大小:37015

相关标签: 可锻铸铁 管路 连接件 尺寸 接头

标准分类号

中标分类号:机械>>通用零部件>>J15管路附件

关联标准

替代情况:被GB/T 3287-2000代替

出版信息

页数:2页

标准价格:8.0 元

相关单位信息

标准简介

GB/T 3289.26-1982 可锻铸铁管路连接件型式尺寸 内接头 GB/T3289.26-1982 标准下载解压密码:www.bzxz.net

标准图片预览

GB/T 3289.26-1982 可锻铸铁管路连接件型式尺寸 内接头
GB/T 3289.26-1982 可锻铸铁管路连接件型式尺寸 内接头

标准内容

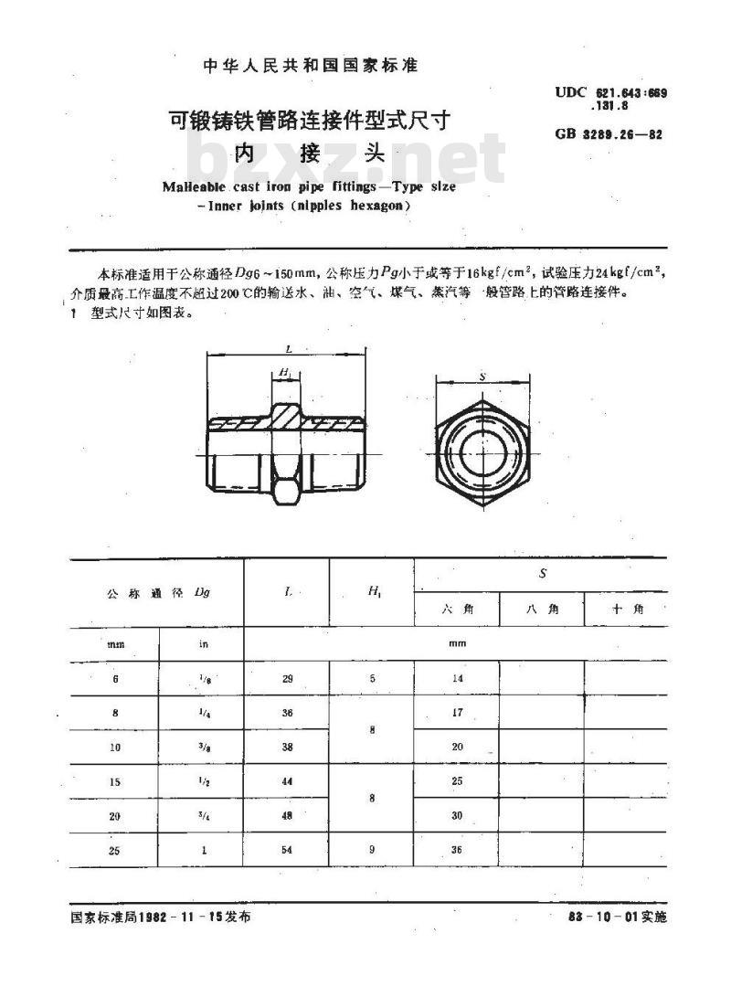
中华人民共和国国家标准
可锻铸铁管路连接件型式尺寸
内接,头
MaHeable.castironpipefittings-Typeslze-Inner jojnts (nipples hexagon)UDC621.643:669
.131.8
GB 3289.26—82
本标准适用于公称通径Dg6~150mm,公称压力Pg小于或等于16kgf/cm2,试验庄力24kgf/cm2,介质最高工作温度不超过200℃的输送水、油、空气、煤气,蒸汽等般管路.上的管路连接件。型式尺寸如图表。
公称通径Lg此内容来自标准下载网
国家标准局1982 - 11 -15发布
83 - 10 - 01实施
公称通经山g
2 结构尺寸按GB 3289,1—82。3技术条件按GB3287—82。
检验规则按GB3288—82。
GB 3289,26--82
小提示:此标准内容仅展示完整标准里的部分截取内容,若需要完整标准请到上方自行免费下载完整标准文档。