首页 > 国家标准(GB) > GB 5618-1985 线型象质计
GB 5618-1985

基本信息

标准号: GB 5618-1985

中文名称:线型象质计

标准类别:国家标准(GB)

标准状态:已作废

实施日期:1986-08-01

出版语种:简体中文

下载格式:.rar.pdf

下载大小:79729

相关标签: 线型

标准分类号

中标分类号:仪器、仪表>>试验机与无损探伤仪器>>N78X射线、磁粉、荧光及其他探伤仪器

关联标准

替代情况:调整为JB/T 7902-1995

采标情况:ISO 1027-1983 NEQ

出版信息

页数:4页

标准价格:8.0 元

相关单位信息

标准简介

GB 5618-1985 线型象质计 GB5618-1985 标准下载解压密码:www.bzxz.net

标准图片预览

GB 5618-1985 线型象质计
GB 5618-1985 线型象质计
GB 5618-1985 线型象质计
GB 5618-1985 线型象质计

标准内容

中华人民共和国国家标准
线型象质计
Wire type image quality indicatorUDC 621.791
GB 5618--85
本标准规定了线型象质计(以下简称象质计)的制造技术要求、标志及有关应用方法。该象质计用于衡量金属材料X或?射线照相的影象质量。当本标准规定的象质计不能满足使用要求时,可另行设计相应的特殊象质计。
本标准参照采用国际标准1SO1027一1983《无损检测用射线影象质量指示计的规则与标志》*1技术要求
象质计由不同直径的金属线组成,线的直径按R10、R'20两类化整值系列选取,线直径及其1.1
允许偏差和线编号列于表1。
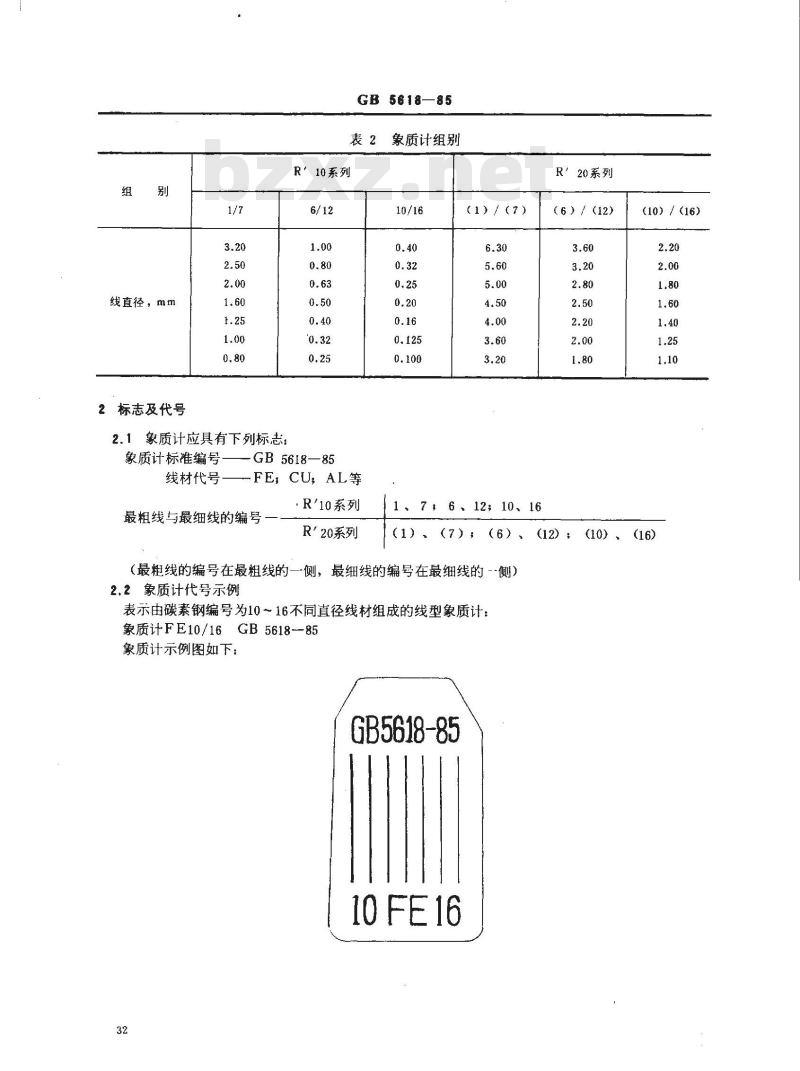
1.2以7根编号相连续的金属线为一组,共分两类六组。即R'10系列1~7;6~12,10~16三组,R'20系列(1)~(7)(6)~(12),(10)~(16)三组见表2。1.3金属线应相互平行排列,其长度分别不小于25mm和50mm。1.4金属线轴线间的间距不得小于较粗线直径的三倍,但最小应为5mm。1.5每个象质计中所有金属线应由相同材料构成,并固定在由弱吸收材料(以不影响影象质量为原则)制成的包壳中。
1.6象质计上的标志应清晰完整,并能在射线照相底片上清楚显示。表1线直径及其允许偏差和线编号R'10系列
直径,mm
允许偏差,mm
国家标准局1985-11-25发布
直径,mm
R'20系列
允许偏差,mm
线编号
(3)
(5)
(6)
1986-08-01实施
线直径,mm
2标志及代号
2.1象质计应具有下列标志:
象质计标准编号一
GB 5618—85
象质计组别
R'10系列
-GB5618—85
线材代号—FE,CU,AL等
最粗线与最细线的编号
·R'10系列
R20系列
(1)/(7)
1、7,6、1210、16
R'20系列
(6)/(12)
(10)/(16)
(1)、
(7);(6)、
(12);(10),(16)
(最粗线的编号在最粗线的一侧,最细线的编号在最细线的-侧)2.2象质计代号示例
表示由碳素钢编号为10~16不同直径线材组成的线型象质计:象质计FE10/16GB5618-85
象质计示例图如下:
GB5618-85
10 FE16
GB 5618-85
3象质计适用材料范圈及影象质量表示方法象质计的适用材料范围见表3。www.bzxz.net
表3不同线材象质计适用的材料范围象质计线材代号
线的材料
适用材料范围
碳素钢
黑色金属
铜、锌、锡及锡合金
采用本标准规定的象质计,可以得到射线照的灵敏度K3.2
式中:K—以百分数表示的射线照相灵敏度,%;T——被检工件的穿透厚度,mm;d
-射线照相底片上可以辨认到的最细线的直径,mm。AL
铝及铝合金
利用象质计得到的K仅用以衡量射线照相影象的质量,而不能直接表示可以发现自然缺陷的实际尺寸。
穿透厚度
附加说明:
GB5618-85
附录A
线型象质计可表示灵敏度范围
(参考件)
灵敏度%
0.32~1.28
(10)/(16)
0.73~1.47
0.44~0.88
0.37 ~ 0.73
0.31~0.63
本标准由中华人民共和国机械工业部提出,由哈尔滨焊接研究所归口。本标准由上海探伤机厂负责起草。本标准主要起草人秦醒华。
(6)/(12)
0.72~1.44
0.51-1.03
(1)/(7)
1.28~2.52
小提示:此标准内容仅展示完整标准里的部分截取内容,若需要完整标准请到上方自行免费下载完整标准文档。