首页 > 国家标准(GB) > GB/T 5809-1986 锉刀分类、编号规则
GB/T 5809-1986

基本信息

标准号: GB/T 5809-1986

中文名称:锉刀分类、编号规则

标准类别:国家标准(GB)

标准状态:已作废

发布日期:1986-01-21

实施日期:1986-10-01

作废日期:2003-07-01

出版语种:简体中文

下载格式:.rar.pdf

下载大小:57566

相关标签: 分类 编号 规则

标准分类号

标准ICS号:机械制造>>25.140手持工具

中标分类号:机械>>工艺装备>>J47手工工具

关联标准

替代情况:被GB/T 5806-2003代替

出版信息

页数:4页

标准价格:8.0 元

相关单位信息

标准简介

GB/T 5809-1986 锉刀分类、编号规则 GB/T5809-1986 标准下载解压密码:www.bzxz.net

标准图片预览

GB/T 5809-1986 锉刀分类、编号规则
GB/T 5809-1986 锉刀分类、编号规则
GB/T 5809-1986 锉刀分类、编号规则
GB/T 5809-1986 锉刀分类、编号规则

标准内容

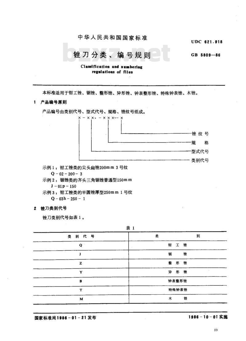
中华人民共和国国家标准
锉刀分类、编号规则
Classification and numberingregulatlons of flles
UDC 621.918
GB 5809-86
本标准适用于钳工锉、锯锉、整形锉、异形锉、钟表整形锉、特殊钟表锉、木锉。产品编号原则
产品编号由类别代号、型式代号、规格、锉纹号组成。X
×××
锉纹号
-型式代号
类别代号
示例1:钳工锉类的尖头扁锉200mm3号纹Q - 02 - 200 - 3
示例2:锯锉类的齐头三角锯锉普通型150mmJ - 01p -- 150
示例3:钳工锉类的半圆锉厚型250mm1号纹Q-03h-250-1
2 链刀类别代号
锉刀类别代号如表1。
类别代号
国家标准局198601-21发布
钳工锉
整形锉免费标准下载网bzxz
异形锉
钟表整形锉
特殊钟表锉
1986-10-01实施
3链刀型式代号
锉刀型式代号如表2。
类别代
GB 5809--86
钳工锉
整形锉
型式代号
齐头痫锉
尖头扁锉
齐头三角锯
尖头三角锯锉
齐头扁翻锉
尖头扁扇锯锉
菱形锯锉
弧面菱形锯毯
弧面三角锯锉
齐头扁锉
尖头扁锉
单面三角锉
双半圆锉
圆边扇锉
GB 5809—86
续表2
型式代号
类别代号
齐头扁锉
尖头扁锉
昇形锉
单面三角锉
双半圆锉
齐头扇锉
尖头扁锉
钟表整形锂
单面三角锉
双半圆锉
齐头扁锉
特殊钟表锉
单面三角锉
半圆木锉
类别代号
其他代号
其他代号如表3。
附加说明:
GB 580986
续表2
型式代号
普通型
特窄型
螺旋型
本标准由中华人民共和国轻工业部提出,由全国工具五金标准化中心归口。本标准主要起草人申惠荣、牛剑生、林美德。92
家具半圆木锉
小提示:此标准内容仅展示完整标准里的部分截取内容,若需要完整标准请到上方自行免费下载完整标准文档。