首页 > 国家标准(GB) > GB 7084-1986 电子器件详细规范 半导体集成电路CH2013型HTL六反相器(可供认证用)
GB 7084-1986

基本信息

标准号: GB 7084-1986

中文名称:电子器件详细规范 半导体集成电路CH2013型HTL六反相器(可供认证用)

标准类别:国家标准(GB)

标准状态:已作废

实施日期:1987-10-01

出版语种:简体中文

下载格式:.rar.pdf

下载大小:3499112

相关标签: 电子器件 详细 规范 半导体 集成电路 认证

标准分类号

中标分类号:电子元器件与信息技术>>微电路>>L56半导体集成电路

关联标准

替代情况:调整为SJ/T 10825-1996

出版信息

页数:15页

标准价格:17.0 元

相关单位信息

标准简介

GB 7084-1986 电子器件详细规范 半导体集成电路CH2013型HTL六反相器(可供认证用) GB7084-1986 标准下载解压密码:www.bzxz.net

标准图片预览

GB 7084-1986 电子器件详细规范 半导体集成电路CH2013型HTL六反相器(可供认证用)
GB 7084-1986 电子器件详细规范 半导体集成电路CH2013型HTL六反相器(可供认证用)
GB 7084-1986 电子器件详细规范 半导体集成电路CH2013型HTL六反相器(可供认证用)
GB 7084-1986 电子器件详细规范 半导体集成电路CH2013型HTL六反相器(可供认证用)
GB 7084-1986 电子器件详细规范 半导体集成电路CH2013型HTL六反相器(可供认证用)

标准内容

中华人民共和国国家标准
电子元器件详细规范
半导体集成电路CH2013型
HTL六反相器
Detail specification for electronic componentSemiconductorintegrated circuit-CH2013HTL Hex inverter
(可供认证用)
621.3.049
GB7084—86
降为SJ/T10825-96
本规范规定了半导体集成电路CH2013型HTL六反相器鉴定和质量评定的全部内容。本规范是按照GB5965一86《半导体集成电路双极型门电路空白详细规范》制订的,并符合34589.1一84《半导体集成电路总规范》的要求。GB
中国电子元器件质量认证委员会标准机构是中国电子技术标准化研究所。国家标准局1986-12-14发布
1987-10-01试行
评定器件质量的依据:
GB4589.184《半导体集成电路
总规范》
GB7084-86
GB7084—-86
CH2013型六反相器详细规范
订货资料:见本规范第7章。
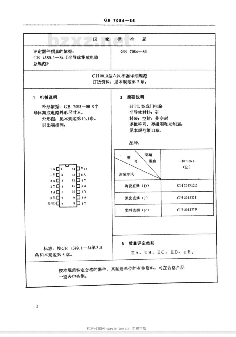
机械说明
外形依据:GB7092-86《半
导体集成电路外形尺寸》。
外形图:见本规范第10.1条。
引出端排列:
标志:按GB4589.1-84第2.5
条和本规范第6章。
2简要说明
HTL集成门电路
半导体材料:硅
封装:空封,非空封
逻辑符号、逻辑图和功能表:
见本规范第11章。
品种:
封装形式
陶瓷直插(D)
黑瓷直插(J)
塑料直插(P)
3质量评定类别
ⅢA,ⅢB,
40~85℃
CH2013ED
CH2013EJ
CH2013EP
ⅢC,ⅢD,ⅢE。
按本规范鉴定合格的器件,其制造单位的有关资料,可在合格产品一览表中查到。
标准分享网wwwbzfxwcom免费下载4极限值(绝对最大额定值)
GB708486
若无其他规定,适用于全工作温度范围。数
条款号
工作环境温度
贮存温度
电源电压
输人电压
输人电流
输出电流
5电工作条件和电特性
电特性的检验要求见本规范第8章。符号
5.1电工作条件
若无其他规定,适用于全工作温度范围。条款号
电源电压
输入高电平电压
输人低电平电压
输出高电平电流
输出低电平电流
5.2电特性
若无其他规定,适用于全工作温度范围。最小
条款号
6.标志
输出高电平电压
GB7084-86
Vcc=13.5V,ViL=6.5V,IoH=-0.5mA输出低电平电压
Vcc=13.5V,ViH=9V,IoL=14mA
输人高电平电流
Vcc=15V,ViH=16.5V
输人低电平电流
Vcc=16.5V,ViL=1.5V
输出短路电流
Vcc=16.5V
输出高电平时电源电流
Vcc=16.5V
输出低电平时电源电流
Vcc=16.5V
传输延迟时间
Vcc=15V,TA=25℃,Vm=15V,
f=500kHz,q=50%,tr<15ns,tf<15ns,VREF=7.5V,CL=100pF,RL=1.5k2
器件上标志的标法示例如图1。
CH2013EJ
引出端识,
别标志
制造单位
检验批识
别代码
质量评
定类别
标准分享网wwwbzfxwcom免费下载规范值
GB7084-86
允许将“检验批识别代码”、“质量评定类别”标在器件背面。若受器件尺寸限制时,2
订货资料
若无其他规定,订购器件至少需要下列资料:a.
准确的型号;
详细规范的国家编号;
质量评定类别。
试验条件和检验要求
根据采用的质量评定类别,按GB4589.1一84第3.6.2款表6和表7的规定。抽样要求:
A组检验的抽样要求
B4,C4
检查水平(IL)
C组和D组检验的抽样要求
B组、9
GB7084-86
A组——逐批
所有试验均为非破坏性的(见GB4589.1一84第3.6.6款)。条
检验或试验
A1分组下载标准就来标准下载网
外部目检
A2分组
功能验证
A3分组
静态特性
A4a分组
最高工作温度下的静态
(特性:同A3分组)
A4b分组
最低工作温度下的静态
(特性:同A3分组)
A5分组
动态特性
引用文件
GB4589.1-84
第5.1.1款
GB3440—82*
GB3440—82
GB3440-82
GB3440—82
若无其他规定,TA=25℃
(见GB4589.184第4章)
按本规范第5.2.1款和5.2.2款,本规范第11.2条
按本规范第5.2.1款至5.2.7款,本规范第10.2条
TA按本规范第4.1条最大值,
条件:同A3分组
TA按本规范第4.1条最小值,
条件:同A3分组
按本规范第5.2.8款,本规范
第10.3条
*GB3440--82《半导体集成电路HTL电路测试方法的基本原理》6
标准分享网wwbzfxwcom免费下载检验要求规范值
同本规范第5.2.1款
和5.2.2款
同本规范第5.2.1款
至5.2.7款
同A3分组
同A3分组
同本规范第5.2.8款
GB7084-86
B组-——逐批
标有(D)的试验为破坏性的(见GB4589.1一84第3.6.6款)。条
检验或试验
B1分组
B4分组
可焊性
B5分组
温度快速变化:
两槽法(非空封器件)
或:两箱法(空封器件)
随后进行:
加速潮热(D)
器件)
试验后测量:
A3分组)
(非空封
同A2和
密封(空封器件)
B8分组
电耐久性(168h)
试验后测量:
A3分组)
CRRL分组
(同A2和
引用文件
GB4589.1—84
第5.2条,附录C
GB4590—84*
第2.5条
GB4590—84
第3.2条
第3.1条
GB459084
第3.5条
GB4590—84
第3.12条和
GB459084
第4.7条
若无其他规定,TA=25℃
(见GB4589.1—84第4章)
按方法b(槽焊法)
温度按严格度A(0℃~100℃)
时间按严格度A
t,>5min
t,≤3~10s)
温度按本规范第4.1条
循环次数按严格度D(6次)
同A2和A3分组
按规定
平均功耗为:
IcCH+IcCL
TA按本规范第4.1条最大值,
Vcc=15V
xVcc,
同A2和A3分组,在96h内测完
就B4、B5和B8提供计数检查结果*GB4590-84《半导体集成电路机械和气候试验方法》。检验要求规范值
同本规范第1章
浸润良好
同A2和A3分组
同A2和A3分组
GB7084-86
一周期
C组一
标有(D)的试验为破坏性的(见GB4589.1一84第3.6.6款)。条
检验或试验
C1分组
C3分组
引线强度:
弯曲(D)
C4分组
耐焊接热(D)
试验后测量:
和A3分组)
C6分组
(同A2
恒定加速度(空封器件)
(同A2
试验后测量:
和A3分组)
C7分组
稳态湿热(D)非空封
器件)
试验后测量:
和A3分组)
C8分组
(同A2
电耐久性(1000h)
试验后测量:
和A3分组)
(同A2
引用文件
GB4589.1-84
第5.2条,附录C
GB4590-84*
第2.2条
GB4590—84
第2.6条
GB4590—84
第2.10条
GB4590—84
第3.7条
GB459084
第4.7条
若无其他规定,TA=25℃
(见GB4589.1—84第4章)
按规定
按方法A(260℃槽焊)
同A2和A3分组
按规定
同A2和A3分组
按严格度A(温度85±2℃,
相对湿度80%~90%)
同A2和A3分组
同B8分组
同A2和A3分组,在96h内测完
标准分享网wwbzfxwcom免费下载检验要求规范值
同本规范第1章
无损伤
同A2和A3分组
同A2和A3分组
同A2和A3分组
同A2和A3分组
检验或试验
C9分组
高温贮存(D)
试验后测量:
和A3分组》
C11 分组
标志耐久性
CRRL分组
(同A2
9D组——鉴定批准
引用文件
GB4590—84
第3.3条
GB4590—84
第4.3条
GB7084-86
若无其他规定,TA=25℃
(见GB4589.1—84第4章)
1000h,温度按本规范第4.2条
最大值
同A2和A3分组
按规定
就C4、C6、C7、C8和C9提供计数检查结果鉴定批准后立即进行,以后每年进行一次。条
检验或试验
D8分组
电耐久性(3000h)
附加资料
10.1详细外形图
详细外形图如图2。
引用文件
GB4590—84
第4.7条,
GB4589.1—84
第3.6.1.5项
若无其他规定,TA=25℃
(见GB4589.1—84第4章)
同B8分组
检验要求规范值
同A2和A3分组
检验要求规范值
尺寸符号
GB7084-86
标准分享网wwwbzfxwcom免费下载值
静态特性的测量
10.3动态特性的测量
10.3.1基本测试线路
GB 7084-86
GB3440-82第2.1条
GB3440-82第2.3条
GB344082第2.7条
GB3440-82第2.8条
GB3440—82第2.10条
GB3440—82第2.13条
GB344082第2.14条
按GB3440—82第3.2条和3.3条。10.3.2负载线路
负载线路如图3。
测试点
被测输出端
CL一包括探头及夹具的电容
电耐久性试验线路
电耐久性试验线路如图4。
输人端接VIL
输人端接VH
输人端接地
所有输人端接地
所有输人端开路
小提示:此标准内容仅展示完整标准里的部分截取内容,若需要完整标准请到上方自行免费下载完整标准文档。