首页 > 水产行业标准(SC) > SC/T 8008-1994 渔船加冰孔盖
SC/T 8008-1994

基本信息

标准号: SC/T 8008-1994

中文名称:渔船加冰孔盖

标准类别:水产行业标准(SC)

标准状态:已作废

发布日期:1994-10-01

实施日期:1996-10-01

出版语种:简体中文

下载格式:.rar.pdf

下载大小:53410

相关标签: 渔船

标准分类号

中标分类号:船舶>>船舶专用装备>>U33渔船专用装备

关联标准

替代情况:CB 762-77

出版信息

页数:5页

标准价格:8.0 元

相关单位信息

标准简介

SC/T 8008-1994 渔船加冰孔盖 SC/T8008-1994 标准下载解压密码:www.bzxz.net

标准图片预览

SC/T 8008-1994 渔船加冰孔盖
SC/T 8008-1994 渔船加冰孔盖
SC/T 8008-1994 渔船加冰孔盖

标准内容

中华人民共和国水产行业标准
渔船加冰孔盖
主题内容与适用范图
SC/T8008-94
代替CB”762
本标携规定了加冰孔盖的结构形式、规格、主要尺寸、技术要求、试验和检验规则。本标准适用于钢质海洋渔船。
引用标准
(GB8923涂装前钢材表面锈蚀等级和除锈等级(B°332钢质嗮装件精度要求
型式和主要尺寸
3.1结构型式、规格和主要尺寸见图及表1。中华人民共和国农业部1994-10-01批准88
1995-01-01实施
加冰孔盖内框尺寸
900×800
1000×800
1100×800
3.2标记示例
SC/T8008--94
L × B
1—斜脚木;2--外木盖:3--螺旋夹扣;4—密封盖5—内木盖;6--橡皮;7~橡皮;8--内木框;9—肘板,10--框架表1
甲板开孔尺寸
1140×1040
1240×1040
1340×1040
L=1000mm,B=800mm的加冰孔盖:加冰孔盖1000×800
4技术要求
SC/T8008-94
内盖尺寸
830X730
930×730
1030×730
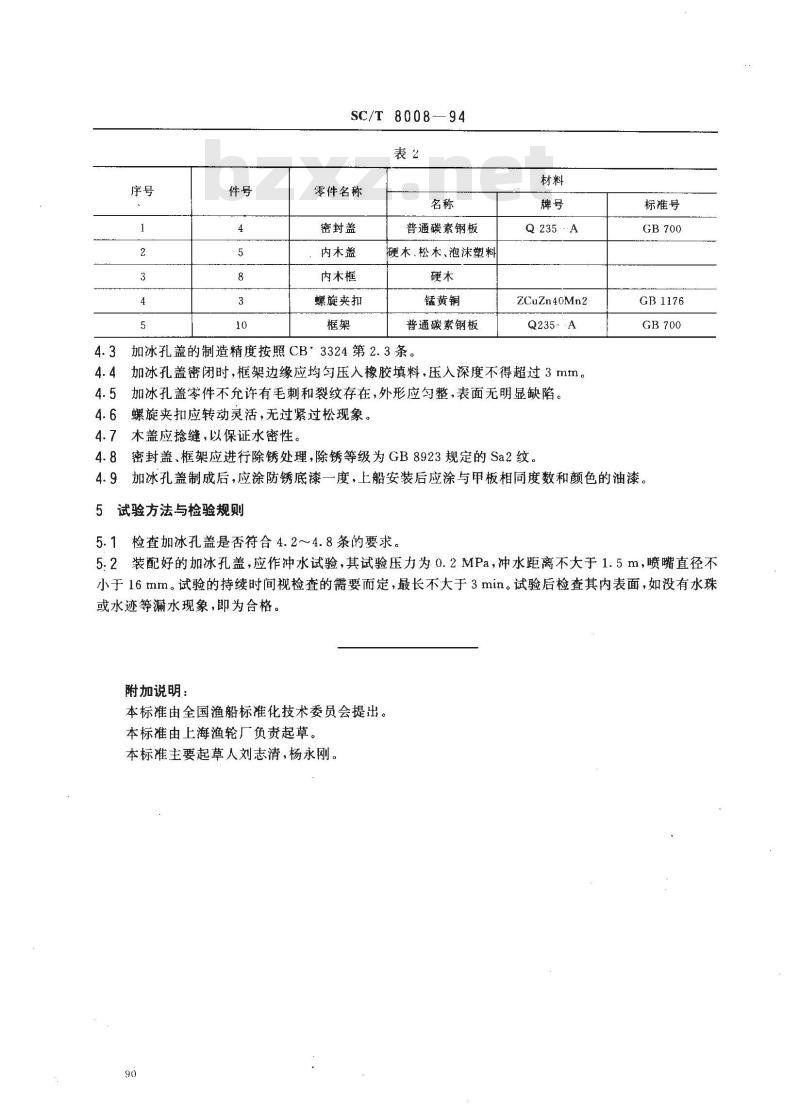
4.1加冰孔盖应符合本标准的要求,并按规定的图样制造。4.2加冰孔盖主要零件材料按表2。框架厚度
盖板厚度
SC/T 8008-94
零件名称bzxZ.net
密封盖
内木盖
内木框
螺旋夹扣
普通碳素钢板
硬木、松木、泡沫塑料
锰黄铜
普通碳素钢板
加冰孔盖的制造精度按照CB*3324第2.3条。材料
ZCuZn40Mn2
Q235--A
加冰孔盖密闭时,框架边缘应均匀压入橡胶填料,压人深度不得超过3mm。加冰孔盖零件不允许有毛刺和裂纹存在,外形应匀整,表面无明显缺陷。螺旋夹扣应转动灵活,无过紧过松现象。木盖应捻缝,以保证水密性。
密封盖、框架应进行除锈处理,除锈等级为GB8923规定的Sa2纹。标准号
GB1176
加冰孔盖制成后,应涂防锈底漆一度,上船安装后应涂与甲板相同度数和颜色的油漆。5试验方法与检验规则
5.1检查加冰孔盖是否符合4.2~4.8条的要求,5.2装配好的加冰孔盖,应作冲水试验,其试验压力为0.2MPa,冲水距离不大于1.5m,喷嘴直径不小于16mm。试验的持续时间视检查的需要而定,最长不大于3min。试验后检查其内表面,如没有水珠或水迹等漏水现象,即为合格。附加说明:
本标准由全国渔船标准化技术委员会提出。本标准由上海渔轮厂负责起草。本标准主要起草人刘志清,杨永刚。90
小提示:此标准内容仅展示完整标准里的部分截取内容,若需要完整标准请到上方自行免费下载完整标准文档。