首页 > 水产行业标准(SC) > SC/T 8013-1994 渔船落地滑轮
SC/T 8013-1994

基本信息

标准号: SC/T 8013-1994

中文名称:渔船落地滑轮

标准类别:水产行业标准(SC)

标准状态:现行

发布日期:1994-10-01

实施日期:1996-10-01

出版语种:简体中文

下载格式:.rar.pdf

下载大小:58081

相关标签: 渔船 落地 滑轮

标准分类号

中标分类号:船舶>>船舶专用装备>>U33渔船专用装备

关联标准

替代情况:替代SC 13-79

出版信息

出版社:中国标准出版社

页数:5页

标准价格:8.0 元

出版日期:1996-10-01

相关单位信息

起草人:杨永刚、丁兆荣

起草单位:上海渔轮厂

提出单位:全国渔船标准化技术委员会

发布部门:中华人民共和国农业部

标准简介

本标准规定了渔船落地滑轮的结构型式、规格、主要尺寸、技术要求、试验方法及检验规则等。 SC/T 8013-1994 渔船落地滑轮 SC/T8013-1994 标准下载解压密码:www.bzxz.net

标准图片预览

SC/T 8013-1994 渔船落地滑轮
SC/T 8013-1994 渔船落地滑轮
SC/T 8013-1994 渔船落地滑轮

标准内容

中华人民共和国水产行业标准
渔船落地滑轮
主题内容与适用范围
SC/T 8013-94
代替SC13.--79
本标准规定了渔船落地滑轮的结构型式、规格、主要尺寸、技术要求、试验方法及检验规则等。2产品分类
2.1渔船落地滑轮的结构型式见图1,规格及主要尺寸见表1。D
1—盖板2—衬套,3轴;4—滚轮;5挡索架,6—一单向推力球轴承;7一座架
许用拉力
中华人民共和国农业部1994-10-01批准H
底脚螺栓
1995-01-01实施
2.2标记示例
SC/T8013—94
滚轮直径为300mm的渔船落地滑轮:落地滑轮300SC/T8013-94。
3技术要求
3.1渔船落地滑轮应按规定的图样制造。3.2渔船落地滑轮主要零件的材料按表2。表2
零件名称
普通碳素钢
铸黄铜
优质碳素钢
灰铸铁
灰铸铁
普通碳素钢
铸件不允许有裂纹、缩孔、疏松及其他影响强度的缺陷。3.3
Q235-A
ZCu Zn 38
Q235-A
所有零件表面应无毛刺、裂纹锈蚀等影响强度的缺陷,零件锐边应倒圆。3.4bzxz.net
标准号
GB 700—88
GB 1176—87
GB 699--88
GB 9439—88
GB 9439—88
GB 700—88
落地滑轮装配后应转动灵活,转动时不应有不正常噪声和振动,活动零件的摩擦表面应填注润滑3.6产品外露加工表面应涂防锈油,非加工表面应涂防锈漆。3.7落地滑轮装配结束后应进行拉力试验,试验结束卸载后,检查承载零件,不得产生永久变形,活动部件仍应转动灵活、平稳。
试验方法
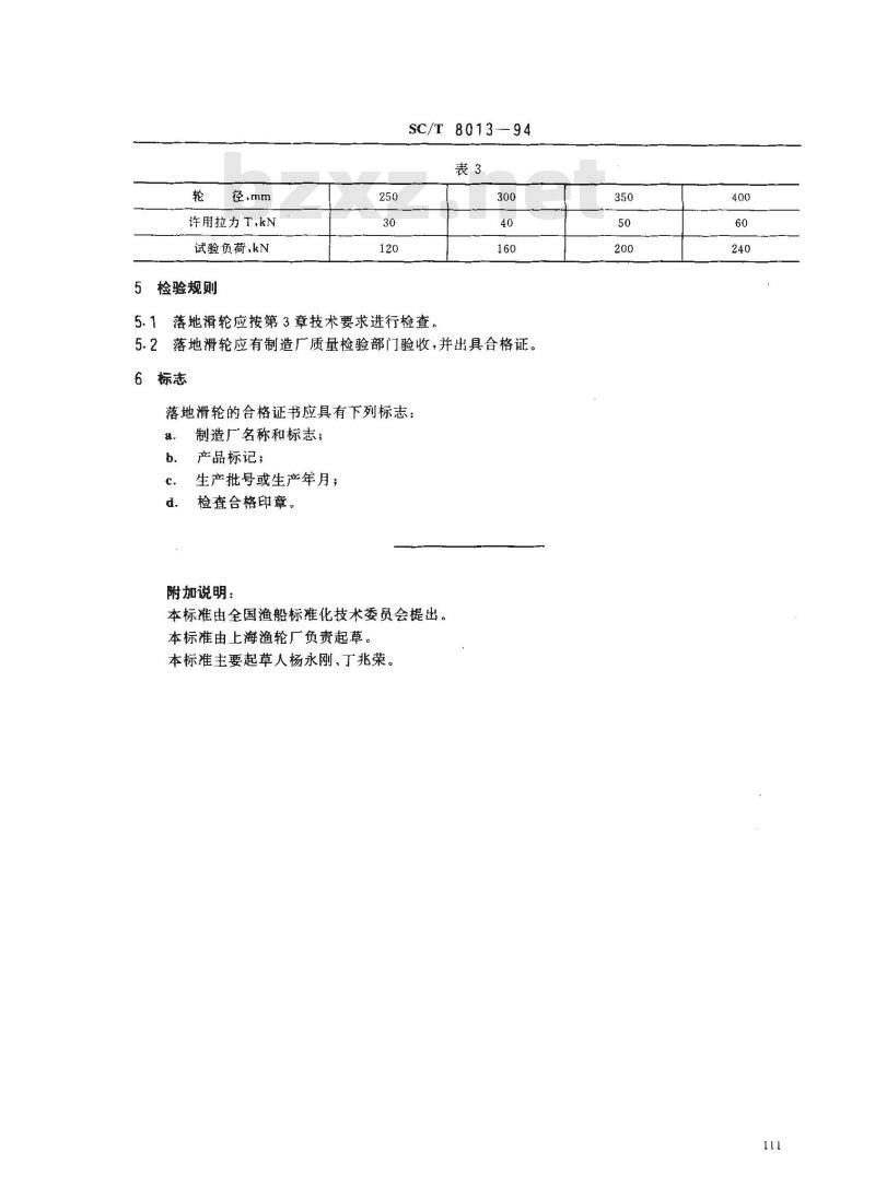
4.1落地滑轮应按图2的加载方法和表3试验负荷进行拉力试验,试验时间不得少于5min。图2
许用拉力T,kN
试验负荷,kN
5检验规则
SC/T 8013--94
5.1落地滑轮应按第3章技术要求进行检查。5.2落地滑轮应有制造厂质量检验部门验收,并出具合格证。标志
落地滑轮的合格证书应具有下列标志:制造厂名称和标志;
产品标记;
生产批号或生产年月;
检查合格印章。
附加说明:
本标准由全国渔船标准化技术委员会提出。本标准由上海渔轮厂负责起草。本标准主要起草人杨永刚、丁兆荣。350
小提示:此标准内容仅展示完整标准里的部分截取内容,若需要完整标准请到上方自行免费下载完整标准文档。