首页 > 水产行业标准(SC) > SC/T 8018-1994 渔船吊杆
SC/T 8018-1994

基本信息

标准号: SC/T 8018-1994

中文名称:渔船吊杆

标准类别:水产行业标准(SC)

标准状态:现行

发布日期:1994-10-01

实施日期:1996-10-01

出版语种:简体中文

下载格式:.rar.pdf

下载大小:166938

相关标签: 渔船 吊杆

标准分类号

中标分类号:船舶>>船舶专用装备>>U33渔船专用装备

关联标准

替代情况:替代SC 18-79

出版信息

出版社:中国标准出版社

页数:10页

标准价格:10.0 元

出版日期:1996-10-01

相关单位信息

起草人:郭英善

起草单位:青岛海洋渔业公司渔轮修造厂

提出单位:全国渔船标准化技术委员会

发布部门:中华人民共和国农业部

标准简介

本标准规定了渔船吊杆的型式、基本尺寸、技术要求、试验方法和检验规则。 SC/T 8018-1994 渔船吊杆 SC/T8018-1994 标准下载解压密码:www.bzxz.net

标准图片预览

SC/T 8018-1994 渔船吊杆
SC/T 8018-1994 渔船吊杆
SC/T 8018-1994 渔船吊杆
SC/T 8018-1994 渔船吊杆
SC/T 8018-1994 渔船吊杆

标准内容

主题内容
中华人民共和国水产行业标准
SC/T 8018—94
代替SC18—79
本标准规定了渔船吊杆的型式、基本尺寸、技术要求、试验方法和检验规则。2引用标准
GB5117·碳钢焊条
ZBH21002柴油机动力海洋渔船系泊航行捕捞试验通则渔船吊杆型式和基本尺寸
3.1渔船吊杆型式见图1。
1吊杆叉头;2—羊角;3吊杆锥体段;4—吊杆中段;5--吊环,6--稳索眼板;7吊货眼板:8—吊杆眼板处复板;9—封头板;10—垫板3.2渔船吊杆基本尺寸见表1。www.bzxz.net
中华人民共和国农业部1994-10-01批准120
1995-01-01实施
吊杆轴向
压力,kN
SC/T 8018—94
吊杆稳索眼板的型式和基本尺寸见图2及表2。按现场实际尺寸定
许用负荷
15~30
吊杆末端直径D1
133~154
175~190
截面惯性矩
中部J。
吊杆吊货眼板的型式和基本尺寸按图3及表3。3.4
端部J
叉头为
量,kg
叉头为
许用负荷
吊杆末端直径D
133~154
175190
SC/T8018—94
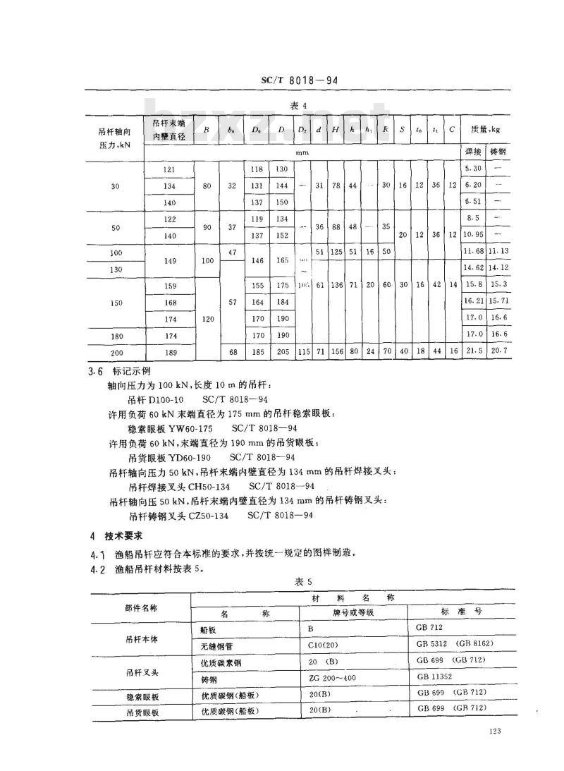
3.5吊杆叉头型式和主要尺寸见图4、图5及表4。s
图4焊接叉头
图5铸钢义头
吊杆轴向
压力,kN
3.6标记示例
吊杆末端
内壁直径
SC/T 8018--94
轴向压力为100kN,长度10m的吊杆:吊杆D100-10
SC/T 8018--94
3117844
质量,kg
焊接铸钢
125511650
175jo61
6030164214
136 71 20
11.6811.13
14.6214.12
16.2115.71
205|115711568024704018441621.5|20.7许用负荷60kN末端直径为175mm的吊杆稳索眼板:稳素眼板YW60-175
SC/T 8018—94
许用负荷60kN,末端直径为190mm的吊货眼板:吊货眼板YD60-190
SC/T 8018--94
吊杆轴向压力50kN,吊杆末端内壁直径为134mm的吊杆焊接叉头:吊杆焊接叉头CH50-134
SC/T 8018-94
吊杆轴向压50kN,吊杆末端内壁直径为134mm的吊杆铸钢叉头:吊杆铸钢叉头CZ50-134
4技术要求
SC/T 8018—94
4.1渔船吊杆应符合本标准的要求,并按统一规定的图样制造。4.2
渔船吊杆材料按表5。
部件名称
吊杆本体
吊杆叉头
稳索眼板
吊货眼板
无缝钢管
优质碳素钢
优质碳钢(船板)
优质碳钢(船板)
牌号或等级
C10(20)
ZG 200~400
标准号
GB 5312 (GB 8162)
GB 699(GB 712)
GB11352
GB 699(GB 712)
GB 699 (GR 712)
注:括号里为代用材料的牌号、等级。SC/T 8018—94
4.3渔船吊杆中端外径D偏差不应超过士1.5%D,截面圆度不应超过外径公差范围,吊杆插叉头端外径D,的偏差mm,吊杆中心线的直线度不应超过吊杆长度的1/1500,吊杆叉头和吊货眼板的中心线的偏差不应超过吊杆中心线的偏差。4.4等截面吊杆用无缝钢管或船板制造。4.5吊杆全部焊缝应采用碱性低氢型机械性能不低于GB5117规定的电焊条进行焊接。4.6焊缝表面均勾、光顺、不得有裂纹、焊瘤、咬边、气孔、夹渣及凹陷存在。4.7钢板制造的吊杆内外表面、无缝钢管制造的吊杆外面除锈,涂刷两道防锈底漆,外表面再涂两度面漆。
5试验方法及检验规则
5.1吊杆安装到渔船后,应按ZBH2002的规定进行试验。5.2渔船吊杆的焊缝内部质量,应以射线拍片或超声波探伤方法,将全部横缝包括焊缝交叉应进行检查,纵缝经外观检查有疑处时,可进行探伤或拍片检查。5.3渔船吊杆应由制造厂技术质量检查部门验收,并出具合格证书。6标志
经验收合格的每根吊杆的下端应具有下列标志;a.
制造厂名称或标志;
生产年月和合格印章,
船检认可标志;
吊杆下端用包漆标出其起重负荷,吊举角。A1渔船吊杆布滑图!
SC/T 8018-94
附录A
渔船吊杆布置形式
(参考件)
15 7/ 25
起重耗
A2渔船吊杆布置图2
SC/T 8018-94
25(Q
渔船吊杆装置零件表见表A1。
吊杆叉头
品杆眼板
稳索眼板
吊杆承座
千斤索拉环
吊杆羊角
渔用起重钢索滑车
渔用起重钢索滑车
渔用起重钢索滑车
渔用起重钢索滑车
渔用起重钢索滑车
渔用起重钢索滑车
单轮木滑车
双轮木滑车
吊杆承座
长环链
吊网钩
起货索
吊杆起落索
吊杆稳索
吊杯牵索
千片索
吊杆牵索
索具卸扣
钢索套环
开式索具螺旋扣
长环链
SC/T8018-94
标准号
附加说明:
本标准由全国渔船标准化技术委员会提出。本标准由青岛海洋渔业公司渔轮修造广负责起草。本标准修订主要起草人郭英善。数
布置图1
布實图2
小提示:此标准内容仅展示完整标准里的部分截取内容,若需要完整标准请到上方自行免费下载完整标准文档。