首页 > 水产行业标准(SC) > SC/T 8020-1994 渔船吊杆千斤索拉环
SC/T 8020-1994

基本信息

标准号: SC/T 8020-1994

中文名称:渔船吊杆千斤索拉环

标准类别:水产行业标准(SC)

标准状态:现行

发布日期:1994-10-01

实施日期:1996-10-01

出版语种:简体中文

下载格式:.rar.pdf

下载大小:47503

相关标签: 渔船 吊杆

标准分类号

中标分类号:船舶>>船舶专用装备>>U33渔船专用装备

关联标准

替代情况:SC 20-79

出版信息

出版社:中国标准出版社

页数:5页

标准价格:8.0 元

出版日期:1996-10-01

相关单位信息

起草人:郭英善

起草单位:青岛海洋渔业公司渔轮修造厂

提出单位:全国渔船标准化技术委员会

发布部门:中华人民共和国农业部

标准简介

本标准规定了渔船吊杆千斤索拉环的型式、尺寸、技术要求、试验方法和检验规则。 SC/T 8020-1994 渔船吊杆千斤索拉环 SC/T8020-1994 标准下载解压密码:www.bzxz.net

标准图片预览

SC/T 8020-1994 渔船吊杆千斤索拉环
SC/T 8020-1994 渔船吊杆千斤索拉环
SC/T 8020-1994 渔船吊杆千斤索拉环

标准内容

1主题内容
中华人民共和国水产行业标准
渔船吊杆于斤索拉环
SC/T 8020-94
代替 SC 20---79
本标准规定了渔船吊杆干斤索拉环的型式、尺寸、技术要求、试验方法和检验规则。2引用标准
GB5117碳钢焊条
3型式与尺寸
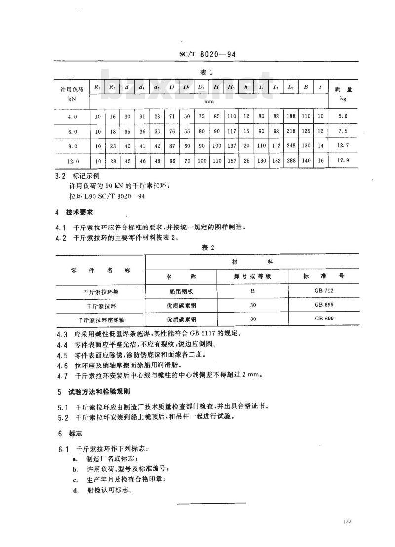
型式与尺寸按下图和表1。
槐或槐扇
按实际尺寸定
1千斤索拉环座架;2销轴;3拉环;4垫圈;5开口销;6--螺母中华人民共和国农业部1994-10-01批准132
1995-01-01实施
许用负荷
3.2标记示例
许用负荷为90kN的千斤索拉环:拉环L90SC/T8020—94
4技术要求
SC/T 8020-—94
4.1干斤索拉环应符合标准的要求,并按统-一规定的图样制造。4.2干斤索拉环的主要零件材料按表2。表2
千斤索拉环架
千斤索拉环
干斤索拉环座销轴
船用钢板
优质碳素钢
优质碳察钢
牌号或等级
4.3应采用碱性低氢焊条施焊,其性能符合GB5117的规定。4.4零件表面应平整光洁,不应有裂纹,锐边应倒圆。4.5零件表面应除锈,涂防锈底漆和面漆各二度。4.6拉环座及销轴摩擦面涂船用润滑脂。4.7千斤索拉环安装后中心线与榄柱的中心线偏差不得超过2mm。5试验方法和检验规则
5.1千斤索拉环应由制造厂技术质量检查部门检查,并出具合格证书。5.2千斤索拉环安装到船上项后,和吊杆一起进行试验。6标志
6.1千斤索拉环作下列标志:
制造厂名或标志;
许用负荷、型号及标准编号;Www.bzxZ.net
生产年月及检查合格印章;
船检认可标志。
GB 712
附加说明:
SC/T8020-94
本标准由全国渔船标准化技术委员会提出。本标准由青岛海洋渔业公司渔轮修造厂负责起草。本标准修订主要起草人郭英善。13.1
小提示:此标准内容仅展示完整标准里的部分截取内容,若需要完整标准请到上方自行免费下载完整标准文档。