首页 > 航空工业行业标准(HB) > HB 8091-2002 空气系统导管与导管连结卡箍
HB 8091-2002

基本信息

标准号: HB 8091-2002

中文名称:空气系统导管与导管连结卡箍

标准类别:航空工业行业标准(HB)

标准状态:现行

发布日期:2003-02-24

实施日期:2003-02-24

出版语种:简体中文

下载格式:.rar.pdf

下载大小:373794

相关标签: 空气 系统 导管 卡箍

标准分类号

中标分类号:航空、航天>>航空器与航天器零部件>>V21管件、卡箍、密封件

关联标准

出版信息

页数:29页

标准价格:20.0 元

相关单位信息

标准简介

HB 8091-2002 空气系统导管与导管连结卡箍 HB8091-2002 标准下载解压密码:www.bzxz.net

标准图片预览

HB 8091-2002 空气系统导管与导管连结卡箍
HB 8091-2002 空气系统导管与导管连结卡箍
HB 8091-2002 空气系统导管与导管连结卡箍
HB 8091-2002 空气系统导管与导管连结卡箍
HB 8091-2002 空气系统导管与导管连结卡箍

标准内容

cArkka
中华人民共和国航空行业标准
EIB 8091-2C02
空气系统导管与导管连接卡箍
Claamp connecting conduit and conduit for air syslen2003—02—24发布
国防科学技术工业委员会发布
2003-02-24实施
本探准附示A和附录卫为现蔗性附求。本标准中中国航空工业第朵团公司提出术标滑山中国航变综合投术正究所归:1TixoNikAa
g0E-ei-aC-eC-seiaaeCE-Nega-TANmrKAcaHI8031-2002
本标准草单位,中航空综专技术创究所比刃飞机设计研泛所法下制道公司。标谢土要越草人:朱绍待,城、雨患。T
1范围
HrKoNer Ka-
qOE-ei -aC-eCaeChtaas-Ep-Neca-TiKaNar KraHB80012002
空气系统导管与导管连接卡箍
本标准规定了空气系究以管与导咨连接十筛的络构、尺一利要求:本标准适用工作温度微:1审气系统管与导管的连接卡额:2规范性引用文件
下列义件中的条款通过水标准的引用而成为不标准的条款,只与注期的引用文件,艾随后质有的修改单(本包含勘误的内容)或修订版均不遇川于术标准,然而,效励根诺车准皮协议的名方而究是件可使用这此文件的最所版本。凡足不注日期伪引用文件,其亲所本适用1本标准C/T4240-1993不锈锅丝
创.1M坏效第1部分
通用要求
(52-198.5MI螺纹首起
CJJ3 227A 199G
一微用途硅像双胶料规范
(SJR 2351195
173 4 - 53 - 1583
H13 5013 1974
FB5024-1989
HT1 58(1019
1[5 7648-1999
H382.332002
助空航天用部企金锻件现范
热处取零件检合类别
航空用钢设构
·般公萃
高温空气录统导管连接卡轻通月规范六耀母
H82.93-2002六角薄编册
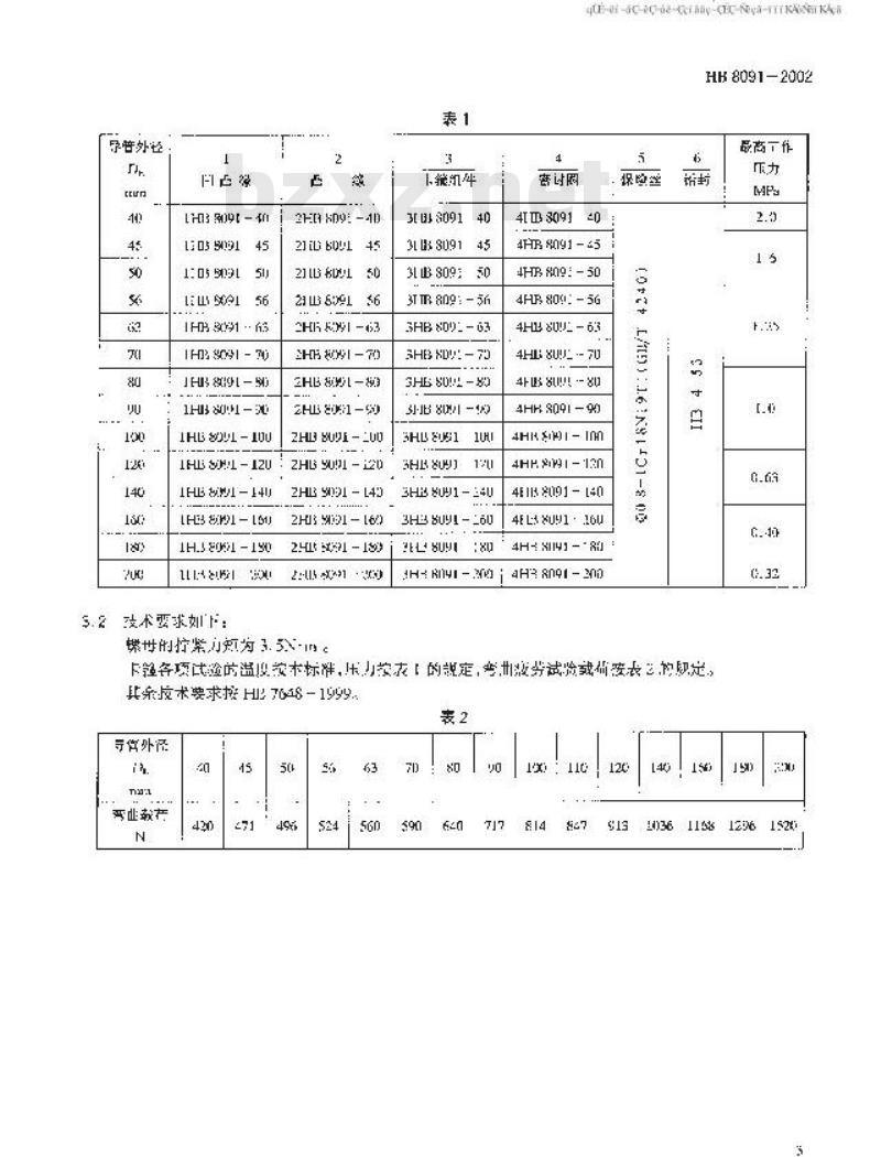
TI6409-19能空橡整件及型材用交料3空气系统导管与导首连接卡链的结构.只寸和要求3.1空气系统导普与导管连接卡链的继称见均,尽小按表1。HBe091—2002
标记示例:=m卡筛
HB 8091 -50
gE--ac-ec-ae-Ciaae-(Ec-Nga-iikAmKca学普外径
1:55091
1H 891 63
IH 09-
JHR 效9
IH OUTUU
1H 1- 12UwwW.bzxz.Net
IH I14I)
IH.3 2 10
技术要求如下:
2HR D9: 4D
2H K1 -63
HF 8170
ZHB8-83
2HB 801-0
ZH 8UOI-U
2HB )91 L43
2H 91 1
世的紧3.5
.箍件
3B309:
3T TR 809: 56
3HB 809: 63
3HB XDJ: - 73
3HE:80-8)
3HB 8W1 - =4U
3HB 8U91 _60
TEKAONKAa-
qEei -ic-ec-de-craagEcNea-rkAm kkaHH8091-2002
4HR S091-5
4HR S09: -50
4HR 80: 56
4H 80!= 63
4HI: 8UJ_ - 70
4HH 8091 91
4E13 809] [40
4ELXUU1-16U
4H- XII41-8
RII H3 800100
L/5) : 1.6181+1-8
下轻各项试验的溢度按本标群,压小按表【的视定,考而波劳试验戴而安表的均即定,其亲疫术要求按H768-19
导停外径
再业载产
1X1126
最商一作
11681296
8091-702
4凹凸缘的结构、尺寸和要求
4.1凸构见图,六按表3。
H12AK2级
ixNki-
gE--ac-ec-ae-Ciaae-(Ec-Nga-iikAmKka亲
S-1.5m的5家
j=23mm
标证示例:一0
5AU0-Q:IHB8091
503 ,11 8U91 50 ×25×1. 5
宁管外径
亚册是按 -25, 3 -.5节的
4.2装术娶求如下:
料:5A06-或5AU3-()设件按(23.5)[95搬公差:H35800-9
零产表血不允许有裂,毛刺,球伤及其它死域损恢。在标言处为电化学的法数凸练1:嫩值标志。:
EKNKAS-
qOEei-iC-e-de-CraagEcNea-rKANmKk8HB 805T2002
平拉决米
1X件理论示
IB80912002
5凸缘的结均、尺寸知要求
5.:凸缘的结构见图3.尺寸接我1B80[2002
标品处
标记剂:L=50mm-25mml
ixNiki-
gE--ac-ec-ae-Ciaae-(Ec-Nga-iikAmKca共余
S-1.Sm拍缘
5A():2H891 A50×25×1 5
5A3 O: 2HF 8001 50 M 25 x1.5G
孕善外徒
5.2热术要求证下:
.........
身料:5.406-0或5.4030门按GJR2351-1995搬分差:按5K0)
零件表耐不允力裂绞、飞刺龙伤及其宝提据损。在标志处用电化学的方法协凸,款值标志。57
HTEKONKAi-
goE-ei-ac-ec-se-iaae-CE-Nega-ikArkhaH891-2002
总位为术
JUULIfRr:l
..-....
..... ..
HB8091—2002
6卡落组件的结构即尺寸
卡箍组件的缩构见图4-至6.尺寸按表53H80012002组件
F u =&Umm
标记示例:管D.10mm的卡箱组件3E3 S-40
EKNKAS-
goE--ac-ec-ae-ciaae-(Ec-Nga-iikAmKka(29)
38091-22
用 =8 :-120m
EKoNkAa
gE--ac-ec-ae-Ciaae-(Ec-Nga-iikAmKcaTm8091-2002
记示例:导弯13-80mm的卡撞组件3Tmn51
[B 391-2002
3HB8091-2003《卡箍年片
H于 P = [40 mm-·200:mm
标证不少:导管一140mm的卡领组件3TT N09 -140
HukoNK-
gE--ac-ec-ae-Ciaae-(Ec-Nga-iikAmKca(20)
小提示:此标准内容仅展示完整标准里的部分截取内容,若需要完整标准请到上方自行免费下载完整标准文档。