首页 > 航空工业行业标准(HB) > HB 8092-2002 空气系统导管与附件连结卡箍
HB 8092-2002

基本信息

标准号: HB 8092-2002

中文名称:空气系统导管与附件连结卡箍

标准类别:航空工业行业标准(HB)

标准状态:现行

发布日期:2003-02-24

实施日期:2003-02-24

出版语种:简体中文

下载格式:.rar.pdf

下载大小:88386

相关标签: 空气 系统 导管 附件 卡箍

标准分类号

中标分类号:航空、航天>>航空器与航天器零部件>>V21管件、卡箍、密封件

关联标准

出版信息

页数:7页

标准价格:12.0 元

相关单位信息

标准简介

HB 8092-2002 空气系统导管与附件连结卡箍 HB8092-2002 标准下载解压密码:www.bzxz.net

标准图片预览

HB 8092-2002 空气系统导管与附件连结卡箍
HB 8092-2002 空气系统导管与附件连结卡箍
HB 8092-2002 空气系统导管与附件连结卡箍
HB 8092-2002 空气系统导管与附件连结卡箍
HB 8092-2002 空气系统导管与附件连结卡箍

标准内容

HiikAoNiKAca-
quE-ei-aCeC-ae-Ceraac-CEC-Neca-irikAoNrKAca中华人民共和国航空行业标准
FL5340
HB 8092 -2002
空气系统导管与附件连接卡箍
Clamp connecting conduit and accessories for air system2003—02-24发布
国防科学技术工业委员会发布
2003-02—24实施
HB8092-2002
本标推由中国航空工业第一集团公司提出。本标准由中国航空综合技术研究所归口。riKAoNiKAca=
quE-ei-aC-eC-ae-Ccr aac-CEC-Neca-irKAoNnr KAca本标准起草单位:中国航空综合技术研究所、沈阳飞机设计研究所、沈阳飞机制造公司。敏、周惠。
本标准主要起草人:朱绍荷、郑1范围
HiiKAoNiKAga-
quE-ei~aC-eC-ae-Ceraag-CEC-Nega-irrKAoNrKAcaHB 8092- 2002
空气系统导管与附件连接卡箍
本标准规定了空气系统导管与附件连接卡箍的结构、尺寸和要求。本标准适用工作温度-60℃~100℃空气系统导管与附件的连接。2规范性引用文件
下列文件中的条款通过本标准的引用而成为本标准的条款。凡是注日期的引用文件,其随后所有的修改单(不包含勘误的内容)或修订版均不适用于本标准,然而,鼓励根据本标准达成协议的各方研究是否可使用这些文件的最新版本。凡是不注日期的引用文件,其最新版本适用于本标推。GIB/T4240-1993不锈钢丝
HB4-53-1983铅封
HB 5800 - 1999
—般公差
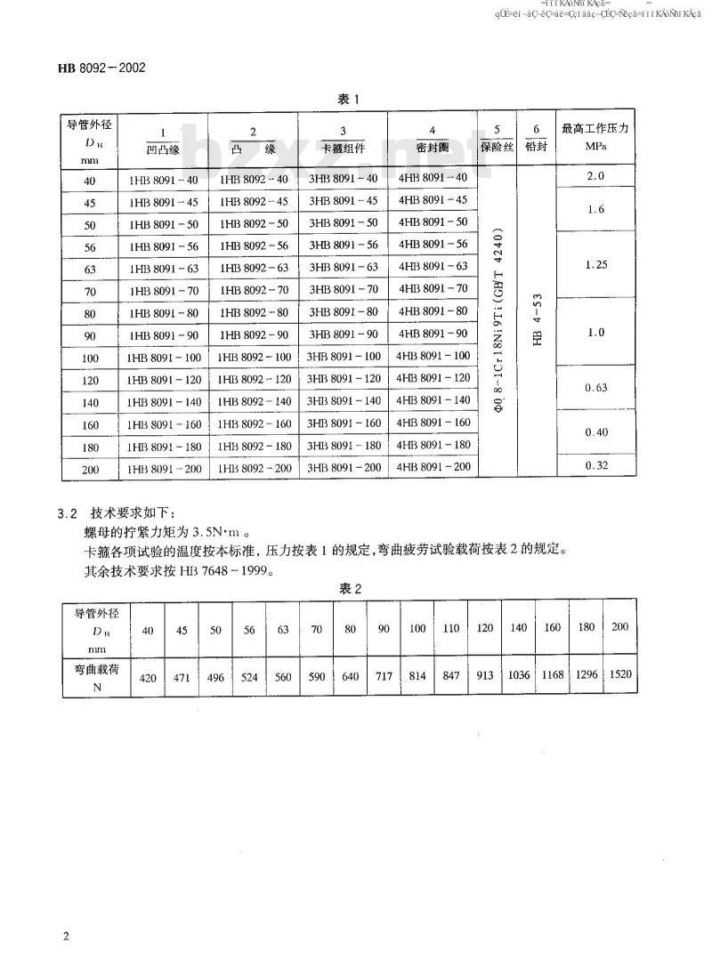
HB7648-1999高温空气系统导管连接卡箍通用规范HB8091-2002空气系统导管与导管连接卡箍空气系统导管与附件连接卡箍的结构、尺寸和要求3
3.1空气系统导管与附件连接卡箍的结构见图1,尺寸按表1。A-A
标记示例:D=50mm的卡箍
HB 8092 - 50
HB 8092- 2002
导管外径
凹凸缘
1H13 8091 -- 40
1HB 8091 - 45
1HB 8091 - 50
IHB 8091 - 56
1HB 8091 - 63
1HB 8091 - 70
1HB 8091 - 80
1HB 8091 - 90
1HB 8091 - 100
1HB 8091 - 120
1HB 8091 - 140
1HB 8091 - 160
1HB 8091 - 180
1H3 8091 - 200
技术要求如下:
1HB 8092 - 40
1HB 8092 -- 45
1HB 8092 - 50
1HB 8092 - 56
1HB 8092 - 63
1HB 8092 - 70
1HB 8092 -- 80
1HB 8092 - 90
1HB 8092 ~ 100
1HB 8092 - 120
1HB 8092 -- 140
1HB 8092 ~- 160
1H13 8092 - 180
1H38092-200
卡箍组件
3H3 8091 -- 40
3HB 8091 45
3HB 8091-50
3HB 8091 - 56
3HB 8091 - 63
3HB 8091 - 70
3HB 8091 - 80
3HB 8091 - 90
3HB 8091 - 100
3HB 8091 - 120
3HB 8091 -140
3HB 8091 - 160
3HB3 8091 -180
3HB 8091 -200
密封圈
4HB 8091 - 40
4HB 8091 -- 45
4HB 8091 - 50
4HB8091-56
4HB 8091 - 63
4HB 8091 - 70
4HB 8091-80
4HB 8091 - 90
4HB 8091 - 100
4HB 8091-120
4HB 8091 - 140
4HB 8091 - 160
4HB 8091 - 180
4HB 8091 - 200
-i KAi KAca-
qUE-ei -aC-eC-ae-Ccr aac-CEC-eca-rrKAoN KAca5
保险丝
最高工作压力
螺母的拧紧力矩为3.5N·m。
卡箍各项试验的温度按本标准,压力按表1的规定,弯曲疲劳试验载荷按表2的规定。其余技术要求按HI37648-1999。表2
导管外径
弯曲载荷免费标准下载网bzxz
11681296
4凸缘的结构、尺寸和要求
4.1凸缘的结构见图2,尺寸按表3。6
1HB8092-2002《凸缘》
标记示例:D=50mm的凸缘
1HB 8092 - 50
-i KAoNi KAa-
qUE-ei -aC-eC-ae-Cer aac-CEC-Neca-rrKAONnr KAcaHB8092-2002
HB8092-2002
导管外径
4.2技术要求如下:
一般公差:按HB5800-1999。
D, (H9)
-T KANi KAca-
qUE-ei-aC-eC-ae-Ccr aac-CEC-Neca-iiKAoNnr KAca单位为毫米
小提示:此标准内容仅展示完整标准里的部分截取内容,若需要完整标准请到上方自行免费下载完整标准文档。