首页 > 航空工业行业标准(HB) > HB 1821-2000 支脚轮
HB 1821-2000

基本信息

标准号: HB 1821-2000

中文名称:支脚轮

标准类别:航空工业行业标准(HB)

标准状态:现行

发布日期:2000-09-21

实施日期:2001-01-01

出版语种:简体中文

下载格式:.rar.pdf

下载大小:720533

标准分类号

中标分类号:航空、航天>>航空运输与地面设备>>V56机场地面服务系统及设备

关联标准

替代情况:HB 1821-1987

出版信息

标准价格:15.0 元

相关单位信息

标准简介

未出版 HB 1821-2000 支脚轮 HB1821-2000 标准下载解压密码:www.bzxz.net

标准图片预览

HB 1821-2000 支脚轮
HB 1821-2000 支脚轮
HB 1821-2000 支脚轮

标准内容

中华人民共和国航空行业标准
支脚轮
国防科学技术工业委员会2000-0920发布B型免费标准下载网bzxz
HB1821—2000
代替HB1821-1987
2001-01-01实施
HB1821-2000
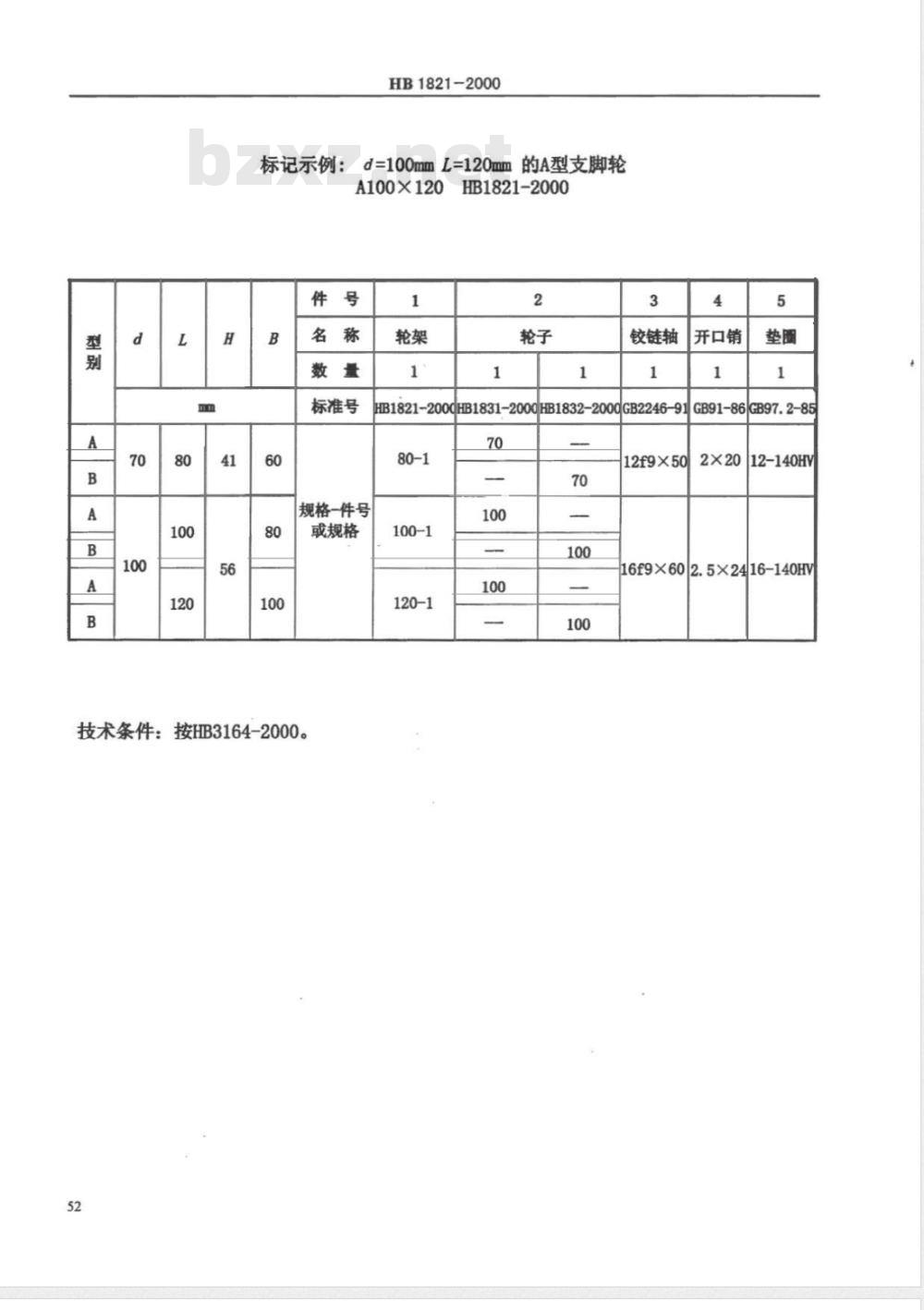
标记示例:d=100mmL=120mm的A型支脚轮A100X120HB1821-2000
标准号
规格-件号
或规格
技术条件:按HB3164-2000。
铰链轴
开口销
HB1821-2000HB1831-2000HB1832-2000GB2246-911GB91-86GB97.2-85
12f9X50
12-140HV
16f9X602.5×2416-140HV
规格一件号
HB1821-2000
1轮架
3×45%
D (H9)
料:Q235-A·F钢,按GB700-88。材
技术条件:按HB3164-2000。
标准号
HB1821-2000
6×50×75
6×68×83
6×60×80
6×80×100
6100×120
小提示:此标准内容仅展示完整标准里的部分截取内容,若需要完整标准请到上方自行免费下载完整标准文档。