首页 > 航空工业行业标准(HB) > HB 1848-2000 带套筒手轮
HB 1848-2000

基本信息

标准号: HB 1848-2000

中文名称:带套筒手轮

标准类别:航空工业行业标准(HB)

标准状态:现行

发布日期:2000-09-21

实施日期:2001-01-01

出版语种:简体中文

下载格式:.rar.pdf

下载大小:629405

相关标签: 套筒 手轮

标准分类号

中标分类号:航空、航天>>航空运输与地面设备>>V56机场地面服务系统及设备

关联标准

替代情况:HB 1848-1987

出版信息

标准价格:15.0 元

相关单位信息

标准简介

未出版 HB 1848-2000 带套筒手轮 HB1848-2000 标准下载解压密码:www.bzxz.net

标准图片预览

HB 1848-2000 带套筒手轮
HB 1848-2000 带套筒手轮
HB 1848-2000 带套筒手轮
HB 1848-2000 带套筒手轮

标准内容

中华人民共和国航空行业标准
飞机地面保障设备零组件
2000-09-20发布
国防科学技术工业委员会发布
2001-01-01实施
中华人民共和国航空行业标准
带套筒手轮
HB3144-2000
HB3145-2000
HB3146-2000
HB3143-2000
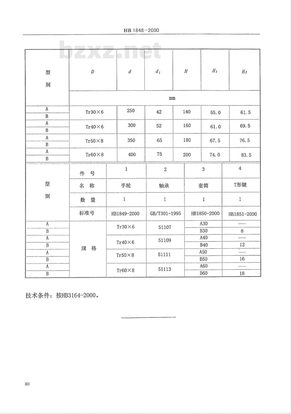
标记示例:D=Tr30×6的A型带套简手轮ATr30X6HB1848-2000
国防科学技术工业委员会2000一09一20发布A-A
HB1848-2000
代替HB1848-1987
2001-01-01实施
Tr30×6
Tr40×6
Tr50×8
Tr60×8
标准号
技术条件:按HB3164-2000。
HB1848-2000
HB1849-2000
Tr30×6
Tr40×6
Tr50×8
Tr60×8
GB/T301-1995
HB1850-2000
T形键
HB1851-2000
HB1801-2000
中华人民共和国航空行业标准此内容来自标准下载网
飞机地面保障设备零组件
中国航空综合技术研究所山版
(北京东外京顺路7号)
中国航空综合技术研究所印刷车间印刷北京1665信箱发行
版权专有不得翻印
开本880×12301/16印张17%字数586千字2009年2月第一版2009年2月第一次印刷印数1-100
书号:标301.2302定价178.00元
小提示:此标准内容仅展示完整标准里的部分截取内容,若需要完整标准请到上方自行免费下载完整标准文档。