首页 > 水产行业标准(SC) > SC/T 8037-1994 渔船空压机修理技术要求
SC/T 8037-1994

基本信息

标准号: SC/T 8037-1994

中文名称:渔船空压机修理技术要求

标准类别:水产行业标准(SC)

标准状态:现行

发布日期:1994-11-01

实施日期:1995-01-01

出版语种:简体中文

下载格式:.rar.pdf

下载大小:100935

相关标签: 渔船 修理 技术

标准分类号

中标分类号:>>>>R3 船舶>>船舶专用装备>>U33渔船专用装备

关联标准

替代情况:替代SC 37-79

出版信息

出版社:中国标准出版社

页数:4页

标准价格:8.0 元

出版日期:1995-01-01

相关单位信息

起草人:周余根、挥玉成、杨永刚

起草单位:上海渔轮厂

提出单位:全国渔船标准化技术委员会

发布部门:中华人民共和国农业部

标准简介

本标准规定了渔船用的1-0.34-30B 型空压机修理技术要求和试验规则等。本标准适用于渔船用的1-0.34-30B 型空压机修理和验收· SC/T 8037-1994 渔船空压机修理技术要求 SC/T8037-1994 标准下载解压密码:www.bzxz.net

标准图片预览

SC/T 8037-1994 渔船空压机修理技术要求
SC/T 8037-1994 渔船空压机修理技术要求
SC/T 8037-1994 渔船空压机修理技术要求
SC/T 8037-1994 渔船空压机修理技术要求

标准内容

中华人民共和国水产行业标准
渔船空压机修理技术要求
主题内容与适用范围
本标准规定了渔船用的 1-0:34B 型空压机修理技术要求和试验规则等。30
1.0.34B型空压机修理和验收。
本标准适用于渔船用的1
2主要零件修换标准
主要零件新装、修换值及使用极限见表1。表1
机身与左轴承盖
机身与右轴承盖
曲柄销与大小连杆轴承
大活塞与大活塞销
小活塞与小活塞销
大气缸与大活塞(裙部)
小气链与小活塞(糖部)
大活塞环搭口间隙
小活塞环搭口间隙
大活塞与活塞环平面
小活塞与活塞环平面
曲轴与滚珠轴承6208
曲柄销轴承轴向间隙
公称尺寸
配合性质
中华人民共和国农业部1994-11-01批准间隙
新装值
0. 03~ 0. 05
0.04~0. 07
0.05~0.08
0. 02~0. 05
0.02~0.05
0.08~0.13
0. 06~0.09
0. 18~~0. 25
0.16~0.22
0.03~0.05
0.03~0.05
0. 00 ~既 0. 01
0. 59~1. 2
SC/T 8037-94
代替SC37-79
修换值
可调整
使用极限
1995-01-01实施
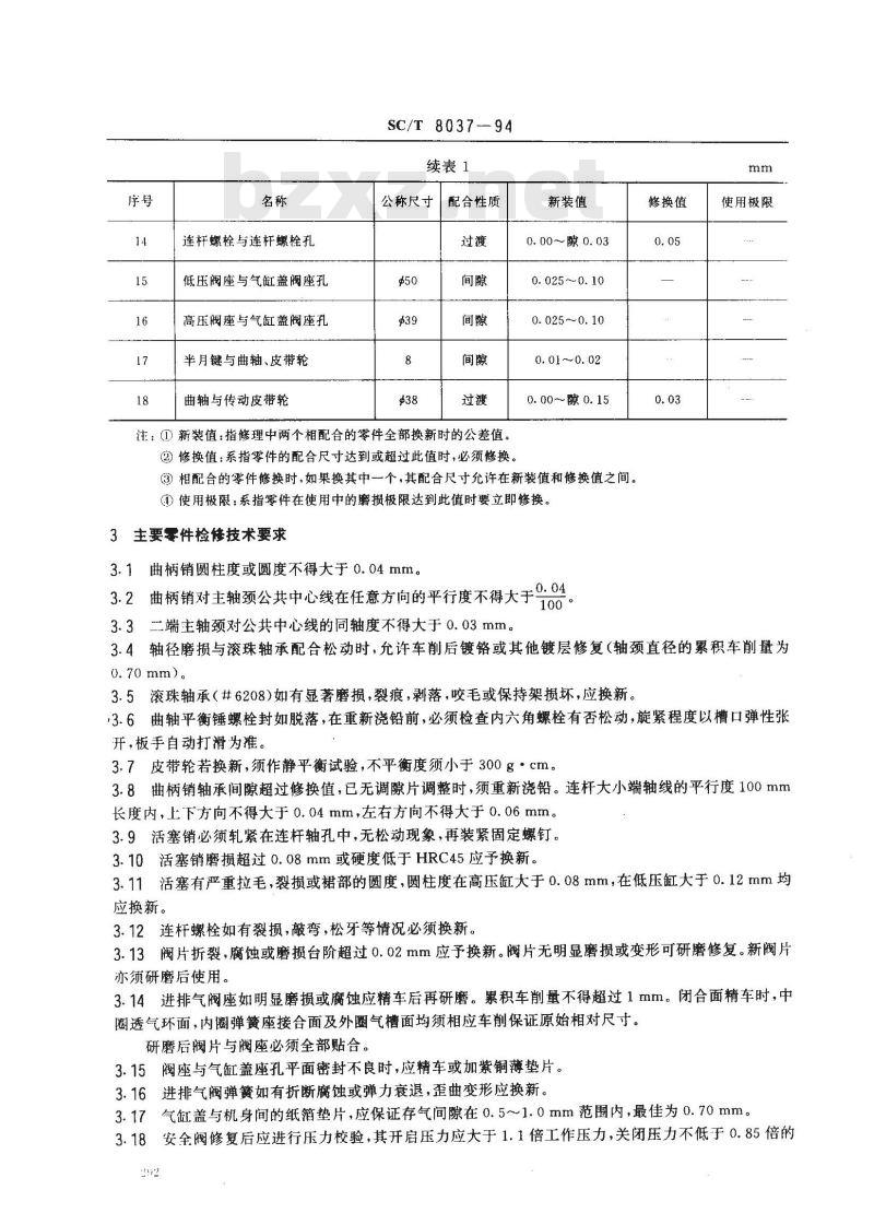
连杆螺栓与连杆螺栓孔
低压阀座与气缸盖阀座孔
高压阀座与气缸盖阀座孔
半月键与曲轴、皮带轮
曲轴与传动皮带轮
SC/T 8037--94
续表1
公称尺寸
「配合性质
注:①新装值:指修理中两个相配合的零件全部换新时的公差值。②修换值:系指零件的配合尺寸达到或超过此值时,必须修换。新装值
0. 00 ~~隙 0. 03
0.025~~0.10
0.025~0.10
0. 01 ~0. 02
0.00~~隙0.15
③相配合的零件修换时,如果换其中一个,其配合尺寸允许在新装值和修换值之间。①使用极限:系指零件在使用中的磨损极限达到此值时要立即修换。3主要零件检修技术要求
3.1曲柄销圆柱度或圆度不得大于0.04mm。3.2曲柄销对主轴颈公共中心线在任意方向的平行度不得大于%%。0.04
3.3二端主轴颈对公共中心线的同轴度不得大于0.03mm。修换值
使用极限
3.4轴径磨损与滚珠轴承配合松动时,允许车削后镀铬或其他镀层修复(轴颈直径的累积车削量为0. 70 mm)。
3.5滚珠轴承(#6208)如有显著磨损,裂痕,剥落,咬毛或保持架损坏,应换新。3.6曲轴平衡锤螺栓封如脱落,在重新浇铅前,必须检查内六角螺栓有否松动,旋紧程度以槽口弹性张开,板手自动打滑为准。
3.7皮带轮若换新,须作静平衡试验,不平衡度须小于300g·cm。3.8曲柄销轴承间隙超过修换值,已无调隙片调整时,须重新浇铅。连杆大小端轴线的平行度100mm长度内,上下方向不得大于0.04mm,左右方向不得大于0.06mm。3.9活塞销必须轧紧在连杆轴孔中,无松动现象,再装紧固定螺钉。3.10活塞销磨损超过0.08mm或硬度低于HRC45应予换新。3.11活塞有严重拉毛,裂损或裙部的圆度,圆柱度在高压缸大于0.08mm,在低压缸大于0.12mm均应换新。
3.12连杆螺栓如有裂损,敲弯,松牙等情况必须换新。3.13阀片折裂,腐蚀或磨损台阶超过0.02mm应子换新。阀片无明显磨损或变形可研磨修复。新阀片亦须研磨后使用。
3.14进排气阀座如明显磨损或腐蚀应精车后再研磨。累积车削量不得超过1mm。闭合面精车时,中圈透气环面,内圈弹簧座接合面及外圈气槽面均须相应车削保证原始相对尺寸。研磨后阀片与阀座必须全部贴合。3.15阀座与气缸盖座孔平面密封不良时,应精车或加紫铜薄垫片。3.16进排气阀弹簧如有折断腐蚀或弹力衰退,歪曲变形应换新。3.17气缸盖与机身间的纸箔垫片,应保证存气间隙在0.5~1.0mm范围内,最佳为0.70mm。3.18安全阀修复后应进行压力校验,其开启压力应大于1.1倍工作压力,关闭压力不低于0.85倍的22
SC/T 8037-94
工作压力,安全阀在工作压力下不应有泄漏。3.19自动控制阀修复后,应进行压力校验,气压2.94MPa时应能开启,在此压力以下不得漏气。控制阀升程为0.5mm。
3.20高压气缸圆度大于0.08mm,或圆柱度大于0.15mm,低压气缸圆度大于0.12mm,或圆柱度大于0.20mm,应修换。
3.21气缸内壁如明显拉毛应修换,3.22修复的空压机关闭放气阀,用手盘动应能发出有力的声响。4船上充气试验标准
充气试验标准见表2。
每组空气瓶充气数值,MPa
由0.7充至2.5
由 0.7充至 2. 5www.bzxz.net
单个空气瓶容积,m3
合格时间、h
空压机主要规格见表A1。
附加说明:
SC/T8037-94
附录A
B型空压机规格
(参考件)
高压气缸直径,mm
低压气缸直径,mm
活塞行程,mm
转速,r/min
额定压力,MPa
输气量,L/min
轴功率,kW(PS)
润滑方式
传动方式
存气间朦,mm
进排气阀片升程,mm
本标准由全国渔船标准化技术委员会提出。本标准由上海渔轮厂负责起草。本标准主要起草人周余根、辉玉成、杨永刚。291
双级,单动,立式风冷
飞溅润滑
皮带轮传动或电动
0.5~~1.0
小提示:此标准内容仅展示完整标准里的部分截取内容,若需要完整标准请到上方自行免费下载完整标准文档。