首页 > 水产行业标准(SC) > SC/T 8041-1994 渔船管系修理技术要求
SC/T 8041-1994

基本信息

标准号: SC/T 8041-1994

中文名称:渔船管系修理技术要求

标准类别:水产行业标准(SC)

标准状态:现行

发布日期:1994-11-01

实施日期:1995-01-01

出版语种:简体中文

下载格式:.rar.pdf

下载大小:84051

相关标签: 渔船 管系 修理 技术

标准分类号

中标分类号:公路、水路运输>>船舶维护与修理>>R32船用主辅机及管路附件维护修理

关联标准

替代情况:替代SC 41-79

出版信息

出版社:中国标准出版社

页数:4页

标准价格:8.0 元

出版日期:1995-01-01

相关单位信息

起草人:邹建民、周崇威

起草单位:宁波渔轮厂

提出单位:全国渔船标准化技术委员会

发布部门:中华人民共和国农业部

标准简介

本标准规定了钢质渔船管系修理、安装、试验的技术条件。本标准适用于钢质渔船,也适用于为渔业服务的辅助船。 SC/T 8041-1994 渔船管系修理技术要求 SC/T8041-1994 标准下载解压密码:www.bzxz.net

标准图片预览

SC/T 8041-1994 渔船管系修理技术要求
SC/T 8041-1994 渔船管系修理技术要求
SC/T 8041-1994 渔船管系修理技术要求
SC/T 8041-1994 渔船管系修理技术要求

标准内容

中华人民共和国水产行业标准
渔船管系修理技术要求
1主题内容与适用范围
本标准规定了钢质渔船管系修理、安装、试验的技术条件。本标准适用于钢质渔船,也适用于为渔业服务的辅助船。2引用标准
GB3032
船用管路附件的标志
GB3033月
船舶管路和识别符号的油漆颜色CB/Z98钢管、铜管、铝管的化学清洗CB*/Z324船舶管路附件修理技术条件CB1102.4船用液压系统通用技术条件清洗SC/T8077渔船管系试验方法
渔船管系制作和安装技术要求
SC/T 8089
3一般要求
SC/T 8041—94
代替 SC 41 -79
3.1管系修理应根据委方提交的修理工程项目,进行勘验,(必要时可先进行清洁工作)然后确定修换内容。
3.2管系附件修理应符合CB*/Z324的有关规定。3.3管路的油漆颜色和识别符号,应符合GB3033的规定。3.4管路附件的标志和识别涂漆,应符合GB3032的规定。3.5管路的清洗应分别按CB/Z98和CB1102.4的有关要求进行。3.6管子与法兰的焊接,对通径大于或等于32mm的中、高压管和通径大于或等于50mm的低压管子与法兰的焊接,应采用双面焊。通径小于32mm的中、高压管和通径小于g50mm的低压管子与法兰的焊接,可采用单面焊,其焊缝高度应等于或大于管壁厚度。3.7新增或换装的设备,需新换或增加的管路,其管子的制作和安装,应符合SC/T8089的有关规定。3.8修换的管路一般应按原位安装,对原布置不合理或安装检修有困难的管子,可作适当调整。3.9管系经修理后,应按SC/T8077作液压试验和密性试验。3.10液压管系经修理后,清洗应按CB1102.4进行。4管子修换原则
4.1蒸汽管、压缩空气管、热燃油管、加热盘管、液压油管、制冷剂管不允许补焊或局部割换。4.2管子腐蚀穿孔,其穿孔直径小于5mm,且管长每米穿孔不超过二处时,允许补焊修理,否则应予换新。
4.3管子表面局部腐蚀,其腐蚀面积沿管子横向截面的积累长度小于三分之一周长,或沿管子纵向截中华人民共和国农业部1994-11-01批准30-1
1995-01-01实施
SC/T8041-94
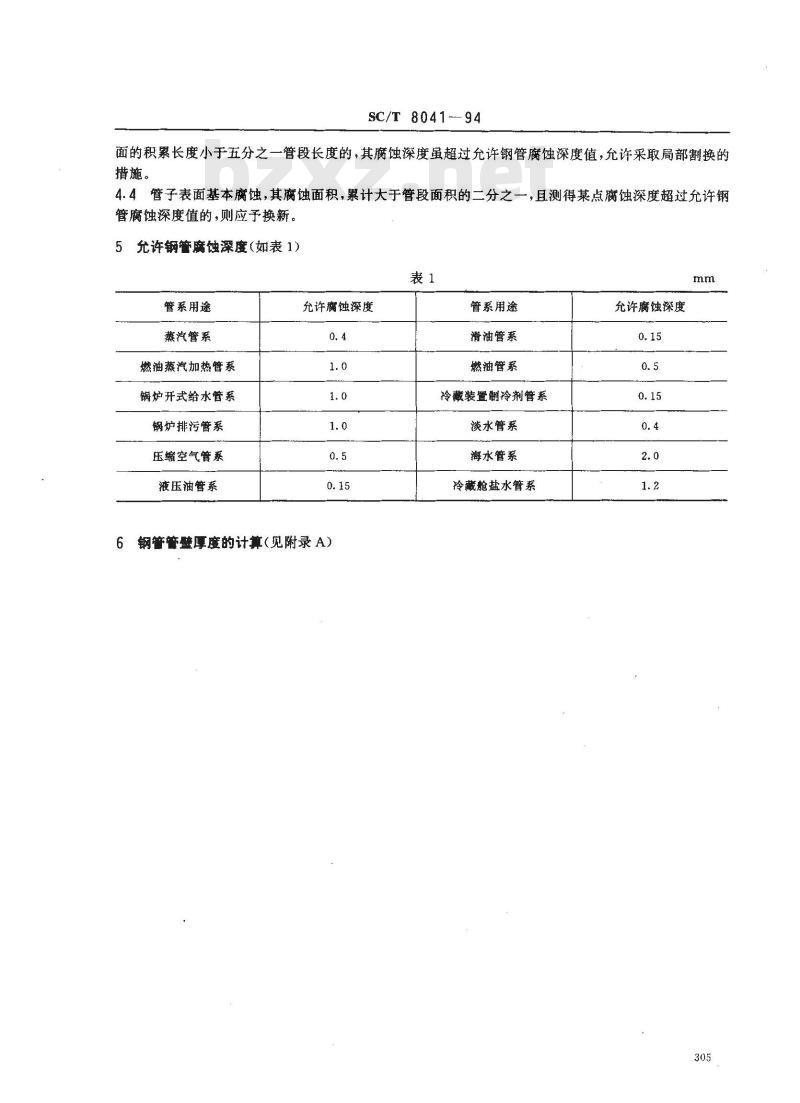
面的积累长度小于五分之一管段长度的,其腐蚀深度虽超过允许钢管腐蚀深度值,允许采取局部割换的措施。
4.4管子表面基本腐蚀,其腐蚀面积,累计大于管段面积的二分之一,且测得某点腐蚀深度超过允许钢管腐蚀深度值的,则应予换新。允许钢管腐蚀深度(如表1)
管系用途
蒸汽管系
燃油蒸汽加热管系
锅炉开式给水管系
锅炉排污管系
压缩空气管系
液压油管系
充许腐蚀深度
6钢管管壁厚度的计算(见附录A)管系用途
滑油管系免费标准bzxz.net
燃油管系
冷藏装置制冷剂管系
淡水管系
海水管系
冷藏舱盐水管系
允许腐蚀深度
SC/T 8041--94
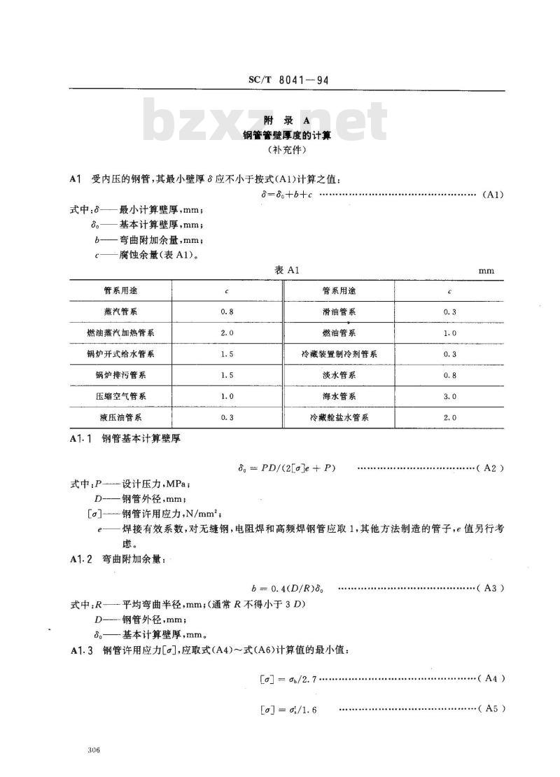
附录A
钢管管壁厚度的计算
(补充件)
A1受内压的钢管,其最小壁厚应不小于按式(A1)计算之值:d-8+b+c
式中:3—一最小计算壁厚,mm;。基本计算壁厚,mm;
b--—弯曲附加余量,mm;
一腐蚀余量(表A1)。
管系用途
蒸汽管系
燃油蒸汽加热管系
锅炉开式给水管系
锅炉排污管系
压缩空气管系
液压油管系
A1.1钢管基本计算壁厚
设计压力,MPa;
式中:P-
D--—钢管外径,mm;
-钢管许用应力,N/mm;
管系用途
滑油管系
燃油管系
冷藏装置制冷剂管系
淡水管系
海水管系
冷藏舱盐水管系
。= PD/(2[α]e → P)
焊接有效系数,对无缝钢,电阻焊和高频焊钢管应取1,其他方法制造的管子,e值另行考虑。
A1.2弯曲附加余量:
b 0. 4(D/R)。
式中:R平均弯曲半径,mm;(通常R不得小于3D)D--钢管外径,mm;
0。基本计算壁厚,mm。
A1.3钢管许用应力[g],应取式(A4)~式(A6)计算值的最小值:[α] - /2. 7.
[a] = o,/1. 6
琴中心
(A3)
....(A4)
SC/T8041-94
[a] = op/1. 6
式中:α—材料在常温下的最低抗拉强度,N/mm;d,—材料在设计温度下的最低届服强度或0.2%的条件屈服强度(α0.2),N/mm;oi~—材料在设计温度下100000h内产生破断的平均应力。附加说明:
本标由全国渔船标准化技术委员会提出。本标准由宁波渔轮厂负责起草。本标准主要起草人邬建民、周崇威。·(A6)
小提示:此标准内容仅展示完整标准里的部分截取内容,若需要完整标准请到上方自行免费下载完整标准文档。