首页 > 水产行业标准(SC) > SC/T 8048-1994 渔船船体修理技术要求
SC/T 8048-1994

基本信息

标准号: SC/T 8048-1994

中文名称:渔船船体修理技术要求

标准类别:水产行业标准(SC)

标准状态:现行

发布日期:1994-11-01

实施日期:1995-01-01

出版语种:简体中文

下载格式:.rar.pdf

下载大小:204355

相关标签: 渔船 船体 修理 技术

标准分类号

中标分类号:公路、水路运输>>船舶维护与修理>>R31船体与舾装维护修理

关联标准

替代情况:替代SC 48-79

出版信息

出版社:中国标准出版社

页数:5页

标准价格:8.0 元

出版日期:1995-01-01

相关单位信息

起草人:杜伟荣、曾容

起草单位:广州渔轮厂

提出单位:全国渔船标准化技术委员会

发布部门:中华人民共和国农业部

标准简介

本标准规定了渔船船体构件的蚀耗极限、修理精度、焊接质量、除锈油漆及木甲板、压载、敷料、附件检修和密性试验、下水等基本要求。本标准适用于渔船船体定期修理,渔业辅助船修理可参照执行。 SC/T 8048-1994 渔船船体修理技术要求 SC/T8048-1994 标准下载解压密码:www.bzxz.net

标准图片预览

SC/T 8048-1994 渔船船体修理技术要求
SC/T 8048-1994 渔船船体修理技术要求
SC/T 8048-1994 渔船船体修理技术要求
SC/T 8048-1994 渔船船体修理技术要求
SC/T 8048-1994 渔船船体修理技术要求

标准内容

中华人民共和国水产行业标准
渔船船体修理技术要求
1主题内容与适用范围
SC/T8048—94
代替 SC 48---79
本标准规定了渔船船体构件的蚀耗极限、修理精度、焊接质量、除锈油漆及木甲板、压载、敷料、附件检修和密性试验、下水等基本要求。本标准适用于渔船船体定期修理,渔业辅助船修理可参照执行。2引用标准
GB712船体用结构钢
CB*3177民用船舶钢焊缝射线照相和超声波检查规则SC/T8076渔船船体涂装技术要求SC/T8088渔船制冷系统效用试验技术要求SC/T 8122渔船栖性阳极安装技术要求SC/T8131渔船船体焊接外观质量要求3一般规定
3.1船体的修理应按原设计图样修复,若需改进应经船方和验船部门同意。3.2修船所用的材料应符合《钢质海洋渔船建造规范》和GB712的要求。材料代用时,需经验船部门同意。
3.3船壳板的换新长度不得小于两个肋距,并尽量避免焊缝的增加。3.4渔船上排(进坞)和船体构件在拆换修理时,应采取有效措施防止船体变形。3.5船体各构件的拆换不得损伤相连的其他构件。3.6船体构件因受外力产生的变形而影响到航行安全时,应予矫正修复,柱蚀耗允许采用焊补,并须消除焊接应力。
3.7凡装配覆盖隐蔽的构件(如护航材内部及各种复板等)必须去锈涂漆才能装配。3.8确定船体构件修理时,除根据测厚记录外,还须到现场察看构件腐蚀分布情况以确定修理方法和工程范围。
3.9腐蚀坑点直径在1550mm之间,部位比较分散,数量较少,一般可充许堆焊填补。堆焊前金属表面应清洁除锈,焊后表面应磨平,局部疤状腐蚀宽度大于50mm,深度达到原厚度的40%时,在年检时允许用挖补或复补修理,但到定期检修时,复补处应予换新。3.10渔船冷藏舱经局部修理后,应结合轮机按SC/T8088进行绝热效能试验,使鱼舱在规定时间内温升基本达到要求。
3.11上排(进坞)修理的渔船在上排前应作航行试验,经修理后的船舶的主要性能应基本恢复。3.12凡经改建增减及更动固定设备等导致重量、重心改变足以影响稳性时,施工前应按规范核算稳性,合格后方可施工,完工后作倾斜试验。中华人民共和国农业部1994-11-01批准1995-01-01实施
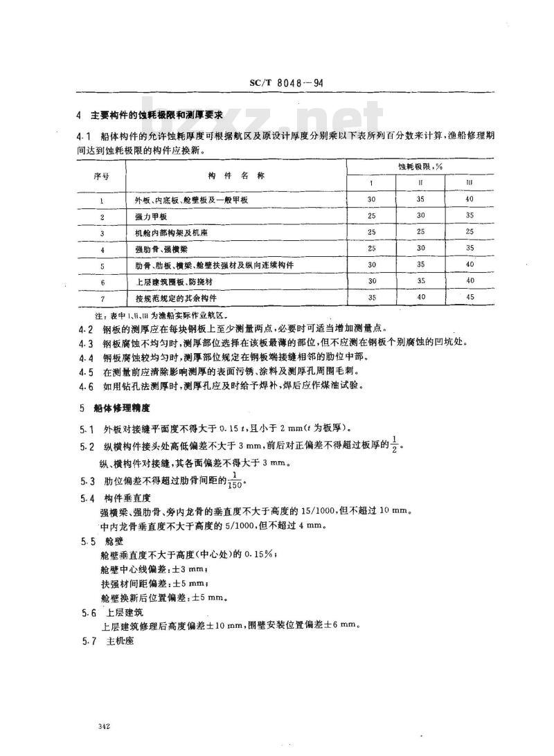
4主要构件的蚀耗极限和测厚要求SC/T 8048--94
4.1船体构件的允许蚀耗厚度可根据航区及原设计厚度分别乘以下表所列百分数来计算,渔船修理期间达到蚀耗极限的构件应换新,序号
构件名称
外板、内底板、舱壁板及一般甲板强力甲板
机舱内部构架及机座
强肋骨、强横梁
肋骨、肋板、横梁、舱壁扶强材及纵向连续构件上层建筑画板、防揽材
按规范规定的其余构件
注:表中1、1、Ⅲ为渔船实际作业航区。30
蚀耗极限,%
4.2钢板的测厚应在每块钢板上至少测量两点,必要时可适当增加测量点。4.3钢板腐蚀不均匀时,测厚部位选择在该板最薄的部位,但不应测在钢板个别腐蚀的凹坑处。4.4钢板腐蚀较均匀时,测厚部位规定在钢板端接缝相邻的肋位中部。4.5在测量前应清除影响测厚的表面污锈、涂料及测厚孔周围毛刺。4.6如用钻孔法测厚时,测厚孔应及时给予焊补,焊后应作煤油试验。5 船体修理精度
5.1外板对接缝平面度不得大于0.15t,且小于2mm(t为板厚)。5.2纵横构件接头处高低偏差不大于3mm,前后对正偏差不得超过板厚的号纵、横构件对接缝,其各面偏差不得大于3mm。5. 3助位偏差不得超过肋骨间距的1505.4构件垂直度
强横梁、强肋骨、旁内龙骨的垂直度不大于高度的15/1000,但不超过10mm。中内龙骨垂直度不大于高度的5/1000,但不超过4mm。5.5舱壁
舱壁垂直度不大于高度(中心处)的0.15%;舱壁中心线偏差:土3mm,
扶强材间距偏差:土5mm;
舱壁换新后位置偏差:士5rmm。5.6上层建筑Www.bzxZ.net
上层建筑修理后高度偏差土10mm,围壁安装位置偏差士6mm。5.7主机座
5.8变形量
面板宽度偏差
面板长度偏差
面板纵向挠度不超过
纵桁离轴中心距离偏差
面板高度偏差
面板与腹板垂直度不超过
四角永平
SC/T 8048--94
外板焊接后每一肋距间的凹凸度不得超过4mm;内底板焊接后每肋距间的凹凸度不得超过6mm;舱壁、甲板室围壁焊后在两扶强材间凹凸度不超过 6 mm。6焊接质量
6.1焊接坡口形式和装配间隙应符合原施工图的规定。+4.0mm
--2. 0 mm
3.0mm(不允许向内倾斜)
6.2在低温条件下焊接低合金钢构件或刚性大的构件时,应采取有效的预热和保温措施,低合金钢的焊接必须用与板材相应的碱性焊条进行。6.3主要构件对接焊。除采用双面成型的特殊焊接工艺外,一般均应有封底焊。在确无法进行封底焊时,可根据结构部位受力情况采用其他不封底的形式(如采用加垫板的形式)。但必须确保全厚度焊透,并避免焊缝处产生应力集中及裂纹。6.4用肘板连接的肋骨、横梁、扶强材端部的加强焊。在肘板范围内一面应为连续焊,另一面端部包角焊。长度应不少于骨材高度,且不少于75mm。6.5各种构件的切口、开孔(如流水孔、透气孔等)的两端应按下列长度进行包角焊。当板厚大于12mm时,包角焊长度不少于75mm;当板厚小于或等于12mm时,包角焊长度不少于50mm。6.6各种构件对接接头的两侧应有段对称的角焊缝,其长度不少于75mm。6.7角焊缝焊脚的蚀耗值大于建造规范规定的20%,对接缝蚀耗后小于板厚,必须用焊补方法进行修理,施焊前须把锈蚀部位铲刨干净,焊缝区出现裂纹应双面扣糟重焊。6.8船体结构的修理应避免将焊缝布置在应力集中处,构件中的平行焊缝应保持一定的距离,对接焊缝之间的平行距离应不少于100mm,且避免锐角相交。对接焊缝与角焊缝之间的平行距离不少于50mm。
6.9船体构件的焊缝表面质量应符合SC/T8131的要求。6.10经修理后的船体水线以下的焊缝和其他重要部位的对接缝,应按CB*3177和钢质海洋渔船建造规范的要求进行无损探伤检查。343
7船体去污、除锈、涂漆
SC/T8048-94
7.1船体构件去污除锈质量应达到构件表面平整光滑,板面呈灰白色。旧油漆层消除后,底漆附着良好的允许保留。
7.2船体涂漆按SC/T8076的要求进行。7.3喷涂油漆工程结束后,如出现返锈或漆膜层损坏时,应再次去污除锈,重新喷涂。8木甲板修理
8.1木甲板在装复前,被覆盖部位必须去污、除锈并清洁干净,喷涂防锈漆2~3度,木甲板与覆盖面之间应用填料嫩设密。
8.2木甲板的接缝应以棉花或油麻丝捻缝紧密,然后以桐油灰或沥青充填,如用氯酊橡胶等填料应有相应的施工工艺保证,捻缝深度不少于板厚≠,宽度为 4~6 mm。8.3紧固木甲板用的螺栓裸露部分均应藏入木材内10~15mm,然后用填料,木塞封填紧密,藏入木材内螺栓颈部应缠油麻丝及填料。8.4木甲板的装复不应存在高低不平等现象。8.5其他保护板的修理可按原样装复。9船体附件检修
9.1上排(进坞)修理时,全部防蚀锌板都应换新,换新后的锌板安装质量应符合SC/T8122的要求。9.2所有放水塞应拆下检查,更换垫圈,如有松动、锈蚀等应修复换新,修复后应有防、防止松动的覆盖措施。
9.3对通海阀箱进行检查,清洁箱体内框,更换防蚀锌板、格栅,螺钉蚀耗严重应换新并有防止脱落装置,箱体蚀耗达到极限应换新。经换新的通海阀箱应进行密性试验。9.4上排(进坞)修理渔船应对防浪阀拆检保养,以恢复阀门的启闭灵活和可靠。通路流畅。9.5对测深仪、探鱼仪等船底出口(包括导流帽)检查保养,蚀耗损坏应修复或换新,本体应保证其密性要求。
9.6对尾轴防护罩进行检查,如发现锈蚀变形应修复,蚀耗严重应换新。9.7对批龙骨进行检查,发现有折断、碰伤、变形和焊缝裂纹等现象应修复,蚀耗达原厚度30%应换新。
9.8对护材进行检查,发现本体凹陷严重、破裂、渗漏、蚀耗严重应修复或换新。·10压载、敷料及清水舱的修理
10.!固定压载物在船体修理中,如果不妨碍其他工程的施工,不得更动。10.2在勘验中如发现固定压载有龟裂、分离、移动或内部积水等现象,应拆开排除,并检查与保养隐蔽物件,然后按原有重量、规格和位置修复。10.3厨房、厕所、浴室及排水沟、露天设备等敷设水泥,覆盖瓷砖损坏时,应在原有基础上修复。10.4所有为固定压载或敷设水泥等复盖的板材构件,在修理时均应彻底去污、除锈、涂刷防锈漆2~3度后,方能敷填。
10.5压载舱、淡水舱及其他储水舱柜的水泥涂层,如发现龟裂、分离脱落锈蚀损坏应予修复。10.6清水舱柜应涂刷两度以上足够浓度的优质水泥浆(500号以上)每度涂刷相隔12h以上,水泥层应均勾,干燥后不得有分层及表面龟裂,凝固后应没水36h以上。344
11渔船船体密性试验
SC/T8048-94
11.1渔船修理完毕应进行密性试验,试验可根据船体结构强度和对密性不同要求,采用冲水、水压、充气、淋水、煤油或其他等效方法进行。11.2密性试验前,船体各部分与检视合格的焊缝应清除焊渣并打扫清洁,不应在水密焊缝处涂刷油漆、敷设绝缘材料或水泥等涂料。11.3试验时,若环境气温低于0℃,应采取相应的防冻措施。11.4试验方法和要求按钢质海洋渔船建造规范的规定进行。11.5进行密性试验时发现渗漏等缺陷,应子以修补,消除后再试验,直至合格为止。11.6密性试验后的舱室不应再进行焊接及火工矫正,若非得再进行此项作业时,完工后还须在施工部位重做密性试验。
修理渔船下水前必须具备下列条件12
主甲板以下船体焊缝已按规定进行检查,密性试验合格;船体水线以下的附件已装配焊接完毕,质量符合要求,船体外板的喷涂油漆工程已完成,舰吃水、载重水线标志漆写完毕,质量检查合格;锌板表面应无油漆及污物,
探鱼仪、测深仪等船底出口经检查符合要求;关闭并锁紧海底阀门,紧固船底放水塞,并经检查;所有导缆钳、带缆桩等已装焊完毕;舵叶固定在零位,
固定在船上所有活动物件,使之平衡分布,以防止事故发生。原船倾斜较大者,必须压以重物,使之下水时基本保持正浮状态;准备好锚或应急的各种钢索;
起锚机及锚、锚链应装妥;
渔船下水所有资料必须完整,并有主管人员、修理和检验三方面人员签署船舶下水单后,方能下水。
附加说明:
本标准由全国渔船标准化技术委员会提出。本标准由广州渔轮厂负责起草。本标准主要起草人杜伟荣、曾容。345
小提示:此标准内容仅展示完整标准里的部分截取内容,若需要完整标准请到上方自行免费下载完整标准文档。