首页 > 水产行业标准(SC) > SC/T 8051-1994 渔船300系列柴油机胀瓦式离合器修理技术要求
SC/T 8051-1994

基本信息

标准号: SC/T 8051-1994

中文名称:渔船300系列柴油机胀瓦式离合器修理技术要求

标准类别:水产行业标准(SC)

标准状态:现行

发布日期:1994-11-01

实施日期:1995-01-01

出版语种:简体中文

下载格式:.rar.pdf

下载大小:132160

相关标签: 渔船 柴油机 离合器 修理 技术

标准分类号

中标分类号:公路、水路运输>>船舶维护与修理>>R32船用主辅机及管路附件维护修理

关联标准

替代情况:替代SC 51-80

出版信息

出版社:中国标准出版社

页数:5页

标准价格:8.0 元

出版日期:1995-01-01

相关单位信息

起草人:张连登、朱志虎、周余根

起草单位:上海渔轮厂

提出单位:全国渔船标准化技术委员会

发布部门:中华人民共和国农业部

标准简介

本标准规定了渔船用300系列柴油机胀瓦式离合器及推力轴承的修理技术要求。本标准适用于渔船用300系列柴油机胀瓦式离合器及推力轴承修理后的质量验收。 SC/T 8051-1994 渔船300系列柴油机胀瓦式离合器修理技术要求 SC/T8051-1994 标准下载解压密码:www.bzxz.net

标准图片预览

SC/T 8051-1994 渔船300系列柴油机胀瓦式离合器修理技术要求
SC/T 8051-1994 渔船300系列柴油机胀瓦式离合器修理技术要求
SC/T 8051-1994 渔船300系列柴油机胀瓦式离合器修理技术要求
SC/T 8051-1994 渔船300系列柴油机胀瓦式离合器修理技术要求
SC/T 8051-1994 渔船300系列柴油机胀瓦式离合器修理技术要求

标准内容

中华人民共和国水产行业标准
渔船300系列柴油机
胀瓦式离合器修理技术要求
1主题内容与适用范围
SC/T 8051—94
代替SC51..80
本标准规定了渔船用300系列柴油机胀瓦式离合器及推力轴承的修理技术要求。本标准适用于渔船用300系列柴油机胀瓦式离合器及推力轴承修理后的质量验收。2主要零件的材料与配合间
2.1主要零件的材料按图样规定进行制造,在保证原设计技术要求的条件下,允许用其他材料代替,胀瓦式离合器及推力轴承简图见图1。2.2月
主要零件的配合应按表1规定。
部位代号
1316轴承与推力轴
支架与小轴
小轴与摇臂
销轴与顶力轴
顶力轴与摩擦块
销轴与摇臂
滑块与销轴
滑块与摇臂
摇臂与十字接头
活节螺栓与销轴
活节螺栓与拨叉架
拨叉架与长销
拨叉架与推力轴
拨叉架与操纵环
接叉架与操纵环
中华人民共和国农业部1994-11-01批准352
公称尺寸
配合性质
轴向间
轴向间麟www.bzxz.net
新装值
0. 015~0. 025
0.06~0.08
0.06~0.08
0. 06~~0. 08
0. 03~0. 05
0. 05~0. 08
0. 05~0. 08
0.03~0.05
0. 06~~0. 08
0. 06~0. 08
0. 40~~0.50
0. 02~ 0. 04
0.20~0.25
0.30~~0.40
0.50~0. 80
修换值
使用极限
1995-01-0.1实施
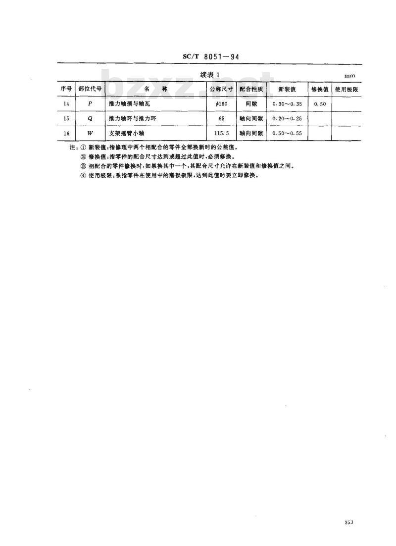
部位代号
推力轴颈与轴瓦
推力轴环与推力环
支架摇臂小轴
Sc/T8051—94
续表1
公称尺寸
注:①新装催指修理中两个相配合的零件全部换新时的公差值。②修换值:指零件的配合尺寸达到或超过此值时,必须修换。配合性质
轴向间
轴向间隙
新装值
0.30~0.35
0. 20~0. 25
0.50~0.55
③相配合的零件修换时,如果换其中一个,其配合尺寸允许在新装值和修换值之间。④使用极限,系指零件在使用中的康损极限,达到此值时要立即修换。修换值
使用极限
SC/T8051—94
3主要零件的修换要求
SC/T 8051—94
3.1推力轴(2)与离合器座(3)的锥形配合面的接触面积应大于整个配合面的70%,且六角大螺母与离合器座端面距离大于5mm(如图1所示)。3.2摩擦片(9)与飞轮结合面磨损起楞,划痕深度大于0.50mm达三条以上两者均应光车,并允许在摩擦片下面或摩擦块下面加垫片(如图3A处)摩擦片厚度不得小于6mrm。3.3摩擦片过热烧坏,碎裂应换新。新摩擦片外圆要与离合器整体光车(摩擦块在重车位置),飞轮内圆过盈0.20~0.25mm.
3.4拨叉架(13)与推力轴(2)如有局部拉毛现象允许修刮,推力轴划痕深度大于0.50mm并多于5处者轴光车;拨叉架内圆浇白合金或加装铜套。3.5摇臂(5)与小轴(20),十字接头(21)配合处,小轴与支架(4)配合处;销轴(6)与顶力轴(7)配合处(即图1中K、N、L、M配合处)磨损后,允许镶套修配。镶套厚度不得小于3mm。3.6销轴(6)与摇臂槽(5)磨损后,槽铣平,销轴换新。槽最大使用宽度为原设计的1.15倍。3.7推力块(17)白合金厚度小于2mm须重浇白合金。3.8轴瓦(19)磨耗过量,使贮油槽两边单边间隙超过0.40mm(如图2所示)或承压部位的白合金有明显裂纹、脱壳现象,须重浇白合金。推力轴
3.9推力轴承冷却水腔,水管做0.4MPa水压试验历时5min,不得有渗漏现象。3.101316轴承与推力轴配合松动,允许在轴上镶套。外座圈松动,可在飞轮上镶套,镶套厚度3~5mm。轴承有咬毛,剥落,起楞和转动阻滞者须换新。4装配技术要求
4.1离合机构总成装配后应灵活,不得有停滞现象。4.2摩擦块总成在离合器座(3)滑槽内要灵活,间隙不得大于0.10mm(如图3)。间不大于0.10
馨擦块
离合器康
SC/T 8051-94
4.3离合器与柴油机装合后,摩擦块与飞轮端面高低差应小于1mm,兰只摩擦块应逐个调紧,使之受力均匀--致。空车位置时摩擦块与飞轮最小间隙大于0.50mm。4.4推力轴承内滑油工作温度不得高于65℃。5操纵机构的修理
5.1操纵机构简图及装配间隙见图4。称
销轴与滑块问隙
滑块与揉纵杆衡隙
活塞卉与前压益间隙
活塞与油压缸间隙
活塞环与环携问院
活塞环在缸内之开口
压缩空用
控制阀来
1滑块;2销轴;3—操纵杆;4活塞杆;5-~-前压盖,6-活塞;7—-活塞环;8—油缸体;9.--油压缸5.2新油缸体(8)应进行1.8MPa水压试验,历时5min不得有渗漏现象。新装标准
0.08~0.10
0. 08 ~ 0.10
0. n3 ~ 0. 05
0. 04 ~ 0., 05
0.03-0.05
0.10~0.12
修换标准
5.3操纵机构修理后,油缸油面要加至规定位置,在1.2MPa 压缩空气作用下,油缸体到油缸的管系接头处不得有渗漏现象。
附加说明:
本标准由全国渔船标准化技术委员会提出。本标准由上海渔轮厂负起草。
本标准主要起草人张连登、朱志虎、周余根。356
小提示:此标准内容仅展示完整标准里的部分截取内容,若需要完整标准请到上方自行免费下载完整标准文档。