首页 > 水产行业标准(SC) > SC/T 8054.2-1998 渔船制冷系统修理技术要求 10系列船用活塞式压缩机修理
SC/T 8054.2-1998

基本信息

标准号: SC/T 8054.2-1998

中文名称:渔船制冷系统修理技术要求 10系列船用活塞式压缩机修理

标准类别:水产行业标准(SC)

标准状态:已作废

实施日期:2001-10-01

出版语种:简体中文

下载格式:.rar.pdf

下载大小:131291

相关标签: 渔船 制冷系统 修理 技术 船用 活塞式 压缩机

标准分类号

中标分类号:公路、水路运输>>船舶维护与修理>>R32船用主辅机及管路附件维护修理

关联标准

替代情况:SC 54.2-87

出版信息

页数:4页

标准价格:8.0 元

相关单位信息

标准简介

SC/T 8054.2-1998 渔船制冷系统修理技术要求 10系列船用活塞式压缩机修理 SC/T8054.2-1998 标准下载解压密码:www.bzxz.net

标准图片预览

SC/T 8054.2-1998 渔船制冷系统修理技术要求 10系列船用活塞式压缩机修理
SC/T 8054.2-1998 渔船制冷系统修理技术要求 10系列船用活塞式压缩机修理
SC/T 8054.2-1998 渔船制冷系统修理技术要求 10系列船用活塞式压缩机修理
SC/T 8054.2-1998 渔船制冷系统修理技术要求 10系列船用活塞式压缩机修理

标准内容

SC/T 8054. 2—1998
《渔船冷藏系统修理质量标准》于1980年由国家水产总局首次发布。1987年进行第一次修订,名称订为渔船氟利制冷系统修理技术要求》,内容变为三个分项标准,即:①试验要求;②10系列船用活塞式压缩机修理:③管路、辅助设备、绝热设施修理。本次修订对冷剂作特殊要求,部分内容做技术性改,名称修订为:渔船制冷系统修理技术要求》,仍保持三个分项标准的框架。本分项标准为《渔船制冷系统修理技术要求10系列船用活塞式压缩机修理》。本标准由全国渔船标准化技术委员会提出并归口。本标准起草单位:广州市海洋渔业公司、中国水产科学研究院质量标准化办公室。本标准主要起草人:卢谋权、冯兆廷、魏广东。94
中华人民共和国水产行业标准
渔船制冷系统修理技术要求
10系列船用活塞式压缩机修理
SC/T8054.2-1998
代替 SC 54.2-87
Technical reguirements for repairing of fishing vessel refrigeratiom system-Repairing of 10 series marine piston refrigerating compressor1范团
本标准规定了10系列船用活塞式制冷压缩机修理及安装技术要求。本标准适用于渔船10系列活塞式制冷压缩机修理、检验。2引用标准
下列标准所包含的条文,通过在本标准中引用面构成为本标准的条文。本标准出版时,所示版本均为有效,所有标准都会被修订,使用本标准的各方应探讨使用下列标准最新版本的可能性。SC/T8054.1—1998渔船制冷系统修理技术要求试验要求3—般规定
3.1检修中新配的零部件应符合原设计要求,允许采用代用件和代用材料。3.2制冷压缩机或其他部件修理后,应按SC/T8054.1试验要求进行试验。4主要技术依播
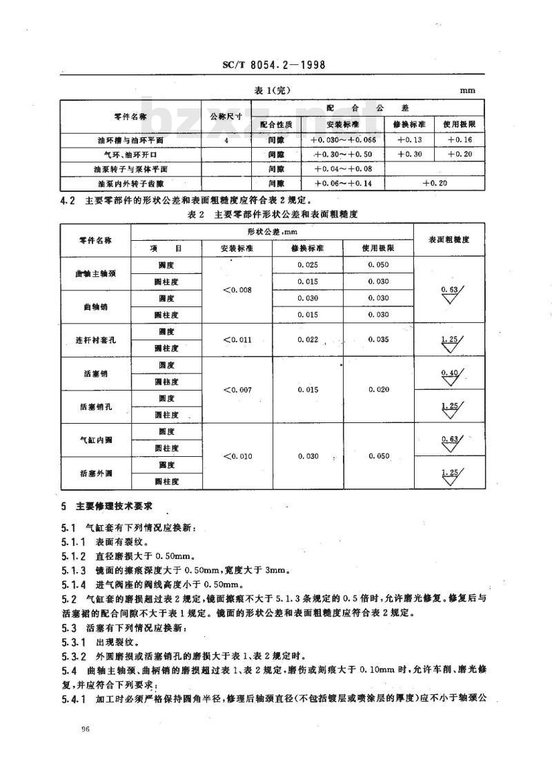
主要零部件配合公差应按表1规定。表1
季性名称
机体轴承座孔与轴承座外四
轴承座孔与主轴承外
主轴承妞主轴颈
连杆轴瓦与曲轴销
曲轴与主轴承平面
连杆小端孔与村套外
连杆对套与活塞销
活塞销孔与活塞销
气红套与活塞裙部
气环槽与气环平面
主要零部件配合公差
公称尺寸
中华人民共和国农业部1998-06-11批准配合性质
安装标雅
0.0~+0.075
- 0. 011~- + 0. 046
-+- 0. 03-~+0. 106
+0.03~+0.106
+0.75~+1.50
--0. 009~ - 0. 050
+0.018~+0,054
0. 018~+0, 023
+0.154~+0.263
+0. 020~+0. 060
整换标难
便用极限
1999-01-01实施
季件名称
油环槽与油环平面
气环、油环开口
油泵转子与泵体平面
油泵内外转子齿隙
SC/T 8054. 2--1998
表1完)
公称尺寸
配合性质
安装标准
+0. 030~+0. 066
++0.30~+0.50
+0. 04 ~~ +0. 08
+0. 06~+0. 14
主要零部件的形状公差和表面粗糙度应符合表2规定。4.2
表2主要零部件形状公差和表面粗髓度零件名称
出轴主轴颈
曲轴销
连杆衬套孔
活塞销
活塞销孔
气缸内园
活塞外圆
圆柱度
围柱度
圆柱度
圆柱度
圆柱度
圆柱度
5主要修理技术要求
5.1气缸套有下列情况应换新:
5.1.1表面有裂纹。
5.1.2直径磨损大于0.50mm。
形状公差.mm
安装标准此内容来自标准下载网
5.1.3镜面的擦痕深度大于0.50mm,宽度大于3mm。5.1.4进气阀座的阀线高度小于0.50mm。修换标准
修换标准
便用极限
表面粗糖度
使用极限
5.2气缸套的磨损超过表2规定,镜面擦痕不大于5.1.3条规定的0.5倍时,允许磨光修复。修复后与活塞裙的配合间隙不大于表1规定。镜面的形状公差和表面粗髓度应符合表2规定。5.3活塞有下列情况应换新:
5.3.1出现裂纹。
5.3.2外圆磨损或活塞销孔的磨摄大于表1、表2规定时。5.4曲轴主轴颈、曲柄销的磨摄超过表1、表2规定磨伤或刻痕大于0.10mm时,允许车削、磨光修复,并应符合下列要求:
5.4.1加工时必须严格保持圆角半径,修理后轴颈直径(不包括镀层或喷涂层的厚度)应不小于轴颈公96
称尺寸的95%。
SC/T 8054.2—1998
5.4.2曲柄销轴线对两主轴颈公共轴线的平行度公差应不大于0.03mm。5.4.3两主轴颈对公共轴线的圆动公差应不大于0.02mm。5.4.4主轴颈和曲柄销的形状公差和表面粗糙度应符合表2的规定。5.5曲轴的主轴颈、曲柄销、轴封、轴颈磨损后,允许用镀铬、金属粉末喷涂等工艺恢复,镀层或喷涂层必须与基体牢固结合,表面不应有脱壳剥落等现象,镀层厚度应不大于0.30mm,喷涂层厚度应不大于2.00mm,磨光后应符合5.4条规定。5.6主轴承合金表面有裂纹或磨损超过表1规定时应换新。5.7连杆、连杆螺栓,活塞销应结合定期检验进行磁力探伤,如有裂纹,应换新。连杆如磁力探伤有困难时,可用相等效力方法进行。
5.8连杆螺栓损坏或配合松弛应换新。5.9连杆村套有下列情况应换新:5.9.1裂纹。
5.9.2磨损超过表1、表2规定。
5.10连杆轴瓦若磨损、拉痕、裂纹和烧损应换新。1活塞销外圆磨损后,允许镀铬修复。磨削后的配合公差和形状公差应符合表1、表2规定。5.11
阀片和阀座不允许有裂纹或横越密封面的沟痕。阀片磨损超过0.15mm和阀片变形时应换新。5.14
换新阀片时,阀片和阀座均应进行研磨。气阀弹簧如有折断、弹力不足、歪曲变形情况时应换新。5.15
定期检验修复时,气阀弹簧应全部换新。5.17
更换气阀弹簧时,各弹簧的自由开度、弹力要均勾,如有折损或长度不足,不允许加垫使用。轴封漏油量每小时超过20滴时,应予修理。轴封磨摄面不应有伤痕、麻面和间断贴合痕迹等缺陷。5.19
轴封橡皮发胀或破裂应换新。
油泵内外转子齿间隙超过表1规定时应同时换新。6安装技术要求
6.1压缩机零部件在安装前应用氮气或干燥压缩空气吹污干燥,不应残留污物和冷冻油之外的其他油类。
6.2压缩机各主要零部件修理换新后,其安装间隙应符合表1规定,当摩擦副中两个零部件换新时,其安装间隙取标准的下限值。
6.3气缸套上的阀线经多次研磨或车削后,应调整活塞死隙,使其符合出厂说明书规定。6.4吸、排气阀片升程应符合出厂说明书规定。6.5卸载装置安装后,用人力推动卸载油活塞,进气阀片应能正常开启。6.6压缩机与原动机的联轴节,安装时径向位移偏差应不大于0.20mm,角度位移偏差不大于40°97
小提示:此标准内容仅展示完整标准里的部分截取内容,若需要完整标准请到上方自行免费下载完整标准文档。