首页 > 水产行业标准(SC) > SC/T 8054.3-1998 渔船制冷系统修理技术要求 管路、辅助设备和绝热设施修理
SC/T 8054.3-1998

基本信息

标准号: SC/T 8054.3-1998

中文名称:渔船制冷系统修理技术要求 管路、辅助设备和绝热设施修理

标准类别:水产行业标准(SC)

标准状态:已作废

实施日期:2001-10-01

出版语种:简体中文

下载格式:.rar.pdf

下载大小:175903

相关标签: 渔船 制冷系统 修理 技术 管路 辅助 设备 绝热 设施

标准分类号

中标分类号:公路、水路运输>>船舶维护与修理>>R32船用主辅机及管路附件维护修理

关联标准

替代情况:SC 54.3-87

出版信息

页数:5页

标准价格:8.0 元

相关单位信息

标准简介

SC/T 8054.3-1998 渔船制冷系统修理技术要求 管路、辅助设备和绝热设施修理 SC/T8054.3-1998 标准下载解压密码:www.bzxz.net

标准图片预览

SC/T 8054.3-1998 渔船制冷系统修理技术要求 管路、辅助设备和绝热设施修理
SC/T 8054.3-1998 渔船制冷系统修理技术要求 管路、辅助设备和绝热设施修理
SC/T 8054.3-1998 渔船制冷系统修理技术要求 管路、辅助设备和绝热设施修理
SC/T 8054.3-1998 渔船制冷系统修理技术要求 管路、辅助设备和绝热设施修理
SC/T 8054.3-1998 渔船制冷系统修理技术要求 管路、辅助设备和绝热设施修理

标准内容

SC/T8054.3—1998
《渔船羚藏系统糕理质量标准于1980年由国家水产总局首秋发布。1987年进行第一次静订,名称修订为渔船氧利昂制冷系统理技术要求》内容变为三个分项标准,即:①试验要求,②10系列船用活塞式压缩机修理:③营路,辅助设备,绝热设修理。本次魅订对冷剂作特殊要求,部分内容做技术性修改,名称修订为:实渔船制冷系统修理技术要求》,仍保持三个分项标准的架。本分项标准为渔船制冷系统修理技术要求管路,辅助设备和绝热设施修理》。本标准由全国渔船标准化技术委员会提出并妇口。本标准起草单位:广州市海洋渔业公司、中国水产科学研究院质量标准化办公室。本标准主要起草人:卢谋权,码兆廷,魏广东。98
中华人民共和国水产行业标准
渔船制冷系统修理技术要求管路、辅助设备和绝热设施修理
SC/T8054.3—1998
代替SC54.3—87
Technical requirements for repairing of fishing vessel refrigeration system-Repairing of piping,auxiliary and insulating installation范围
本标准规定了渔船氟利昂制冷系统的管路、辅助设备和绝热设施的修理技术要求。本标准适用于渔船氟利昂制冷系统的修理。2 引用标准
下列标准所包含的条文,通过在本标准中引用而构成为本标准的条文。本标准出版时,所示版本均为有效。所有标准都会被修订,使用本标准的各方应探讨使用下列标准最新版本的可能性。SC/T8054.1—1998渔船制冷系统修理技术要求试验要求SC/T8089—1994渔船管系制作和安装技术要求SC/T8086--1994制冷机组安装技术要求JB74180钢制焊接压力容器技术条件3一般规定
3.1修理中新配的零部件应符合原设计要求,允许采用代用件和代用材料。3.2管路和辅助设备的零部件经理后,按SC/T8054.1进行试验。4普路
4.1渔船定期检验修理时,应对管路中管壁腐蚀较大的管段测厚检查。管壁腐蚀程度超过管公称壁厚的20%时,应更换这段管。
4.2管出现表面裂纹,应换新。
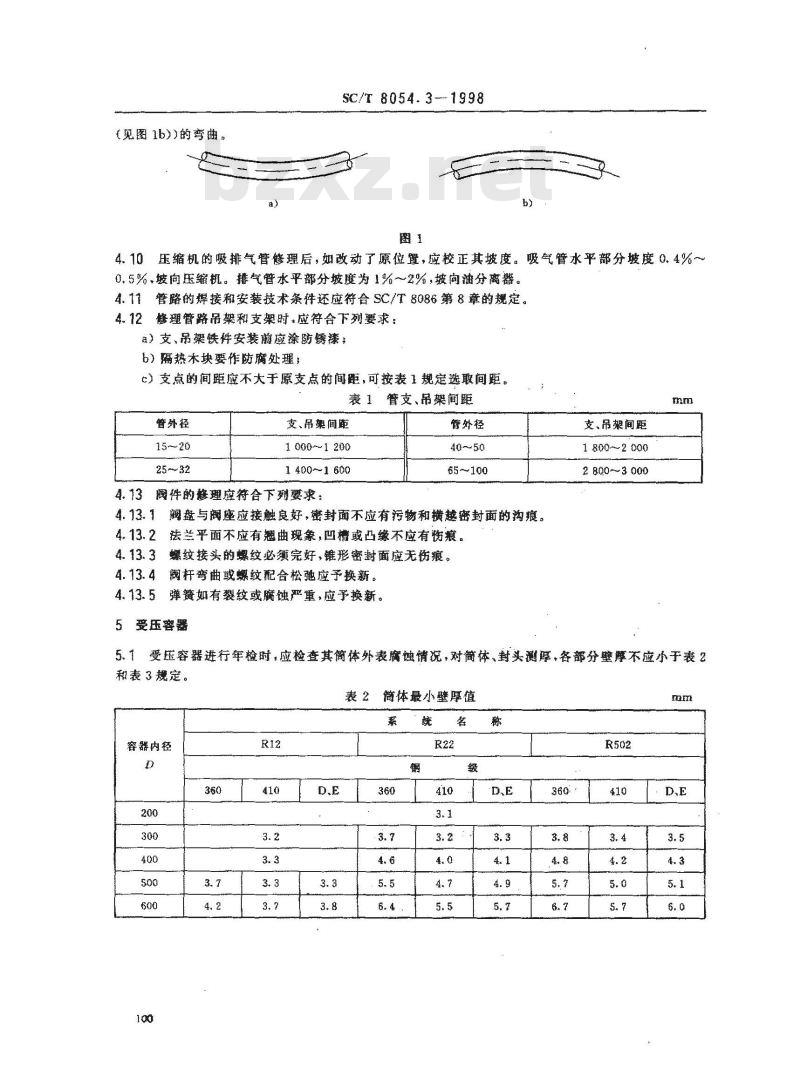
4.3制冷剂管路中的钢管割换管段时,应符合下列要求:4.3.1切断管应采用机械割管机或钢锯切割,切割后应清除管端毛刺和表面氧化皮后方可焊接。4.3.2新管与旧的连接除原有的法兰接头外,应用电焊对接,对接时,管口偏差应不大于0.25mm。4.3.3焊口的位置不应留在支架上或其他不易检修的地方。4.4管表面的针孔和焊缝裂纹可焊补修复,但同一部位的焊补不超过两饮。4.5管的弯制和管法兰的焊接应符合SC/T8089的要求。4.6管法兰焊接时,在点焊定位后,应将与法兰连接的阀件下方能施焊。4.7制冷剂管路在安装前应清洗于净,按SC/T8054.1吹污干燥。4.8管路中各种无缝钢管的新件外表面都应镀锌,旧件和焊接口除锈后,允许进行其他防腐处理。4.9管安装合理,吸气管的水平部分不应出现向下凹陷(见图1a))的弯曲,供液管不应出现向上凸起中华人民共和国农业部1998-06-11批准1999-01-01实施
(见图1b))的弯曲。
SC/T8054.31998
4.10压缩机的吸排气管修理后,如改动了原位置,应校正其坡度。吸气管水平部分坡度0.4%0.5%,坡向压缩机。排气管水平部分坡度为1%~~2%,坡向油分离器。年11管略的焊接机安装技术条件还施符合SC/T8086第8章的规定,4.12修理管路吊架和支架时,应符合下列要求:a)支、吊架铁件安装前应涂防锈漆b)热木块要作防腐处理;
c)支点的间距应不大于原支点的间距,可按表1规定选取间距。表1管支、吊架间距
管外径
25 ~ 32
支、吊架间距
1000~1200
1 400-1 600
阀件的修理度符合下列要求:
管处径
65~100
4.13.1润盘与阀密应接触度好,密封面不应有污物和横越密封面的沟痕。4.13.2法兰平面不应有翘曲现象,凹槽或凸缘不应有衡痕。4.13.3蝶纹接头的螺纹必须完好,锥形密封面应无伤痕。阀杆弯曲或螺纹配合松弛应子换新。4.13.4
4.13.5弹簧如有裂纹或腐蚀严重,应予换新。5受压容器
支、吊架间距
1 800--2 000
2 8003 000
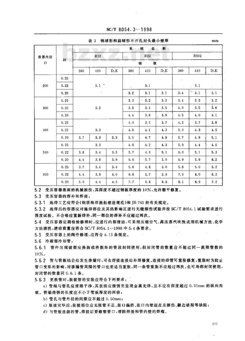
受压容器进行年检时,应检查其简体外表魔蚀情况,对简体,封头测厚,各部分摩不应小于表25.1
和表3规定。bzxZ.net
表2简体最小壁厚值
容器内径
容器内径
SC/T 8054.31998
表3钢球形和扁球形不开孔封头最小壁厚系
受压容器表面的机械损伤,其深度不超过钢板厚度的10%,充许磨平修复。5.2
5.3受压容器的焊补和焊接:
5.3.1施焊工艺应符合《钢质海洋渔船建造规范》和JB741的有关规定。R502
5.3.2施焊后的容器应对施焊部位及其热影响区进行无缝探操伤试验并按SC/T8054:1试验要求进行强度试验。不合格应重新焊补,问一一部位的焊补不应超过两次。5.4受压容器定期检验修理时,应进行内部清洁,可采用压缩空气,高压蒸汽吹洗或用机械方法,化学方法清洗,清洁质量应符合SC/T8054.1-1998中5.4条要求。5.5受压容器上的阀件修理,应符合4.13条规定。5.6冷凝器冷却管:
5.6.1管件出现破裂应换新或将损坏的管段封闭使用,但封闭管的数量应不超过同一流程管数的10%。
5.6.2管与管板结合处发生渗漏时,可在焊接连接处补焊修复。连接的焊替可重胀修复,重胀时为防止管口变形的影响,对渗漏管周围的管口也要适当重胀,同一条管重胀不应超过两次。也可局部封闭使用,封闭管的数量同5.6.1条。
5.6.3更换管时,胀接管的安装应符合下列要求:a)管端与管孔应清理干净,其表面应清锈至呈现金属光泽,且不应有深度超过0.01mm的纵向沟痕。管端清锈的长度应不小于管板厚度的两倍,b)管孔与管外径的间隙应不超过0.50mm;c)胀接完毕后,胀接部位应无胀管不足、胀口偏挤、胀口内壁起皮及擦伤、翻边破裂等缺陷;d)与管板连接的管,焊接后要修整管口,清除焊渣和管内壁的焊瘤。SC/T 8054.3-1998
5.7上述规定亦适用于中间冷却器、热交换器中换热管的修理。6自动控制设备和仪表
6.1定期检验修理时,应调试制冷系统自动控制设备中的压力控制元件和温度控制元件。6.1.1调试均应用标准仪表,标准压力表应有1.5级的精确度,标准温度计应为水银温度计,精确度应为十0.1℃。
6.1.2压力、温度控制元件应能在系统设计要求的数值范围内可靠动作。装船前应在车间调试并进行模拟试验,连续试验次数应不少于5次,动作不得失误。安上系统后,制冷效用试验需重新校核。6.2热力膨胀阀和温度控制元件的感温部分如有渗漏,应修补并重新充注感温工质,修理后进行调试。6.3自动控制阀(包括电磁阀、主阀、恒压阀、止回阀等):6.3.1电磁线圈连续工作温升不得大于60℃。6.3.2活塞与活塞套配合松驰,应电镀或喷涂修复。6.3.3弹簧变形或锈蚀严重应换新。6.3.4阅的修理按4.13条规定。
6.4安全阀:
6.4.1定期检验进行修理或安全阀发生渗漏时,应对安全阀进行修理。6.4.2弹簧变形或腐蚀严重应换新。6.4.3安全阀的理按4.13条规定。7绝热设施
绝热设施定期检验修理时,应检查绝热设施中的结构节点,绝热层及其覆盖层。7.1冷藏鱼舱和鱼品冻结舱的绝热结构检熊:7.1.1船体构件修理时应检查绝热结构。7.1.2绝热层的覆盖层破裂或毒烂时,应予换新,特殊情说下经验船部门同意可以加覆板修复,加摄板时不得破坏隔气层的气密,覆盖后应有可靠的防水措施。7.1.3隔气薄膜敷设前检查不得有穿孔破损。7.1.4绝热层材料破裂,葬烂或严重受潮,应予换新。7.1.5绝热封盖(包括绝热盖板、绝热舱口盖、绝热门)的防水包覆层和密封胶条应换新。7.2 绝热层的数设应符合下列要求7.2.1敷设前钢结构表面应清洁和干燥,并涂刷防锈涂料,油龄壁板上的涂层应是不透油的涂层。7.2.2数设时,绝热材料的接缝应贴紧,不得留有缝既。7.2.3聚苯乙烯泡沫塑料的旧件安装前应经干燥处理。7.3管路和辅助设备的绝热设施:7.3.1理时,应拆检全部绝热设施。7.3.2修理时,绝热层的覆盏层应全部换新。7.3.3绝热层的修理按7.1.4条和7.2条规定。102
小提示:此标准内容仅展示完整标准里的部分截取内容,若需要完整标准请到上方自行免费下载完整标准文档。