首页 > 水产行业标准(SC) > SC/T 8082-1994 渔船轴系校中技术要求
SC/T 8082-1994

基本信息

标准号: SC/T 8082-1994

中文名称:渔船轴系校中技术要求

标准类别:水产行业标准(SC)

标准状态:现行

发布日期:1994-11-01

实施日期:1995-01-01

出版语种:简体中文

下载格式:.rar.pdf

下载大小:57795

相关标签: 渔船 轴系 技术

标准分类号

中标分类号:>>>>U3 船舶>>船用主辅机>>U48轴系设备

关联标准

替代情况:替代SC 82-82

出版信息

出版社:中国标准出版社

页数:3页

标准价格:8.0 元

出版日期:1995-01-01

相关单位信息

起草人:挥玉成、戎中杰、封鸿钧

起草单位:上海渔轮厂

提出单位:全国渔船标准化技术委员会

发布部门:中华人民共和国农业部

标准简介

本标准规定了钢质渔船轴系校中的技术要求。本标准适用于钢质渔船轴系校中和验收。 SC/T 8082-1994 渔船轴系校中技术要求 SC/T8082-1994 标准下载解压密码:www.bzxz.net

标准图片预览

SC/T 8082-1994 渔船轴系校中技术要求
SC/T 8082-1994 渔船轴系校中技术要求
SC/T 8082-1994 渔船轴系校中技术要求

标准内容

中华人民共和国水产行业标准
渔船轴系校中技术要求
1主题内容与适用范围
本标准规定了钢质渔船轴系校中的技术要求。本标准适用于钢质渔船轴系校中和验收。2轴系校中条件与要求
SC/T 8082--94
代替SC82-82
2.1轴系校中需根据《1985钢质海洋渔船建造规范》要求进行校中计算结果进行。2.2轴系校中安装可以在具有足够刚性船台(排)干坞内或水上进行,再考虑船舶下水后船体变形对轴系中心线的影响最后应在水中复核。2.3轴系最终校中和交验时,船舶的排水量应不小于空载排水量的85%。主机在船上基本就位,各水舱压载应均匀(可以用压铁代替)。2.4轴系校中及检验时应避免在强阳光直接照射下进行,且在轴系区域及与相邻衔接区域应停止振动性作业及焊接作业。
2.5轴系校中前,曲轴最后一道曲拐的臂距差,应在允许范围内,离合器、齿轮箱推力轴安装应符合要求,以飞轮端面近外圆处装设量具,转动飞轮测推力轴,偏差不应超过0.1mm(上、下方向主机提高量应按说明书要求)。
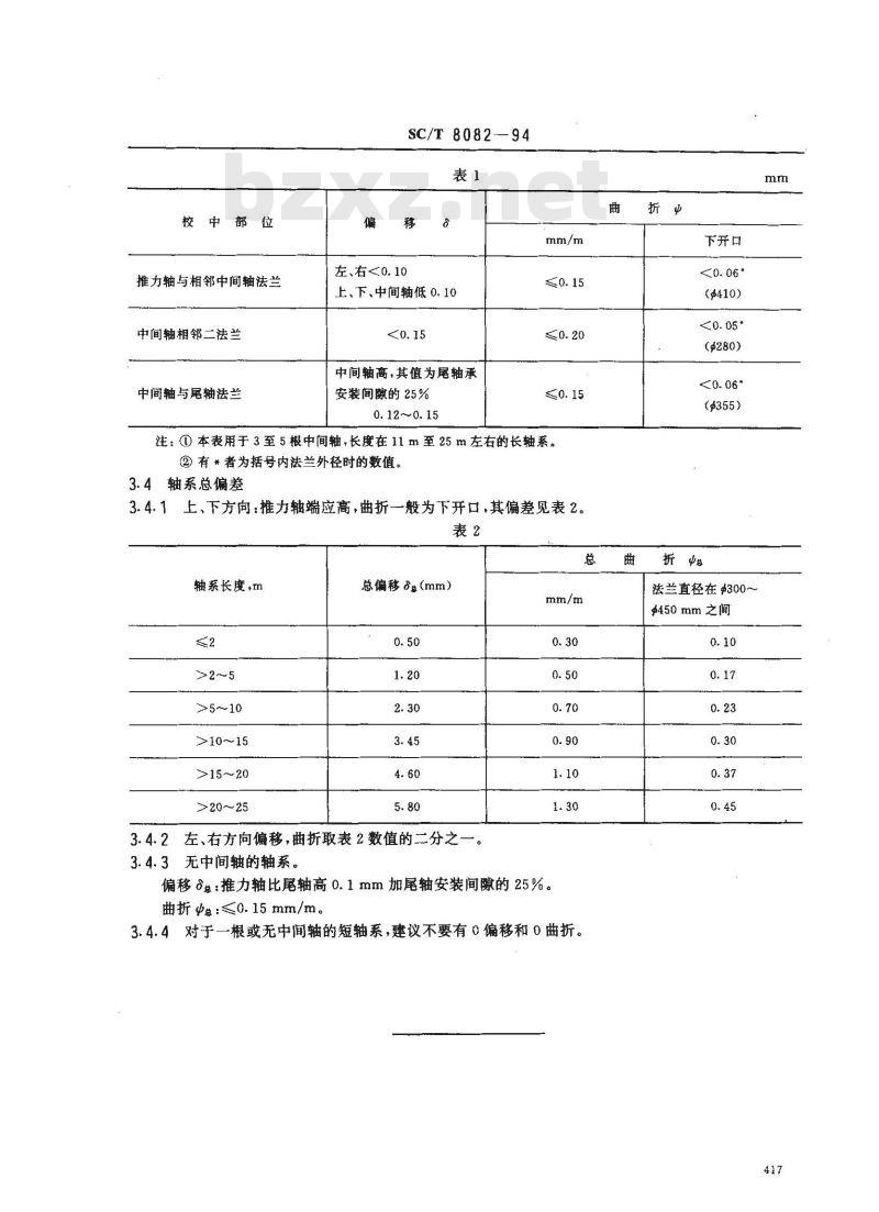
2.6轴系用拉线或照光定中,复校用平轴法,测出轴线总偏差。若小于表2的数值则为合格,如在实际运转中,个别中间轴承有发热现象则应调整中间轴承位置。3轴系校中验收要求
3.1用平轴法校中轴系,应增加临时支承。位置要合理选择,一般取0.18L~0.22L见下图。4
0.18 . 22
临时支承位置图此内容来自标准下载网
3.2二根或二根以上中间轴的长轴系,应将中间轴自推力轴端平至尾轴端,或者自尾端逐根平至推力轴端,求得轴系总偏差和总曲折值。3.3逐段平轴时各法兰校中偏差要求见表1。中华人民共和国农业部1994-11-01批准416
1995-01-01实施
校中部位
推力轴与相邻中间轴法兰
中间轴相邻二法兰
中间轴与尾轴法兰
SC/T 8082-94
左、右<0.10
上、下、中间轴低0.10
中间轴高,其值为尾轴承
安装间隙的 25%
0.12~0.15
注:①本表用于3至5根中间轴,长度在11m至25m左右的长轴系。②有*者为括号内法兰外径时的数值。3.4轴系总偏差
3.4.1上,下方向:推力轴端应高,曲折一般为下开口,其偏差见表2。表2
轴系长度,m
>2~5
>5~10
>10~15
>15~20
>20~25
总偏移(mm)
3.4.2左、右方向偏移,曲折取表2数值的二分之一。3.4.3无中间轴的轴系。
偏移2总:推力轴比尾轴高0.1mm加尾轴安装间隙的25%。曲折中总:≤0.15mm/m。
3.4.4对于一根或无中间轴的短轴系,建议不要有0偏移和0曲折。曲
下开口
(g410)
($280)
(#355)
折中总
法兰直径在 4300~
$450 mm之间
附加说明:
SC/T8082-94
本标准由全国渔船标准化技术委员会提出。本标准由上海渔轮厂负责起草,本标准主要起草人恽玉成、戎中杰、封鸿钧。418
小提示:此标准内容仅展示完整标准里的部分截取内容,若需要完整标准请到上方自行免费下载完整标准文档。