首页 > 水产行业标准(SC) > SC/T 8088-1994 渔船制冷系统效用试验技术要求
SC/T 8088-1994

基本信息

标准号: SC/T 8088-1994

中文名称:渔船制冷系统效用试验技术要求

标准类别:水产行业标准(SC)

标准状态:已作废

发布日期:1994-11-01

实施日期:1995-01-01

出版语种:简体中文

下载格式:.rar.pdf

下载大小:141124

相关标签: 渔船 制冷系统 效用 试验 技术

标准分类号

中标分类号:>>>>U3 船舶>>船用主辅机>>U47舱室辅机

关联标准

替代情况:SC 88-82

出版信息

页数:7页

标准价格:8.0 元

相关单位信息

标准简介

SC/T 8088-1994 渔船制冷系统效用试验技术要求 SC/T8088-1994 标准下载解压密码:www.bzxz.net

标准图片预览

SC/T 8088-1994 渔船制冷系统效用试验技术要求
SC/T 8088-1994 渔船制冷系统效用试验技术要求
SC/T 8088-1994 渔船制冷系统效用试验技术要求
SC/T 8088-1994 渔船制冷系统效用试验技术要求
SC/T 8088-1994 渔船制冷系统效用试验技术要求

标准内容

中华人民共和国水产行业标准
渔船制冷系统效用试验技术要求1主题内容与适用范围
本标准规定了渔船的制冷系统效用试验的技术要求。SC/T 8088-94
代替 SC 88—82
本标准适用于以氟利昂为制冷剂的直接蒸发式的新建渔船鱼货保冷冻结和冷藏系统的效用试验。2试验前要求
2.1效用试验应在各项密性试验结束后及低压回气管路包扎绝热材料后才能进行。2.2报警及自动保护设备的效用和可靠性,应经调试、检查、确认,测量仪表的准确性,应经校测,各压力表阀应全部开启。
2.3压缩机排出端、贮液器、冷凝器、中间冷却器及蒸发器的安全阀应调试好,其开启压力应不大于表1规定。
冷凝器及贴液器
2.4制冷剂应急演放管应畅通。
中间冷却器及蒸发器
2.5制冷机室和速冻间的通风机应做过1h的效用试验。2.6试验时鱼舱的密闭舱口盖、出入门及换气管、落水口液封槽应充足盐水。3制冷试验
3.1制冷试验在冷戴鱼舱空舱情况下进行。压缩机排出端
3.2开动全部制冷压缩机,使所有鱼舱从常温冷却到设计要求的最低温度,然后使压缩机继续制冷12h,但从制冷开始到试验结束的总时间应不少于24h。记录从压缩机开始制冷至舱内达到设计要求温度时所需的时间,并注意制冷压缩机、冷却水泵、冷风机以及它们的电动机的运转情况。试验时,下列各项参数应每小时记录1次:a.
制冷压缩机的转速、吸排气温度和压力。制冷压缩机滑油压力。
制冷压缩机电动机的转速、电流及电压。冷凝器冷却水进、出温度及压力。冷凝器的冷却水泵电动机的转速、电流及电压。冷藏鱼舱各测点温度。
外界大气温度及与冷藏鱼舱相邻舱室的温度。冷风器的空气进、出口温度、压力。教
冷风器风机电动机转速、电流及电压。中华人民共和国农业部1994-11-01批准1995-01-01实施
SC/T 8088--94
试验结束后,应检测各电动机及其控制设备的热态绝缘电阻,其值应不小于1Mα。3.3制冷试验结束后,工厂应整理试验数据,填写试验报告,报告格式见附录表A1及附录表A2。4首制冷藏渔冷藏装量热平衡试验4.1冷藏装置的热平衡试验,应在冷藏舱达到设计要求的最低温度,并消除绝热层等的潜在热量和使舱温经一段时间稳定后开始,热平衡试验时间为8h。4.2试验时,鱼舱温度应保持在设计要求的最低温度,如有减小则应不大于1℃。为了达到这一目的,可改变制冷机组的运转台数或转速,亦可使压缩机作间歇运行。凡进行上述每种改变时,均应准确记录其改变时间。所有上述改变均不得借助于自动调载或自动控制系统。4.3热平衡试验时,当压缩机、冷风机等的工作状况改变时应按3.2条所要求的项目进行测量记录,并且应每小时记录一次。
4.4试验结束后,工厂应进行热平衡计算及冷藏舱壁平均传热系数核算,平均传热系数计算公式如下:Q.
K= FAt
式中:K---平均传热系数,W/m2.C;Q。渗入热,W;
ZF冷藏鱼舱舱壁的面积,m\;
△t——舱壁内外的温度差,℃。冷藏鱼舱舱壁的实际平均传热系数值应等于或小于设计时的选用值。4.5试验结束后,工厂应整理试验数据,填写试验报告,报告的格式见附录表A2及附录表A3,并应附上热平衡计算书。
5冷藏鱼舱舱壁绝缘的绝热效能试验5.1在制冷试验或热平衡试验后,可接着进行绝缘的绝热效能试验。5.2试验时冷藏舱保持密封状态,制冷机停止工作,试验开始时舱温为设计要求的最低温度,试验时间为6h,每隔1h检查记录一次温度回升情况,经6h后的冷藏舱温度回升值应不大于表2的规定。表2
外界温度与冷藏舱温度的温差
冷藏舱温度回升值
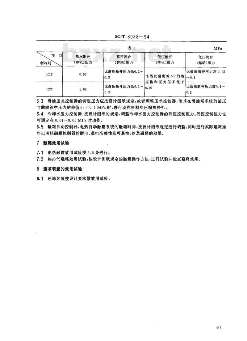
5.3对各冷蔽舱、冻结间进行外部检查,舱壁外面应无结霜现象,各蒸发盘管、冻结平板或盘管应全部结霜,霜层应薄而连续、均匀,不应有融霜现象。5.4试验结束后,由工厂填写试验报告,报告格式见附录表A3。6冷藏装置的自动控制器的调整及效用试验冷藏装置的各种自动控制器,其动作的温度或压力按下列规定调定,调妥后并作2~3次效用试验,以检查自动控制动作的准确性和可靠性。6.1温度控制开关应在各冷藏舱平均温度回升1℃时开,下降1℃时关。6.2制冷剂压力控制开关,压力控制开关的闭合和断开压力,应按设计图纸规定调定,各制冷剂可参照表3。
制冷剂www.bzxz.net
高压断开
(停机)压力
SC/T 8088--94
高压闭合
(起动)压力
比高压断开压力低0.2~
低压断开
(停机)压力
比蒸发温度低 5℃的相
应饱和压力但不低于
比高压断开压力低0.1~0.01
低压闭合
(起动)压力
比低压断开压力高0.05
比低压断开压力高0. 1~
6.3滑油压差控制器的调定压力应按设计图纸规定,或者调整压差控制器,使其在滑油泵系统的油压与曲轴箱中压力的差值小于0.1MPa时,进行动作使制冷压缩机停机。6.4冷却水压力控制器,按设计图纸的规定,调整冷却水压力控制器的低压控制压力。低压控制压力也可调定在0.01~0.05MPa时动作。6.5融霜自动控制器,电热自动融霜系统的融霜时间,按设计图纸规定进行调整。同时进行实际融霜操作以考核融霜控制器的断电、通电准确性及可靠性,以及融霜的效果。7酸霜效用试验
7.1电热融霜效用试验按6.5条进行。7.2热排气融籍效用试验,按设计图纸规定的融霜操作方法,进行试验并检查融霜效果。8速冻装量的效用试验
8.1速冻装置按设计要求做效用试验。447
辅机电动机试验记录表
SC/T 8088-94
附录A
试验报告及试验记录
(补充件)
辅机电动机试验记录表
电动机名称及规格
型号及出
厂编号
检查员
制造厂
试验日期
年〇月-
试验记录
额定电压额定电流额定功率额定转速起动电流工作电压工作电流V
A2制冷装置试验报告
试验项目
压缩机
表A2制冷装置试验报告
制冷压缩机
冷剂吸冷剂排
入压力出压力
绝缘电阻,Ma
腔制备注
火花等级
冷态热态
试验日期年月日
压缩机电动机
电压电流
冷藏鱼舱温度,℃
第1鱼舱
第2鱼舱
4平均
试验项目
检查员
冷却水
温度,℃
压力(进)
SC/T8088-94
续表A2
冷却水泵电动机
A3冷藏舱舱壁绝缘绝热数据试验报告电流
空气冷却器
温度,℃
表A3冷藏舱舱壁绝缘绝热效能试验报告船名
冷藏舱名称
检查员
附加说明:
试验开始大气温度
冷凝舱温度,℃
试验开始时
本标准由全国渔船标准化技术委员会提出。本标准由广州渔轮厂负责起草。本标准主要起草人罩水。
空冷风机电动机
试验日期
试验结束时
6 h 内舱温升高值
小提示:此标准内容仅展示完整标准里的部分截取内容,若需要完整标准请到上方自行免费下载完整标准文档。