首页 > 水产行业标准(SC) > SC/T 8093-1994 渔船主机前端轴系安装技术要求
SC/T 8093-1994

基本信息

标准号: SC/T 8093-1994

中文名称:渔船主机前端轴系安装技术要求

标准类别:水产行业标准(SC)

标准状态:现行

发布日期:1994-11-01

实施日期:1995-01-01

出版语种:简体中文

下载格式:.rar.pdf

下载大小:153092

相关标签: 渔船 主机 前端 轴系 安装 技术

标准分类号

中标分类号:>>>>U3 船舶>>船用主辅机>>U48轴系设备

关联标准

替代情况:替代SC 93-82

出版信息

出版社:中国标准出版社

页数:7页

标准价格:8.0 元

出版日期:1995-01-01

相关单位信息

起草人:梁炳球

起草单位:青岛海洋渔业公司渔轮修造厂

提出单位:全国渔船标准化技术委员会

发布部门:中华人民共和国农业郎

标准简介

本标准规定了渔船主机前端轴系的安装质量和试验要求。本标准适用于新建的钢质渔船,其他渔业辅助船舶可参照执行。 SC/T 8093-1994 渔船主机前端轴系安装技术要求 SC/T8093-1994 标准下载解压密码:www.bzxz.net

标准图片预览

SC/T 8093-1994 渔船主机前端轴系安装技术要求
SC/T 8093-1994 渔船主机前端轴系安装技术要求
SC/T 8093-1994 渔船主机前端轴系安装技术要求
SC/T 8093-1994 渔船主机前端轴系安装技术要求
SC/T 8093-1994 渔船主机前端轴系安装技术要求

标准内容

中华人民共和国水产行业标准
渔船主机前端轴系安装技术要求主题内容与适用范围
本标准规定了渔船主机前端轴系(简称前端轴系)的安装质量和试验要求。本标准适用于新建的钢质渔船,其他渔业辅助船舶可参照执行。2引用标准
SC/T8084轴系轴承及密封装置技术要求3一般安装技术要求
SC/T 8093—94
代替SC93—82
3.1前端轴系安装前的主要零、部件应符合有关标准及按规定程序批准的图样要求,并选取合理的装配技术要求的数值。
3.2轴端法兰连接螺栓、螺钉安装要求。3.2.1法兰连接紧配螺栓必须与螺孔均匀接触,接触面积在75%以上。接触面允许有不大的擦伤或伤痕,但不准有严重擦伤。
3.2.2螺栓或螺钉装配后的拧紧余量A(图1所示)应为5~10mm。螺钉及螺母的支撑面与法兰之间应紧密接触。在75%周长上插不进0.05mm塞尺。a
图1 轴端法兰连接
a—螺栓连接,b一螺钉连接
3.2.3螺钉或螺母拧紧后,为防止松动,必须加上可靠的防松装置。3.3法兰式圆锥孔可拆联轴器(图2)安装技术要求:中华人民共和国农业部1994-11-01批准464
1995-01-01实施
SC/T8093---94
图2法兰式圆锥孔可拆联轴器
3.3.1联轴器锥孔与轴锥体接触应良好,接触面积在75%以上,且每25×25mm2面积内,不得少于 3个接触点。用0.05mm塞尺检查锥体大端时,插入深度不超过5mm。接触面上允许存在1~~2处面积不大的空白区,但总面积不大于锥体面积15%,且不得分布在同一母线或圆周线上。3.3.2平键与轴键槽两侧面接触面积不少于75%,与联轴器键槽相配时,75%长度上应插不进0.05mm塞尺,其余部分应插不进0.10mm塞尺。平键与轴键槽底应接触。平键与联轴器键槽底不应接触,而应有0.20~0.40mm间隙。
3.3.3紧固螺母拧紧后,接触面90%周长上应插不进0.05mm塞尺,其接触面积不少于75%,并应加上可靠的防松装置。
3.3.4安装时如用法兰的平面或凸(凹)肩定位,则必须在锥孔刮配套装到轴上后再进行精加工。3.4法兰式圆柱孔可拆联轴器(图3)安装技术要求:图3法兰式圆柱孔可拆联轴器
3.4.1联轴器内孔与轴接触应良好,接触面积应不少于50%。在接触面上,允许有少量的擦伤或伤痕,但不准有严重擦伤。
3.4.2平键的装配技术要求与3.3.2相同。3.4.3联轴器装妥后,用0.05mm塞尺从两头检查,在90%周长上不得插入,个别地方允许插入,其插入深度不应超过 5 mm。
3.5滚动轴承的安装技术要求:
3.5.1滚动轴承在对开式轴承座时,当螺母拧紧后,轴承盖和轴承座的接合面应无间隙。外圈与轴承座两侧间为防止轴承卡紧应留出s=0.20~~0.50mm,h=10~15mm间隙(图4)。465
SC/T 8093-
图4滚动轴承
3.5.2轴承与轴肩应靠紧,垫圈必须平整,并应均匀地贴紧在轴承端面上。若用紧定衬套固定轴承时,当螺母拧紧后,内圜应不能轴向移动,并应锁紧止动挚圜。3.5.3装配轴承时,若用油加热,油温不超过100℃。3.5.4当轴承全部装妥、轴承座固定后,轴承转动应灵活,不得有卡紧停滞现象。3.6滑动轴承的安装技术要求:
3.6.1轴瓦与轴承座的接触面应贴紧,其接触面积在75%以上,每25×25mm2上其接触点应不少于3点。
3.6.2轴瓦下瓦与轴应均匀接触,中心线的两侧接触角应各为45°~60°(共90°~~120°,见图5),25×25mm2上,其接触点应不少于10点。图5滑动轴承
3.6.3轴瓦与轴的间隙必须符合有关要求。调整间隙增减垫片时,两边垫片的总厚度应相等。垫片不允许与轴接触,且离开轴瓦边缘不超过1mm。3.7三角皮带、传动安装技术要求:3.7.1三角皮带轮与轴的安装要求同第3.4条。3.7.2成对三角皮带轮安装时相互位置要求:被动轮的轮宽对称中心平面,对主动轮宽对称中心平面位置度见表1。在安装或测量时,允许以轮宽两平面为基准。
两轮中心距
位置度
>500~1 000
>1000~1500
3.7.3压紧轮的安装技术要求与皮带轮相同,且能满足调节要求。3.8绞纲机离合器安装技术要求:≥1 500~2 000
3.8.1绞纲机离合器主轴与轴线校中要求:左、右偏移应不大于0.05mm;上、下偏移,建议主轴轴线适当偏高,一般以0.15mm为宜。3.8.2绞纲机离合器装妥后,主轴应不能轴向移动。3.8.3绞纲机离合器的操纵器必须满足绞钢机离合器的离、合要求,离合器离、合后,操纵器都应有不166
小于5mm的余量。
SC/T 8093—94
3.9对垫块的技术要求按SC/T8084标准中对中间轴承垫块的要求执行。4前端轴系校中条件与要求
4.1前端轴系校中,安装可以在具有足够刚性的船台(排)、干坞内或水上进行。考虑船舶下水后船体变形对前端轴系中心线的影响,最后应在水上复核。4.2前端轴系校中、安装及交验,必须在主机安装及交验后进行。4.3前端轴系校中、安装应考虑和排除阳光照射所引起的影响。4.4前端轴系校中或交验期间,应停止敲打等振动性作业。4.5前端轴系校中无论用拉线、照光或平轴法,都应测出轴线总偏差,满足第5.4条要求,则被认为合格。如在实际运转中,个别轴承有过热现象,应做调整。5
轴系校中验收要求
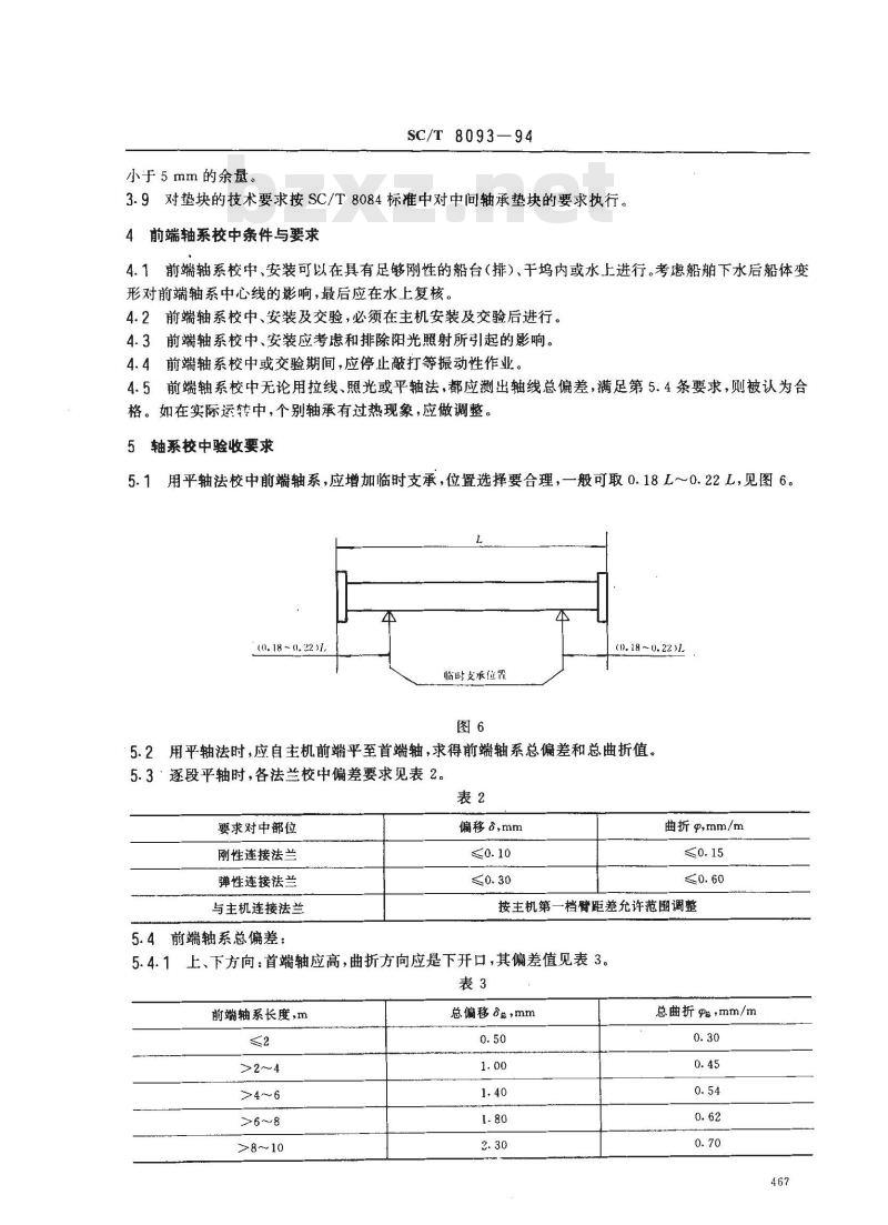
5.1用平轴法校中前端轴系,应增加临时支承,位置选择要合理,一般可取0.18L~0.22L,见图6。本
(0. 18 ~ 0, 22 )1.bzxZ.net
临时支承位置
(0. 18 ~ 0. 22)L
5.2用平轴法时,应自主机前端平至首端轴,求得前端轴系总偏差和总曲折值。5.3'逐段平轴时,各法兰校中偏差要求见表2。表2
要求对中部位
刚性连接法兰
弹性连接法兰
与主机连接法兰
5.4前端轴系总偏差:
偏移é,mm
曲折9,mm/m
按主机第一档臂距差允许范围调整5.4.1上、下方向:首端轴应高,曲折方向应是下开口,其偏差值见表3。表3
前端轴系长度,m
>2~4
>4~6
>6~8
>8~10
总偏移のa,mm
总曲折 9e,mm /m
SC/T 8093—94
5.4.2左、右方向偏移、曲折取表3数值的二分之一。6前端轴系安装技术要求
6.1前端轴系的各安装基座,必须牢固地焊接在船体结构上。6.2前端轴系的各底座与安装基座连接的地脚螺栓,应不少于2个紧配螺栓,或采用定位销,其定位销数量不少于2个,也允许采用定位螺钉。6.3前端轴系安装完毕,应不能限制主机曲轴的轴向移动。6.4前端轴系安装完毕后,主机曲轴第一档臂距差,必须符合有关标要求。7前端轴系试验要求
7.1前端轴系安装完毕后,应在主机、绞纲机及其他机械试验时作效用试验。7.2试验过程中,前端轴系及轴承工作应平稳,无异常的敲击、摩擦和振动。试验时,各轴承应无过热现象,其稳定温度不超过表4规定。表4
轴承种类
滚动轴承
滑动轴承
白合金
铜合金
7.3绞纲机离合器必须可靠、灵活。在主机额定转速下不允许跟转、发热,在绞纲机额定负荷下不允许打滑。
7.4试验完毕后,测量主机曲轴第一档臂距差,必须符合有关标准要求。附加说明:
本标准由全国渔船标准化技术委员会提出。本标准由青岛海洋渔业公司渔轮修造厂负责起草。本标准主要起草人梁炳球。
小提示:此标准内容仅展示完整标准里的部分截取内容,若需要完整标准请到上方自行免费下载完整标准文档。