首页 > 水产行业标准(SC) > SC/T 8094-1994 渔船电气设备安装技术要求
SC/T 8094-1994

基本信息

标准号: SC/T 8094-1994

中文名称:渔船电气设备安装技术要求

标准类别:水产行业标准(SC)

标准状态:现行

发布日期:1994-11-01

实施日期:1995-01-01

出版语种:简体中文

下载格式:.rar.pdf

下载大小:320028

相关标签: 渔船 电气设备 安装 技术

标准分类号

中标分类号:>>>>U3 船舶>>船舶电气、观通、导航设备>>U69船用电气安装件

关联标准

替代情况:替代SC 94-82;SC 95-82

出版信息

出版社:中国标准出版社

页数:11页

标准价格:12.0 元

出版日期:1995-01-01

相关单位信息

起草人:刘长蕴

起草单位:大连渔轮公司

提出单位:全国渔船标准化技术委员会

发布部门:中华人民共和国农业部

标准简介

本标准规定了电气设备的安装接地、电缆进线、芯线处理及接线工艺本标准适用于渔船及渔业辅助船的一般电气设备的安装不包括无线电设备、导航、助渔设备及其他特种设备的安装技术要求。 SC/T 8094-1994 渔船电气设备安装技术要求 SC/T8094-1994 标准下载解压密码:www.bzxz.net

标准图片预览

SC/T 8094-1994 渔船电气设备安装技术要求
SC/T 8094-1994 渔船电气设备安装技术要求
SC/T 8094-1994 渔船电气设备安装技术要求
SC/T 8094-1994 渔船电气设备安装技术要求
SC/T 8094-1994 渔船电气设备安装技术要求

标准内容

中华人民共和国水产行业标准
渔船电气设备安装技术要求
1主题内容与适用范围
本标准规定了电气设备的安装,接地、电缆进线、芯线处理及接线工艺,SC/T 8094-94
代替cC %- 2
本标准适用于渔船及渔业辅助船的一般电气设备的安装,不包括无线电设备、导航、助渔设备及其他特种设备的安装技术要求。
2引用标准
CB”325灯架、灯座及其附件
CB326电气设备支架
CB381进线托线板
CB*391接地跨接片
CB393避雷针
CB*394冷压电缆接头
SC57机动渔船号灯、号型配置
SC58机动渔船灯枪
3总则
3.1按照设备配套明细表或施工图样(布置图、装配图)核对设备及保护元件的型号、规格及整定值,所有电气设备均应有出厂合格证,并有经验船部门签发的船用产品证书。3.2按照配套瑚细表或有关图样装好设备的识别铭牌,对具有内部接线的设备,应在设备内贴有耐久的原理线路图和接线图
3.3“对航行灯、强光灯、电风扇等使用插接电源的电气设备,应预先接好外接电源及插头。4设备安装的工艺要求
4.1设备的安装应考虑安全可靠并便于安装、维修,使用场所应有足够的照明和良好的通风条件。4.2设备的安装不应破坏舱壁或甲板原有的防护性能及强度,在水密的舱壁和甲板上不应钻孔以螺钉紧固电气设备。
4.3电气设备不应直接安装在船外板上。4.4在易燃易爆舱室如蓄电施室、油漆间等不准安装非防爆电气设备,在蒸气易于积聚的地方,除该处必须的防水设备外,不应安装其他电气设备。4.5舱室的封闭板内不应安装电气设备,但线路的分支接线盒(箱)可装在便于开启的封闭板内,并应有明显的开启标志。
4.6油舱、油柜外壁表面不得安装电气设备。若必须安装时,电气设备与上述舱壁表面之间至少应有50 mm的距离。但工作时产生高蕴的电气设备严禁安装。4.7调节电阻、起动电阻、充电电阻、电热器具以及其他工作时产生高温的电气设备的安装,应尽量远中华人民共和国农业部1994-11-01批准1995-01-01实施
SC/T 8094--94
离木质隔板等易燃物体。如果不可避免,中间应做绝热处理。当设备外壳温度超过80C时,人能触及的地方应加防护网。
4.8安装场所如有剧烈振动,足以影响设备正常、可靠工作时,应设减震器。4.9露天甲板上安装的电气设备,应保证水密性,并配有防护罩。4.10设备的安装应是可拆卸的,其紧固及连接应牢固,并有防止受振动而松脱的装置。设备的安装应整齐,无歪斜现象。
4.11电缆线芯的接线端头,应设有清晰耐久的标记,该标记应与设备的接线柱及电路图标记相一致。5电气设备的安装
5.1电机
5.1.1发电机组的安装,其转轴应与船舶首尾线平行。其他卧式电机的转轴应尽量与首尾线平行,立式电机的转轴应与船舶水线平面垂直。5.1.2电机的安装部位应留有足够空间,以便拆装、检查及维修。5.1.3电机与拖动机械应装有共同的底座。5.1.4电机的联轴器及皮带或链轮传动部分,必须装有可拆的罩壳,以防外界偶然触及传动部分。5.2主配电板
5.2.1配电板的前后应留有足够宽度的通道,其前面通道的宽度应至少为800mm,后面通道宽度至少为500mm,但对板后没有电气设备及在板前可进行观察和检修时板后可不留通道。5.2.2主配电板前后应铺有防滑和耐油的绝缘橡胶垫或木格栅。5.2.3主配电板的后面和正上方不应装有水,油及蒸气管,如不能避免时,则管子不应有可拆的管接头,而油柜及其他液体容器则不能在上述区域安装。5.2.4主配电板应装在具有封闭板的底座上,引人电缆筒应不影响舱室防火或水密性能的完整性。5.2.5主配电板后面或附近应有固定的原理线路图,以供查阅。5.3控制设备
5.3.1壁式安装起动器及分配电箱的高度,其下沿离甲板或花铁板为1.2m左右,相邻安装的设备其箱体应尽量对齐。
5.3.2电机的起动器、主令控制器或控制按钮盒,应尽量安装在电机附近,以便操作。5.3.3控制设备的安装,接线应使其操纵手轮或手柄沿顺时针方向时,为“转速增加”,“上升”,“起锚”,“收缆”;反之,为“转速减少”“下降”“抛锚”,“放缆”等。控制电器的操纵手柄向前移动时为\抛锚”,“放缆”,“下降”;反之为“起锚”,“收缆”,“上升”。5.3.4室内甲板上立式安装的主令控制器或操纵台,其底部应设有底座,底座可采用木垫,并在木垫或甲板之间涂以厚白漆封闭。
露天甲板上安装该类设备时,则应设有金属底座,其高度不应低于100mm,并在设备与底座之间垫以厚度不小于5mm的橡胶,以保证水密。5.3.5主令控制器的安装应考虑其手柄操作的方便。手柄转轴至地面的高度为1m左右。5.3.6两台或两台以上相同的起动器及电机,如相邻安装时,应按统一规定的方向,自左至右(或自上而下)按设计代号的序号顺序排列。5.4蓄电池
5.4.1充电功率大于2kW的蓄电池组应安装在专用舱室内,充电功率小于2kW的蓄电池组可安放在专用箱或柜中,在机舱内若条件不许可,则可以开安放在通风良好的地方。5.4.2置放蓄电池的箱或柜(架)及敬开安装蓄电池的场所附近,不应有排气管、蒸汽管等各种热源或产生火花的设备。
5.4.3蓄电池的安装应便于检测、加液,周围清洁,更换方便,空气流畅。上下层蓄电池之间应留有不小170
SC/T 8094--94
于400mm的空间,每只蓄电池四周应留有不小于20mm的空隙。蓄电池的一般安装高度,即电池液孔塞至甲板的距离不应大于1.4m,否则应设有踏板以便操作。5.4.4蕃电池之间的空隙应用不吸潮,耐电解液腐蚀的绝缘材料楔隔、衬垫或加固。蓄电池箱和柜底部应以耐腐蚀材料制成的托盘加以衬垫,托盘的四周高度应不小于45mm,托盘不应漏液。5.4.5蓄电池箱或柜应有独立的自然通风装置,其出风口设在上方,进风口设在下方。进出风口在布置上一般设在箱或柜对角线的两端。在结构上应设有挡板或弯头,以防止水和火星进人。5.4.6蓄电池室的门和专用箱、柜外面应有“禁止烟火”的标志。5.4.7蓄电池接线结束后,所有接线柱应用凡士林油脂涂封.以防止腐蚀,5.5舱室照明灯真
5.5.1舱室具有两个分路供电的舱室照明灯具,应交叉或间隔布置,保证当一路供电出现故障时,舱室仍保持有一定的照度。
5.5.2舱室照明灯具的安装-一般应设有灯架或灯座,灯架或灯座的类型,尺寸及安装型式见CB*325。5.5.3安装在渔舱、外通道及其他易受机械损伤处所的灯具应有坚固的保护罩。5.5.4应急照明或带有应急照明的灯具,其外壳应涂红色标志。5.5.5床头灯的安装位置,-~般为高于床铺板500mm,距床头(一般以靠近船首或船中的一端为床买)300mm的侧壁上或顶头中间。5.5.6镜灯及壁灯的一般安装高度:壁灯,距地面1700mm;镜灯,在镜子上方20~100mm。5.5.7直接固定在木板或其他易燃材料上的白炽蓬顶灯,其安装板(在灯具的底部)上应开孔,以利通风散热,并应采取防火隔热措施。5.6强光灯(泛光灯),探照灯(聚光灯)及航行信号灯。5.6.1强光灯及探照灯的安装应设有专用灯架或底座,并便于操纵,应保证其可动部分在工作需要的照射范圈内转动荧活,光线不受阻碍,调节设备在驾驶室内安装时应保证水密。5.6.2信号灯的电键位置,应设在驾驶室内两侧的前沿,其安装高度应便于操纵。一般距甲板1m左右。
5.6.3航行灯、信号灯的安装位置、高度及要求应符合《海船信号设备规范》1984及SC57、SC58.1~58.3有关规定。
5.7照明附具
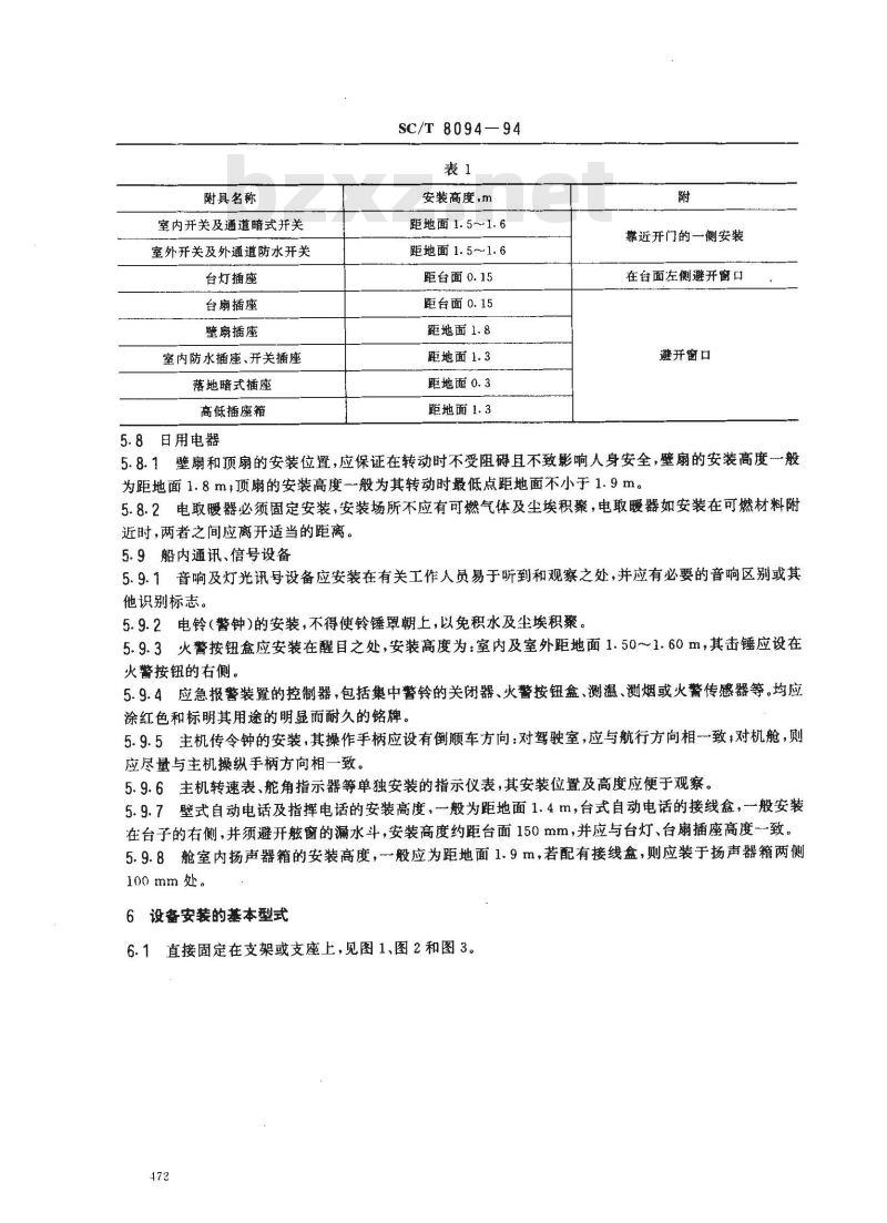
5.7.1油漆间、蓄电池室须安装防爆灯,开关设在室外,冷藏舱照明灯应采用36V以下的安全电压等级,并应设有报警水密开关(或按钮盒)。5.7.2暗式照明开关的安装,其板柄方向应一致,板柄向上为接通,板柄向下为断开。5.7.3非水密插座的安装位置,应避免设在窗口下方,防水插座及开关插座不应垂直安装,插口方向应尽量向右,壁式安装的非防水插座的电源孔应为水平方向,接地孔应在电源孔的上方。5.7.4不同电源种类(交、直流)及不同电压等级的插座,应采用不同结构插座,且应有标明电源种类,电压等级的明显、耐久的标记。5.7.5分路接线盒外面,应设有与图纸相一致的明显而耐久的代号标志。5.7.6照明附具的安装高度一般应按表1规定。471
附具名称
室内开关及通道暗式开关
室外开关及外通道防水开关
台灯插座
台扇插座
壁扇插座
室内防水插座、开关插座
落地暗式插座
高低插座箱
SC/T 8094—94
安装高度,m
距地面1.5~1. 6
距地面 1. 5~~1. 6
距台面0.15
距台面0.15
距地面1.8
距地面1.3
距地面0.3
距地面1.3
靠近开门的一侧安装
在台面左侧避开窗口
避开窗口
5.8日用电器
5.8.1壁扇和顶扇的安装位置,应保证在转动时不受阻碍且不致影响人身安全,壁扇的安装高度一般为距地面1.8m,顶扇的安装高度一般为其转动时最低点距地面不小于1.9m。5.8.2电取暖器必须固定安装,安装场所不应有可燃气体及尘埃积聚,电取暖器如安装在可燃材料附近时,两者之间应离开适当的距离。5.9船内通讯、信号设备
5.9.1音响及灯光讯号设备应安装在有关工作人员易于听到和观察之处,并应有必要的音响区别或其他识别标志。
5.9.2电铃(警钟)的安装,不得使铃锤罩朝上,以免积水及尘埃积聚。5.9.3火警按钮盒应安装在醒目之处,安装高度为:室内及室外距地面1.50~~1.60m,其击锤应设在火警按钮的右侧。
5.9.4应急报警装置的控制器,包括集中警铃的关闭器、火警按钮盒、测温、测烟或火警传感器等。均应涂红色和标明其用途的明显而耐久的铭牌。5.9.5主机传令钟的安装,其操作手柄应设有倒顺车方向:对驾驶室,应与航行方向相一致;对机舱,则应尽量与主机操纵手柄方向相一致。5.9.6主机转速表、舵角指示器等单独安装的指示仪表,其安装位置及高度应便于观察。5.9.7壁式自动电话及指挥电话的安装高度,般为距地面1.4m,台式自动电话的接线盒,般安装在台子的右侧,并须避开航窗的漏水斗,安装高度约距台面150mm,并应与台灯、台扇插座高度一致。5.9.8舱室内扬声器箱的安装高度,~般应为距地面1.9m,若配有接线盒,则应装于扬声器箱两侧100 mm处。
6设备安装的基本型式
6.1直接固定在支架或支座上,见图1、图2和图3。472
SC/T 8094—94
1--船体或金属构件;2一支架;3一螺母;4一弹簧垫图;5--平垫圈;6--螺栓;7—设备底脚;8-—锡箔图2
1—船体或金属构件;2支架;3—螺母;4—锡箔;5·-设备底脚;6-平垫圈;7-弹簧垫圈;8—-螺栓473
SC/T8094-94
1--支座;2—设备底脚;3—螺栓;4—弹簧垫围;5-平垫图:6—锡箔
6.2用垫或橡胶固定在基座或甲板上,见图4和图5。图4
1--设备底脚;2螺栓3—平垫图;4-锡箱;5—橡胶?6—基座;7-螺母
SC/T8094—94wwW.bzxz.Net
1—甲板:2厚白漆,3—本垫:4--设备底脚5—螺栓;6—螺母;7—平垫圈;8—锡箔6.3用减震器固定在支架或基座上,见图6、图7和图8。图6
1-—船体或金属构件,2—支架3—弹簧减震器:4-平垫图;5螺母;6—螺栓;7弹餐垫圈8-设备底脚;9—锡箔475
SC/T8094-94
螺母;2—弹簧垫圈;3设备底脚;4—-接地跨接片;5—船体或金属构件;6—支架;7—锡箔;8—平板减震器,9—平垫圈2
1船体或金属构件;2一支架或基座;3一螺母、螺栓、平垫圈和弹簧垫圈;4—保护式减震器;5锡箔;6-—设备底脚;7--接地接片6.4固定在木质板壁上,见图9、图10和图11。6.4.1板壁厚度大于10mm的电气设备可用木螺钉直接固定在板壁上。476
SC/T8094-94
1-设备底脚,2—木螺钉;3--平垫圈;4—接地导体;5—锡箔;6木质板壁(或硅酸钙板)6.4.2板壁厚度小于10mm的电气设备应在板壁内加木档固定。图10
1--设备底脚;2—木螺钉;3--平垫图;4--接地导体;5—锡箔:6—木质板壁,7木档
6.4.3重量大于5kg的设备,应在板壁内焊接金属支架。477
设备安装的紧固要求
SC/T 8094-94
1--舱壁,2—木质板壁;3—支架;4—螺母;5-镊箱;6—平垫圈;7弹簧垫圈;8—螺栓;9—设备底脚设备支架的选择应保证足够的强度,其类型和尺寸按CB*326选用。7.1
设备支架、支座或基座的焊接应保证牢固,铲除焊渣后,涂以防锈漆。7.2
7.3紧固件应为镀锌,螺栓、螺母紧固后,其螺栓的螺纹应伸出螺纹不少于2~3牙。7.4减震器的安装高度应一致,无歪斜现象,同一设备的减震器应均匀受力,不应单纯依靠压紧个别减震器的方法,使设备达到垂直或水平安装的要求。8设备的接地、避雷
8.1所有电气设备外壳和电缆的金属外套均应采取接地措施进行可靠接地。8.2电气设备的保护接地或工作接地,均应接到船体永久性结构与船体相焊接的基座或支架上,接触点应不易受到机械损伤和油水浸渍,且不得将设备的紧固螺钉作接地螺钉,专用接地导体可按CB”391选用。
8.3所有的接地接触面应光洁平贴,以保证良好的接触,并应有防止生锈的措施,专用接地导体的截面积应符合表2的规定。
设备电源线的截面积
专用接地导体的最小截面积
1.多股绞线,应与设备电源线的面积相同,但不小于1.5。2.紫铜皮应≥4
为电源线截面积的50%,但不小于4mm?
8.4设在木质板上的电缆,在进入设备时,该电缆金属外套与设备外套进行电气连接,也可在设备进线口上用电缆卡子垫锡箱压紧。8.5避雷针应以直径不小于12mm的杆或直径不小于25mm的钢杆制成,尖端部分应有防锈镀478
SC/T 8094-94
层,镀层长度不小于其全长的25%,可按CB393选用,避雷针直接焊在杆上,其高度应至少高出枪顶或檐顶上的电气设备300mm。
活络杆与船体应有可靠的电气连接,其连接软铜线的截面积不得小于70mm2。9设备的芯线处理
9.1电缆进入设备之前,要切割电缆护套,但不得损伤芯线绝缘。切割部位应在设备进口近内壁3~5mm处,设备外部不得裸露芯线,对内部空间较宽的设备,如配电板、分电箱等护套可在接线柱附近剥去。
9.2金属编织护套切割后,应在切割处应以2~3层塑料带扎紧,以防编织松散。9.3引入照明灯具的芯线在其内部应有100~200mm以上长度的余量,进入其他设备的芯线长度可参照上值。
9.4防滴式、防护式设备进线后,如芯线为橡胶绝缘并可能受到油气和腐蚀性气体的腐蚀,则应套以耐油和耐腐蚀的塑料管或包塑料带加以保护,9.5电热器等产生高温的设备,如线芯受到发热元件的热量辐射,应套以耐热的玻璃丝管或玻璃黄腊管保护。
9.6引入设备的电缆,在设备进口外应牢靠固定,有填料函的设备可用填料函固定,无填料函的设备则应设进线扎线板或其他电紧圈件,以免电缆松动,进线托线板可按CB381选用。9.7填料函压紧后应使填料函压紧在绝缘护套上,绝缘护套应露出设备内壁3~5mm,填料函螺母应露出2~3牙。
10设备的接线
10.1线芯的端部应设有接头,接头与线芯可采用冷压连接,按CB*394选用。接头套简的内径应与线芯导体的直径相符,1.5mm2以下电缆线芯允许不用接头,但必须焊锡处理。10.2设备内的线芯束应捆扎,以防松散,捆扎应牢靠和整齐美观,如线芯束较长时,应适当的加以固定。
10.3接线的紧固应牢靠整齐,并应设有防止松脱的弹簧垫圈或锁紧螺母,在接头的两侧均应设有平垫圜。
10.4线芯端头需标以与图纸相对应的字母,号码应清晰,耐久而不褪色。附加说明:
本标准由全国渔船标准化技术委员会提出。本标罹由大连渔轮公司负责起草。本标准主要起草人刘长蕴。
小提示:此标准内容仅展示完整标准里的部分截取内容,若需要完整标准请到上方自行免费下载完整标准文档。