首页 > 水产行业标准(SC) > SC/T 9002-1984 制冰桶
SC/T 9002-1984

基本信息

标准号: SC/T 9002-1984

中文名称:制冰桶

标准类别:水产行业标准(SC)

标准状态:已作废

发布日期:1984-08-02

实施日期:1985-05-01

出版语种:简体中文

下载格式:.rar.pdf

下载大小:122005

标准分类号

中标分类号:农业、林业>>水产、渔业>>B53水产品保鲜

关联标准

替代情况:原标准号GB 4601-84

出版信息

页数:5页

标准价格:8.0 元

相关单位信息

标准简介

SC/T 9002-1984 制冰桶 SC/T9002-1984 标准下载解压密码:www.bzxz.net

标准图片预览

SC/T 9002-1984 制冰桶
SC/T 9002-1984 制冰桶
SC/T 9002-1984 制冰桶

标准内容

GB 4601—84
本标准适用于低温盐水池中生产块冰使用的制冰桶。1基本尺寸、标记免费标准下载网bzxz
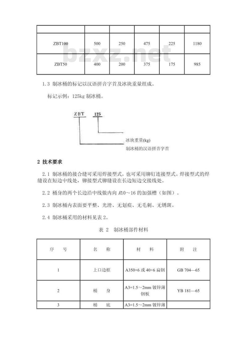
1.1制冰桶按照冰块的重量,定为125、100、50kg三种规格。1.2制冰桶的形状及基本尺寸,见表1及下图。R
ooo中g
中中中
R10-- 16
制冰桶基本尺寸
ZBT125
中中电心
中中中
ZBT100
1.3制冰桶的标记以汉语拼音字首及冰块重量组成。标记示例:125kg制冰桶。
2技术要求
冰块重量(kg)
制冰桶的汉语拼音字首
2.1制冰桶的接合缝可采用焊接型式,也可采用铆钉连接型式。焊接型式的焊缝设在短边中线处,铆接型式铆缝设在长边短边交接线处。2.2桶身的两个长边沿中线做内向R10~16的加强槽(如图):2.3制冰桶内表面要平整、光滑、无划痕、无毛刺、无锈斑。2.4制冰桶采用的材料见表2。
表2制冰桶部件材料
上口边框
A350×6或40×6扁钢
A3=1.5~2mm镀锌薄
A3=1.5~2mm镀锌薄
GB70465
YB181—65
平头铆钉
2.5制冰桶须做防锈处理。
YB181—65
GB109—76
2.6制冰桶外表面的平面度用直尺做透光检查时200mm内不超过1mm2.7制冰桶加工尺寸按IT15级精度检查2.8制冰桶不得渗水、漏水。
小提示:此标准内容仅展示完整标准里的部分截取内容,若需要完整标准请到上方自行免费下载完整标准文档。