首页 > 国家标准(GB) > GB 2060-1989 黄铜带
GB 2060-1989

基本信息

标准号: GB 2060-1989

中文名称:黄铜带

标准类别:国家标准(GB)

标准状态:已作废

实施日期:1990-02-01

出版语种:简体中文

下载格式:.rar.pdf

下载大小:211463

相关标签: 黄铜

标准分类号

中标分类号:冶金>>有色金属及其合金产品>>H62重金属及其合金

关联标准

替代情况:被GB/T 2059-2000代替

出版信息

页数:5页

标准价格:8.0 元

相关单位信息

标准简介

GB 2060-1989 黄铜带 GB2060-1989 标准下载解压密码:www.bzxz.net

标准图片预览

GB 2060-1989 黄铜带
GB 2060-1989 黄铜带
GB 2060-1989 黄铜带
GB 2060-1989 黄铜带
GB 2060-1989 黄铜带

标准内容

中华人民共和国国家标准
主题内容与适用范围
Brass sirip
本标唯规定广黄钥带的产品分类,技术要求,试验疗法检途规则和包装等,本标准适用机械制造及其他二业部门用的黄钜。2引用标准
GB298金聘拉伸试验方法
GB 4=56
GH 5:22
GB 6_32
G1 6397
GR 8888
3产品分类
金属杯突窦试验方法(厚度0.2-~2 mm)黄铜化学分护方法
加工黄匍化学成分和产品形状
金属拉伸试验试样
重有色金底工产品和装,标志,运输和吧存3.1
牌弓、状态和划格
带材的牌号、状.态和规格应符合表1的规定。1
H62,Hb5.H68,HH..
H90,H96
H55,HIb59-1 ,HM:58-2
H62,H65,H68.50
HPh50-1,HMn58-2
H62,H65,h68,h83.
H30,H96
I159,HPb59-1,11Sn62-1,
HMn58-2
H62,H68
华頭(
锂(r)
硬(T)
社:供应扰态须在合间十注明,否期按硬状态供应。3.2尺寸允许偏差
3.2.1厚度及其允许偏差应符合表2的规定中国有色金厕工业总公司19890223批准44
0. 05 -2. 0
0. 05.~1. 0
GB 2060—89
20~-600
20~300
20--630
20--600
20--330
20~830
1990-03-01实施
0. 05~~0. 09
0. 09.~0. .2
>0. 12 -- 0. 22
0. 22 ~~ 0. 35
.-0. 35---0. 50
->0. 5心--0. 7C
2*0. 70-~0. 85
2.0. 85.--1. 11?
$>1. 10 ~1. 5
2>.. 50~.2. 00
普通缴
--C,035
GA2060--89
厚度允许偏差
较高级
_ 0. 0.35
注:,经供需双方协议,可供其他视恪和允许偏兰的带材()厚度允许偏差精度须在合同中注肌,不则按普通缴供应患方要求上遍差或点偏差叶,其伯为表中数值的2倍。4厚度0. 25--0.Cl mm的带财,宽度不大于150 mm。3. 2. 2
宽度允许偏差应符合表3的规冠。表3
2. 0 ~1. 5
* 1. 5~ 2. 0
3.2.3长度应符合表4的规宗,
0. 05 -- 0. 5
20. 5~.1. 0
2:1. 0~~2. 0
20--150
普通级
较高级
普诵皱
-300~600
宽度允许偏差
>150--300
菩骚级
注:批带许可空计重量不超过批至的15多,长度不逗于%000 mm的短带。较高级
不小于
3.2.4带材应平直,包允许有轻微的法浪、背材的侧边弯山度每米不大于4 mm3.3标记示例:
用HH制造的软态,较高被,厚度为(. 8mm、宽度为2 mm的带材,标记为:带E90 较高级0.8×20CGB206C—894技术要求
4.7化学成分
iiKAoNiiKAca
较高缴
±0, 015
>300--600
普通綫
较高级
CB 2060 --89
带材的化学成分应符合GB5232的规定。4.小学性能
厚度不小于0.5mm的带材,拉伸试验结果应符合表5的规定*5
合金辟号
lIPbs9-1
Hnsa-2
HMnFA-2
HPb59-1
HS462-1
HPb50-1
特硬:T)
抗拉强度T..N/mn
≥343
372~471
343~461
343--461
333--441
111~61c
392-~490
生:经供需双力办议,可供应支5以必的其他性能的带材。4.工艺性能
不小于
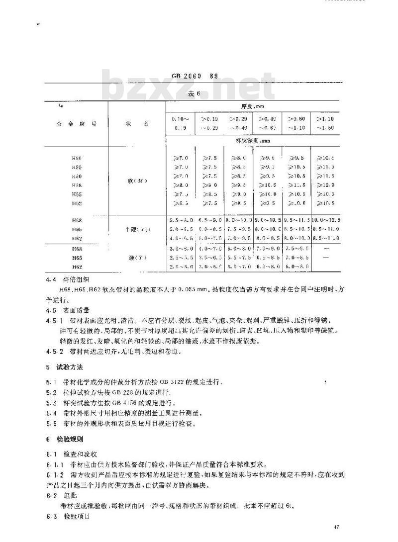
杯灾试验(冲头半为1心mm)结果应符合表6的规:其中厚度0.1--0.19mm,宽度不大于90nm的带材杯突深度仅作参考.
合会牌号
4.4倍组织
硬5)
GB 2060
原度,mm
环突深度,nm
- KANi KAca
6. 5~~9. 05. 0~13. 09. 心~10. 59. 5~~11. 510. 0~-12. 55. 0. ~7, 5
4. 0-.6. 5
3. 0~ 5. 0
2. 5~5. 5
6. 0. ~ 8. 5
8. c-~ 10. c8. 5--10. 5wwW.bzxz.Net
58. 5-- 11. 0
. 0-.9. 5
6. 0-~8. 0
5. 5. -7. 5
5. 0.~7. 0
8. 0~.9. 5
17. 0-~9.0
6. 1 -- 8. 0
7. 5~9. 5
7. 0 ~ 8. 5
6. 0-- 8.
.5~-1-. 0
H68、H65、H62软念带材的晶粒度不大于0.055mm。品度仅当需方有费求并在合同山注明时,方予逆行。
4.5表面质量
4. 5.1带材表面应光滑,清洁。不应有分层、裂效,起皮、气泡、爽杂、起刺、严重脱锌、压折和绿锈。许可有轻微的、同部的、不使带才厚度趋出其允编差的划价、斑点、坑、压入物和艳印等缺陷。轻微的发红,友瞻,氧化色和轻微的、局部的油迹,水迹不作报度依据。4. 5. 2 带材选达应切齐,无汇刺,裂过和卷边。5试验方法
5.!带材化学或分的件裁分折方法按GB3122的规定进行,5.2拉律试验方法接GB228的规宗进行5. 3 杯定试验方法按 GB 4156 的规定进行。5.4带材外形尺寸用村应精度的测查工真进行测萤。5.5带材的外观形状和袭面质坑用目视行捡查。6检验规则
6. 1 检查和验收
6.1.1带材应由供方技术监督部门验收,并保证产品质量符合本标证要求:6.1.2需方收到产品后应安本标准的规定过行复验,如果复验结果与本标准的规定不符时:应在女到产品之H起三个月内向洪方提出,由供需双方协商解决。6.2组批
带材应成批验收,每批应由间·牌号、规格和状态的带针组戏:批重不应超过6t。6.3检验顶口
GB2060
每批带材均应进行化学成分、力学性能、二艺性能、外形尺十及麦面质盘的捡验。B4取样位置和样数量
6.4.1供方在熔铸过程中,每炉取一个试样进行化学成分的检验,6.4.2需方在每批带村中任收一个试样进行化学或分的检验。6.4.3拉伸诚验和杯突试验应从每中任取两卷带材,每卷带材沿轧制主向任取个试样。拉仲试样应符合GB6397表10中PU1、PD5号试样的规定6.4.4究度大于100mm的带材厚度在距端部不小于100mm和既边部不小于5mm处测法,测量范围以外的厚度超差不作报废依据6.4.5措材应逐券进行外形尺寸测量和表而质基的检验。6.5重复试验
各求试验即使有一个试验不合格,也应从该批中再取双倍试样进行不合格项的复验,复验结果仍有“个试样不合格,则整批报按或内供方逐卷检验,合格者单独编批验没7包装、标志、运输、贴存
带材的包装,标志、运输和忙存款(8888的规定光行。附加说明:
本标准由中目有色金属工业总公司标准计量研究所提出。本标准由西北铜加工厂负责起草。本标准主要起蓝人任元良、陈汉文
小提示:此标准内容仅展示完整标准里的部分截取内容,若需要完整标准请到上方自行免费下载完整标准文档。