首页 > 国家标准(GB) > GB 10693-1989 防爆用圆头锤
GB 10693-1989

基本信息

标准号: GB 10693-1989

中文名称:防爆用圆头锤

标准类别:国家标准(GB)

标准状态:已作废

实施日期:1989-12-01

出版语种:简体中文

下载格式:.rar.pdf

下载大小:91375

相关标签: 防爆 圆头

标准分类号

中标分类号:机械>>工艺装备>>J47手工工具

关联标准

替代情况:调整为QB/T 3872-1999

出版信息

页数:5页

标准价格:8.0 元

相关单位信息

标准简介

GB 10693-1989 防爆用圆头锤 GB10693-1989 标准下载解压密码:www.bzxz.net

标准图片预览

GB 10693-1989 防爆用圆头锤
GB 10693-1989 防爆用圆头锤
GB 10693-1989 防爆用圆头锤
GB 10693-1989 防爆用圆头锤
GB 10693-1989 防爆用圆头锤

标准内容

中华人民共和国国家标准
防爆用圆头锤
Ball pein hammers
for explosive atmospheres
主题内容与适用范围
本标准规定了防爆用圆头锤的技术性能、检验、标志、包装等要求。UDC 621.9:620.163
.6: 614.83
GB 10693--89
本标准适用于为避免因操作中产生机械火花而引爆爆炸性气体的防爆用圆头锤。2引用标准
GB230金属洛氏硬度试验方法
GB2828逐批检查计数抽样程序及抽样表(适用于连续批的检查)GB 10686铜合金工具防爆性能试验方法3产品分类
3.1防爆用圆头锤的型式如图1所示。图1
3.2规格和尺寸按表1的规定。
中华人民共和国轻工业部198903-31批准424
1989-12-01实施
GB 10693—89
4技术要求
4.1材料
GB 10693-89
防爆圆头锤应由铍青铜、铝青铜等铜合金制造。4.2质量
质量按表1规格所示,其误差不得超过(-2~+8)%。4.3外观质量
4.3.1锤体应对称、孔眼端正、轮廓清晰。4.3.2锤体表面不应有裂缝、折痕、缺口、凹坑、生锈等缺陷。大小头的粗糙度Ra的允许值不得大于12.5μm。
4.4硬度
铍青铜圆头锤的硬度应不低于HRC35,铝青铜圆头锤的硬度应不低于HRC25。4.5防爆性能在具有爆炸性气体环境中使用的防爆用圆头锤材料,按GB10686的规定进行防爆性能试验,不得引爆,方为合格。试验方法
5.1表面质量检验
表面质量以目测检验判定。
5.2尺寸与质量检验下载标准就来标准下载网
基本尺寸均用通用量具检验,质最采用秤具检验。5.3硬度试验
5.3.1硬度试验应按GB 230的规定进行。5.3.2硬度试验部位应在两工作面上。5.4防爆性能试验
圆头锤防爆性能试验应按GB10686的规定进行。6检验规则
6.1产品应经检验合格后,方可出厂。6.2生产厂在正常生产时,每隔2~3年应把制作产品的材料制成试样送交国家指定的检验单位,作周期性的防爆性能试验。
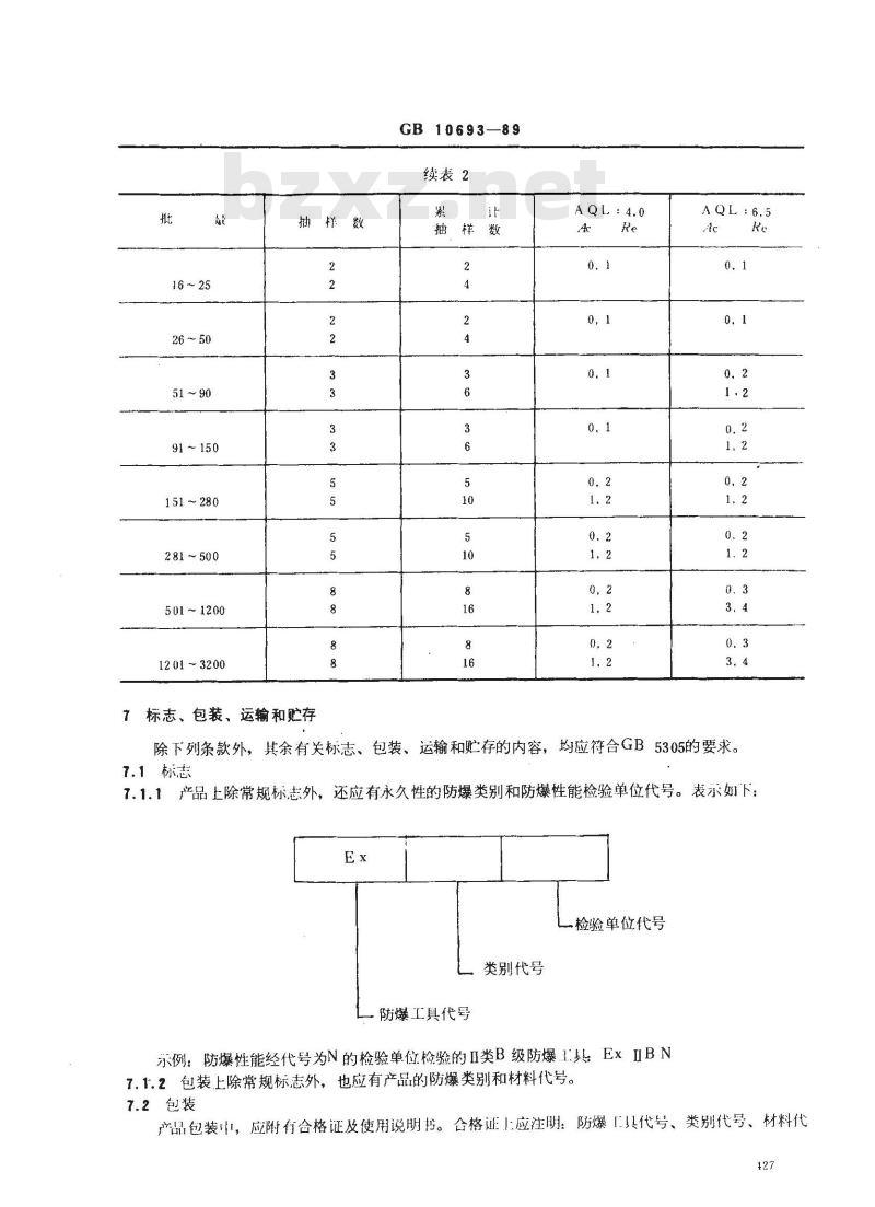
防爆性能试验必须按GB10686的规定进行。6.3除防爆性能外,其余均为常规项目,按GB2828的规定进行。6.3.1抽样检验按表2进行。
6.3.2含格质量水平
硬度属主要项目,为4.0,其余均属次要项目,为6.5。表2
抽样数
抽样数
26~ 50
51 ~ 90
91 ~ 150
151~280
281~500
501~1200
12013200
抽样数
标志、包装、运输和贮存
GB10693—89
续表2
抽样数
除下列条款外,其余有关称志、包装、运输和贮存的内容,均应符合GB5305的要求。7.1标志
7.1.1产品上除常规标志外,还应有永久性的防爆类别和防爆性能检验单位代号。表示如下:Ex
一检验单位代号
类别代号
·防爆工具代号
示例:防爆性能经代号为N的检验单位检验的Ⅱ类B级防爆1具ExⅡIBN7.1.2包装上除常规标志外,也应有产品的防爆类别和材料代号。7.2包装
产品包装中,应附有合格证及使用说明书。合格证上应注明:防爆具代号、类别代号、材料代427
GB10693--89
号、产品名称、规格、型号、质量等级、出厂日期和检验员印记等。附加说明:
本标准由中华人民共和国轻工业部提出。本标准由全国工具五金标准化中心归口。本标准由上海市工具研究所、天津市防爆工具厂、石家庄市铜铝制品厂起草本标准主要起草人张绍平、高志康、丁钧、王世敏、韩潮。428
小提示:此标准内容仅展示完整标准里的部分截取内容,若需要完整标准请到上方自行免费下载完整标准文档。