首页 > 国家标准(GB) > GB 3080-1982 高速工具钢丝
GB 3080-1982

基本信息

标准号: GB 3080-1982

中文名称:高速工具钢丝

标准类别:国家标准(GB)

标准状态:已作废

实施日期:1983-03-01

出版语种:简体中文

下载格式:.rar.pdf

下载大小:126493

相关标签: 高速 工具 钢丝

标准分类号

中标分类号:冶金>>钢铁产品>>H49钢丝、钢丝绳

关联标准

替代情况:被GB/T 3080-2001代替

出版信息

页数:5页

标准价格:8.0 元

相关单位信息

标准简介

GB 3080-1982 高速工具钢丝 GB3080-1982 标准下载解压密码:www.bzxz.net

标准图片预览

GB 3080-1982 高速工具钢丝
GB 3080-1982 高速工具钢丝
GB 3080-1982 高速工具钢丝
GB 3080-1982 高速工具钢丝

标准内容

中华人民共和国国家标准
高速工具钢丝
High speed 10ol steel wirc
本标准适用于圆形截而的冷拉、磨光高速工具钢丝1、分类、代号
1.1钢丝按表面状态分为两种,H代号为:冷拉—L:
膀光—-Zm
1.2钢丝按形状分为盘状和直条,1.3钢丝的表面状态及形状应在合同中法明。2尺寸、外形
2.1尺寸及允许偏差
2.1.1冷拉钢丝的尺寸及允许偏差应符合表1的规定。表1
公称首径
UDC 669.14.018
.25-426
GB 308082
允许偏差
2.1.2磨光钢丝的尺寸及允许偏差应符合YB246一64《银亮钢品种的规定:其偏差级别应在合同ifT注明。
2.1.3需方对尺寸另有要求时,应在合间中注明。2.1.4直条钢丝长度及允许偏差要求如下:普通长度
直径1~3mm
直径>3~6
直径>6~12 rmm\
每批充许供应不超过重量10%的下列短尺:国家标准总局1982-05-10发布
-]~2 m:
..-2-3. 5 t;
..-2--4 m.
1983-03-01卖施
B 3080
吉径小下或等下3mm者,不短F0.8m;直径大于3mum至6mm者,不短于下1.2m;直径大于 6 m至 12 tl音不短于 1. 2 m定尺、倍尺长度
+5°mm.接定尺或倍尺长度交货时应在介同中注明。未注明者均按+.50
定尺和倍长度的允许偏差为
通常长度交货。
2.2外形
2.2.1钢丝的圆度不得超过其公称尺寸的公差之半。2.2.2直条钢丝的弯曲度不得人于每米2mm,磨光纲丝的弯曲度不得人于每米1mm。2.2.3直条钢丝的端头不得有飞刺。3技术要求
3.1牌号及化学成分
3.1.1钢的牌号及化学成分(熔炼成分)应符合表2的规定。表2
W6MusCr4V2
0. 70-~0.8c17.50--19. co
0. 84~1. 9
化学成分。兴
3.80 ~~41. 40
1. 00~-1. 40
0.400.400. 03
5. 06~0. 754. 30-~5. 50 3. 80-~4. 40 1. 75~2. 200. 400. 400. 0300. 630根据双方协议可供应钒含量为1.60%~2.20%或锰含址小于等于0.45%的W6Mo5Cr4V2钢终的化学成分允许与表2比较有表3规定的偏萃,3.1.3
3.2交货状态
丝应以退火状态交货。
3.3机械性能
3.3.1硬度
适用成分范围
2:5. 50--11.00
装2现是bzxz.net
表2规定
表2定
表2规定
充许确差
3.3.1.1钢丝成作退火便度试验.硬度值为HB207~255.直径小于5mm的钢丝应做维氏硬度检验,其硬度值换算成布氏硬度值符合标准规定,若供方能保证硬度合格,可不做检验3.3.1.2钢丝应作试样泽火-回火硬度试验,其试样热处理制度及硬度值应符合表1的规定。牌
WsMo5Cr4V2
锋火湖度C
1270~-1285
1210~-1230
GB 3080—82
试样热处理制烹
冷都剂
灾温,!
550~570
850--570
3.3.1.3供方若能保证钢丝试伴淬火回火硬度衍合表4的规定,不作检验,3.4高倍
3.4.1碳化物不均与度
硬度值HRC
小小于
W18Cr4V钢丝碳化物不均句度按YB(E)2—80%高速工具钢技术条件》中的评级图评定,不得大十2级,
3.4.2碳化物颗粒度
W6Mo5Cr4V2钢丝碳化吻颗粒度不得大F12.5μ。3.4.3脱碳层
3.4.3.1冷拉钢丝舞边总脱碳层深度应符合表5的规定。表5
公称光径
Wl8Cr4V
6Mo5Cr4V2
出:)为丝公称径(密米),
3.4.3.2嘧光钢丝表面应元无脱碳3.5表面质量
总脱磁层深度不太户
3.5.1冷拉钢丝衣而应光,不得有裂纹、折送、折送、结疤和拉裂等缺陷。允诈有氧化膜和深度不超过钢丝直径公差之半的个别麻点、划伤和回坑等缺络存准。3.5.2磨光钢丝表面应洁净、光滑、光癌,不有裂纹、发纹、回面、刮伤,黑斑、折送、结疤拉裂等外部缺降1。粗钢终表面允许有个别划伤.而和拉裂,但其深度应不超过直径的公差江:扭磨系指级精度。
4试验方法
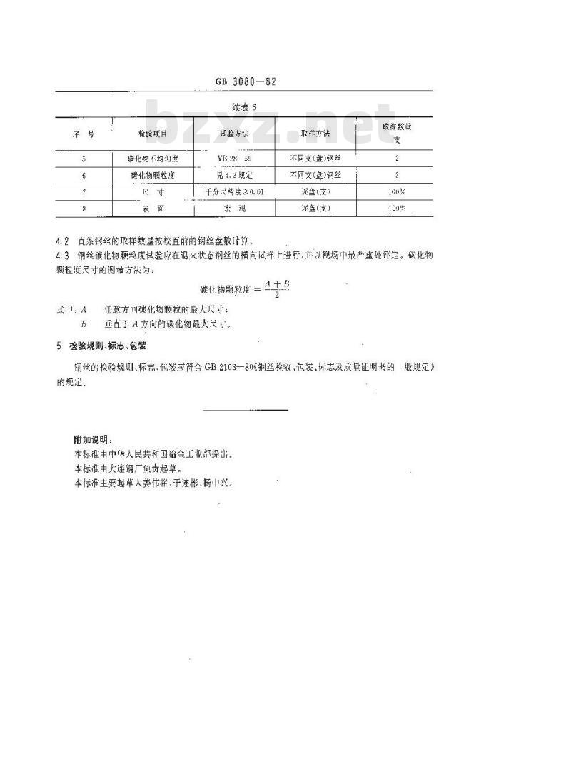
4.1每批钢丝的检验项月、收样要求、取样数量及放试验方法应符合丧6的规定、表6
检验项出
化学成分
脱炭派
退火硬度
泽火间火度
认验方法
G1322363.81
YB3578
GR23478
GHB23163
CB230 -63
取样方法
G 222--63
得(罐)
不间支()丝
不同支()丝
不同支《盘河丝
最举数量
检验项目
碳化坳不均均度
碳化物颗粒度
GB 3080—82
续表6
试验厅偿
YB2850
见4.3规定
干分尺臂度≥0, 01
白条钢丝的样数量按校直前的钢丝盘数计算4.2
联样方法
不同支(盘)钢丝
天同支(盘)钢丝
深盘(支)
深盔(支)
最数量
4.3钢丝碳化物颗粒度试验应在退火状态钢丝的横向试择上进行.并以视场中最严重处评定。碳化物颗粒度尺寸的测书方法为:
碳化物颗粒度=
任意方问碳化物颗粒的最大尺;垂丁A方问的碳化物最人尺小
5检验规则、标志、包装
钢丝的检验规则、标志、包装应符合GB2103一80%钢丝验收,包装、标志及质量证明书的股定的规是。
附加说明:
本标准由中华人民共和国治金工业部提出。本标准由大连钢厂负责起草,
本标谁主要起草人姜伟裕于连彬、扬中兴。
小提示:此标准内容仅展示完整标准里的部分截取内容,若需要完整标准请到上方自行免费下载完整标准文档。