首页 > 国家标准(GB) > GB 5805-1986 锉纹参数
GB 5805-1986

基本信息

标准号: GB 5805-1986

中文名称:锉纹参数

标准类别:国家标准(GB)

标准状态:已作废

实施日期:1986-10-01

出版语种:简体中文

下载格式:.rar.pdf

下载大小:125239

相关标签: 参数

标准分类号

中标分类号:机械>>工艺装备>>J47手工工具

关联标准

替代情况:调整为QB/T 3844-1999

出版信息

页数:5页

标准价格:8.0 元

相关单位信息

标准简介

GB 5805-1986 锉纹参数 GB5805-1986 标准下载解压密码:www.bzxz.net

标准图片预览

GB 5805-1986 锉纹参数
GB 5805-1986 锉纹参数
GB 5805-1986 锉纹参数
GB 5805-1986 锉纹参数
GB 5805-1986 锉纹参数

标准内容

中华人民共和国国家标准
锉纹参数
Characteristies of cut
UDC 621.918
GB5B05—86
本标准适用于钳工钱、锯链、整形锉、异形锉、钟表整形锉、特殊钟表锉、木链。1钳工链
锉纹号、钱纹斜角、每tomm轴向长度内的锉纹条数如表1规定。1.1
主链纹条数
锂纹号
±5%(其公差值不足0.5条
时可圆整为0.5条)
辅锉纹条数
为主锉纹条
75%~ 95%
边键纹条数
为主锉纹
100%~120%
上锉纹斜角
号锉纹
注,扁链可制成二面边纹、一面边纹绒不制边纹。一角链,半阅链可制边纹4-5
号锉纹
锌纹斜角
4~ 5
号锉纹
螺旋锉纹锉纹号、锉纹斜角、每10mm轴向长度内的锉纹杀数如表2规定。1.2
单螺纹
双螺纹
国标准局1986-01-21发布
主链纹条数链效号
辅锌纹条数
为主锉纹条
75%-96%
土链纹斜角
70°~80 \
号锉纹
边链纹
辅锂纹斜角
1986 -10-01实施
双螺效
GB5805—B6
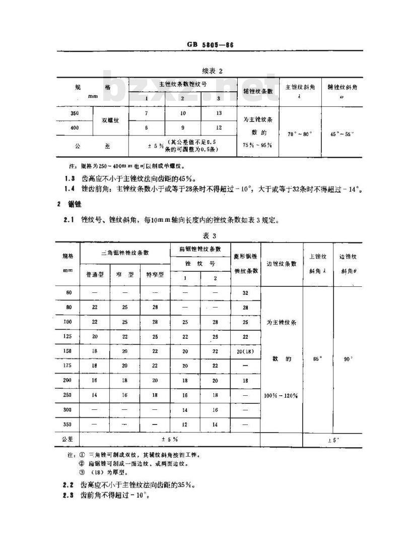
续表2
主锉纹条数锉纹号
(其公差值不足0. 5
条的可圆整0.5条)
注,规格为250~400mm也可以制成单螺纹。齿高应不小于主锉纹祛向齿距的45%。1.3
辅锉纹条数
为主链纹条
75 % ~ 95 %
主锉纹斜角
70°~80°
辅键纹斜角
45 °~ 55 \
链齿前角:主锉纹条数小于或等于28条时不得超过-10,大于或等于32条时不得超过一14°。1.4
2锯键
纹号、锉纹斜角,每10mm轴向长度内的锉纹条数如表3规定。表3
三角锯锌链纹条数bzxZ.net
普通型
特窄型
扁锯链锌纹条数
锉纹号
往:①二角链可制成双纹,其辅纹斜角按钳工链。②扁锯链可制成一面边纹、或两面边纹。③(18)为厚型。
2.2齿高应不小于主锉纹法向齿距的35%。2.3齿前角不得超过-10。
菱形锅链
链纹条数
20(18)
边锉纹条数
为主锌纹条
100%~120%
上锉纹
斜角 A
边锂纹
GB 6$0—86
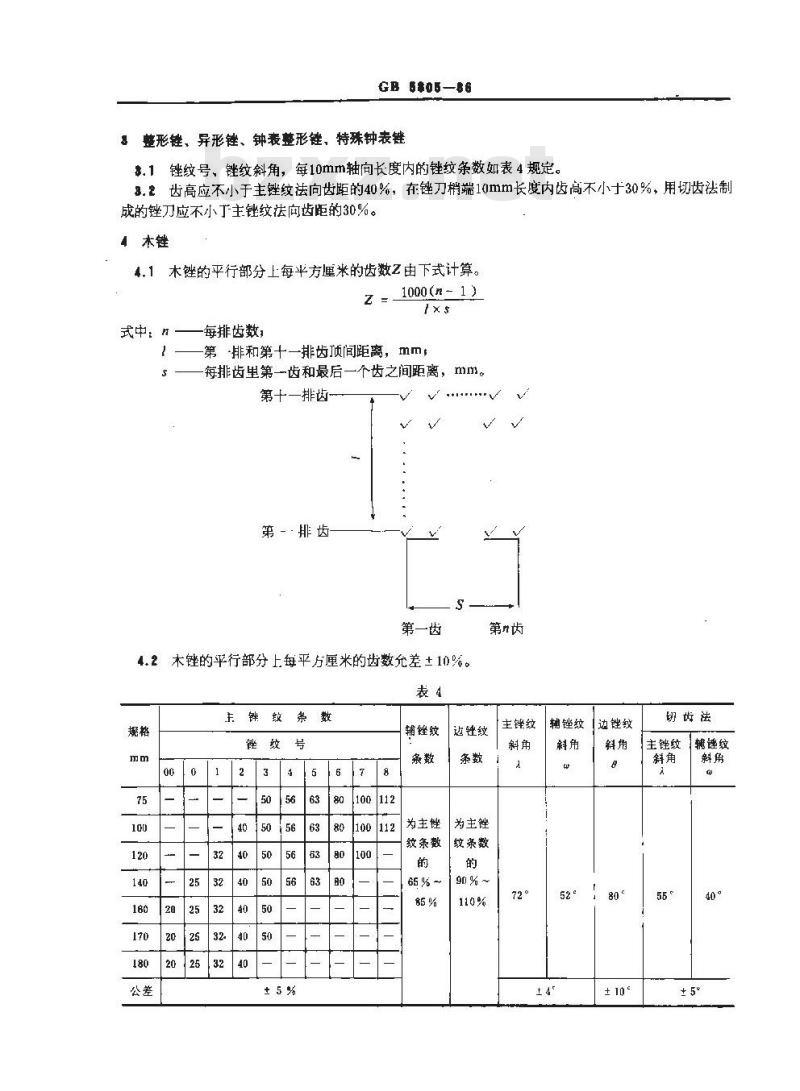
整形链、异形锉、钟表整形链、特殊钟表链。.1锉纹号、锉纹斜角,每10mm轴向长度内的锉纹条数如表4规定。3.2齿高应不小于主锉纹法向齿距的40%,在锉刀梢端10mm长度内齿高不小于30%,用切齿法制成的锉刀应不小于主锉纹法向齿距的30%。4木链
4.1木锉的平行部分上每半方厘米的齿数Z由下式计算。z=
式中:
每排齿数:
1000(n-1)
第排和第十一排齿顶间距离,mm,后一个齿之间距离,mm。
每排齿里第一齿和最后
第十一排齿
第罪齿
第一齿
4.2木锉的平行部分上每平方厘米的齿数允差土10%。表4
主锉纹条数
锉纹号
100112
100112
辅锉纹
为主锉
纹条数
达锂纹
为主锉
纹条数
90 % ~
主锉纹
辅锉纹
边锉纹
± 10 \
切齿法
主锉纹
辅睡纹
GB 5805—86
附录 A
链纹参数
(补充件)
A,1钳工锉(双纹)齐头扁锉、尖头扁锉、半圆锉、圆锉、方锉、三角锉。主锉纹条数的公差,±8%。
锉纹斜角:65°±5\
边纹:边锉纹条数与主链纹条数相同,公差+20%。边锉纹斜角:90°±10°。
每10mm长度内链纹条数
A,2扇锯锉(单):齐头,头扁锉平行部分两边可做成直边或圆边,或一边为圆边。锉纹条数公差:±5%。
锉纹斜角:60°±5°。
边纹:边锉纹条数与主锉纹条数相同,公差+20%。规
A.3三角锯锉(单纹):截面三角形。主锉纹条数公差:±5%。
锉纹斜角:60°±5’。
边钱纹条数,边锉纹条数与主链纹条数相同,公差+20%。每10mm长度内锉纹条数
GB 5005—86
每10mm长度内链纹条数
特窄型
普通型
注:本标准及附录A中规定的两种链纹参数系列均可采用,但必须采用同一系列参数。附加说明:
本标准由中华人民共和国轻工业部提出,由全国工具五金标准化中心归口。本标准主要起草人秦光淼、王其彦、徐宝康。本标准自实施之日起,原轻工业部部标准SG123—78《锉刀》、SG13--69《整形锉》作废。
小提示:此标准内容仅展示完整标准里的部分截取内容,若需要完整标准请到上方自行免费下载完整标准文档。