首页 > 国家标准(GB) > GB/T 11855-1989 钻夹圆锥量规
GB/T 11855-1989

基本信息

标准号: GB/T 11855-1989

中文名称:钻夹圆锥量规

标准类别:国家标准(GB)

标准状态:已作废

发布日期:1989-11-21

实施日期:1990-08-01

作废日期:2004-06-01

出版语种:简体中文

下载格式:.rar.pdf

下载大小:112719

相关标签: 圆锥 量规

标准分类号

中标分类号:机械>>工艺装备>>J42量具与量仪

关联标准

替代情况:JB 1562-1975;被GB/T 11855-2003代替

采标情况:ISO 239-1974 NEQ

出版信息

页数:5页

标准价格:8.0 元

相关单位信息

标准简介

GB/T 11855-1989 钻夹圆锥量规 GB/T11855-1989 标准下载解压密码:www.bzxz.net

标准图片预览

GB/T 11855-1989 钻夹圆锥量规
GB/T 11855-1989 钻夹圆锥量规
GB/T 11855-1989 钻夹圆锥量规
GB/T 11855-1989 钻夹圆锥量规
GB/T 11855-1989 钻夹圆锥量规

标准内容

中华人民共和国国家标准
钻夹圆锥量规
Gauges of drill chuck tapers本标准参照采用国际标准ISO23974《钻夹圆锥》。主题内容与适用范围
GB 1185589
本标准规定了钻夹圆锥量规的型式与尺寸、精度等级和公差数值、技术条件和标志与包装。本标准适用于机械制造业中所使用的钻央圆锥量规。引用标准免费标准bzxz.net
GB157锥度与锥角系列
GB11334圆锥公差
GB11852圆锥量规公差与技术条件型式和尺寸
钻夹圆锥量规的型式如图1所示。图1
3.2夹圆锥量规的尺寸列于表1,表中的基本尺寸是必须遵守的。国家技术监督局1989-11-21批准1990-08:01实施
11855--89
021°21
9L,W。t
ws'18,
w0W,TS,
6006281:1
16150*0= 61: [
008900802511
9180029221: 1
60220'0=21621: 1
626000-88202:1
020000-1226*61: 1
26600*0=02002: 1
=21:15669*0
88600*0=70'02: T
21:89890
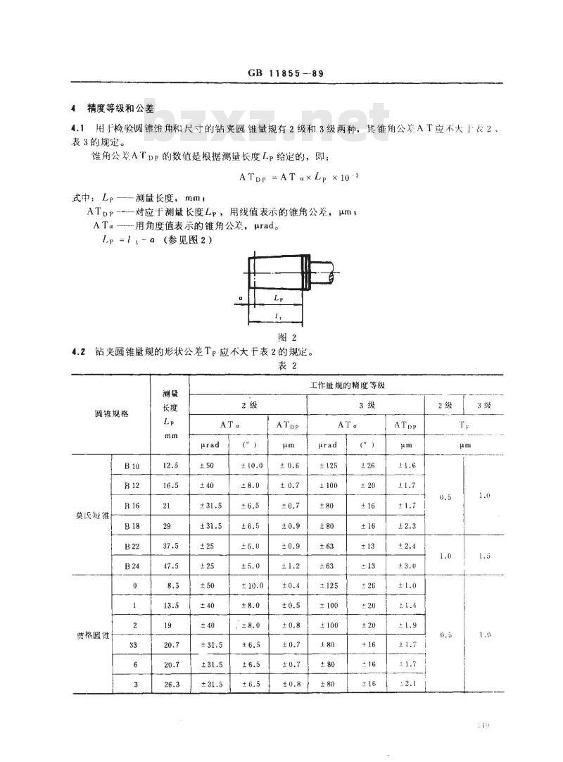
精度等级和公差
GB11855--89
用于检验圆锥锥角和尺寸的钻夹圆锥量规有2级和3级两种,其锥角公差AT应不大!表2、4.1
表3的规定。
锥角公差ATDP的数值是根据测量长度Lp给定的,即:ATD=ATα×Lp×10*3
式中:Lp一测量长度,mm
一对应于测量长度Lp,用线值表示的锥角公差,μm,ATα-用角度值表示的锥角公差,urad。lp=lα(参见图2)
4.2钻夹圆锥量规的形状公差TF应不大于表2的规定。表2
圆锥规格
莫氏短锥
贾格圆锥
工作量规的精度等级
因潍靓格
技术要求
测量长度
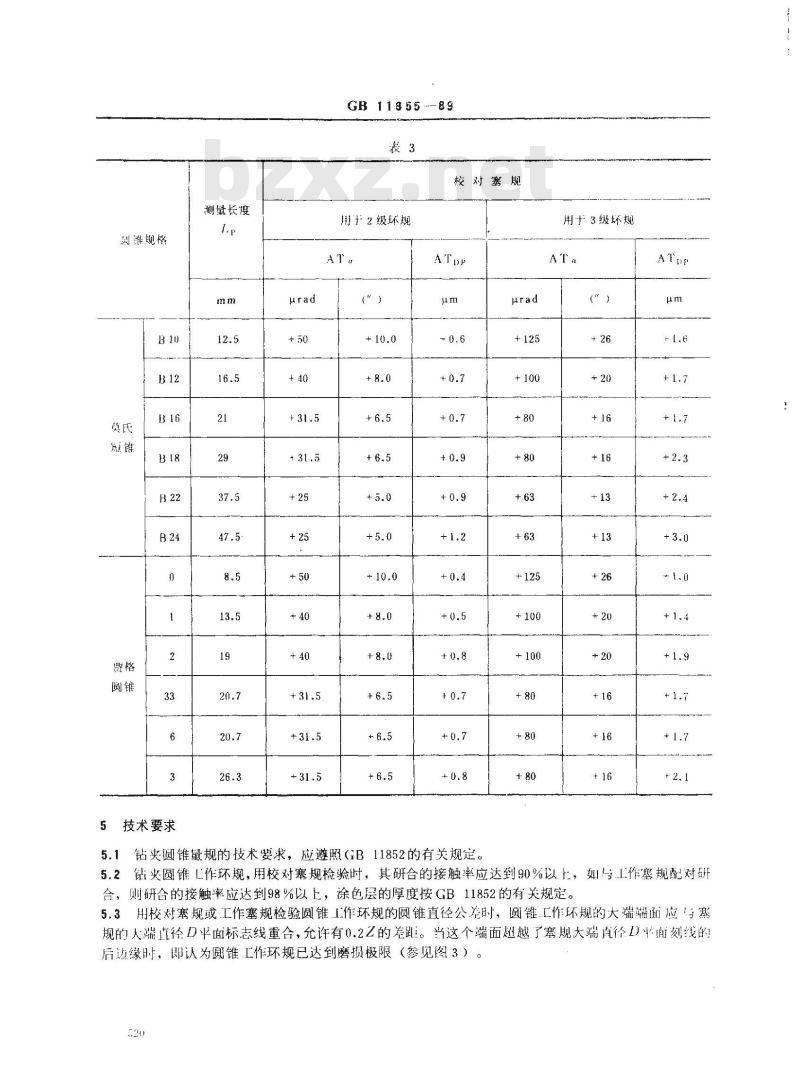
GB1135589
校对塞规
用于2级环规
5.1钻夹圆锥量规的技术要求,应遵照B11852的有关规定。μrad
用于3级坏规
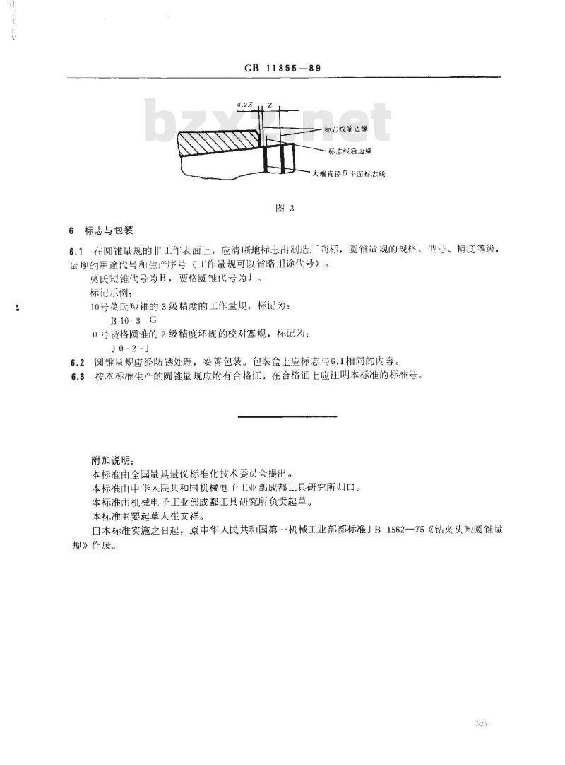
5.2钻夹圆锥亡作环规,用校对塞规检验时,其研合的接触率应达到90%以上,如.工作规配对研合,则研合的接触率应达到98%以上,涂色层的厚度按GB11852的有关规定。5.3用校对塞规或工作塞规检验圆锥工作环规的圆锥直径公准时,圆锥工作环规的大端端面应与塞规的大端直径D平面标志线重合,允许有0.2Z的差距。当这个端面超越了塞规大端真径L)中面刻线的后边缘时,即认为圆锥工作环规已达到磨损极限(参见图3)。520
6标志与包装
GB11855—89
标志线前边缘
标志线后边缘
大端直径D平面标志线
在圆锥量规的非工作表面上,应清晰地标志出制造厂商标,圆锥肇规的规格、型号、精度等级,6.1
量规的用途代号和生产序号(工作量规可以省略用途代号)。莫氏短锥代号为B,贾格圆锥代号为】。标记示例:
10号奠氏知锥的3级精度的工作量规,标记为:B103G
0号费格圆锥的2级精度坏规的校对塞规,标记为:J02-J
6.2圆锥量规应经防锈处理,妥菁包装。包装盒上应标志与6.1相同的内容。6.3按本标准生产的圆锥量规应附有合格证。在合格证上应注明本标准的标准号。附加说明:
本标准由全国量具量仪标准化技术委员会提出。本标准由中华人民共和国机械电子1业部成都工真研究所归口。本标准由机械电子工业部成都工具研究所负责起草。本标准主要起草人文祥。
自木标准实施之日起,原中华人民共和国第--机械工业部部标准」B1562--75《钻夹头短圆锥量规》作废。
小提示:此标准内容仅展示完整标准里的部分截取内容,若需要完整标准请到上方自行免费下载完整标准文档。