首页 > 冶金行业标准(YB) > YB/T 132-1997 电熔镁铬砂
YB/T 132-1997

基本信息

标准号: YB/T 132-1997

中文名称:电熔镁铬砂

标准类别:冶金行业标准(YB)

标准状态:已作废

发布日期:1997-08-04

实施日期:1997-12-01

作废日期:2007-07-01

出版语种:简体中文

下载格式:.rar.pdf

下载大小:60571

相关标签: 电熔

标准分类号

标准ICS号:玻璃和陶瓷工业>>81.080耐火材料

中标分类号:建材>>耐火材料>>Q43碱性耐火材料

关联标准

替代情况:被YB/T 132-2007代替

出版信息

出版社:中国标准出版社

书号:155066.2-11907

页数:8页

标准价格:8.0 元

出版日期:2004-04-19

相关单位信息

起草单位:冶金工业部信息标准研究院

归口单位:冶金工业部信息标准研究院

标准简介

YB/T 132-1997 电熔镁铬砂 YB/T132-1997 标准下载解压密码:www.bzxz.net

标准图片预览

YB/T 132-1997 电熔镁铬砂
YB/T 132-1997 电熔镁铬砂
YB/T 132-1997 电熔镁铬砂

标准内容

YB/T132—1997
本标准是根据国内外用户对电熔镁铬砂产品技术要求及生产厂家的实际水平,参照本采购条件16路和19铬规定制定的。本标准同日本16饹和19铬对比,si0、Ca),Fe2含量指标要求较产本标准由治金工业部息标滩研究院提出并口本标准起草单位:海城镁矿尉火材料总厂本标准主要起草人:汪彦、日宗律、刘振月。77
1范围
中华人民共和国黑色冶金行业标准电熔镁铬
Fused magnesite chrome sinterYB/T132
本标准规定了电熔镁铬砂的技术要求、试验方法、检验规则和包装、标志、质量证明书、输及贮存本标准适用于生产耐火材料用电熔镁铬砂。2引用标准
下列标准所包含的条文,通过在本标准中引用而构成为本标准的条文。本标准山版时,所承版本均为有效。所有标准都会被修订,使用本标准的各方应探讨使用下列标准最新版本的可能性。GB2007--87散装矿产品取样、制样通则GB2999-82粒状耐火材料体积密度试验方法GB5070---85镁铬质耐火材料化学分析方法Y3/T5142—93治金矿产品包装、标志和质量证明书的-般规定3分类
3.1产品按理化指标分为五个牌号(其中每个牌号按FeO。含量分a、b两级):FMCS-15
3.2牌号的符号
F熔;
M 镁;
S 砂。
4技术要求
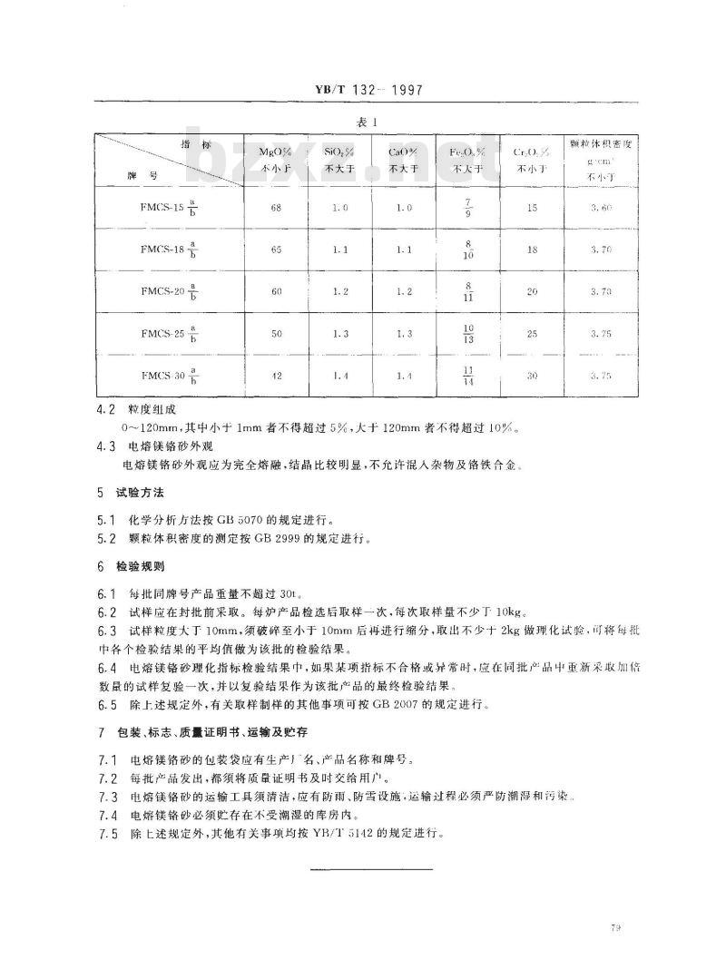
4.1理化指标
FMCS-18
FMCS-20
产品理化指标应符合表1规定:
FMCS-25
中华人民共和国治金工业部1997-08-04批准78
FMCS-30
1997-12-01实施
FMCS-15号
FMCS-18 号
FMCS-20号
FMCS-25 号
FMCS.30号
4.2粒度纽成
YB/T 132-
不大于
不大于
不大于
不小手
0~120mm,其中小于1mm者不得超过5%,大于120mm者不得超过10%。4.3电熔镁铬砂外观bzxz.net
电熔镁铬砂外观应为完全熔融,结晶比较明显,不允许混人杂物及饹铁合金、5试验方法
5.1化学分析方法按GB5070的规定进行。5.2颗粒体积密度的测定按GB2999的规定进行。6检验规则
6.1每批同牌号产品重量不超过30t。6.2试样应在封批前采取。每炉产品检选后取样一次,每次取样量不少丁10kg。颗粒体积密度
6.3试样粒度大丁10mm,须破碎至小于10mm后再进行缩分,取出不少÷2kg做理化试验,i将每批中各个检验结果的平均值做为该批的检验结果。6.4电熔镁铬砂理化指标检验结果中,如果某项指标不合格或异常时,应在间批产品中重新采取加倍数量的试样复验一次,并以复验结果作为该批产品的最终检验结果。6.5除上述规定外,有关取样制样的其他事项可按GB2007的规定进行。包装、标志、质最证明书、运输及贮存7
7.1电熔镁铬砂的创装袋应有生产」名、产品名称和牌号。7.2、每批产品发出,都须将质量证明书及时交给用户。7.3电熔镁铬砂的运输工具须清洁,应有防雨、防雪设施,运输过程必须严防潮混和污染,7.4电熔镁铬砂必须贮存在不受潮湿的库房内。除上述规定外,其他有关事项均按YB/15142的规定进行。7.5
小提示:此标准内容仅展示完整标准里的部分截取内容,若需要完整标准请到上方自行免费下载完整标准文档。