首页 > 冶金行业标准(YB) > YB/T 147-1998 玻璃窑用硅砖
YB/T 147-1998

基本信息

标准号: YB/T 147-1998

中文名称:玻璃窑用硅砖

标准类别:冶金行业标准(YB)

标准状态:已作废

发布日期:1998-08-25

实施日期:1997-12-01

作废日期:2007-09-01

出版语种:简体中文

下载格式:.rar.pdf

下载大小:92239

相关标签: 玻璃 窑用

标准分类号

标准ICS号:玻璃和陶瓷工业>>81.080耐火材料

中标分类号:建材>>耐火材料>>Q41硅质耐火材料

关联标准

替代情况:替代YB/T 5014-93;被YB/T 147-2007代替

出版信息

出版社:中国标准出版社

书号:155066.2-12447

页数:6页

标准价格:8.0 元

出版日期:2004-04-19

相关单位信息

起草单位:全国耐火材料标准化技术委员会

归口单位:全国耐火材料标准化技术委员会

标准简介

YB/T 147-1998 玻璃窑用硅砖 YB/T147-1998 标准下载解压密码:www.bzxz.net

标准图片预览

YB/T 147-1998 玻璃窑用硅砖
YB/T 147-1998 玻璃窑用硅砖
YB/T 147-1998 玻璃窑用硅砖
YB/T 147-1998 玻璃窑用硅砖

标准内容

YB/T 147-1998
本标准与前版标准作了如下的改变:前
本次修订取消了BG-94牌号。同时取消了耐火度,增加了熔融指数、楔形度和相对边差,调整了真密度、显气孔率和常温耐强度等指标。本标准由全国耐火材料标准化技术委员会提出并归口。本标准起草单位:洛阳耐火材料厂、山东八陡耐火材料厂、洛玻(集团)耐火材料厂、山西西小坪耐火材料公司。
本标准主要起草人:杜文忠、李惠芳、陈维国、孟照军、张慧荣。自本标准实施之日起,原标准YB/T5014—93(即GB2607—87)作废。402
1范圈
中华人民共和国黑色冶金行业标准玻璃窑用硅砖
Silica refractory bricks for glass furnacesYB/T 147.1998
代替YB/T5014--93
本标准规定了玻璃熔窑用硅砖的分类、技术要求、试验方法、检验规则、标志、包装、运输、贮存及质量证明书。
本标准适用于单重不大于40kg的玻璃窑用硅砖。2引用标准
下列标准所包含的条文,通过在本标准中引用而构成为本标准的条文。本标准出版时,所示版本均为有效。所有标准都会被修订,使用本标准的各方应探讨使用下列标准最新版本的可能性。GB2997--82致密定形耐火制品显气孔率、吸水率、体积密度和真气孔率试验方法GB/T5071—1997耐火材料真密度试验方法GB5072-·85致密定形耐火制品常温耐压强度试验方法GB6901.3—86硅质耐火材料化学分析方法氢氟酸重量法测定二氧化硅量GB6901.4一86硅质耐火材料化学分析方法邻二氮杂非光度法测定三氧化二铁量GB6901.6—86硅质耐火材料化学分析方法EDTA容量法测定氧化铝量GB6901.9--86硅质耐火材料化学分析方法原子吸收分光光度法测定氧化钾、氧化钠量GB7321-87致密定形耐火制品试验的制样规定GB10325—88耐火制品堆放、取样、验收、保管和运输规则耐火制品尺寸、外观和断面的检验方法GB 10326—88
GB/T16546-1996耐火制品包装、标志、运输和贮存YB/T370—1995耐火制品荷重软化温度试验方法(非示差-升温法)YB4017—91玻璃熔窑用耐火制品形状尺寸硅砖3定义
本标准采用下列定义。
3.1熔融指数flux factor
氧化铝百分含量与二倍的碱金属氧化物百分含量之和。3.2楔形度wedge
楔形砖的大小头实际尺寸差值与大小头公称尺寸差值的符合程度,即l(a一ar)一(an一αol)!。式中:a.a1-
aovaoi-
楔形砖的大、小头实际尺寸,mm;楔形砖的大、小头公称尺寸,mm。4分类、形状和尺寸
4.1砖按理化指标分为BG-96A、BG-96B、BG-95A和BG-95B四个牌号窗豪治金工业局1998-08-25批准1998-12-01实施
YB/T 147-1998
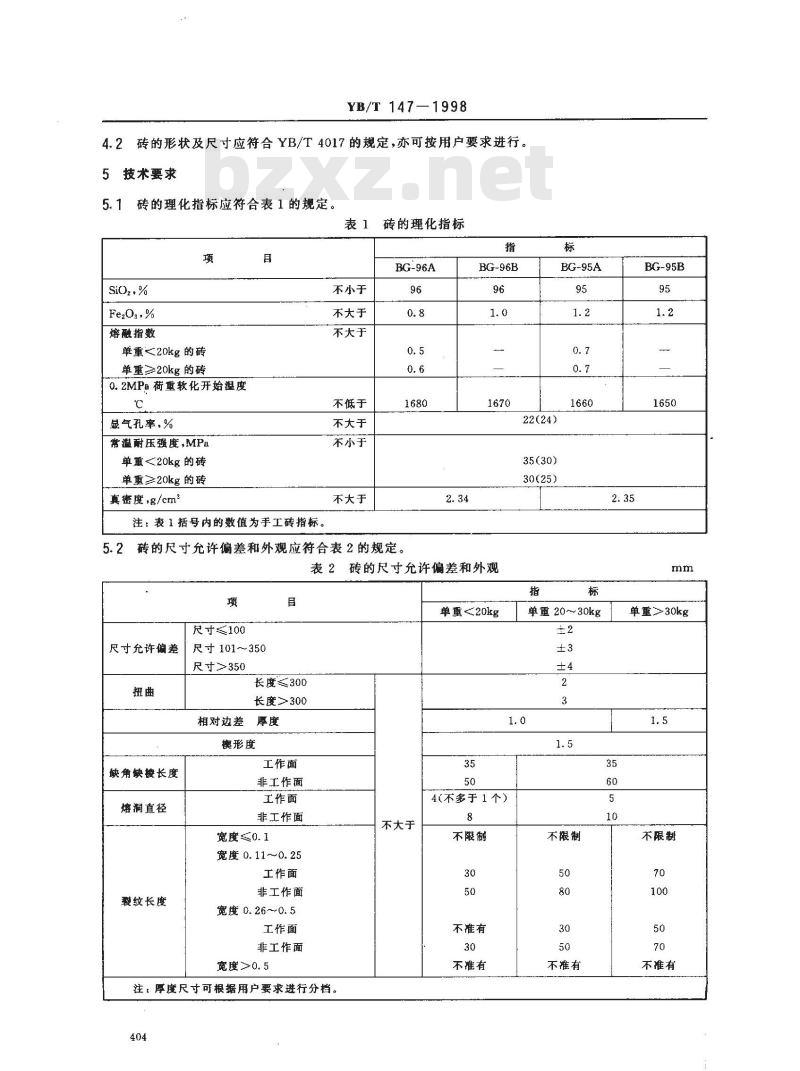
4.2砖的形状及尺寸应符合YB/T4017的规定,亦可按用户要求进行。5技术要求
砖的理化指标应符合表1的规定。表1砖的理化指标
熔融指数
单重<20kg的砖
单重≥20kg的砖
0.2MPa荷重软化开始温度
显气孔率,%
常温耐压强度,MPa
单重<20kg的砖
单重≥20kg的砖
真密度,g/cm
注:表1括号内的数值为手工砖指标。不小于
不大于
不大于
不低于
不大于
不小于
不大于
BG-96A
砖的尺寸允许偏差和外观应符合表2的规定2.34
BG-96B
22(24)
35(30)
BG-95A
30(25)
表2砖的尺寸允许偏差和外观
尺寸允许偏差
缺角缺按长度
熔洞直径
裂纹长度
尺寸≤100
尺寸 101~350
尺寸>350
长度300
长度>300
相对边差厚度
楔形度
工作面
非工作面
工作面
非工作面
宽度≤0.1
宽度0. 11 ~0.25
工作面
非工作面
宽度 0. 26~0. 5
工作面
非工作面
宽度≥0.5
注:厚度尺寸可根据用户要求进行分档。404
不大于
单重20kg
单重20~30kg
4(不多于1个)
不限制
不准有
不谁有
不限制
不罹有
BG-95B
单重》30kgwww.bzxz.net
不限制
不准有
YB/T147-1998
5.3裂纹跨棱时只允许跨过一条棱,跨棱裂纹不合并计算。5.4殖砖上与工作面平行的裂纹:长度不大于裂纹所在面与工作面共用棱长度的五分之一5.5层裂:单重不大于20kg的砖按工作面裂纹指标考核;单重大于20kg的砖,按非工作面裂纹考核。5.6单重大于40kg的砖,其技术条件由供需双方协议。6试验方法
6.1砖的检验制样按GB7321进行。6.2 SiOz的检验按 GB 6901.3进行。6.3Fe:O:的检验按GB6901.4进行。6.4A12O:的检验按GB6901.6进行。6.5Naz20.K,0的检验按YB6901.9进行。6.6荷重软化温度的检验按YB/T370进行。6.7显气孔率的检验按GB2997进行。6.8常温耐压强度的检验按GB5072进行。6.9真密度的检验按GB/T5071进行。6.10砖的外观、尺寸及断面的检查按GB10326进行。7检验规则
砖的取样、验收按GB10325进行。8包装、标志、运输、购存及质量证明书8.1砖的包装、标志、运输和贮存按GB/T16546进行。8.2楔形砖大小头尺寸差值不大于5mm时,应在砖的大头做出明显标记。8.3砖发出时必须附有质量监督部门签发的质量证明书,载明供方名称、需方名称、发货日期、合同号、产品名称、标准编号、牌号、砖号及理化指标等项目内容。405
小提示:此标准内容仅展示完整标准里的部分截取内容,若需要完整标准请到上方自行免费下载完整标准文档。