首页 > 国家标准(GB) > GB 15578-1995 电阻焊机的安全要求
GB 15578-1995

基本信息

标准号: GB 15578-1995

中文名称:电阻焊机的安全要求

标准类别:国家标准(GB)

英文名称: Safety requirements for resistance welding machines

标准状态:已作废

发布日期:1995-06-02

实施日期:1996-08-01

作废日期:2009-08-01

出版语种:简体中文

下载格式:.rar.pdf

下载大小:287503

相关标签: 电阻 焊机 安全

标准分类号

标准ICS号:机械制造>>焊接、钎焊和低温焊>>25.160.30焊接设备

中标分类号:机械>>通用加工机械与设备>>J64焊接与切割设备

关联标准

替代情况:被GB 15578-2008代替

出版信息

出版社:中国标准出版社

书号:155066.1-12031

页数:8页

标准价格:10.0 元

出版日期:2005-11-21

相关单位信息

首发日期:1995-06-02

复审日期:2004-10-14

起草人:张瑞昌、潘颖

起草单位:成都电焊机研究所

归口单位:全国电焊机标准化技术委员会

提出单位:中华人民共和国机械电子工业部

发布部门:国家技术监督局

主管部门:中国电器工业协会

标准简介

本标准规定了电阻焊机的通用安全要求和试验方法及检验规则。本标准适用于在一般条件下使用的各种类型的单相工频交流电阻焊机和电阻焊机控制器。 GB 15578-1995 电阻焊机的安全要求 GB15578-1995 标准下载解压密码:www.bzxz.net

标准图片预览

GB 15578-1995 电阻焊机的安全要求
GB 15578-1995 电阻焊机的安全要求
GB 15578-1995 电阻焊机的安全要求
GB 15578-1995 电阻焊机的安全要求
GB 15578-1995 电阻焊机的安全要求

标准内容

中华人民共和国国家标准
申阻焊机的安全要求
Safety requirements for resistance welding machine1主题内容与适用范围
本标准规定了电阻焊机的通用安全要求和试验方法及检验规则。GB15578--1995
本标准适用于在一般条件下使用的各种类型的单相工频交流电阻焊机(以下简称焊机)和电阻焊机控制器(以下简称控制器)。对焊机或控制器提出的某些特殊要求及其他类型的电阻焊机可在本标准的基础上由用户与制造厂协商,在企业标准或专用技术条件中予以规定。控制器与焊机可以是一体式的,也可以是分体式的,但不论采取哪种结构形式,都应按本标准进行考核。
2引用标准
GB2900.22电工名词术语电焊机
GB4208外壳防护等级的分类
GB8366电阻焊机通用技术条件
ZBJ64005电阻焊机控制器通用技术条件JB/T5256电焊机检查及抽样方法3术语、符号
本标准所使用的术语、符号均符合GB2900.22、GB8366、ZBJ64005标准的规定。4使用条件
4.1正常使用条件
焊机和控制器应在下列使用条件下正常工作。4.1.1环境条件
4.1.1.1海拔高度不超过1000m。4.1.1.2周围环境空气温度应不超过下列限值:a.
最高温度
最低温度
对于通水冷却的焊机和控制器
对于空气冷却的焊机和控制器
日平均温度
d.年平均温度
4.1.1.3空气相对湿度
—5℃免费标准下载网bzxz
最湿月的平均最大相对湿度为90%,同时该月平均最低温度不大于25℃。国家技术监督局1995-06-02批准1996-08-01实施
GB15578—1995
4.1.1.4周围空气中的灰尘、酸、腐蚀性气体或物质等不超过正常含量。4.1.2对于通水冷却的焊机和控制器,其冷却水应达到下列要求:a.
冷却水进口温度
冷却水进口压力
c水质符合工业用水标准
4.1.3供电电网要求
5~30℃
≥0.15 MPa
供电电压应为单相220V或380V,其频率为50Hz。供电电网品质应达到下列要求:电压波形应为实际的正弦波;
电网电压的波动不超过额定值的土10%;b.
电网电压频率的波动不超过额定值的士1%。4.2特殊使用条件
当使用条件不符合第4.1条时,用户应在订货时提出,与制造厂协商解决。5安全要求
5.1绝缘电阻
5.1.1焊机或控制器中电源输入回路与外壳之间及变压器输入输出回路之间的绝缘电阻应不低于2. 5 MQ。
5.1.2控制器中不与外壳相连,电压高于交流42V或直流48V的回路,对外壳的绝缘电阻应不低于1MQ2;电压低于或等于交流42V或直流48V的回路,对外壳的绝缘电阻应不低于0.5MQ。5.2介电强度
5.2.1焊机或控制器中不与外壳相连的各带电回路按其工作电压大小应能承受表1规定的50Hz正弦交流试验电压,历时1min,应无闪络或击穿现象。表1
额定工作电压U。(交流有效值或直流平均值)U60
601252505005.2.2试验部位
a.电源输人回路与外壳之间;
b.变压器的输入、输出回路之间;c、控制回路与外壳之间。
5.3电气间隙与爬电距离。
正在考虑之中。
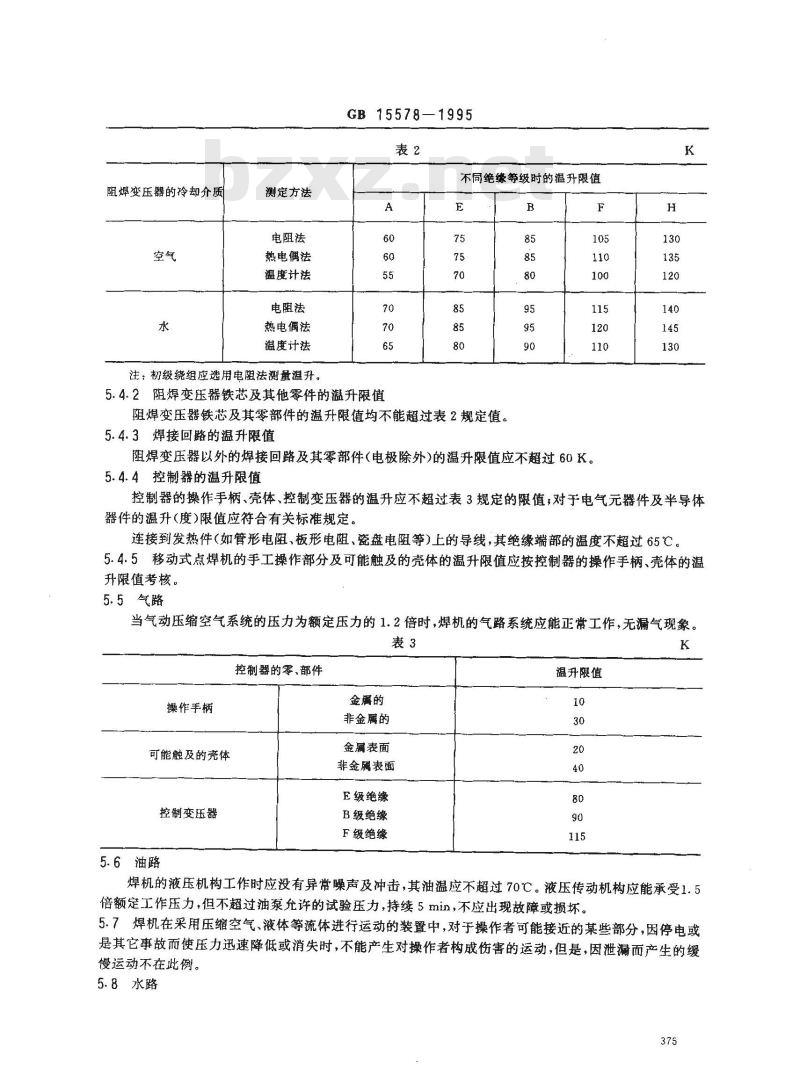
5.4温升限值
5.4.1阻焊变压器绕组温升限值
试验电压(交流有效值)
阻焊变压器(空冷式或水冷式)绕组的温升限值应符合表2的规定。374
阻焊变压器的冷却介质
测定方法
电阻法
热电偶法
温度计法
电阻法
热电偶法
温度计法
注:初级绕组应选用电阻法测量温升。GB15578—1995
不同绝缘等级时的温升限值
5.4.2阻焊变压器铁芯及其他零件的温升限值E
阻焊变压器铁芯及其零部件的温升限值均不能超过表2规定值。5.4.3焊接回路的温升限值
阻焊变压器以外的焊接回路及其零部件(电极除外)的温升限值应不超过60K。5.4.4控制器的温升限值
控制器的操作手柄、壳体、控制变压器的温升应不超过表3规定的限值,对于电气元器件及半导体器件的温升(度)限值应符合有关标准规定。连接到发热件(如管形电阻、板形电阻、瓷盘电阻等)上的导线,其绝缘端部的温度不超过65℃。5.4.5移动式点焊机的手工操作部分及可能触及的壳体的温升限值应按控制器的操作手柄、壳体的温升限值考核。
5.5气路
当气动压缩空气系统的压力为额定压力的1.2倍时,焊机的气路系统应能正常工作,无漏气现象。表3
控制器的零、部件
操作手柄
可能触及的壳体
控制变压器
5.6油路
金属的
非金属的
金属表面
非金属表面
E级绝缘
B级绝缘
F级绝缘
温升限值
焊机的液压机构工作时应没有异常噪声及冲击,其油温应不超过70℃。液压传动机构应能承受1.5倍额定工作压力,但不超过油泵允许的试验压力,持续5min,不应出现故障或损坏。5.7焊机在采用压缩空气、液体等流体进行运动的装置中,对于操作者可能接近的某些部分,因停电或是其它事故而使压力迅速降低或消失时,不能产生对操作者构成伤害的运动,但是,因泄漏而产生的缓慢运动不在此例。
5.8水路
GB15578—1995
5.8.1水冷却系统在0.15MPa压力下,应能达到焊机或控制器的额定水流量。5.8.2水冷却系统在0.3MPa压力下应能可靠地工作,并无漏水、渗水现象。5.8.3对带有水冷晶闸管元件的焊机或控制器,应装有热保护装置,否则,应在其水冷却系统装设水流量或压力监控装置。当水流量或水压力低于或等于极限值时,监控装置应能自动断开主回路或阻止主电路导通。
对于不带有水冷晶闸管元件的,其水冷却系统如何监控由产品标准规定。5.8.4对于直接水冷的晶闸管元件,在带有输入电压的部分应使用绝缘性能优良的橡胶软管或聚乙烯软管等。焊机或控制器进水侧及出水侧的冷却水管的长度应按输入电压决定:220V
5.8.5焊机的水冷却系统的溢流装置应保证有观察水流的可能性。5.9保护与接地
5.9.1采用强迫风冷的焊机或控制器,应在风机排风口(或进风口)装有金属网罩。5.9.2控制器的电源引入端应装有短路保护装置。5.9.3焊机或控制器中暴露在外,而且易于人体接触的电路,其电压不应超过交流42V,直流48V。5.9.4控制器的外壳防护等级最低为IP20。5.9.5焊机或控制器如果配备有“紧急停止”开关或按钮,应装设在操作者易于发现和操作的位置,而且开关或按钮的操作手柄必须是“红色”。5.9.6抗干扰(电源干扰、无线电干扰)正在考虑之中。
5.9.7接地
焊机或控制器应有良好的接地装置,接地螺钉的直径应按阻焊变压器的额定容量选取,但不得小于8mm,并在附近标注明显的接地符号“\。与接地点连接的导线必须是绿/黄双色。对于一体式的控制器,允许本身不加接地螺钉而采用其它的安全措施,对于小型的控制器,如内部已经有了可靠的接地装置,允许外壳不另加接地螺钉而采用其它的安全措施,但必须标明接地符号。接地螺钉和接地点不许做其它机械紧固之用。5.10焊机应有可靠的起吊装置。对于悬挂式焊机,阻焊变压器装配件上除设置可靠的主吊环外,还应备有保险绳索或备用吊环(或吊孔),以便在主吊环损坏时起到保护作用。6试验方法
6.1总则
6.1.1被检验的焊机或控制器应该是新的、于燥的,并在环境温度10~40℃下进行检验。6.1.2检验时,测量仪表的准确度或精度应不低于:a:电参量测量仪表
出厂检验时
型式检验时
b.气压表
温度计
6.2外观检查
检查冷却风机的排风口(或进风口)是否装有金属网罩;b.检查接地螺钉及所用图形符号是否符合规定;检查焊机的控制器的电源引入端是否装有短路保护装置;c
检查焊机或控制器中暴露在外且易于人体接触的电路所用电压是否符合规定;d
GB15578—1995
检查焊机或控制器的“紧急停止”开关或按钮是否符合规定,f.
检查焊机的起吊装置及悬挂式点焊机主吊环和备用保险绳索或备用吊环(或吊孔)是否符合规检查焊机的溢流装置是否能方便地观察冷却水流;g.
h。检查焊机的液压机构工作时是否有异常噪声和冲击。6.3温升试验
6.3.1温升试验条件
焊机的温升试验应在阻焊变压器的额定级进行,并在低电压下对阻焊变压器施加连续电流,其计算公式如下:
式中:I1p—输入焊机的连续电流,Urp输入焊机的低电压
S,—100%负载持续率下的最大输入视在功率,它与50%负载持续率下的标称功率(S.)的关系为:S,=S,/ V2。
试验时,焊机应按GB8366规定对次级进行短路。6.3.1.1空冷式阻焊变压器
试验时的环境温度应不低于10℃,并假定环境温度在10~40℃范围时,其温升试验值是相同的。测定环境温度的温度计应放置在焊机附近约1m处,其高度约为焊机的一半。放置温度计的地方应远离热辐射源及通风装置。允许将温度计的水银球放置在小油杯内,以均衡温度的变化。6.3.1.2水冷式阻焊变压器
水冷式阻焊变压器在温升试验前先通水,冷却水的进水温度应不高于30℃。将温度计放置在焊机的进水口处测量水温。
调节进水压力,使之达到并保持制造厂规定的额定水流量。半小时后测定绕组的冷态电阻,再开始通电试验。此时冷却水的进口温度即为绕组的冷态温度。应用电阻法测定阻焊变压器的初级绕组温升:次级绕组的温升可采用温度计法或热电偶法。测温元件应放置在绕组的最热点上。采用热电偶法或温度计法测量温升时应在温升试验过程中进行。6.3.1.3在做阻焊变压器的温升试验时,应同时用热电偶或温度计测量阻焊变压器铁芯及其他零、部件的温度。测量时,应将测温元件放置在最热点。6.3.1.4温升的测量
试验应持续进行,直至温升速率不超过2K/h时为止。而后立即进行测温。在停机后的 1~~2min之内,测得的数据越多越好,但至少应测4点,以获得正确的测量结果。在测量中如出现读数连续下降,则从测绘的温度-时间曲线外推到停机时刻的最高温度,如停机后温度上升,则以测得的最高温度为准。对于水冷式阻焊变压器,在停机时应同时停止供应冷却水。6.3.2电阻法测温升的计算
电阻法测温升系利用绕组的电阻增加来测定绕组的温升。对于铜绕组,其温升值由下式计算:tz -t. =RER× (235 +2)+(t -t)R
式中:t2-—温升试验结束时绕组的温度,℃,(2)
GB15578—1995
ti一一温升试验开始时绕组的冷态温度,℃;t.~一温升试验最后15min内周围空气或冷却水进口温度,℃;R一一温升试验结束时绕组的电阻,Q;R,一—温升试验开始前绕组的冷态电阻,。6.3.3控制器的温升试验
控制器应与相应的电阻焊机配套,在额定电源电压、额定频率和控制器标称焊接周期下进行温升试验。用半导体点温计或热电偶温度计或半导体器件规定的方法测量温度。当零部件的温升速率不超过2K/h时,就认为已达到热平衡状态,而后进行测温。6.3.4移动式点焊机的手工操作部分及可能触及的壳体的温升试验移动式点焊机的手工操作部分及可能触及的壳体的温升试验应在做移动式点焊机的变压器温升试验的同时进行,用半导体点温计或热电偶温度计测量移动式点焊机的手工操作部分及可能触及的壳体的温度。当其温升速率不超过2K/h时,就认为已达到热平衡的状态,而后进行测温。6.4绝缘电阻测量
测量绝缘电阻所用兆欧表的电压等级应根据回路电压而定,如表4。测量时,在施加电压1min后立即读取数据。对于水冷却部件应在无冷却水的情况下测量绝缘电阻。绝缘电阻测量应在温升试验后立即进行。出厂试验时允许在常温下进行该项试验表4
回路工作电压
≥500
6.5介电强度试验
介电强度试验应在绝缘电阻测量合格后进行。兆欧表的额定电压
试验电压应是额定频率下的实际正弦波,其值按表1规定。试验时,试验电压应在20$内逐步增加到规定值,并维持1 min。而后,将电压逐步降至零。试验过程中,允许将晶闸管短接;印制线路板和控制用徽机可以短接或拆除。试验一般不重复进行,如遇特殊情况需要重做时,其试验电压应是规定值的75%。6.6水冷却系统试验
6.6.1水冷却系统的密封性试验应在出水孔密封的情况下进行。调节冷却水的进水压力为0.3MPa,历时5min做密封性水压试验。
对于焊机上的旋转密封装置可不做此项试验。6.6.2冷却水系统的流量测定应在出水孔打开的情况下进行。调节冷却水的进口压力为0.15MPa,测量冷却水的流量。
6.6.3调节冷却水进口压力为极限值,压力或流量监控装置应能自动地切断主电路,或阻止主电路导通。试验应重复进行五次,监控装置每次都能可靠地动作。6.6.4测量直接水冷晶闸管元件带电部分进水及出水冷却水管的长度。6.7外壳防护等级的检验
控制器的外壳防护等级的检验应按GB4208标准规定进行。6.8气路系统密封性试验
用橡皮塞或其他材料堵住出气口,并将肥皂液涂于气路系统的各接头及其他易漏气处,启动气泵或打开压缩空气气源,使气路系统的压力达到额定值的1.2倍,维持5min,检查各接头处及有关部位是否漏气。
6.9油路系统密封性试验
GB15578-1995
调节进口压力,使液压传动机构的压力达到额定工作压力的1.5倍,但不超过油泵允许的试验压力,维持5min,检查油路系统的密封性。7检验规则
7.1每台焊机或控制器需经检验部门检查合格后方能出厂,并应附合格证书。7.2检验的分类
焊机或控制器的检验分为:
a。出厂检验;
型式检验。
7.3出广检验
7.3.1每台焊机或控制器出厂前均应进行出厂检验,出厂检验必须包括表5所列项目。表5
检验项目
外观检查
绝缘电阻测量
介电强度试验
气路系统密封性试验
水冷却系统密封性试验
水流量测定
水压力监控装置试验
试验方法条款
技术要求条款
5.9. 1、5. 9.7、5. 9.2、5. 9. 3、5.10、5.8.5、5.6.5.9.5
7.3.2出厂检验项目应符合本标准的要求,否则应进行返修,或调换零、部件,直至全部合格为止。7.3.3用户有权按出厂检验项目检查焊机或控制器是否符合本标准要求。7.4型式检验
7.4.1型式检验除出厂检验项目外,还应包括表6列出的安全要求项目。表6
检验项目
温升试验
外壳防护等级的检验
测定晶阐管冷却水管长度
油路系统密封性试验
7.4.2凡属下列情况之一者,应进行型式检验:试制的新焊机或控制器;
试验方法条款
技术要求条款
已定型的焊机或控制器当设计、工艺改进或关键性材料更换,有可能影响到产品的性能指标发b、
生变化时;
不经常生产的焊机或控制器当再次生产时;制造厂对于批量生产的焊机或控制器应定期抽试,每三年不少于一次。7.5型式检验的抽样及评定方法,应按JB/T5256标准规定进行。379
附加说明:
GB15578--1995
本标准由中华人民共和国机械电子工业部提出。本标准由全国电焊机标准化技术委员会归口。本标准由成都电焊机研究所负责起草;参加单位有上海电焊机厂、成都电焊机厂、沈阳电焊机厂等。本标准主要起草人张瑞昌、潘颖。380
小提示:此标准内容仅展示完整标准里的部分截取内容,若需要完整标准请到上方自行免费下载完整标准文档。