首页 > 交通行业标准(JT) > JT/T 210-95 救捞用软管法兰接头
JT/T 210-95

基本信息

标准号: JT/T 210-95

中文名称:救捞用软管法兰接头

标准类别:交通行业标准(JT)

标准状态:现行

出版语种:简体中文

下载格式:.zip .pdf

下载大小:390749

相关标签: 软管 法兰 接头

标准分类号

关联标准

出版信息

相关单位信息

标准简介

JT/T 210-95 Flange of flexible hose for salvage.
1主题内容与适用范围
JT/T 210规定了救捞用软管法兰接头(以下简称法兰接头)的产品品种、规格和技术要求等。
JT/T 210适用于压力为0.5MPa,软管内径分别为100mm.160mm和200mm的救捞用软管法兰接头。
2引用标准
GB97.2平垫圈倒角型 A级
GB699优质碳素结构钢
GB700碳素结构钢
GB1188织物增强吸水软管
GB5782六角头螺栓 A级和B级
GB6170 I 型六角螺母A级和B级
GB8163输送 流体用无缝锕管
3产品品种、规格
3.1法兰接头均由法兰、接管、软垫片、紧固件(螺栓、螺母、垫圈)组成,型式如图1所示。规格有配软管内径为100mm、160mm、200mm三种。
4.3法兰表面应光滑,不得有降低强度和影响密封性的缺陷。
4.4焊条的机械性能,不得低于强度较低的被焊件(法兰或接管)机械性能的下限。
4.5法兰和接管焊接处,不应有气孔、夹渣;须去掉焊縫处的毛刺和棱角。
4.6法兰接头 使用的螺栓应符合GB5782-86《六角头螺栓A级》,螺母应符合GB6170-86(I型六角螺母》,垫圈应符合GB97. 2-85《平垫圈倒角型A级》的要求。
4.7法 兰接头配用的软管应符合GB1188-89《织物增强吸水软管》的要求。
4.8法兰接头须进行1.5倍压力的水压试验,并不得有变形和泄漏。
4.9法兰接头 的表面应涂防锈漆二度。

标准图片预览

JT/T 210-95 救捞用软管法兰接头
JT/T 210-95 救捞用软管法兰接头
JT/T 210-95 救捞用软管法兰接头
JT/T 210-95 救捞用软管法兰接头
JT/T 210-95 救捞用软管法兰接头

标准内容

中华人民共和国交通行业标准
JT/T 210—95
代#JT610%81
救捞用软管法兰接头
Flange of fiexdble hose for salvage1995-09-07 发布
中人民共和国通
1996-03-1 实施
1主题内穿与适用范图
中华人民共和国交通行业标准
教捞用软管法兰接头
Flange or flexdhle hoge for sxlvageJT/T210-95
代普 JT HG-R3
本标准现定工数携用救管法三转头<以下高称告美接头)的产品品种、规和技术要求等。水标准适用十压Y0.5MPm.软管内径分别为100mm.160mm和200m血的教捞用救管法兰接头。
2引用标准
平范角型人级
优质碳考结构捆
碳紊结均钢
CB1188
织均增强吸水软肾
六角头螺栓A级和B级
GB5Y82bZxz.net
GBG17OT型六角罩母A级和B级
GB8163输避流体用光造钢管
3产品品种、规括
3.!送兰接头巧山法兰,接管、软垫片、固性(螺轻,账母、望圈>组减,型式如国1所示,客有配软节径火100hmm160mmm200mmm二钟
++.-* -++..
1-兰:2·接使5较垫片原固炸(源性、螺母、势围)中华人民共和国交通部1995-09-0批准43
190301实施
标记示划
JT/T 210 95
软管内径10mm,公称压力C.5MPa的潜盖接头诺兰接头1C0/0.5J1/T/210-95
3.2法兰尺寸接图2和表1.
表一法盖尺
款内径
外径力
婚孔中心
图页径D
3.3接管尺寸按表2知图3。
款督内径
密封面
外轻:
我接尺
外径D
坚厚点
凸面高度
直径品
娠性孔数
最(个)
法兰与接管的媒接尺寸按表3和图43.4
JT21095
表3按尺亭
角尽小
接育高法兰边距高
法兰加技肾理危重险
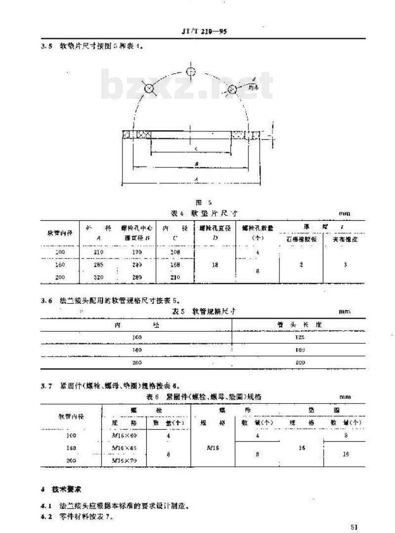
3.5教整片尺寸安图5和表4.
螺棕孔中心
JTT21-95
表4软垫片尺子
法兰接头配用的软管规格尺寸据表5,3
螺降孔直说
表5软管规格尺
固件(螺栓、燃母、快园)规格接表品。B
螺栓孔散量
表6累网件(螺栓,螺耳、垫国)规格较街内径
技术要求
M16x×65
15×70
法兰接头应根据本标准的要求设计制造,4.2零件材料按表7,
量(个)
不根电胶
夹布雄应
教禁(个)
零栏.名牌
浓丝、垫乳
JT/T 210—95
嵌意结构钢
输送悼月无睡焖管
优质求特构射
4.3法兰表应光滑,不得有陷低驱度和影询滴时性的缺陷,4.4焊条的机械性能,不得低十燥度较货的被焊件选兰或接管!机忧能的下退。45法兰利按替焊按处,不应有气孔、变避;须云掉焊继处的毛司和载角。标油照号
K700-68
GBB167-87
G65988
4.6法美接头使用的骤全度存合Gm5782-864六自头课性A级3,频母应符合(R6170-861型方单爆母3.热图座符GB97.2-B平带例型A款的要求,4.7法兰接头配用的软官成等合GB11织物增塑吸水软件的要求,4.8法兰接头须步行1.5倍压力的水压试验,井.不得有变形和泄漏。4.9法兰接头的表川应涂防锈漆二度。5检验规
5.1法兰接头所制造厂术检验部仃验收。5.2法接头应按率标准4.1至.6条的要求逆行检将,不会格者不许出」育格者出具令格证书。5.3在和同杀件F加工出的批法兰按头宁,插取不低于5片的产品按本标准4.B条的要求进行检验。
持检结果.如有一件不合格时,应如件抽控,营仍有-件不合势时,则该批产品为不台格批。标志,产品合含格证书
6.1每以送兰接头的明显部位,应打上永久性的以分数形式标示的正力和软管内径的标本,分母本示压力,分子表示软管内径
6.2每批洁兰摘头由制道,附一产品合搭证书,以证明该批洁兰接头符合本标准要求,内容成法明下列各频:
a.制选厂名:
h.法兰擦头名称,势格;
c.制造口期或生产批号:
d控人检收部门单:
“.本准号码:
附加说明:
木标确出交通部上海离上救助打局提出。本标准由交通部救谱与水下工预标准化技术委员会归工:本标准由交通前上海海上救助打捞局和技处负资制修汀。本标摊制修订人:顺苗。
本标准十1983年12F31日斤次发市,十1995年第1次修。53
小提示:此标准内容仅展示完整标准里的部分截取内容,若需要完整标准请到上方自行免费下载完整标准文档。