首页 > 其他行业标准 > YB/T 4497-2015冶金用机卡式硬质合金齿圆锯片
YB/T 4497-2015

基本信息

标准号: YB/T 4497-2015

中文名称:冶金用机卡式硬质合金齿圆锯片

标准类别:其他行业标准

英文名称:Metallurgical TCT clamped circular saw blade

标准状态:现行

发布日期:2015-07-14

实施日期:2016-01-01

出版语种:简体中文

下载格式:.pdf .zip

相关标签: 冶金 硬质合金 圆锯片

标准分类号

标准ICS号:冶金>>77.180冶金设备

中标分类号:冶金>>冶金机械设备>>H99其他动力设备

关联标准

出版信息

出版社:冶金工业出版社

标准价格:30.0

出版日期:2016-01-01

相关单位信息

起草人:郭继富、张好强、王林、邵鸿丽、张艳龙、李晨辉

起草单位:唐山冶金锯片有限公司、华北理工大学

归口单位:冶金机电标准化技术委员会

提出单位:中国钢铁工业协会

发布部门:中华人民共和国工业和信息化部

主管部门:冶金机电标准化技术委员会

标准简介

本标准规定了冶金用机卡式硬质合金齿圆锯片的结构型式、基本参数及尺寸、标记、技术要求、检验方法、检验规则、标志、包装、运输及储存。 本标准适用于锯切常温状态的钢坯、钢管、钢轨、铸铁、纯铜的机卡式硬质合金齿圆锯片。
本标准按照GB/T 1.1-2009给出的规则起草。
本标准由中国钢铁工业协会提出。
本标准由冶金机电标准化技术委员会归口。
本标准起草单位:唐山冶金锯片有限公司、华北理工大学。
本标准主要起草人:郭继富、张好强、王林、邵鸿丽、张艳龙、李晨辉。
本标准为首次发布。

标准图片预览

YB/T 4497-2015冶金用机卡式硬质合金齿圆锯片
YB/T 4497-2015冶金用机卡式硬质合金齿圆锯片
YB/T 4497-2015冶金用机卡式硬质合金齿圆锯片
YB/T 4497-2015冶金用机卡式硬质合金齿圆锯片
YB/T 4497-2015冶金用机卡式硬质合金齿圆锯片

标准内容

ICS77.180
中华人民共和国黑色冶金行业标准YB/T4497—2015
冶金用机卡式硬质合金齿圆锯片MetallurgicalTCT clamped circularsawblade2015-07-14发布
中华人民共和国工业和信息化部2016-01-01实施
本标准按照GB/T1.1--2009给出的规则起草。本标准由中国钢铁工业协会提出。本标准由冶金机电标准化技术委员会归口。本标准起草单位:唐山冶金锯片有限公司、华北理工大学。本标准主要起草人:郭继富、张好强、王林、邵鸿丽、张艳龙、李晨辉。本标准为首次发布。
YB/T44972015
1范围
冶金用机卡式硬质合金齿圆锯片YB/T4497—2015
本标准规定了冶金用机卡式硬质合金齿圆锯片的结构型式、基本参数及尺寸、标记、技术要求、检验方法、检验规则、标志、包装、运输及储存。本标准适用于锯切常温状态的钢坏、钢管、钢轨、铸铁、纯铜的机卡式硬质合金齿圆锯片。2规范性引用文件
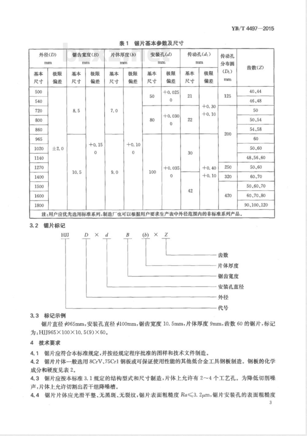
下列文件对于本文件的应用是必不可少的。凡是注日期的引用文件,仅注日期的版本适用于本文件。凡是不注日期的引用文件,其最新版本(包括所有的修改单)适用于本文件。GB/T191包装储运图示标志(GB/T191—2008,ISO780:1997,MOD)GB/T230.1金属材料洛氏硬度试验第1部分:试验方法(A、B、C、D、E、F、G、H、K、N、T标尺)(GB/T230.1—2009,ISO6508—1:2005MOD)GB/T1800.2—2009产品几何技术规范(GPS)极限偏差表(ISO286-2:1988,MOD)极限与配合第2部分:标准公差等级和孔、轴GB/T2674内六角花形半沉头螺钉(GB/T2674—2004,ISO14584:2001,MOD)GB/T18376.1硬质合金牌号第1部分:切削工具用硬质合金牌号GB/T25671、硬质涂层高速钢刀具技术条件JB/T7707离子镀硬膜厚度试验方法球磨法3结构型式、基本参数及尺寸、标记3.1冶金用机卡式硬质合金齿圆锯片(以下简称“锯片”)由片体与若干经涂层处理后的锯齿组成,锯齿置人片体上的齿座内并用螺钉紧固。锯片的结构型式应符合图1的规定,齿座的结构应符合图2的规定,基本参数及尺寸应符合表1的规定。齿形分为A型齿和B型齿两种,参见图3、图4。A型齿主要用于锯切钢坏、钢管及钢轨,B型齿主要用于锯切铸铁及有色金属。nd,
锯片结构型式
YB/T4497—2015
分销精
分屑槽
图2齿座的结构型式
图3A型齿锯片的齿型和角度
图4B型齿锯片的齿型和角度
外径(D)
锯齿宽度(B)
锯片基本参数及尺寸
片体厚度(b)
安装孔(d)
传动孔(d)
YB/T4497-—2015
传动孔
分布圆
注:用户应优先选用标准系列,制造厂也可以根据用户要求生产表中外径范围内的非标准系列产品。3.2
2锯片标记
3.3标记示例
(6) ×
片体厚度
锯齿宽度
安装孔直径bzxZ.net
齿数(Z)
40、44
46、48
50、54
54、58
50、60
48、56、60
50、60
60、70
50、60、70
60、70、80
90、100、120
锯片直径965mm,安装孔直径$100mm,锯齿宽度10.5mm,片体厚度9mm,齿数60的锯片,标记为:HJJ965×100X10.5(9)×60。4技术要求
4.1锯片应符合本标准规定,并按经规定程序批准的图样和技术文件制造。4.2锯片片体一般选用8CrV、75Cr1钢板或可保证使用性能的其他低合金工具钢板制造。钢板的化学成分和硬度见表2。
4.3锯片应按本标准3.1规定的结构型式和尺寸制造,片体上允许有2~4个工艺孔。为降低切削噪声,片体上允许切割出若干组降噪槽。4.4锯片片体应光滑平整、无黑斑、无裂纹,锯片表面粗糙度Ra≤3.2μm,锯片安装孔的表面粗糙度3
YB/T4497—2015
Ra1.6μm。
表2片体原材料的化学成分和硬度化学成分(质量分数)/%
0.75~0.850.25~0.40
0.30~0.50
0.70~0.800.25~0.500.50~0.70
0.40~0.700.15~0.25
0.25~0.55
锯片片体热处理硬度42HRC~46HRC,同片硬度差≤2HRC。硬度
(热轧状态)HBW
≤290
≤290
锯齿硬质合金刀头依据锯切材质,选用合适的牌号,其性能应符合GB/T18376.1的要求。齿顶面需开分屑槽,在相邻两齿上按锯片厚度中心交错对称分布,其距离为0.50mm~2.50mm。锯齿的切向隙角以se的差值表示,为0.06mm~0.25mm。成品锯齿表面需采用PVD或CVD工艺覆以氮铝钛或氮铬铝等涂层,推荐涂层性能要求见表3。表3推荐锯齿涂层性能要求
膜层厚度/μm
硬度(HV)
≥2800
结合强度等级
锯齿切削刃光滑平整且无裂纹及崩刃,锯齿切削刃表面粗糙度Ra0.8um。片体上齿座的定位凹槽与刀头凸台之间的配合推荐选取GB/T1800.2—2009中H7/j6精度等级。锯齿与片体之间用符合GB/T2674中的内六角花形半沉头螺钉紧固,锯齿M面与齿座M面应紧密接触。
锯片形状位置公差按表4规定控制。表4锯片形状位置公差
500D800
锯齿顶刃对安装孔轴线的径
向圆跳动
相邻齿
锯齿侧刃对安装孔的端面圆跳动片体平面度
传动孔对安装孔的位置度
锯片片体同片厚度差及齿宽差按表5规定控制。表5
$500800
同片厚度差
齿宽差
$800单位为毫米
1001300<1800
锯片片体同片厚度差及齿宽差
800<100
1100<1300
锯片片体的应力指标(以加力后的变形量表征)一般控制在0.10mm~0.35mm。检验方法
锯片表面质量采用目测法进行检验,表面粗糙度检验用比较法检验。≤0.10
单位为毫米
1300YB/T4497—2015
5.2片体硬度检验应符合GB/T230.1的规定。测量片体硬度时,在片体板面上均分三个扇形区域,每个区域测量均布的三点硬度值,其值应符合4.5条的要求。如其中一点不合格,应在距该点20mm~40mm的同圆周上补检均布的三点,若符合要求则判为合格。5.3锯齿涂层硬度按GB/T25671的规定进行检验。5.4锯齿涂层厚度按JB/T7707的规定进行检验。5.5锯齿涂层结合强度按GB/T25671的规定进行检验。5.6锯齿M面与齿座M面接触间隙使用塞尺检验。5.7齿距用游标卡尺、齿宽用板厚千分尺分别随机抽样检测,抽检比例不低于5%且不少于3个,均布。齿宽最大值与齿宽最小值之差即为齿宽差。5.8锯片形状位置公差
5.8.1锯齿顶刃对安装孔轴线的径向圆跳动按图5所示方法在齿尖上测定。5.8.2锯齿端面圆跳动按图5所示方法在距离齿根圆弧0mm~10mm的任一圆周上测定,锯片检测夹盘直径应与锯片在锯机上使用的夹盘直径一致。图5锯片的径向圆跳动和端面圆跳动检测方法5.8.3平面度测量可采用平尺加塞尺的方法进行。用塞尺测量平尺与锯片之间的最大间隙,其值即为锯片的平面度。
5.8.4传动孔对安装孔的位置度误差,用专用量具检测。5.9测量锯片同片厚度差时,要在锯片的安装孔边缘和外圆周上分别均匀选取3个以上的检测点,用厚度千分尺测量其片体厚度,用最大值减最小值即得到同片厚度差。5.10锯片应力按图6所示方法检测,夹盘直径应与锯片在锯机上使用的夹盘直径一致。侧向力F的加力点A在距齿根圆弧0mm~10mm范围内,其大小应使加力点处产生3mm的变形量。变形量检测点B在相同圆周上与加力点A呈90°角度差。加力后用百分表或位移传感器测量B点的变形量,此时测量值减去未加力时的测量值,即表示锯片的应力指标。定义锯片的加力点的变形与检测点的变形方向一致时应力为正,反之为负。每张锯片的应力检测点数应至少选择均布的8点以上,当测量点的应力值在十0.10mm~十0.35mm范围内时,锯片的应力合格。6检验规则
6.1锯片检验
6.1.1锯片经检验合格后才能出厂。YB/T4497-2015
锯片出厂应检查以下各项:
安装孔直径;
表面质量;
外径;
齿距;
锯片片体厚度及同片厚度差;
齿宽及齿宽差;
径向圆跳动;
端面圆跳动;
片体硬度及硬度差;
传动孔对安装孔的位置度;
平面度;
应力。
6.2锯齿检验
图6锯片应力检测
一侧向力F
锯齿安装前必需检验,取批量产品的5%~10%(最低不少于2件)随机抽取,有下列情况之一时6.2.1
应进行型式检验:
a)新产品;
设计、材料、工艺有较大改变
正常生产,积累一定产量后;
产品长期停产后,恢复生产时;d
出厂检验结果与上次型式检验有较大差异。检验项目见表6。
5锯齿检验项目
检验项目
几何参数
外观质量
膜层厚度
结合强度
安装前检验
检验类别
型式检验
YB/T44972015
6.2.3抽检结果如有1件不合格时,需进行加倍抽样检验。若再发现有1件不合格,就判本批产品不合格。
7标志、包装、运输和储存
7.1标志
每张锯片均应有清晰标志,内容包括:a)制造厂家、商标、合格标识;b)规格型号、执行标准;
c)制造日期及生产编号。
7.2包装
锯片包装前须擦拭干净并进行防锈处理。7.2.2
锯齿用橡胶圈全圆周保护。
锯片用木箱全封闭包装。要防潮、防水、防碰撞、防变形包装箱外边用铁钉、打包带捆扎牢固。包装箱的强度应保证在正常情况下运输不散箱、不损坏锯片。包装箱内应随附下列文件:
装箱单:注明产品名称、规格型号、数量、装箱日期;有检验员签章的产品合格证。
包装箱外表面应标明:
产品名称、规格型号、数量;
装箱日期、毛重、净重;
制造厂名称、地址
包装储运图示标志应符合GB/T191的规定。7.3运输
在运输、装卸过程中,应防止磕碰并保证包装完好无损。7.4储存
锯片应在通风良好、干燥防潮的库房内平放,码垛高度不超过1.5m,片体表面在一年内不能锈蚀,禁止碰撞。
8使用与维护
8.1使用要求
8.1.1锯片配套的锯机应具有良好的稳定性,锯片夹盘及进给导轨精度良好,锯片安装正确,夹持牢固。根据工件不同选择合理的锯切工艺参数。8.1.2被锯切工件应该处在稳固夹持的状态下,以免因异常窜动损伤锯片。8.1.3锯片应得到足够的润滑和冷却。8.2锯齿更换
8.2.1锯片使用过程中,发现刃口钝化、锯切电流接近锯机设定上限、工件断口质量下降时,应及时更换锯齿。
锯片更换锯齿时,宜更换全部锯齿。锯齿及锯齿的安装应符合本标准要求。8.2.2
8.2.3锯齿更换完毕,应按本标准检验齿距、齿宽及齿宽差、径向圆跳动、端面圆跳动,使其达到锯片的精度要求。
YB/T4497—2015
片体报废标准
打断一个齿座及以上;
齿座定位凹槽部位出现损坏,导致锯齿不能安装或破坏锯片整体精度;片体出现明显的飘曲变形。
155024-0774
中华人民共和国黑色冶金
行业标准
冶金用机卡式硬质合金齿圆锯片YB/T4497—2015
冶金工业出版社出版发行
北京北河沿大街嵩祝院北巷39号邮政编码:100009
北京七彩京通数码快印有限公司印刷各地新华书店经销
开本880×1230
1/16印张1字数21千字
2015年11月第一版
2015年11月第一次印刷
4定价:30.00元
统一书号:155024·0774
小提示:此标准内容仅展示完整标准里的部分截取内容,若需要完整标准请到上方自行免费下载完整标准文档。