首页 > 其他行业标准 > YS/T 1150-2016高纯钴铸锭
YS/T 1150-2016

基本信息

标准号: YS/T 1150-2016

中文名称:高纯钴铸锭

标准类别:其他行业标准

英文名称:High purity cobalt ingot

标准状态:现行

发布日期:2016-07-11

实施日期:2017-01-01

出版语种:简体中文

下载格式:.pdf .zip

相关标签: 铸锭

标准分类号

标准ICS号:冶金>>有色金属产品>>77.150.70镉和钴产品

中标分类号:冶金>>有色金属及其合金产品>>H62重金属及其合金

关联标准

出版信息

出版社:中国标准出版社

页数:8页

标准价格:14.0

出版日期:2017-01-01

相关单位信息

起草人:张涛、姚力军、李勇军、王学泽、何金江、宋佳、罗俊锋、袁海军、贺昕、陈勇军、曾浩、赵玉林、刘丹、熊晓东、万小勇

起草单位:有研亿金新材料有限公司、宁波江丰电子材料股份有限公司

归口单位:全国有色金属标准化技术委员会(SAC/TC 243)

提出单位:全国有色金属标准化技术委员会(SAC/TC 243)

发布部门:中华人民共和国工业和信息化部

主管部门:全国有色金属标准化技术委员会(SAC/TC 243)

标准简介

本标准规定了高纯钴铸锭的产品要求、制造条件、试验方法、检验规则、标志、包装、运输、贮存、质量证明书及合同(或订货单)内容。本标准适用于制造半导体钴靶材所需的高纯钴铸锭。其他行业所需的高纯钴铸锭也可参照使用。    


标准图片预览

YS/T 1150-2016高纯钴铸锭
YS/T 1150-2016高纯钴铸锭
YS/T 1150-2016高纯钴铸锭
YS/T 1150-2016高纯钴铸锭
YS/T 1150-2016高纯钴铸锭

标准内容

ICS77.150.70
中华人民共和国有色金属行业标准YS/T11502016
高纯钴铸锭
Highpuritycobaltingot
2016-07-11发布
中华人民共和国工业和信息化部发布
2017-01-01实施
同方知网(北京)技术有限公司
中华人民共和国有色金属
行业标准
纯钴铸锭
YS/T1150—2016
中国标准出版社出版发行
北京市朝阳区和平里西街甲2号(100029)北京市西城区三里河北街16号(100045)网址:www.spc.org.cn
服务热线:400-168-0010
2017年5月第一版
书号:155066·2-31624
版权专有
侵权必究
本标准按照GB/T1.1—2009给出的规则起草。本标准由全国有色金属标准化技术委员会(SAC/TC243)提出并归口。本标准起草单位:有研亿金新材料有限公司、宁波江丰电子材料股份有限公司。YS/T:1150—2016
本标准主要起草人:张涛、姚力军、李勇军、王学泽、何金江、朱佳、罗俊锋、袁海军、贺昕、陈勇军、曾浩、赵玉林、刘丹、熊晓东、万小勇。同方知网(北京)技术有限公司
高纯钻铸锭
YS/T1150-2016
本标准规定了高纯钻铸锭的要求、试验方法、检验规则及标志、包装、运输、贮存和质量证明书以及订货单(或合同)内容。
本标准适用于半导体钻靶材制造所需的高纯钻铸锭。其他行业所需的高纯钻铸锭也可参照使用。2www.bzxz.net
规范性引用文件
下列文件对于本文件的应用是必不可少的。凡是注日期的引用文件,仅注日期的版本适用于本文件。凡是不注日期的引用文件,其最新版本(包括所有的修改单)适用于本及件金属材料中氢、氧、氮、碳和硫分析方法通则GB/T14265
溅射靶材-背板结合质量超声波检验方法YS/T837
YS/T1011
产品分类
高纯钻化学分析方法
杂质元素含量的测定
辉光放电质谱法
知网(北景
高纯钻铸锭按化学成分分为Co-4N5和Co-5N两个化学成分要求
高纯钻铸锭的化学成分
高纯钻铸锭的化学成分见表1。
Co-4N5
Co-4N5
Co(质量分数)
%,不小于
Co(质量分数)
%,不小于
99,995
Co(质量分数)
%,不小于
高纯钻铸锭的化学成分
杂质含量(质量分数)/×10-*%,不大于B
杂质含量(质量分数)×10-*%,不大于Mn
杂质含量(质量分数)/×10-*%,不大于Th
杂质总和
YS/T1150—2016
Co-4N5
Co(质量分数)
%,不小于
表1(续)
杂质含量(质量分数)/×10-+%不大于Th
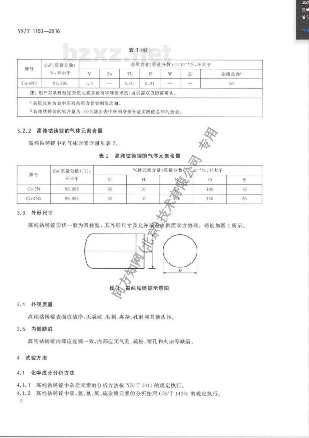
注:用户对某种特定杂质元索含量有特殊要求的,由供需双方协商确认,杂质总和为表中所列杂质含量实测值之和。6高纯钻铸健的钻含量为100%减去表中所列杂质含量实测值总和的余量。高纯钻铸锭的气体元素含量
高纯钻铸锭中的气体元素含量见表2。表2高纯钻铸锭的气体元素含量
Co-4N5
Co质量分数)/%,
不小于
外形尺寸
杂质总和
气体元素含量(质量分数数10-%,不大于H
高纯钻铸锭形状一般为圆柱型,其外形尺寸及允许偏差由供需双方协商。铸锭如图1所示。
3.4外观质量
高纯钻铸锭示意图
高纯钻铸锭表面应洁净,无裂纹、毛刺、夹杂、孔洞和其他沾污。3.5内部缺陷
高纯钻铸锭内部应连续一致,内部应无气孔、疏松、缩孔和夹杂等缺陷。4试验方法
化学成分分析方法
高纯钻铸锭中杂质元素的分析方法按YS/T1011的规定执行。高纯钻铸锭中碳、氢、氮,氧、硫杂质元素的分析按照GB/T14265的规定执行。地点
4.2外形尺寸
高纯钻铸锭的外形尺寸由相应精度的量具检测。4.3外观质量
外观质量用目视检查或10倍放大镜下检查。内部缺陷
高纯钻铸锭内部缺陷检查按YS/T837的规定进行。5
检验规则
检查和验收
YS/T1150-2016
5.1.1产品应由供方检验部门进行检验,保证产品质量符合本标准或订货单(或合同)的规定,并填写司
质量证明书。
5.1.2需方对收到的产品按本标准的规定进行检验,如检验结果与本标准或订货单(或合同)的规定不符,应在收到产品之日起30日内向供方提出,由供需双方协商解决如需仲裁,仲裁取样在需方,由供需双方共同进行。
产品应成批提交验收。每批应由同一投料批、同种牌号机同一规格的产品组成。
检验项目和取样规定
检验项目、取样位置及数量应符合表3规定。表3
检验项目
化学成分
外形尺寸
外观质量
内部缺陷
检验结果判定
取样位置
铸锭上部和底部
检验项目、取样位置及数量
取择激量
2个体品/铸锭
双遥锭
要求的章条号
试验方法的章条号
化学成分、外形尺寸、外观质量和内部缺陷,其中有一项不合格时,判该铸锭不合格。标志、包装、运输、购运和质量证明书标志
每个产品上应贴标签,内容包括:a)产品名称:
牌号:
规格尺寸:
YS/T1150—2016
d)净重;
e)批次:
{)生产日期;
g)企业名称;
h)生产厂家地址及电话。
6.2包装
6.2.1高纯钻铸锭独立包装,采用塑料薄膜包覆表面。6.2.2外包装采用木箱包装。包装箱内应有防碰撞措施。将质量证明书用塑料袋装好后放于包装箱内。需方有特殊要求时,由供需双方商定。6.2.3包装产品应保存于清洁的环境中。6.3运输和贮存
6.3.1运输和贮存过程中,应防止碰伤、擦伤、雨淋,防止表面接触化学试剂,应保证包装完整。6.3.2铸锭应保存于清洁、于燥的环境中。6.4质量证明书
每批产品应有质量证明书,其上注明以下内容:a)
供方名称;
产品名称;
牌号:
规格尺寸;
净重;
批次;
生产日期。
订货单(或合同)内容
订购本标准所列高纯钻铸锭的订货单(或合同)应包括下列内容:a)
产品名称;
牌号:
外形尺寸:
数量:
本标准编号(YS/T1150-2016):其他。
版权专有侵权必究
YS/T1150-2016
书号:155066·2-31624
小提示:此标准内容仅展示完整标准里的部分截取内容,若需要完整标准请到上方自行免费下载完整标准文档。