首页 > 其他行业标准 > YS/T 1151-2016锡蒸发料
YS/T 1151-2016

基本信息

标准号: YS/T 1151-2016

中文名称:锡蒸发料

标准类别:其他行业标准

英文名称:Evaporated tin material

标准状态:现行

发布日期:2016-07-11

实施日期:2017-01-01

出版语种:简体中文

下载格式:.pdf .zip

相关标签: 蒸发

标准分类号

标准ICS号:冶金>>有色金属产品>>77.150.60铅、锌和锡产品

中标分类号:冶金>>有色金属及其合金产品>>H62重金属及其合金

关联标准

出版信息

出版社:中国标准出版社

页数:12页

标准价格:16.0

出版日期:2017-01-01

相关单位信息

起草人:徐学礼、张涛、陈明、刘书芹、何金江、杨永刚、于海洋、曾浩、万小勇

起草单位:有研亿金新材料有限公司

归口单位:全国有色金属标准化技术委员会(SAC/TC 243)

提出单位:全国有色金属标准化技术委员会(SAC/TC 243)

发布部门:中华人民共和国工业和信息化部

主管部门:全国有色金属标准化技术委员会(SAC/TC 243)

标准简介

本标准规定了锡蒸发料的要求、试验方法、检验规则和标志、包装、运输、贮存及质量证明书与合同(或订货单)内容。本标准适用于半导体行业用的锡蒸发料。


标准图片预览

YS/T 1151-2016锡蒸发料
YS/T 1151-2016锡蒸发料
YS/T 1151-2016锡蒸发料
YS/T 1151-2016锡蒸发料
YS/T 1151-2016锡蒸发料

标准内容

ICS 77.150.60
中华人民共和国有色金属行业标准YS/T1151—2016
锡蒸发料
Evaporated tinmaterial
2016-07-11发布
中华人民共和国工业和信息化部发布
2017-01-01实施
本标准按照GB/T1.1一2009给出的规则起草本标准由全国有色金属标准化技术委员会(SAC/TC243)提出并归口。本标准起草单位:有研亿金新材料有限公司。YS/T1151—2016
本标准主要起草人:徐学礼、张涛、陈明、刘书芹、何金江、杨永刚、于海洋、曾浩、万小勇1
1范围免费标准bzxz.net
锡蒸发料
YS/T 1151—2016
本标准规定了锡蒸发料的要求、试验方法、检验规则及标志、包装、运输、贮存和质量证明书以及订货单或合同)内容。
本标准适用于半导体行业用的锡蒸发料。规范性引用文件
下列文件对于本文件的应用是必不可少的。凡是注日期的引用文件,仅注日期的版本适用于本文件。凡是未注日期的引用文件,其最新版本(包括所有的修改单)适用于本文件。GB/T2828.1计数抽样检验程序第1部分:按接收质量限(AQL)检索的逐批检验抽样计划YS/T36(所有部分)
高纯锡化学分析方法
3要求
3.1产品分类
锡蒸发料按照化学成分分为IC-Sn99.99、IC-Sn99.999、IC-Sn99.99993.1.1
三个牌号。
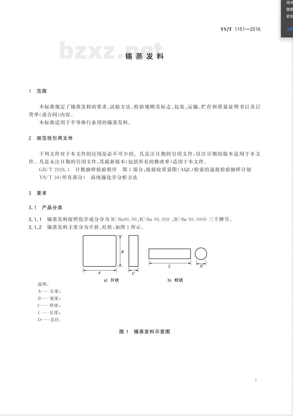
锡蒸发料主要分为片状、柱状,如图1所示,3.1.2
说明:
A-长度
B——宽度;
厚度;
长度;
D——直径。
a)片状
b)柱状
1锡蒸发料示意图
YS/T1151—2016
标记示例
片状标记示例
IC-Sn99.999-××[
厚,单位为mm
宽,单位为mm
长,单位为mm
示例:厚为2mm、长为10mm、宽为10mm,纯度为99.999%的片状锡蒸发料产品标记为:锡蒸发料YS/T1151-IC-Sn99.999-2×10×103.2.2
柱状标记示例
IC-Sn99.999-
长度,单位为mm
直径,单位为mm
示例:直径为6mm、长为6mm、纯度为99.999%的柱状锡蒸发料产品标记为:锡蒸发料YS/T1151-IC-Sn99.999-$6X63.3
3化学成分
锡蒸发料的化学成分要求见表1。锡蒸发料的化学成分
IC-Sn 99. 999 9
IC-Sn 99.999
IC-Sn99.99
IC-Sn 99.999 9
IC-Sn 99. 999
IC-Sn99.99
Sn*(质量分数)/%
不小于
Snb(质量分数)/%,
不小于
杂质含量(质量分数)×10-4/%,不大于As
杂质含量(质量分数)×10-4/%,不大于Ni
注:需方对某种特定杂质元素含量有要求的,由供需双方协商执行a杂质总和为表中所列杂质含量实测值之和。Sb
b锡蒸发料的锡含量为100%减去表中所列杂质含量实测值之和的余量。4几何尺寸
锡蒸发料的几何尺寸及允许偏差见表2。2
杂质总和a
允许偏差
表2几何尺寸及允许偏差
注:经双方协商,可提供其他规格及允许偏差的锡蒸发料3.5外观质量
YS/T1151—2016
单位为毫米
锡蒸发料表面应光亮平整、洁净,边角完整,无飞边、毛刺、夹杂和裂纹等缺陷。3.5.1
锡蒸发料表面应清洁,无油污和锈蚀;应无颗粒附加物和其他沾污。3.5.2
锡蒸发料端面或表面允许有轻微的冲、剪、裁等痕迹,不超过允许偏差3.5.3
试验方法
锡蒸发料化学成分的分析方法按YS/T36(所有部分)的规定进行。4.2锡蒸发料几何尺寸用相应精度的量具测量。4.3外观质量用目视检查,如发现异常现象,用10倍放大镜鉴别。5检验规则
5.1检查和验收
锡蒸发料由供方检验部门进行检验,保证产品质量符合本标准和订货单(或合同)的规定,并填写质量证明书。
5.1.2需方应对收到的产品按本标准的规定进行复验。如复验结果与本标准和订货单(或合同)的规定不符时,应在收到产品之日起30天内向供方提出,由供需双方协商解决。如需仲裁,仲裁取样应由供需双方在需方共同进行。
5.2组批
锡蒸发料应成批提交检验。每批应由同一牌号、同一几何尺寸的产品组成。检验项目及取样
检验项目、取样位置及数量应符合表3的规定检验项目、取样位置及数量
检验项目
化学成分
几何尺寸
外观质量
取样位置
成品随机取样
成品随机取样
取样数量
每批一份,供方可以由原材料分析结果报出,需方在产品上取样分析
按GB/T2828.1取S-1,AQL=1.5抽取样品按GB/T2828.1取S-1,AQL=1.5抽取样品要求的章条号
」试验的章条号
YS/T1151—2016
5.4检验结果的判定
5.4.1化学成分不合格时,则判该批产品为不合格。2几何尺寸、外观质量有一项不合格时,重新取双倍样进行重复试验,若仍有不合格,则判该批产5.4.2
品不合格。但允许对余下的产品进行逐件检验,合格者重新组批交货标志、包装、运输、贮存和质量证明书6
6.1标志
在已检验合格的每瓶或每袋产品上应附标签,并注明以下内容:a)产品名称;
b)纯度;
c)规格;
d)净重;
e)批号;
生产日期;
供方名称;
生产厂家地址电话。
包装、运输和购存
锡蒸发料内包装可采用塑料瓶包装和真空封装两种,塑料瓶包装的瓶口铝封膜应封口完整,无6.2.1
开裂、无贯通。真空袋封口应平整无贯通,真空袋体无漏洞,无真空泄漏。6.2.2产品外包装采用纸箱或木箱包装。经供需双方协商还可采用其他方式包装6.2.3产品运输过程中应防止碰伤、擦伤,并保证运输过程中产品及包装完整,3质量证明书
每批产品应附有质量证明书,并注明以下内容:供方名称;
b)产品名称;
c)纯度;
d)规格;
数量;
f)净重;
g)批号;
生产日期;
执行标准号(YS/T1151—2016)。订货单(或合同)内容
订购本标准所列产品的订货单(或合同)应包括下列内容:a)产品名称;
b)纯度;
c)规格;
供货状态;
数量;
执行标准号(YS/T1151—2016);其他。
YS/T1151—2016
小提示:此标准内容仅展示完整标准里的部分截取内容,若需要完整标准请到上方自行免费下载完整标准文档。