首页 > 国家标准(GB) > GB/T 5752-2002 输送带标志
GB/T 5752-2002

基本信息

标准号: GB/T 5752-2002

中文名称:输送带标志

标准类别:国家标准(GB)

英文名称: Conveyor belt marking

标准状态:现行

发布日期:2002-05-29

实施日期:2002-12-01

出版语种:简体中文

下载格式:.rar.pdf

下载大小:113572

相关标签: 输送带 标志

标准分类号

标准ICS号:材料储运设备>>连续搬运设备>>53.040.20输送机零部件

中标分类号:化工>>橡胶制品及其辅助材料>>G42胶管、胶带、胶布

关联标准

替代情况:GB/T 5752-1992

采标情况:eqv ISO 433:1991

出版信息

出版社:中国标准出版社

书号:155066.1-18846

页数:平装16开, 页数:6, 字数:11千字

标准价格:8.0 元

出版日期:2002-12-01

相关单位信息

首发日期:1986-01-07

复审日期:2004-10-14

起草人:沈耿亮、沈伟明、韩德深、李健

起草单位:桐乡市双箭集团有限责任公司

归口单位:中国石油和化学工业协会

提出单位:国家石油和化学工业局

发布部门:中华人民共和国国家质量监督检验检疫总局

主管部门:中国石油和化学工业协会

标准简介

本标准规定了输送带的标志内容、标志尺寸及标志位置。本标准适用于各种输送带。 GB/T 5752-2002 输送带标志 GB/T5752-2002 标准下载解压密码:www.bzxz.net

标准图片预览

GB/T 5752-2002 输送带标志
GB/T 5752-2002 输送带标志
GB/T 5752-2002 输送带标志
GB/T 5752-2002 输送带标志
GB/T 5752-2002 输送带标志

标准内容

GB/T 5752—2002
本标准等效采用国际标准ISO433:1991《输送带标志》,是国家标准GB/T5752—1992《输送带标志》的修订版。
本标准与ISO433:1991的主要差异在于:本标准根据国际标准最终草案ISO/FDIS14890:1999《输送带具有橡胶或塑料覆盖层的普通用途织物芯输送带》,补充了带芯材质字母代号。本标准与GB/T5752-1992的主要差异在于:本标准取消原标准中有而ISO 433中没有的U、Q、Y、T、C、M、A等带的基本性能字母代号。一本标准按ISO/FDIS14890规定带芯材质的字母代号,原标准字母代号是自定义的。原标准规定两标志纵向距离应小于25m,本标准等效采用ISO433规定两标志纵向距离应小于15m。
本标准自实施之日起,代替GB/T5752—1992。本标准由国家石油和化学工业局提出。本标准由化学工业胶带标准化技术归口单位归口。本标准由桐乡市双箭集团有限责任公司负资起草。本标准主要起草人:沈耿亮、沈伟明、韩德深、李健。47
GB/T5752—2002
ISO前言
国际标准化组织(ISO)是由各国标准化团体(ISO成员团体)组成的世界性的联合会,制定国际标谁的工作是通过ISO技术委员会进行的。每个成员对已成立技术委员会的专业感兴趣,均有权参加该委员会,政府的或非政府的国际组织经过与ISO联系,也可参这项工作。ISO和国际电工组织(IEC)在所有的电工技术标准化方面紧密合作。经技术委员会正式通过的国际标准草案分发给成员团体投票,发布-一项国际标准至少需要75%参加投票的成员团体表决通过。
国际标准ISO433是由ISO/TC41技术委员会[带轮与带(包括V带)制定的。本标准的第二版对第一版进行了技术修订,撤消并代替第版(ISO433:1982)。48
1范围
中华人民共和国国家标准
Conveyor belts-Marking
本标推规定了输送带的标志内容、标志尺寸及标志位置。本标准适用于各种输送带。
2引用标准
GB/T 5752—2002
代替GB/T5752—1992
下列标准所包含的条文,通过在本标准中引用而构成为本标准的条文。本标准出版时,所示版本均为有效。所有标准都会被修订,使用本标准的各方应探讨使用下列标准最新版本的可能性。GB/T3684-~1983运输带导电性规范和试验方法(neqISO284:1982)GB/T3685-—1996输送带酒精喷灯燃烧性能规范和试验方法(eqVISO340:1988)输送带具有橡胶和塑料覆盖层的普通用途织物芯输送带(eqV ISO/FDISGB/T 7984-2001下载标准就来标准下载网
14890:1990)
GB/T10822—-1989一般用途难燃输送带3术语定义
本标准采用下列术语。
3.1包边带
制定宽度即为安装宽度的带边胶的输送带。3.2切边带
制造成一定宽度的带片后,再切割成安装宽度的不带边胶的输送带。4标志内容
标志的内容如下(在标志中依次出现)。4.1输送带的全厚度纵向拉伸强度的公称值,以N/mm为单位表示。输送带的基本性能字母代号,见表1。4.2
表1输送带基本性能字母代号
字母代号
基本性能
有或无覆盖层均耐火焰燃烧
有覆盖层时谢火焰燃烧
导电性(静电)
有或无覆盖层均耐火焰燃烧且有导电性(静电)有覆盖层时耐火焰燃烧且有导电性(静电)中华人民共和国国家质量监督检验检疫总局2002-05-29批准有关标准
GB/T3685
GB/T3685
GB/T3684
GB/T10822
GB/T10822
2002-12-01实施
字母代号
用于强划裂工作条件
用于强磨损工作条件
用于一般工作条件
4.3表示制造年月的四位数字。
4.4标识生产厂的字母代号。
GB/T5752—2002
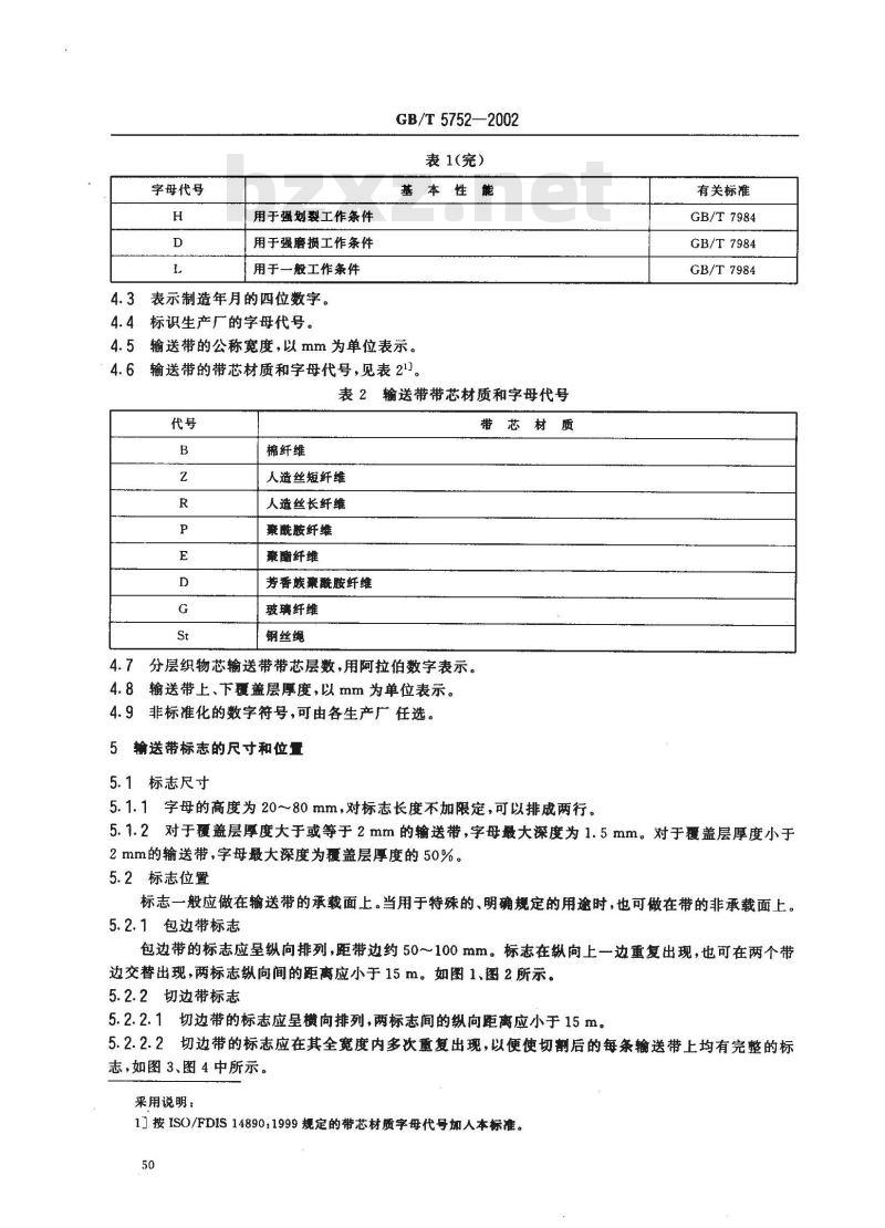
表1(完)
基本性能
4.5输送带的公称宽度,以mm为单位表示。4.6输送带的带芯材质和字母代号,见表211表2输送带带芯材质和字母代号
棉纤维
人造丝短纤维
人造丝长纤维
聚酰胺纤维
紊酯纤维
芳香族来酰胺纤维
玻璃纤维
钢丝绳
4.7分层织物芯输送带带芯层数,用阿拉伯数字表示。4.8输送带上、下覆盖层厚度,以mm为单位表示。4.9非标准化的数字符号,可由各生产厂任选。5输送带标志的尺寸和位重
5.1标志尺寸
带芯材质
5.1.1字母的高度为 20~80 mm,对标志长度不加限定,可以排成两行。有关标准
GB/T 7984
GB/T7984
GB/T 7984
5.1.2对于覆盖层厚度大于或等于2mm的输送带,字母最大深度为1.5mm。对于覆盖层厚度小于2mm的输送带,字母最大深度为覆盖层厚度的50%。5.2标志位置
标志一般应做在输送带的承载面上。当用于特殊的、明确规定的用途时,也可做在带的非承载面上。5.2.1包边带标志
包边带的标志应呈纵向排列,距带边约50~100mm。标志在纵向上一边重复出现,也可在两个带边交替出现,两标志纵向间的距离应小于15m。如图1、图2所示。5.2.2切边带标志
5.2.2.1切边带的标志应呈横向排列,两标志间的纵向距离应小于15m。5.2.2.2切边带的标志应在其全宽度内多次重复出现,以便使切割后的每条输送带上均有完整的标志,如图3、图4中所示。
来用说明:
1]按ISO/FDIS14890:1999规定的带芯材质字母代号加人本标准。50
800L 0006 SJ800 EP4 4. 5+1. 5<15m
GB/T5752—2002
800L0006SJ800EP44.5+1.5
ur00109
800L 0006 SJ 800 EP4 4. 5 +1. 5800L0006SJ800EP44.5+1.5800L00公
800L0006SJ800EP4 4.5+1.5800L00图3
w01~09
800L 0006 SJ800 EP4 4. 5+1. 5-800L 0006 SJ 800 EP4 4. 5 +1. 5L00
.58001
00EP44.5+1.5
注:为避免标志在带表面承载部分模制得不规整,横向标志可用标志胶条,单独硫化。51
GB/T 5752—2002
5.2.3输送带卷芯轴侧面上的标志由各生产厂自定。6标志示例
4. 5 + 1. 5
上、下覆盖层厚度
带芯层数
带芯材质代号
公称宽度
制造厂代号
制造年份的后二位数字及月份
胶带基本性能代号
纵向全厚度拉伸强度
小提示:此标准内容仅展示完整标准里的部分截取内容,若需要完整标准请到上方自行免费下载完整标准文档。