首页 > 国家标准(GB) > GB 5023.3-1997 额定电压450/750V及以下聚氯乙烯绝缘电缆 第3部分: 固定布线用无护套电缆
GB 5023.3-1997

基本信息

标准号: GB 5023.3-1997

中文名称:额定电压450/750V及以下聚氯乙烯绝缘电缆 第3部分: 固定布线用无护套电缆

标准类别:国家标准(GB)

英文名称: Polyvinyl chloride insulated cables of rated voltage 450/750V and below Part 3: Unsheathed cables for fixed wiring

标准状态:已作废

发布日期:1997-07-30

实施日期:1998-09-01

作废日期:2009-05-01

出版语种:简体中文

下载格式:.rar.pdf

下载大小:274730

相关标签: 额定 电压 聚氯乙烯 绝缘 电缆 固定 布线 护套

标准分类号

标准ICS号:电气工程>>29.060电线和电缆

中标分类号:电工>>电工材料和通用零件>>K13电缆及其附件

关联标准

替代情况:替代GB 5023.2-1985;GB 5023.3-1985;被GB/T 5023.3-2008代替

采标情况:≡IEC 227-3-93

出版信息

出版社:中国标准出版社

页数:14页

标准价格:12.0 元

出版日期:1998-08-01

相关单位信息

首发日期:1985-03-27

复审日期:2004-10-14

起草人:吴曾权

起草单位:上海电缆所

归口单位:全国电线电缆标准化技术委员会

提出单位:中华人民共和国机械工业部

发布部门:国家技术监督局

主管部门:中国电器工业协会

标准简介

本标准的第3部分详细规定额定电压450/750V及以下固定布线用聚氯乙烯绝缘单芯无护套电缆的技术要求。所有电缆均应符合GB 5023.1规定的相应要求,并且各种型号电缆应分别符合本部分规定的特殊要求。 GB 5023.3-1997 额定电压450/750V及以下聚氯乙烯绝缘电缆 第3部分: 固定布线用无护套电缆 GB5023.3-1997 标准下载解压密码:www.bzxz.net

标准图片预览

GB 5023.3-1997 额定电压450/750V及以下聚氯乙烯绝缘电缆 第3部分: 固定布线用无护套电缆
GB 5023.3-1997 额定电压450/750V及以下聚氯乙烯绝缘电缆 第3部分: 固定布线用无护套电缆
GB 5023.3-1997 额定电压450/750V及以下聚氯乙烯绝缘电缆 第3部分: 固定布线用无护套电缆
GB 5023.3-1997 额定电压450/750V及以下聚氯乙烯绝缘电缆 第3部分: 固定布线用无护套电缆
GB 5023.3-1997 额定电压450/750V及以下聚氯乙烯绝缘电缆 第3部分: 固定布线用无护套电缆

标准内容

1总则
1.1范围
中华人民共和国国家标准
额定电压450/750V及以下
聚氯乙烯绝缘电缆
第3部分:固定布线用无护套电缆Polyvinyl chloride insulated cablesof rated voltages up to and including 450/750 Part 3:Non-sheathed cables for fixed wiringGB5023-3—1997
fdt IEc 227-3:1993
代替GB5023.2—85
GB 5023.3—85
本标准的第3部分详细规定额定电压450/750V及以下固定布线用聚氯乙烯绝缘单芯无护套电缆的技术要求。
所有电缆均应符合GB5023.1规定的相应要求,并且各种型号电缆应分别符合本部分规定的特殊要求。
1.2引用标准
下列标准所包含的条文,通过在本标准中引用而构成为本标准的条文。本标准出版时,所示版本均为有效。所有标准均会被修订,使用本标准的各方应探讨使用下列标准最新版本的可能性。GB/T2951.1—1997电缆绝缘和护套材料通用试验方法第1部分:通用试验方法
第1节:厚度和外形尺寸测量
GB/T 2951.21997
机械性能试验
电缆绝缘和护套材料通用试验方法第 1 部分:通用试验方法
第2节:热老化试验方法
GB/T 2951.4—1997#
电缆绝缘和护套材料通用试验方法第1部分:通用试验方法
第 1 节:低温试验
电缆绝缘和护套材料通用试验方法GB/T 2951. 61997
第3部分:骤氟乙烯混合料专用试验方法第 1 节:高温压力试验——抗开裂试验电缆绝缘和护套材料通用试验方法GB/T 2951.7—1997
第3部分:聚氯乙烯混合料专用试验方法第2节:失重试验—一热稳定性试验GB/T3956—1997电缆的导体
GB5023.1-1997额定电压450/750V及以下聚氯乙烯绝缘电缆第1部分:一般要求
国家技术监督局1997-07-30批准1998-09-01 实施
GB 5023. 2—1997
GB 5023. 3—1997
额定电压450/750V及以下聚氯乙烯绝缴电缆第2部分:试验方法
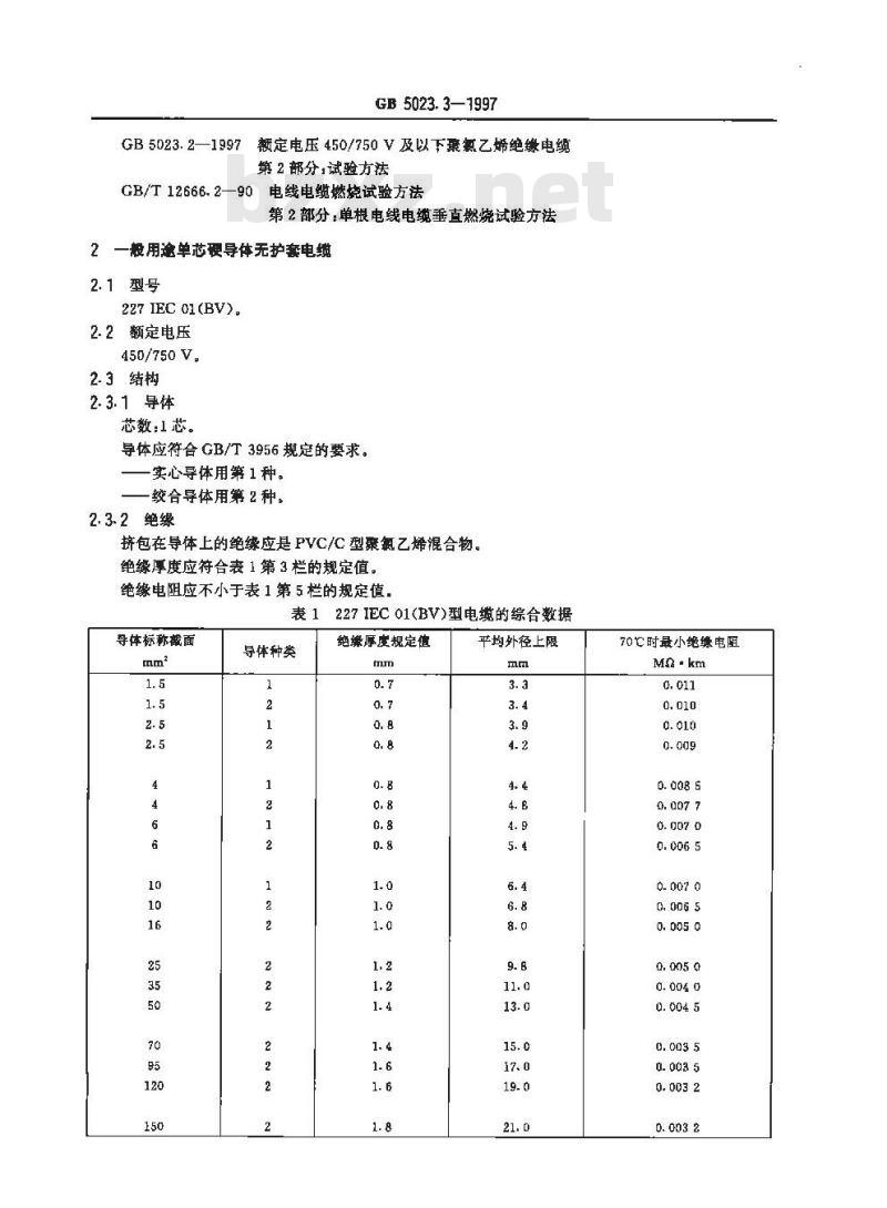
GB/T12666.2-90电线电缆燃烧试验方法第2部分:单根电线电缆垂直然烧试验方法2一般用迄单芯硬导体无护套电缆2.1型号
227 IEC 01(BV).
2.2额定电压
450/750V.
2.3结构
2.3.1导体
芯数:1芯。
导体应符合GB/T3956规定的要求。一实心导体用第1种。
一绞合导体用第2种。
2.3.2绝缘
挤包在导体上的绝缘应是PVC/C型亲氢乙烯混合物。绝缘厚度应符合表1第3栏的规定值绝缘电阻应不小于表1第5栏的规定值,表1227IEC 01(BV)型电缆的综合数据导体标称截面
导体种类
绝续厚度规定值
平均外径上限
70℃时最小绝综电阻
Ma·km
导体标称截面
2.3.3外径
导体种类
GB 5023.3—1997
表1(完)
绝缘厚度规定值
平均外径应不大于表1第4栏规定的上限值。2.4试验
平均外径上限
应以表 2 规定的检测和试验检查是否符合 2. 3 的要求。2.5使用导则
在正常使用时,导体最高温度为70℃。注,其他导则正在考意中。
表2227IEC01(BV)型电缆的试验项目序号
电气性能试验
导体电阻
2 500V电压试验
70芒时绝缘电阻
结构尺寸检查
结构检查
绝练厚度测量
外径测量
绝缘机械性能
老化前拉力试验
老化后拉力试验
失鱼试验
高温压力试验
试验项目
低温弹性和冲击强度
绝缘低温奇曲试验
绝缘低温拉伸试验
绝续低温冲击试验
热冲击试验
不延试验
1)只有当电缆外径超过试验方法规定的极限值时才适用,试验种类
70℃时最小绝缘电阻
MQ·km
试验方祛
GB(GB/T)
5023.1和5023.2
5023-1
条文号
检查和手工试验
8. 1. 3.1
3一般用途单芯软导体无护套电缆3.1型号
227IEC02(RV)。
3.2额定电压
450/750V.
3.3结构
3.3.1导体
芯数:1芯。
GB 5023. 3—1997
导体应符合GB/T3956中第5种导体规定的要求。3.3.2绝缘
挤包在导体上的绝缘应是PVC/C型聚氮乙烯混合物。绝缘厚度应符合表 3第 2 栏的规定值。绝缘电阻应不小于表 3第 4栏的规定值。3.3.3外径
平均外径应不大于表3第3栏规定的上限值。3.4试验
应以表4规定的检测和试验,检查是否符合 3. 3的要求。3. 5使用导则
在正常使用时,导体最高温度为 70 ℃。注:其他导则正在考意中。
表3227IEC02(RV)型电缆的综台数据导体标称截面
绝缘厚度规定值
平均外径上限
70它时最小绝缘电阻
0,004 6
电气性能试验
导体电阻
2500V电压试验
70'C时绝缘电
结构尺寸检查
结构检查
绝缘厚度测盘
外径测量
绝绿机械性能
老化前拉力试验
老化后拉力试验
失重试验
高蕴压力试验
低温弹性
GB 5023. 3--1997
表4227IEC02(RV)型电缆的试验项目试险项目
绝缘低温弯曲试验
绝缘低温拉伸试验\
热冲击试验
不延燃试验www.bzxz.net
1)只有当电缆外径超过试验方法规定的极限值时才适用。试验种类
试验方法
GB(GB/T)
内部布线用导体温度为70的单芯实心导体无护套电缆4
4.1型号
227 IEC 05(BV)
4.2额定电压
300/500 V.
4.3结构
4.3.1导体
芯数:1 芯
导体应符合GB/T3956中第1种导体规定的要求,4.3.2绝缘
挤包在导体上的绝缘应是PVC/C型聚氯乙烯混合物绝缘厚度应符合表5第2栏的规定值。绝缘电阻应不小于表5第4栏的规定值。4. 3. 3外径
平均外径应不大于表5第3栏规定的上限值。5023.2
5023.1和5023.2
备文号
检查和手工试验
8. 1. 3. 1
导体标称裁面
4.4试验
GB 5023. 3—1997
表5227IEC05(BV)型电缆的综合数据绝缘厚度规定值
平均外径上限
应以表 6 规定的检测和试验,检查是否符合 4. 3 的要求。使用导则
在正常使用时,导体最高温度为70℃。注:其他导则正在考虑中。
227IEC05(BV)型电缆的试验项目表6
电气性能试验
导体电阻
2000V电压试验
70℃时绝缴电阻
结构尺寸检查
结构检查
绝缘厚度测量
外径测盘
绝缘机械性能
老化前拉力试验
老化后拉力试验
失量试验
高温压力试验
低温弹性
绝缘低温弯曲试验
热冲击试验
不延燃试验
5内部布线用导体温度为 7D C的单芯软导体无护套电缆5.1型号
227 IEC 06(RV).
5.2额定电压
300/500 V.
5.3.1导体
芯数:1芯。
试验种类
70 亡时最小绝缘电阻
MQ·km
试验方法
GB(GE/T)
5023. 1和 5023. 2
条文号
检查和手工试验
8. 1. 3.1
GB5023.3--1997
导体应符合 GB/T 3956 中第 5种导体规定的要求。5.3.2绝缘
挤包在导体上的绝缘应是PVC/C型桑氯乙烯混合物。绝缘厚度应符合表7第2栏的规定值。绝缘电阻应不小于表7第4栏的规定值。5.3.3外径
平均外径应不大于表7第3栏规定的上限值,表7227IEC 06(RV)型电缆的综合数据导体标称教面
5.4试验
绝缘厚度规定信
平均外径上限
应以表 8 规定的检测和试验,检查是否符合 5. 3 的要求,5.5使用导则
在正常使用时,导体最高温度为 70℃,注:其他导则正在考虑中。
227IEC06(RV)型电缆的试验项目表品
电气性能试验
导体电阻
2000V电压试验
70'C时绝电阻
结构尺寸检查
结构检查
绝缘厚度测量
外径测量
绝缘机械性能
老化前拉力试验
老化后拉力试验
失重试验
高温压力试验
低温弹性
试验项目
绝缘低温弯曲试验
热冲击试验
不延燃试验
试验种类
70℃时最小绝缘电阻
Mn·km
试验方法
GB(GB/T)
5023-2
5023. 1 和 5023. 2
条文号
检查和手工试验
8. 1. 3.1
GB 5023.3—1997
6内部布线用导体温度为90C的单芯实心导体无护套电缆6.1型号
227IEC 07(BV-90).
6.2额定电压
300/500V.
6.3结构
6.3. 1导体
芯数:1 芯。
导体应符合 GB/T 3956 中第 1 种导体规定的要求。6.3.2绝缘
挤包在导体上的绝缘应尽PVC/E型聚氯乙烯混合物。绝缘厚度应符合表9第2栏的规定值。绝缘电阻应不小于表9第4栏的规定值。6-3.3外径
平均外径应不大于表 9第 3栏规定的上限值。表 9227IEC07(BV-90)型电缆的综合数据导体标称截面
6.4试验
绝缘厚度规定值
平均外径上限
应以表10规定的检测和试验,检查是否符合6.3的要求。6.5使用导则
在正常使用时,导体最高温度为 90 ℃,90C时最小绝缘电阻
Mn·km
当电缆的使用环境可防止热塑流动和容许减小绝缘电阻的情况下,能连续在90C使用的PVC混合物,在缩短总工作时间的前提下,其工作温度可提高至105℃。注,其他导则正在考虑中。
表10227IEC 07(BV-90)型电缆的试验项目序号
电气性能试验
导体电阻
2 000 V电压试验
90℃时绝续电阻
结构尺寸检查
结构检查
绝缘厚度测量
外径测量
试验项目
试验种类
GB(GB/T)
5023- 1 和 5023. 2
5023-2
条文号
检查和手工试验
绝缴机械性能
老化前拉力试验
老化后拉力试验
失量试验
高温压力试验
试验项目
低溢弹性
绝缘低温弯曲试验
热冲击试验
不延燃试验
热稳定性试验
GB 5023. 3—1997
表10(完)
试验种类
7内部布线用导体温度为90的单芯软导体无护套电缆7.1型号
227IEC08(RV-90)
7.2额定电压
300/500 V.
7.3结构
7. 3. 1 导体
芯数:1芯。
导体应符合GB/T3956中第5种导体规定的要求。7.3.2绝缘
挤包在导体上的绝缘应是PVC/E型聚氯乙烯混合物。绝缘厚宦应符合表11第2栏的规定值。绝缘电阻应不小于表11第4栏的规定值。7.3.3外径
平均外径应不大于表 11 第 3 栏规定的上限值。试验方法
GB(GB/T)
2951-6
表11227IEC08(RV-90)型电缆的综合数据导体标称盘面
7.4试验
绝缴厚度规定值
平均外径上限
应以表12规定的检测和试验,检查是否符合7.3的要求。7.5使用导则
条文号
8. 1. 3. 1
90℃时最小绝缘电
在正常使用时,导体最高温度为90℃GB5023.3—1997
当电继的使用环境可防止热塑流动和容许减小绝缘电阻的情况下,能连续在90℃使用的PVC混合物,在缩短总工作时间的前提下,其工作温度可提高至105℃。注:其他导则正在考虑中。
表12227IEC08电气性能试验
导体电阻
2 000V电压试验
90C时绝缴电阻
结构尺寸检查
结构检查
绝缘厚度测量
外径测量
绝缘机械性骼
老化前拉力试验
老化后拉力试验
失重试验
高温压力试验
低温弹性
绝缘低温弯曲试验
热冲击试验
不延燃试验
热稳定性试验
试验项目
试验种类
试验方法
GE(GB/T)
5023-2
5023. 1 和 5023. 2
2951-1
检查和手工试验
8. 1. 3. 1
小提示:此标准内容仅展示完整标准里的部分截取内容,若需要完整标准请到上方自行免费下载完整标准文档。